Составление схемы электропроводки в квартире и частном доме
Все работы по монтажу новой и замене старой электропроводки в независимости от того, где они будут производиться, в квартире или частном доме, на даче или в гараже нуждаются в грамотном и продуманном подходе. Начинать этот сложный процесс необходимо с составления проекта электроснабжения, на основе обстоятельного продумывания плана обустройства всей электрики жилья. Проект можно составить по старинке на бумаге при помощи цветных маркеров либо сделать на компьютере, при помощи простейшей графической программы. В этой статье мы подробно рассмотрим, как выполняется составление схемы электропроводки в квартире и частном доме.
Определяемся с расположением мебели и техники
Перед составлением схемы немаловажным будет учесть планировку помещений, планируемую расстановку мебели и размещение стационарных электроприборов. Места установки электрофурнитуры в комнате должны быть выбраны так, чтобы они не оказались заставленными диванами или шкафами и обеспечивали комфортный доступ к включению-выключению освещения и потребителей электроэнергии. Лучше будет, если обсуждение этого сложного вопроса вынести на семейный совет.
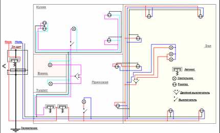
Первым делом необходимо сделать план помещений с указанием оконных и дверных проемов. Для того чтобы в дальнейшем было легче произвести подсчет необходимого количества кабеля и провода, составление плана лучше произвести в масштабе с соблюдением размеров. Процесс проектирования схемы электропроводки будет рассматриваться на примере однокомнатной квартиры. Название помещений на плане лучше пронумеровать и отдельно указать расшифровку.

Где: 1 – прихожая, 2 – ванная комната, 3 – кухня, 4 – зал.
Оптимальные места установки розеток
После этого на схему необходимо нанести места, где планируется разместить предметы мебели и стационарные электроприборы. Если бытовую аппаратуру выделить красным цветом, это значительно упростит работу по дальнейшему составлению схемы проводки. Все предметы электротехники рекомендуется пронумеровать и зафиксировать в расшифровке: 1 – стиральная машина, 2 — посудомоечная машина, 3 — электрическая плита, 4 – акустический центр, 5 – телевизор, 6 – музыкальный центр, 7 – персональный компьютер.

Составление плана расположения мебели и техники позволит определиться с точками оптимальной установки розеток. Схема размещения розеток в квартире:

Чтобы спроектировать схему электропроводки мы рекомендуем использовать специальные программы. Лучшие программы для составления электрических схем мы предоставили в отдельной статье!
Схема освещения
В классическом варианте потолочные светильники должны располагаться в центре помещения, место нахождения которого находятся в точке пересечения линий, проходящих через середину длины и ширины помещения. В прихожей, выполненной в виде буквы Г, устанавливается 2 светильника.
При нанесении на схему расположения выключателей необходимо учитывать, что дверь может открываться внутрь или наружу, быть правого или левого исполнения. Открытая дверь не должна мешать свободного доступа к нему. Выключатели, как правило, располагаются внутри комнат. Исключения составляют помещения с повышенным содержанием влаги, к которым относятся прачечные, бани, ванные комнаты. Это делается с целью обеспечения электробезопасности и сохранности коммутационной аппаратуры.

На представленном плане электропроводки показано, что выключатель освещения ванной комнаты находится за ее пределами.
Трассы прокладки кабелей и проводов
После определения места установки светильников, выключателей и розеток, необходимо составить схему маршрутов электропроводки, эта фаза проектирования является главной частью работы. Схема и монтаж проводки значительно упрощается в том случае, если в своем доме или квартире обустроены подвесные потолки. В этом случае провода укладываются в гофротрубах и крепятся к черновому потолку. С целью экономии провода маршруты проводки выбираются по кротчайшему расстоянию. В штробы под штукатурку укладывается провод, соединяющий распределительные коробки с выключателями и розетками. При стандартном варианте обустройства потолков электропроводка укладывается в предварительно пробитые штробы по стенам помещения. Для подключения осветительных приборов провод пропускается по каналам потолочных перекрытий. Пример прокладки кабельной линии, в соответствии с существующими нормами, предоставлен на схеме:

Составление плана маршрута электропроводки надо начинать с самой дальней точки электрической сети. В данном случае это будет двойная розетка в зале, ее необходимо соединить с распределительной коробкой, которую целесообразно установить у входа в помещение. Затем на схему наносится маршрут прохождения провода, подключающего вторую розетку.

Сеть освещения будет состоять из проводов, первый из которых проходит от коробки до выключателя, второй, подключенный к потолочному светильнику, уложен в канале плиты перекрытия. Распределительная коробка в зале получает электропитание по двум проводам от распределительного щита, установленного в прихожей. Также необходимо предусмотреть заземление в квартире, если это возможно. В этом случае проводка будет трехжильной.
По такому принципу надо составить схему прокладки проводки в остальных комнатах. Для полноты картины можно предположить, что на кухне смонтирован подвесной потолок. В этом случае электропроводка будет проложена в гофротрубах, закрепленной дюбель гвоздями к бетонной плите перекрытия, маршруты ее прокладки будут выбраны с учетом кратчайшего расстояния. Спуски к электрофурнитуре будут выполнены под штукатуркой.

Не следует забывать, что электроснабжение помещений производится как минимум двумя группами проводов, один из которых обеспечивает питание силовой сети, другой предназначен для сети освещения. Более подробно о том, как разделить электропроводку на группы, мы рассказывали в отдельной статье.
Можно существенно сэкономить, если розетки соединять меду собой «шлейфом», минуя распредкоробки. Опытные электромонтеры не рекомендуют практиковать данный способ подключения, вследствие возникновения большой токовой нагрузки на розетках. К тому же при применении такого способа подключения выход из строя одной розетки может вызвать обесточивание всей силовой сети.
В заключении, на основании готовой и правильно составленной схемы, производится расчет необходимого метража проводки и сечения проводов, необходимого количества розеток, выключателей и распределительных коробок. Сечение проводников подбирается из расчета предполагаемой токовой нагрузки потребителей. О том, как рассчитать сечения кабеля, мы рассказывали в отдельной статье.
Также рекомендуем просмотреть видео, на которых наглядно рассмотрены этапы составления схемы проводки, а также примеры готовых проектов:
Условные обозначения
Составление схемы щита
Проектирование электрики в 3D
План электрической проводки в частном доме
Теперь вы знаете, как должно осуществляться составление схемы электропроводки в квартире и частном доме. Как вы видите, чтобы самостоятельно составить план разводки кабеля и установки электрофурнитуры, нужно изучить все нюансы, которых достаточно много!
Рекомендуем также изучить:
samelectrik.ru
Как правильно составить схему электропроводки
Содержание статьи:
Все работы, которые так или иначе связаны с электричеством в доме, потребуют от вас грамотного и серьезного подхода, поэтому схема электропроводки в квартире или частном доме обязана быть отлично продумана, а главное правильно и качественно изготовлена. Как раз со схемы электрики и ее монтажа будет начинаться ремонт в новом жилье или капитальный ремонт в старом. Последовательность действий по монтажу проводки в доме будет следующая. Во-первых, прокладывается по стенам проводка, которае в последующем будет закрыта штукатуркой и обоями. Под этой отделкой вся электропроводка пролежит много лет и не побеспокоит вас. Именно для этого до начала монтажа нужно очень внимательно просчитать весь план электропроводки квартиры.

Схемы электропроводки – с чего начинать?
Чаще всего, когда подходит очередь прокладки электропроводки в доме или квартире, люди не представляют себе конечный результат. А схема проводки должна представляться в красках. Все потому, что от правильности схемы напрямую будет зависеть общая функциональность, а также правильность и логичность расположения выключателей, розеток, приборов освещения и т.п. Схема электропроводки дома или квартире всегда будет начинаться с одного – продумывания плана всей электрики. Поясним почему. Предположим, что вы выполнили ремонт без обдумывания конечного результата. Закончили весь ремонт, поставили мебель и бытовую технику и … Можете получить пачку проблем.
Розетки и выключатели могут оказаться закрытыми диваном или шкафом, а так где она нужна ее нет и наоборот. И в подобных случаях вы начнете с удовольствием разматывать удлинители по всей квартире к нужным электроприемникам. Естественно, что вы не захотите подобной новой электропроводки в квартире. Ошибки в квартирах еще сравнительно терпимы. А вот если схема проводки дома выполнена неправильно в частном доме, то это обещает более серьезные проблемы. Это потому, что квартиры обычно подвергаются капитальному ремонту с заменой проводки раз лет в 20-25. А вот в частных домах это все выполняется либо намного реже, либо вообще никогда не делается. Предположите, что ошибка допущена в несколько этажном доме, то проблемы покажутся еще веселее.
Для того, чтобы избежать всех подобных проблем нужно просто все спокойно продумать и определиться с тем, как поставить в доме бытовую технику и мебель. Также обязательно стоит отметить, что в ближайших планах вы будете покупать и будет зависеть от электричества. Все эти вопросы лучше всего обсудить с семьей, т.к у каждого будет свое видение обстановки, что не будет лишним.
Статьи по теме:
– Как подключить розетку с заземлением
Схема монтажа электропроводки – силовая часть
Итак, вы все спокойно обдумали. Теперь нужно начинать излагать все появившиеся планы и идеи на бумаге. Рисуйте план вашего жилища. Для примера будем разбирать стандартную однокомнатную квартиру, но все точно также и для частного дома. Для того, чтобы выполнить монтажную схему электропроводки квартиры потребуется лист бумаги, ручка, линейка, цветные фломастеры или карандаши.
На схеме нужно указать месторасположение дверных проемов и стен. Точных размеров не нужно, требуется выполнить только общее положение. Если вы еще не узнали, как правильно установить межкомнатную дверь, то советуем обратиться к одноименной статье.
По примеру должна получиться следующая картина.

Для полного представления и простоты пронумеруйте и подпишите все помещения:
- №1 – зал;
- №2 – кухня;
- №3 – ванная комната;
- №4 – прихожая.

После этого нужно нанести на схему электрики места, в который будет находиться бытовая техника и мебель. Все предметы нужно пронумеровать, обозначить и выделить цветом потребителей электроэнергии.

Именно для потребителей электроэнергии, выделенных красным цветом, будут нужны розетки. Теперь необходимо упростить вашу схему, т.е. убираем все предметы, а в тех местах, где будет находиться электроника нанесем на план электропроводки обозначения розеток. Должно получиться примерно следующее.

Не лишним будет нанести используемые в схеме условные обозначения во избежание путаницы.

Конкретные размеры и местоположение розеток нужно будет указывать на схеме после того, как вы определитесь с точными местами нахождения электроники и мебели.
Схема электрики в квартире – осветительная часть
В рассматриваемом примере все осветительные приборы будут находиться по центру помещения. Будем начинать с первой комнаты – зала. Координаты нахождения светильников, если знаете точные размеры помещения, можно указывать в первую очередь. В нашем случае точных размеров у нас нет, поэтому все нужные замеры проведем в процессе первого этапа монтажа, т.е разметки. С определением центра, надеемся, проблем быть не должно. Но на всякий случай скажем, что для начала меряете ширину помещения, а полученное измерение разделяйте пополам.

То же самое нужно делать и с длиной помещения, т.е. меряете и делите вдвое. Таким образом вы получите координаты середины помещения. По этим полученным координатам нужно обозначить центр помещения и на схеме обозначаете крестиком.

Точно таким же способом обозначаете середины всех комнат.

Прихожая, которая является Г-образной по форме, требуется разделить на 2 части и тоже разметить.
Если поменять нанесенные крестики на условные обозначения приборов освещения, то получится подобная схема электропроводки.

Для завершения схемы электропроводки дома своими руками требуется нанести выключатели. Для этого необходимо определиться с нахождением межкомнатных дверей. Кстати, посмотрите, как самостоятельно установить межкомнатную дверь, полезная статья. Здесь же нужно понять в какую сторону дверь будет открываться, т.е. вовнутрь или наружу, а также вправо или влево. Это нужно сделать для того, чтобы установленный выключатель не оказался за какой-нибудь дверью.

Следующим этапом будет нанесение на схему электропроводки выключателей. Обычно они располагаются внутри комнат таким образом, чтобы входя в комнату и открыв дверь можно было бы без проблем включить свет, а уходя – выключить. Исключением будут помещения, имеющие повышенную влажность – санузлы и ванные комнаты. Это связано с тем, что постоянное попадание влаги быстро будет выводить из строя выключатели, если, конечно же, не использовать специальные приборы с повышенной защитой.
Нарисуйте выключатели на своей схеме, применяя условные обозначения. До того, как начинать монтаж электропроводки на схеме необходимо нанести точные размеры до выключателей – отступ от дверей, а также высоту от пола.

В итоге вы составите две схемы электропроводки – схему розеток и схему выключателей и светильников. Первый этап окончен. Теперь вы имеете основную часть электрической схемы.
Схема прокладки проводов
Сначала вам необходимо продумать и просчитать в доме весь маршрут прокладки проводов. Для этого необходимо провести осмотр в помещении, в котором планируются работы. Необходимо определиться также и отделочными работами, которые будут проведены. А именно нужно знать: какие будут потолки, будет ли выполняться штукатурка и ее толщина, где находятся несущие стены, нужно будет ли штробить стены. Рассмотрим все это на примере.
К примеру, вы планируете выполнить натяжные потолки. В плане электропроводки этот вариант просто великолепный. В этом случае все работы по прокладке электропроводки можно выполнять самостоятельно, а также сэкономить много времени и сил, а также материалов. Это происходит за счет того, что можно использовать комбинированный монтаж электропроводки. То есть монтаж кабелей осуществляется на черновом потолке в гофрированных негорючих трубах, а спуски к выключателям и розеткам осуществляются в стенах – в штробах.
У подобного способа монтажа электропроводки имеются следующие преимущества.
В случае необходимости замены электропроводки все работы производятся без обновления штукатурного слоя, а также не требуется выполнения тяжелой работы по обустройству штроб. А ведь именно подготовка каналов для прокладки кабелей занимает основную часть рабочего времени. Также не нужно протягивать их через каналы потолочных перекрытий. Это тоже позволяет сэкономить ваши силы, т.к. каналы не всегда являются чистыми. К тому же здорово снижается расход проводов. Это связано с тем, что во время прокладки по стенам нужно обходить различные препятствия, а если будете прокладывать по потолку, то прокладка электропроводки осуществляется по самому короткому пути.
Если же у вас прокладка электропроводки будет осуществляться стандартным способом по стенам, то нужно обратить внимание на следующие моменты.
- Рекомендуем обходить бетонные перекрытия, которые находятся над дверями и окнами. Это объясняется тем, что делать штробы в них очень сложно, а второй причиной будут проблемы во время установки карнизов или гардин для навешивания штор.
- Нужно правильно найти каналы в плитах межэтажных перекрытий, т.к. в них нужно будет прокладывать проводку для светильников.
- Точно рассчитать нахождение распределительных коробок. Если это сделать правильно, то можно также существенно снизить расход материала во время монтажа электропроводки.
- Если ваш дом монолитно-бетонный, то нужно составлять схему выключателей и розеток таким образом, чтобы они не попадали на основные несущие конструкции, т.к. нарушать их целостность крайне нежелательно.
После учета вышеописанных нюансов можно приступать к составлению схемы прокладки провода. Для этого нужно использовать схемы, которые получились на первом этапе подготовки. Схемы электропроводки должны быть наложены друг на друга и будет получена общая картина.

Начинаем с первой комнаты в доме. Тут будут располагаться обычные потолки под проведение покраски. Поэтому здесь монтаж будет проиводиться по стенам, а для люстры прокладываться в каналах потолочной плиты перекрытия. Также в этой комнате имеется две двойные розетки, выключатель и люстра. Провод следует протягивать от самого дальнего угла, т.к. там располагаются первая в цепи двойная розетка. Остановиться нужно у выхода из помещения, т.к. там будет находиться распределительная коробка.

Выполнять розетки шлейфом не рекомендуется, т.к. это намного будет сокращать мощность последней в цепи розетки. Надежнее и правильнее будет выполнить все соединения в распредкоробке. Поэтому нужно вести провод напрямую от каждой розетки к коробке. Нарисуйте маршрут кабелей от второй двойной розетки.

После этого зарисуйте провод от люстры до распределительной коробки.

Далее от выключателя до коробки.

Когда все кабели будут собраны в одном месте необходимо обозначить место для самой распределительной коробки.

Точно также нужно обозначить маршруты прокладки проводки в других комнатах. Электропроводка на кухне – тут можно применять каналы в плитах перекрытия для уменьшения пути провода от одной из розеток. Пропуская их через эти каналы, вы экономите и материал и свое время.

Делаете схему проводки в ванной комнате.

Схема в прихожей. В этом помещении запланирован монтаж подвесного потолка из пластика, а поэтому возможно электропроводку прокидывать по потолку в гофрированных трубках.

После вышеописанных манипуляций обозначайте место для нахождения силового щита. Как правило, он находится рядом со входом в квартиру.

Далее следует соединять силовой щит с распределительными коробками. От каждой коробки нужно прокидывать по 2 провода – один на освещение, а второй на розетки.
Начинаем. От зала до щитка.

От кухни до щитка.

От ванной комнаты до силового щитка.

И в завершение от прихожей до щита.

Вот и составлена схема электропроводки квартиры или частного дома, а далее можно без оглядки воплощать ее в жизнь.
Следующим этапом для монтажа электропроводки в доме будет расчет сечения провода. Подобным расчетом крайне нежелательно пренебрегать, т.к. каждое оборудование обладает своей потребляемой мощностью, которую питающий провод должен выдерживать. Ну, а уже после вам обязательно предстоит разобраться, как подключить розетку с заземлением.
stroysoveti.ru
схемы электропроводки + как провести самому
Обязательная часть ремонтных работ в квартире – замена или монтаж электрических кабелей, распределительных коробок, электрощита. Грамотно подобранная схема электропроводки обезопасит жилье от аварий и непредвиденных ситуаций.
Рассмотрим, что нужно предусмотреть при самостоятельной замене или прокладке электрики.
Содержание статьи:
Отличительные черты современной электропроводки
Современные бытовые технологии в конце 20 века сделали ощутимый рывок. В домах кроме телевизоров появились компьютеры, системы охраны и видеонаблюдения, мощная бытовая техника, беспроводная связь. В связи с этим разводка электрических кабелей стала намного сложнее, хотя принципы устройства не изменились.
Сложности начинаются с самого первого этапа – проектирования. Чтобы грамотно составить схему проводки в квартире, необходимо заранее знать приблизительную мощность бытовых электроприборов, места их расположения. Одновременно с этим нужно продумать систему освещения во всех помещениях.

Если вы не учтете прокладку компьютерного кабеля и установку роутера для домашней сети, в дальнейшем получите висящие по стене или протянутые по полу провода. В лучшем случае их удастся спрятать в плинтус или зашить в короба
Кроме большого количества новых приборов появилось еще одно отличие: наряду с силовой сетью обязательно присутствует слаботочная система, традиционно включающая в себя телефонные и телевизионные провода, а также компьютерное, охранное, акустическое оборудование и домофон. Эти две системы (силовую и слаботочную) разделять нельзя, так как все приборы питаются от источников электросети 220 В.

Схема разводки слаботочной системы в квартире. Включает в себя три сети: компьютерную, телефонную и телевизионную. Для каждой сети предусмотрены свои виды кабеля и оборудование
Изменилось количество эксплуатируемых одновременно приборов и кабелей. Если раньше хватало установки в зале одной люстры, то сейчас многие используют осветительную систему, включающую, кроме люстры, точечные светильники и подсветку. К увеличению количества техники нужно прибавить увеличение мощности – по этой причине старые кабеля уже не подходят, а размеры электрораспределительного щита заметно выросли.
Для чего нужна схема разводки?
Получается, что устройство современной разводки электрики в квартире – это настоящее искусство, справиться с которым под силу только профессиональному электрику.
Если вы не хотите постоянно менять отделку стен, чтобы маскировать то тут, то там появляющиеся кабеля, рекомендуем перед ремонтом квартиры или строительством дома составить чертеж с обозначением всех значимых объектов, связанных с электричеством: розеток, выключателей, электрощита с УЗО, осветительных приборов.

Образец схемы, которую может набросать собственник жилья. Внимание уделено обозначению мест расположения всех электроточек, начиная от электрощита и заканчивая розетками
Ориентируясь на требования или пожелания владельца жилья, электрик составляет принципиальную схему электропроводки в квартире. Его задача – разделить кабеля на группы, чтобы правильно распределить нагрузку, продумать систему управления и защиты и в конечном итоге сделать все, чтобы гарантировать безопасность и комфорт.
Что обязательно нужно учесть при составлении схемы, чертежа, плана работ? Рассмотрим электросеть с точки зрения составляющих частей:
- Автоматические аппараты защиты, установленные в электрическом щите. От их качества и грамотной установки зависит функционирование всего домашнего оборудования и безопасность пользователей.
- Кабеля, провода с правильно подобранным сечением и хорошей изоляцией.
- Розетки и выключатели с качественными контактами, безопасными корпусами.
В частных домах обязательный элемент – вводный автомат и силовой кабель от него к щиту. С помощью автоматического автомата регулируют потребляемую мощность и при необходимости отключают всю электроэнергию дома.

Примерная схема электропроводки в частном доме. Главное внимание следует уделить распределению мощностей по автоматическим выключателям и защите каждой выделенной линии
Электросчетчик обычно устанавливается на входе, срезу после вводного автомата.
Разделение электропроводки на группы (линии)
Управлять и контролировать электросетью гораздо легче, если она разделена на несколько линий. В случае возникновения неисправности или аварийной ситуации можно выключить одну группу, тогда как остальные будут функционировать в обычном режиме.
Вариант разделения на 4 группы:
Галерея изображений
Фото из

Предположим, в городской квартире осуществляется прокладка отдельного силового кабеля для стиральной машины. Особенно это актуально для домов старой застройки со слабой электропроводкой, не выдерживающей сильных мощностей

На кухне обычно находится множество приборов, одновременное включение которых также требует монтажа силового кабеля подходящего сечения: варочная плита, духовой шкаф, тостер, мультиварка, микроволновая печь, посудомоечная машина

Санузел – одно или два помещения с повышенным уровнем влажности. Это необходимо учитывать как при монтаже системы освещения, так и при установке розеток, которые должны иметь полагающуюся степень защиты

Так как в каждой комнате обычно более, чем один осветительный прибор, рекомендуют устанавливать несколько отдельных групп. Например, разделить освещение зала (люстра, подсветка, 2 настольные лампы), спальни (2 бра, верхний свет) и детской комнаты (точечное освещение, ночник, настольная лампа)
1 группа – мощная бытовая техника
2 группа – кухонная линия
3 группа – ванная и туалет
4 группа – осветительная система
Далее о каждой электрогруппе более подробно.
Стационарная бытовая техника
Крупная бытовая техника обычно располагается в зоне кухни или санузла.

Схема расположения розеток на кухне. Правила: непосредственно за посудомоечной и стиральной машинами размещать розетки запрещено; лучше использовать влагозащищенные модели (+)
Отдельное подключение кухонной зоны необходимо для проведения ремонта. Если произойдет поломка одного из устройств, потребуется замена. Чтобы не отключать электричество во всей квартире, достаточно выключить один аппарат защиты, отвечающий за стационарное оборудование.

К сожалению, даже дорогая бытовая техника время от времени выходит из строя. Ремонт порой затягивается на несколько часов. Отдельная электрогруппа позволит сохранить комфортное пребывание на кухне и в других помещениях
Что мешает просто отключить сломанный прибор от сети, вытащив вилку из розетки? Дело в том, что у встроенной техники точки подключения к электросети находятся в труднодоступных местах. К тому же неисправность может произойти не в самом приборе, а в проводке, замаскированной в стене. В этом случае передвинуть рычажок автоматического выключателя гораздо легче.
Выделенная линия для кухни
Кухонная линия традиционно является самой загруженной. Примерно 5-6 агрегатов постоянно включены в сеть, даже если не задействованы. Это относится к холодильнику, духовому шкафу, варочной плите, посудомоечной машине, вытяжке, микроволновке, тостеру. Многие пользуются кухонным электрогрилем, мясорубкой, хлебопечкой, мультиваркой и пр.

Схема электрической разводки для кухни, разделенная на 4 группы. Для мощного бытового оборудования в распределительном щите установлены отдельные автоматы
В данном случае отдельный мощный электрический кабель просто-напросто сделает возможным одновременное применение сразу нескольких устройств.
Если на общей проводке «повиснут» еще и осветительные приборы или водонагреватель, то при включении очередного устройства сеть просто не выдержит и сработает автоматическое отключение.
Одна или несколько осветительных групп?
Учитывая количество осветительных приборов в каждом помещении, можно сделать одну или несколько линий. Если в зале одна шестирожковая люстра, а в спальне маломощное верхнее освещение и два бра-ночника, то все приборы можно объединить в одну линию.
Однако если гостиная напоминает зал для дискотеки – с люстрами, точечными светильниками, потолочной и настенной подсветкой – то только для нее следует организовать отдельную группу.

Схема разводки точечных или галогенных светильников 220 В для одного помещения, например, для кухни, детской комнаты или прихожей
Если кроме светильников в сеть одной комнаты включены трансформаторы или блоки питания, то ее также рекомендуется подключить к отдельному аппарату защиты.
Помещения с повышенной влажностью
К электроприборам и кабелю в санузле применяются повышенные требования, так как близкое соседство воды – это риск. Чтобы электросеть была безопасной и функциональной, при составлении схемы и монтаже разводки необходимо учитывать ряд правил:
Галерея изображений
Фото из
Правило 1 – установка распределительной коробки
Правило 2 – монтаж розеток для электроприборов
Правило 3 – место установки выключателя
Правило 4 – способ монтажа проводки
Требования распространяются также на выбор фурнитуры, которой придутся пользоваться регулярно – розеток и выключателей. Предположим, степень защиты розеток должна быть не менее IP 44, а еще лучше приобретать специальные устройства с защищающей от брызг крышкой.
От светильников 220 В рекомендуют отказаться в пользу аналогов 12 В.

Трехжильный медный провод вполне подойдет для установки розеток в санузле, но стоит обратить внимание на сечение: для подключения рядовых приборов оно должно быть не менее 2,5 мм², для мощного электрооборудования – 4 мм². Отечественный вариант – ВВГнг
Если в старом жилье в квартирном щитке не предусмотрено заземление, то не только в ванной комнате, но во всей квартире электропроводку придется заменить на трехжильную.
Обзор схем электропроводки для жилых помещений
Перейдем к конкретным схемам, которые можно применить в процессе планирования разводки в собственном помещении. При составлении чертежа важно учесть расстановку и мощность стационарной техники, условия использования электроприборов, комфортное для использования размещение розеток и выключателей.
Вариант #1: однокомнатное жилье или студия
Отличительная черта однокомнатного жилья – минимальное, по сравнению с остальными вариантами, количество электроприборов, соответственно, образуется меньшее количество подключаемых линий. Но это не значит, что для кухни или санузла не нужно планировать отдельные группы – общие принципы лучше сохранить.

Вариант схемы проводки для 1-комнатной квартиры с учетом того, что в каждом помещении планируется установить один прибор освещения
Рассмотрим, что обязательно следует предпринять при составлении схемы разводки электрики в однокомнатной квартире:
- выбрать основные параметры электрической сети;
- рассчитать нагрузку, подобрать кабель и УЗО;
- выбрать схему подключения (1 или несколько групп).
Решив эти вопросы, составить схему будет намного легче.
Параметры электрической сети
Сложно заранее решить, какие приборы будут установлены во всей квартире, тем не менее, хотя бы приблизительное их количество необходимо, чтобы правильно подсчитать суммарную мощность. Важно определить и места их размещения, так как использование удлинителей и фильтров в дальнейшем создаст дополнительные проблемы для сети и испортит дизайн интерьера.

При выборе мест для монтажа розеток и выключателей вспоминаем требования ПУЭ: рекомендуемая высота от пола для установки розеток – 0,3-1,8 м, выключателей – 0,6-0,9 м. Ориентируемся на удобство пользования
Также важно выбрать способ прокладки кабелей – открытый или закрытый. Открытый способ предполагает укладку проводов поверх декоративной отделки стен. В этом случае чаще всего проводку прикрывают пластиковыми коробами, но в отдельных случаях оставляют на виду.

Монтаж проводов в открытом виде даже приветствуется, если дизайн интерьера выполнен в стиле лофт или кантри: стилизованные винтажные розетки и находящиеся на виду провода являются частью декоративного оформления
Преимущества открытой проводки:
- возможность установки после или во время ремонтных работ;
- быстрый монтаж;
- в любое время можно подключить еще одну линию.
При монтаже скрытой проводки придется штробить стены, чтобы все провода замаскировать под финишной отделкой. Проще с подвесными конструкциями: подводку для системы освещения можно спрятать над натяжным покрытием или коробом из гипсокартона.
У скрытой проводки плюсов немного, но они весомее:
- предъявляются не такие строгие требования к параметрам и условиям монтажа;
- увеличиваются допуски к номинально разрешенным токам;
- сохраняется интерьерная целостность.
Традиционно в новых квартирах используют скрытую разводку, а открытым способом пользуются только в виде исключения (например, при прокладке новой линии в уже отремонтированной квартире).
Расчет нагрузки электросети
Чтобы рассчитать общую нагрузку электроприборов, необходимо знать номинальную мощность электроприемников, номинальный ток и напряжение электросети. Существует множество формул расчета, но лучше воспользоваться готовыми таблицами.

Таблица потребляемых мощностей наиболее распространенных бытовых электроприборов, которые обычно используются жителями квартир. Значения усредненные, поэтому для точного расчета необходимо знать характеристики приборов (+)
Рекомендуем для подсчета точной нагрузки обратиться к инженеру или воспользоваться компьютерной программой, потому что от результата зависит выбор кабеля.

При выборе сечения кабеля необходимо учитывать не только материал проводки (медь или алюминий), но и способ прокладки (открытый или закрытый), так как у закрытой проводки теплопроводность меньше, следовательно, и ток также меньше (+)
По правилам, если внутриквартирные сети разделены на группы, то каждую отдельную линию необходимо оборудовать автоматом 25 А. Следовательно, при разбивке на группы учитываем суммарный номинальный ток (не более 25 А). Существуют исключения: например, для осветительных сетей достаточно аппарата защиты на 16 А, но при условии, что группа включает в себя не более 20 розеток и ламп одновременно.
Какая схема подключения лучше
Для однокомнатной квартиры возможны два варианта: питание от одной группы и питание от нескольких групп. Первый вариант в современных условиях практически не применим хотя бы потому, что для использования даже одного мощного бытового прибора (например, стиральной машины) необходима отдельная линия с аппаратом защиты.
Такие схемы могут существовать в квартирах старого жилого сектора, в которых на протяжении долгих лет не проводился ремонт, или на даче, где нет мощного электрооборудования. Получается, что даже для устройства электрики в однокомнатной квартире необходимо разделение на группы.

Примерная схема подключения электроточек по группам. Для кухни выделено целых три группы, обслуживающих электроплиту, малую бытовую технику и осветительную сеть
Эта схема практически применима к любому типу жилья, но точек подключения, соответственно, и линий, в 2- и 3-комнатных квартирах будет больше.
Вариант #2: 2-, 3-комнатная квартира
Принципиально электрическая разводка не зависит от количества комнат, но существует ряд особенностей, которые нужно учесть:
- розеточную сеть лучше разделить на несколько групп – по количеству комнат;
- осветительную систему также необходимо разделить по комнатам;
- для кухни следует выделить как минимум три линии – для приборов освещения, мощного оборудования и малой бытовой техники;
- если санузел раздельный, лучше также использовать разделение на 2 группы.
Учитывая, что большая площадь квартир характерна для жилья элитной категории, в схемы разводки включают охранное оборудование.

Примерная схема установки защитной аппаратуры для квартиры с двумя комнатами. Предполагается, что кроме розеточных и осветительных групп в квартире установлена система видеонаблюдения и охранная сигнализация
Если составлением схемы и монтажом занимаются специалисты, то и у вас по окончании работ должна остаться схема – на случай ремонта или возникновения непредвиденной ситуации.

Схема установки розеток и осветительных приборов в трехкомнатной квартире. При составлении схемы электропроводки для многокомнатных квартир лучше использовать несколько чертежей, так как в одном сложно обозначить все группы, включая слаботочные
Составляя схему разводки в частном доме, обязательно следует указать входное электрооборудование и параметры кабеля из входной группы.
Выводы и полезное видео по теме
Составить схему электропроводки можно в виде чертежа, сделанного вручную, или используя компьютерную программу. Пример разводки для квартиры в трехмерном компьютерном изображении:
Профессиональные советы от практиков:
Тонкости различных видов подключения розеток и выключателей:
Провести электрическую сеть в квартире, защитив все устройства и правильно распределив нагрузку, можно при одном условии – если вы являетесь квалифицированным электриком. Работать с распределительным щитом без специального допуска нельзя. Следовательно, поменять розетку или подключить вытяжку можно и самостоятельно, а более серьезные работы лучше перепоручить специалистам.
sovet-ingenera.com
Как составить схему проводки в доме или квартире своими руками
Своими руками электрику в квартире или доме выполнить можно, но это довольно рискованно. Безусловно, любой работе можно научиться. Но электрика – область, которая требует отличного знания теории и хорошей практики. Неграмотные эксперименты с проводкой могут быть опасны. Собираясь проводить электричество своими руками, необходимо знать порядок и нюансы выполнения работ.
Как провести электропроводку в доме?
Начать нужно с детального плана. По схеме электропроводки в частном доме:
- можно подсчитать сколько и какие необходимы кабели, размер, количество выключателей, розеток и распределительных коробов;
- определяют места размещения силовых и электроустановочных деталей;
- производят в будущем обслуживание и ремонт скрытой проводки.
От выбранного вида электропитания зависит схема электрической сети.
Принципиальная трехфазная схема и план-схема частного дома или квартиры, сделанная в масштабе, с распределительными группами нужна для качественного монтажа электрики в будущем.
Зачастую в доме или в квартире имеется внутренний и вводный электрощит. От внутреннего щита ведут кабели в помещения.
Главные группы, на которые разбивают потребителей:
- освещение;
- розетки;
- приборы с высокой мощностью;
- освещение и розетки ванны и туалета;
- освещение и розетки кухни;
- постройки хозяйственного назначения.
Не рекомендуется подключать всё электричество к одной группе точек, так как будет чересчур большая нагрузка.
При составлении трехфазной схемы нужно обеспечить систему устройствами для защиты — УЗО, которые устанавливают на каждую распределительную группу.
На схему электрической проводки влияет предполагаемое размещение бытовых приборов и их мощность. Они определяют число, размещение розеток и нужный размер кабеля.
Трехфазная схема электропроводки в доме и в квартире особо не отличаются, только путём ввода электрической энергии: в квартиру она поступает по кабелю от щитка на этаже, а в дом — по воздушной линии. План электропроводки в гараже подразумевает ввод электричества от центральной линии электропередач или от дома, стоящего рядом подземным или воздушным методом.
Проводка в квартире
Квартира – это, как правило, кирпичные или бетонные стены, отделанные гипсокартоном или покрытые штукатуркой.
Электропроводка в квартире бывает комбинированной или скрытой.
Вариантов может быть несколько: проводку можно смонтировать до штукатурки, а затем покрыть ею, монтаж можно выполнять дроблением штукатурки, осуществить в полостях за гипсокартоном. Для установки проводки используют трубу, гофру из ПВХ или металлический гибкий рукав, открытую проводку зачастую прокладывают в кабель-каналах.
Для того чтобы качественно осуществить электропроводку в квартире имеются определённые советы и правила.
Чтобы обеспечить безопасность, в распределительном щитке устанавливают автоматы, которые защищают технику от перегорания и короткого замыкания, и устройства для отключения, которые при перепадах напряжения отключают потребителя. Для туалета рекомендуется своё устройство защитного отключения из-за повышенной влажности.
Имеются свои особенности у монтажа электропроводки в ванной комнате: в ней не должно быть распределительных коробок, и размещать там выключатель недопустимо. Можно установить розетку. Для помещения с высокой влажностью нужно подбирать защищённые от влаги приборы с заземлением.
Разметку под электропроводку проводят по строго вертикальным и горизонтальным линиям. Линии электрического питания между собой не должны скрещиваться. Трассу всегда нужно вести параллельно какой-либо стенке. Если проводку ведут под полом, кабель нужно располагать на определённом расстоянии от стены.
Сегодня, как правило, в новых домах применяют медные провода, они долговечнее алюминиевых, которые остались во многих старых квартирах.
Размер кабеля должен быть не менее двух квадратных миллиметров, его всегда подбирают больше расчётного, который определяют в зависимости от предполагаемой нагрузки на сеть. Возможная плотность тока для провода из меди не должна превышать восемь ампер на квадратный миллиметр. Для различных распределительных групп нужен провод с разным размером.
Кабель, который проходит в полостях, нужно защитить рукавами, трубами или гофрами.
Протягивание электропроводки при помощи рукавов, металлических труб и гофр из ПВХ даёт возможность заменять электрику без нарушения отделки.
Все спайки кабелей должны находиться только в распределительных коробах и к ним нужно обеспечить доступ, чтобы при надобности можно было что-то исправить. Соединять провода можно пайкой или клеммами.
Провода и установочные коробки закрепляют под выключатели и розетки при помощи штукатурки или гипса.
По всей квартире должно быть розеток не менее чем одна на шесть квадратных метров. В редко используемых помещениях, например, в коридоре, хватит 1–2 розетки, на кухне хорошо ставить по несколько групп из трёх или четырёх розеток (это зависит от числа и размещения бытовой техники).
Лучше всего использовать выключатели и розетки с керамическими внутренностями и медными контактами.
Размещение выключателей и розеток не регламентируется, но розетки удобнее располагать на высоте не меньше тридцати сантиметров от пола. Выключатели размещают на высоте удобной для протянутой руки.
Проводка в частном доме
Электропроводку в загородном доме выполняют по тем же принципам, что и в городской квартире. Тем не менее проводка в деревянном доме обладает своими особенностями. Из-за того, что основание сруба является горючим, осуществлять электропроводку в частном доме нужно с соблюдением мер безопасности.
Монтаж электропроводки в частном доме должен производиться:
-
Из не поддерживающих горение (самозатухающих) кабелей и проводов с изоляцией, к примеру, ВВГнг; - проводка скрытая – по электрической канализации, которая не поддерживает горение, то есть из металла: металлическим (обычно медным) трубам, стальным коробам, с непременным заземлением. Если применяют пластиковые гофры и короба, то их нужно окружить слоем негорючего материала – фактически вмонтировать в штукатурку;
- с применением металлических узлов: установочных и распределительных коробов;
- с обеспечением герметичности спаек, чтобы при коротком замыкании электрическая дуга за пределы трубы не вышла и не попала на дерево;
- материал, из которого выполнены перекрытия и стены должен быть сухим.
Безусловно, правила довольно строги и установка проводки, к примеру, на даче, выглядит необоснованно трудоёмкой и затратной. Однако превыше всего безопасность.
Монтаж УЗО
Монтаж дифференциального реле или устройства защитного отключения ещё один шаг в достижении безопасности дома из дерева.
Разводку электрической сети можно выполнить под старину: открытая проводка устанавливается на изоляторах из фарфора, между проводом и деревом остаётся зазор – провода не касаются стен и потолков. Это, пожалуй, единственный относительно безопасный и соответствующий нормам метод укладывания открытой проводки в сгораемых сооружениях.
Электрификацию частного дома нужно выполнять сразу, а не частями и осуществить до монтажа потолков, полов и дверей.
Работы по электрификации начинаются с подведения кабеля в дом от центральной линии электропередач или наружного распределительного щита, в соответствии со схемой выполняют разводку проводов по комнатам, монтируют внутренний щит для распределения, подготавливают отверстия под розетки и выключатели. После окончания отделочных работ устанавливают все приборы.
Ниже смотрите видео: проводка в загородном доме своими руками.
Где бы провода ни прокладывались, значение имеет окрас кабелей. Согласно пункту 2.1.31 правил устройства электроустановок, электрическая проводка должна давать возможность быстрого распознания проводников по цвету:
-
голубой цвет – обозначает нулевой рабочий или средний проводник электрической сети; - зелено-жёлтый цвет – обозначает нулевой защитный или защитный проводник;
- зелено-жёлтый цвет по всей длине с голубыми пометками на краях линии, которые наносят при установке – обозначает соединённый нулевой рабочий и нулевой защитный проводник;
- чёрный, коричневый, красный, фиолетовый, серый, розовый, белый, оранжевый, бирюзовый окрас – обозначает фазный проводник.
На видео можно увидеть разделение цветов.
Проложить проводку в доме или квартире мастеру со стажем достаточно легко. Но для тех, кто в электрике не разбирается, нужно воспользоваться помощью специалиста. Безусловно, придётся потратиться, но так можно избежать ошибок, которые могут привести к возгоранию.
Оцените статью: Поделитесь с друзьями!elektro.guru
Схема и разводка электрики в квартире
При заселении в квартиру огромным недостатком выступает то, что монтажный план электропроводки не выдается на руки жильцам, в отличие от частного сектора, где исполнительная схема – обязательный документ при согласовании проекта в соответствующих инстанциях. В этой статье поговорим о том, какие бывают варианты электроснабжения различных квартир и как правильно составить схему электрики.
Если вы не можете похвастаться наличием знаний, не стоит браться за такую сложную работу.
[include id=»1″ title=»Реклама в тексте»]
Лучше обратитесь за помощью к специалистам, которые быстро и качественно не только составят план, при необходимости устранят неисправность или заменят старую проводку. Тем, кто понимает, напомним основные способы соединения электроцепей:
- Последовательное — каждый элемент располагается за предыдущим, такое соединение не имеет узлов. Самый распространенный пример – елочная гирлянда, то есть все потребители находятся на одном проводе. Весомый недостаток – при выходе из строя одного элемента вся цепь перестает работать.
- Параллельное – ни один элемент не соединен между собой, но они объединены двумя узлами. При возникновении неисправности одного их потребителей, остальные продолжают работать.
- Смешанное — когда на одном участке электроцепи применяются и первый, и второй тип соединений.
На этом рисунке показаны все виды соединений: например электрические точки 1,2,3 — соединены параллельно, 4,5,6 — последовательно, а весь участок считается комбинированным.
Выбранная разводка отвечает полностью за всю схему. Всего выделяется три основных типа:
- Самый частый тип разводки – через распределительные коробки. Электрический щиток располагается на лестничной клетке, а не в жилом помещении. От него входит питающий кабель, а в самом щитке располагаются счетчик и несколько выключателей (чаще всего 1-3). В каждой отдельной комнате электроснабжение осуществляется через распределительную коробку, располагающуюся при входе.
Распределительные короба располагаются над выключателем около входа в комнату
- «Звезда». Каждая точка освещения или розетка располагаются на отдельной кабельной линии, заходящей в электрический щит, и зачастую имеют собственный автоматический выключатель. Такая разводка дает возможность осуществлять полный контроль над каждым элементом цепи электроснабжения, но ощутимый минус для владельца – значительное увеличение количества необходимой проводки и трудозатрат, высокая стоимость довольно габаритного щита, что приводит к существенному удорожанию проекта.
- «Шлейф». Принцип сходен со «звездой», но отличается тем, что на одном кабеле размещается не один элемент, а несколько. Проект обойдется дешевле предыдущего.

Чаще всего используются смешанные типы. В данном примере это «звезда» и «шлейф»
Редко можно встретить один из вариантов в «чистом виде». В каждом конкретном случае они смешиваются для достижения максимально эффективного результата.
Любая схема – точный чертеж плана всех помещений с точным указанием распределительных групп и каждого элемента электроснабжения. Лучше всего размещать ее не на одном листе, а на отдельных, на каждом из которых будет подробное описание только одной группы. В дальнейшем такой план будет легко читать и понимать.
Все источники потребления следует разделить на несколько групп. Подключив каждую из них к отдельному автомату, в дальнейшем можно будет избежать полного отключения электроэнергии при необходимости ремонта проводки в одной из комнат. При монтаже только одной линии потребуется очень мощный кабель, способный выдержать высокие нагрузки, возникающие при одновременном включении всех потребителей в сеть.

Мы рекомендуем всю электрику разбить на группы
Если электрический щит будет находиться в квартире, выделяют группы:
- освещение жилых комнат, кухни и коридоров;
- электроснабжение жилых комнат;
- электроснабжение кухни и коридоров;
- освещение и электроснабжение санузла;
- если в квартире электроплита, ее отделяют от остальных.
Важно: Не забудьте для повышения безопасности на каждую группу установить устройства защитного отключения (УЗО), так называемые выключатели дифференциального тока. Также ими обязательно снабжается электропроводка санузла и кухни.
После того как группы спроектированы, необходимо определить места подключения всех основных потребителей электроэнергии. Это стиральная машина, электроплита, кондиционер, водонагреватель, духовка и посудомоечная машина. Теперь можно определить места установки выключателей, светильников, распределительных коробок и розеток и нанести их на черновой план электрики квартиры. Внимательно соединяем все цепи и проставляем длины проводов.
Совет: Обязательно сделайте план электрики квартиры в двух экземплярах и уберите один из них в семейный архив с документами. Он еще не раз вам пригодится.
Теперь составляется чистовая схема электрики. Для этого изображается точный план всех помещений на каждом из листов с учетом всех размеров. Все электрические точки проставляются с помощью общепринятых обозначений и соединяются линиями, обозначающими провода. Для лучшей читабельности рекомендуем провода освещения, заземления и силовые кабели обозначить разными цветами.
[include id=»2″ title=»Реклама в тексте»]
Обязательно следует пометить все расстояния: линейные размеры комнат, расстояния от проводов до стен, потолка, пола, а также до систем отопления. Такая схема будет не только отличаться большей наглядностью, но по ней можно будет производить и все необходимые расчеты.
При составлении схемы следует помнить о некоторых важных требованиях к расположению электропроводки в жилых помещениях:
- В ванной комнате не должно быть розеток, за исключением розетки для электробритв, подсоединенной через трансформатор.
- Нельзя подключать заземляющие контакты розеток к нулевым проводам, а также к системе водоснабжения или отопления. Это опасно для человеческой жизни. Для такой цели существует провод защитного заземления.
- Если в квартире установлена не газовая, а электрическая плита, то главный автомат должен быть номиналом не менее 63А.
- Провода прокладываются только по вертикали и горизонтали, располагаясь строго под прямым углом друг к другу. Не стоит изменять их траекторию, в дальнейшем это чревато тем, что возрастает вероятность пробоя проводов гвоздем или дрелью при выполнении небольших ремонтных работ.
- Следует избегать пересечения проводов. Если это невозможно, то расстояние между ними должно быть более 3 мм.
- При выставлении размеров на плане необходимо следить, чтобы расстояние от кабеля до пола или потолка составляло не менее 150 мм, до оконных рам, дверных косяков и углов – не менее 100 мм.
- Все выключатели и розетки лучше располагать на одной высоте. При этом выключатели устанавливают слева от входных дверей на высоте 800-900 мм, а розетки – 250-300 мм. В некоторых случаях, например на кухне, расстояние может изменяться.
- Зазор между трубами отопления и проводами должен быть не меньше 30 мм.
- Провода к розеткам подводятся снизу, а к выключателям сверху.
В этой части статьи мы приведем типовые схемы в квартирах разных размеров. Каждый конкретный план будет зависеть от индивидуальных предпочтений хозяев, но во всех них будут розетки, источники освещения и распределительный щит. Взяв за образец предложенные варианты, их нетрудно дополнить необходимыми точками.
Электропроводка в однокомнатной квартире ↑
В однокомнатной квартире чаще всего проводка делится на две группы:
— кухня и санузел, где скапливается большое количество электроприборов;
— жилая комната.
Делается это для того, чтобы получить запас мощности путем распределения общей нагрузки на две цепи, а также для того, чтобы в случае замыкания или обрыва цепи, одна линия у нас оставалась в рабочем состоянии.

Типовая схема для однокомнатной квартиры
Электрика многокомнатного жилья ↑
Приведенная схема квартирной электропроводки стандартной двушки с расположением электрического щита возле входа в квартиру выполнена в несколько упрощенном виде. Здесь представлены только основные источники освещения, то есть люстры, простейшие одноклавишные выключатели, скрытые розетки с защитным контактом для заземления.

Типовой план для двухкомнатной квартиры
Итак, как вы сами видите, электрическую схему можно составить самостоятельно. Специалист намного качественнее выполнит эту работу, но каждый хозяин квартиры должен уметь правильно определять места прохождения проводов, чтобы избежать их случайного повреждения неудачно вбитым гвоздем или сверлом дрели.
Составили схему электрики в собственной квартире? теперь можно приступать к реализации собственного проекта, в чем немалую помощь окажет представленный видео-урок:
strmnt.com
План проводки в квартире и доме
Планирование все, отдельный план – ничто. Если попробовать применить это утверждение к плану проводки, окажется, что без него не обойдешься.
Вся электрика в квартире и доме – это, прежде всего, подробный план. К его созданию нужно подойти очень серьезно, ведь от точности схемы зависит не только монтаж, но и ваша безопасность в перспективе. План электропроводки квартиры наносят на предварительно созданном чертеже. Для этого вам предстоит замерить все стены и начертить схему. Чтобы избежать лишней работы и перерасхода материалов при монтаже, следует соблюдать масштаб. На чертеже обозначают расположение распределительных групп и однолинейной принципиальной схемы.
План электрической проводки. Однолинейная схема и распределительные группы
Прежде, чем чертить распределительные группы, следует запастись копиями чертежа квартиры и каждую группу размещать индивидуально. Работа только кажется лишней, ведь в противном случае схема окажется нечитаемой. На чертеже отображают следующие элементы:
Однолинейная схема
Однолинейная (иначе – принципиальная) схема необходима для упрощения чтения чертежа с распределительными группами и сборки электрощита. Схема облегчает расчет метража кабеля, количества всех необходимых устройств: выключателей, автоматов, розеток.
Распределительные группы
Распределительные группы – это отдельные цепи, подключенные к одному автомату квартирного щита, рассчитанные на одну или несколько точек энергопотребления. Разбивка на группы нужна для удобства разводки и расключения коробок, кроме того, вам не понадобится обесточивать квартиру полностью, при необходимости ремонта одной-единственной розетки. Если вы все же объединяете проводку в одну группу, нужен мощный кабель, способный выдержать нагрузку при включении всех приборов одновременно.
На плане электропроводки квартиры группы можно расположить так:
- освещение квартиры;
- розетки и освещение санузла;
- розетки кухни и коридора;
- розетки жилых комнат;
- электроплита.
Цепь санузла выделяют в отдельную группу, так как это – помещение с высокой влажностью и требования к электропроводке выше. Если вы решили подключить электроплиту самостоятельно, ее тоже лучше выделять в отдельную группу, в связи с высокой мощностью прибора. Кроме того, производители стиральных машин выдвигают аналогичные требования, поэтому план электропроводки квартиры дополнится еще одной группой. Для большей безопасности следует установить УЗО на всю квартиру, на группы особого риска или на каждую группу. Последний вариант рекомендуется, если в доме есть маленькие дети или старики.
Практики советуют
Расстояние розеток и выключателей от пола никак не регламентировано, единственный критерий, которым вы руководствуетесь – удобство. Так называемый «европейский стандарт», согласно которому выключатели монтируют на высоте 90, а розетки –30 см от пола, миф. Этого стандарта нет, просто такое расположение – одно из наиболее удобных, безопасных и эргономически оправданных. То есть, если вам захочется проявить оригинальность, установить выключатель в 10 см от пола и приводить в действие ногой – никто вам этого не запретит. Само собой разумеется, что розетки на кухне или в кабинете будут расположены значительно выше, над столом.
Подключать стационарную технику вроде полотенцесушителя, вытяжки или водонагревателя лучше сразу через клеммник.
Слаботочные розетки можно объединить с электрическими и вести монтаж обеих линий одновременно. Кабели Интернет и телевидения можно свести в квартирный слаботочный щит или вывести в общий этажный.
Распределительные коробки нужны для коммутации проводов и лучше не пренебрегать этим требованием. Обойтись без коробок технически возможно, но если вы что-то сделали не так, вам придется потратить немало сил и времени на поиск места Х и в конечном итоге переделывать проводку заново. Как правило, в каждом помещении устанавливается одна коробка, но если комната очень большая и все точки в одной коробке не помещаются, их разбивают на две.
ЧИТАЙТЕ ТАКЖЕ
|
Выбор оптимального фундамента для бани
Любая постройка начинается с фундамента, и баня — не исключение из правила. Ленточный, плитный, столбчатый – разновидностей оснований много. Но как подобрать вариант, который является оптимальным? То самое решение, позволяющее сэкономить на устройстве фундамента без ущерба для его качества? Ответы на эти вопросы ищите в нашем обзоре. |
|
|
Что лучше – брус или клееный брус?
Цель – построить деревянный дом. Но вариантов стройматериалов из древесины довольно много. Как выбрать оптимальный? Мы сравнили обычный и клееный брус по ряду характеристик. Вы сможете оценить достоинства и недостатки каждого из решений и сделать вывод о целесообразности их применения. Не бывает плохих и хороших стройматериалов – везде важен контекст! |
|
|
Методика расчета фундамента
Надежным и долговечным фундамент может быть лишь тогда, когда перед его устройством проведены все необходимые расчеты. В первую очередь это касается определения величины площади подошвы. Данный показатель напрямую связан с грунтовыми условиями на участке. Мы постарались подробно описать методику расчета фундамента. |
cdelayremont.ru
Составление схемы электропроводки — планирование и расчёт схемы при монтаже электрической проводки дома
Чтобы рассчитать количество проводников, выбрать места для монтажа электрических точек и грамотно соединить кабель, необходимо составить общую схему электропроводки.
Рассмотрим способы соединения электрической цепи.
— Параллельное соединение — при таком способе входящие в цепь элементы объединены двумя узлами и не соединены друг с другом (рис, 6.4). При таком соединении элементов, даже если одна из ламп перегорит и разорвет цепь, остальные не погаснут, поскольку у тока останутся «обходные» пути.
![]() |
Рис. 6.4. Схема параллельного соединения цепи на примере светильника с 5 лампами |
— Последовательное соединение — все элементы цепи располагаются друг за другом и не имеют узлов (рис, 6.5). Пример последовательного соединения — всем известная елочная гирлянда: большое количество лампочек, соединенных одним проводом. Если сгорит одна, цепь разорвется и погаснут все.
![]() |
Рис. 6.5. Последовательное соединение |
Основных типов расключения проводки три. Рассмотрим их подробно, поскольку от выбранного типа зависит вся схема целиком.
1. Тип «звезда» иногда называют бескоробочным, или европейским, типом разводки. Вкратце данный тип можно отобразить так: одна розетка — одна линия кабеля до щитка. Это означает, что каждая розетка и точка освещения имеют отдельную кабельную линию, которая за ходит прямо в квартирный щиток и в идеале имеет автоматический выключатель.
В чем преимущества и недостатки такого типа расключения? Плюс прежде всего в безопасности и возможности контроля над каждой электрической точкой. К тому же не требуется устанавливать распределительные коробки. Расключение именно такого типа делается, когда устанавливают систему «умный дом». Минус «звезды» — как минимум троекратный расход проводки и, соответственно, трудовых затрат по ее монтажу. Кроме того, квартирный щиток становится размером со средний шкаф. Он может насчитывать 70-100 групп автоматов, особенно если на объекте есть еще и информационные сети. Установить самостоятельно такой щиток сложно, и он дороже обычного.
2. Тип «шлейф» напоминает «звезду», но отличается от нее экономичностью. Изобразить его можно так: розетка — розетка — розетка — квартирный щиток или распаянная коробка. На один кабель последовательно подключаются несколько электрических точек, от которых общий питающий проводник идет либо к квартирному щитку, либо к распаянной коробке (рис, 6.6).
3. Тип расключения в распределительных коробках — наиболее часто встречающийся вариант (рис, 6.7). Именно таким образом делалась разводка в советское время. Экономичный способ, не требующий особых затрат. В квартире щитка нет вовсе, он расположен на лестничной площадке. От такого общего питающего «стояка» отходит квартирное ответвление. На нем в щитке стоят
Розетки, соединенные «шлейфом» счетчик и автоматический выключатель (иногда — 1, иногда — 2-3, редко больше). Питающий кабель заходит в квартиру, затем при помощи распределительных коробок в помещения, подходя к каждой точке. Можно сказать, что от распределительной коробки проводка идет к точкам «звездой». В чистом виде типы разводки применяются редко. Исходя из имеющихся в наличии ресурсов и по пожеланию обычно выбирается смешанный тип. Приведем пример по разводке в отдельной квартире (рис, 6.8). Питающий кабель входит в квартирный щиток, где стоят несколько групп автоматов и устройств защиты. В щитке общий кабель разводится на несколько зон, например по жилым комнатам и отдельно по ванной и кухне с разделением на розетки и освещение. Питающий кабель отдельной зоны заходит в комнату и расключается в коробке по точкам. Здесь возможны варианты: кабель пойдет на розетки «шлейфом» или на каждую точку будет выделен отдельный проводник. |
Другой возможный вариант (параллельная схема)
Профессиональные электрики составляют такие схемы с учетом всех факторов. Это пожелания хозяина объекта, то есть что именно хочется увидеть в квартире или доме (рис. 6.9).
|
Например, хозяин говорит, что в гостиной должны быть две группы розеток по три в каждой. Плюс два проходных выключателя и телефонные розетки в количестве трех штук. Электрик, приняв к сведению эти данные, по правилам электромонтажных работ составляет схему, в которой учитываются параметры безопасности, порядок выполнения работ, тип проводки, размеры штроб и т. д. Такой чертеж является документом и заверяется в специальной организации (рис. 6.10).
![]() |
Рис. 6.10. Пример принципиальной схемы электроснабжения квартиры, составленной профессиональным электриком |
Современные фирмы, предоставляющие услуги по электромонтажным работам, пользуются компьютерными программами (рис. 6.11). Они созданы специально для инженернотехнических работников (ИТР) и домашнему мастеру вряд ли пригодятся.
![]() |
Рис. 6.11. Электрическая схема, выполненная с использованием современных компьютерных программ |
Чтобы самостоятельно выполнить монтаж проводки, схему можно начертить самому. Это делается достаточно просто. Для начала изображается квартирный план с учетом всех размеров. Если нет необходимой документации, можно взять ее у застройщика, хотя она обязана храниться и у владельца жилья.
Затем при помощи специальных обозначений выставляются все желаемые точки: лампы, розетки, автоматические выключатели и т. д. (рис. 6.12). Надо не полениться и поставить общепринятые обозначения, чтобы эту схему поняли и другие люди. Часты случаи, когда какое-то время спустя автор схемы не может разобраться в загадочных иероглифах, которые он сам же и придумал.
![]() |
Рис. 6.12. Первоначально на схеме выставляются все электрические точки, которые необходимо разместить в квартире или доме |
После этого вычерчиваются линии, которые обозначают прокладку проводки. Обязательно укажите на плане, на каком расстоянии от потолка или пола находится кабель, особенно если проводка скрытого типа.
Далее приведен пример электрической схемы квартиры (рис. 6.13). Разными цветами показаны провода освещения, силовые кабели и провод заземления. Условными значками изображены светильники, розетки, выключатели и распределительные коробки. Такая схема очень наглядна, и по ней можно выполнять все необходимые расчеты.

Это необходимо для того, чтобы в дальнейшем точно знать, где проходят провода. Иначе можно, вешая картину или полку, попасть сверлом прямо в кабель. Существуют типовые правила для монтажа. Они таковы.
1. Провод прокладывается только по вертикальным и горизонтальным линиям под прямыми углами. Если возникнет желание схитрить и сэкономить кабель, проведя его по диагонали, лучше так не делать. В дальнейшем найти этот кривой путь весьма трудно, а попасть в него гвоздем проще простого.
2. Расстояние от провода до потолка или пола должно быть 15 см. От углов, дверных косяков и оконных рам — не менее 10 см. При обводке через трубы отопления следует соблюдать зазор между ними и проводкой не меньше 3 см (рис, 6.14).
![]() |
Рис. 6.14. Обводка проводки вокруг отопительных труб |
3. Необходимо избегать пересечения проводов при прокладке. Если это трудновыполнимо, то расстояние между кабелями должно быть не меньше 3 мм.
4. Для упрощения расчетов все розетки и выключатели должны находиться на одинаковой высоте. Обычно выключатели устанавливают слева от двери на высоте, достаточной для того, чтобы опущенной ладонью прикоснуться к ним, то есть 80-90 см. Розетки монтируют на высоте 25-30 см. Однако на кухне и в случае подключения высоко висящих электроприборов это расстояние может быть и другим. Лучше всего, если провод к выключателям будет спускаться сверху, а к розеткам подводиться снизу так делает большинство электриков.
5. Длина проводника, выходящего из электрической точки, должна быть 15-20 см. Это делается для удобства монтажа точек при скрытом типе проводки. Если она открытого типа, то длина проводника может быть меньше: 10-15 см.
ВНИМАНИЕ!
Концы жил проводников, которые заходят в электрические точки, должныбыть заизолированы изолентой.
Вооружившись чертежом, можно начинать монтировать электропро водку.
delo-elektrika.ru

Из не поддерживающих горение (самозатухающих) кабелей и проводов с изоляцией, к примеру, ВВГнг;
голубой цвет – обозначает нулевой рабочий или средний проводник электрической сети;









