ΠΠ²ΡΡ ΠΊΠΎΠ½ΡΡΡΠ½Π°Ρ ΡΠΈΡΡΠ΅ΠΌΠ° ΠΎΡΠΎΠΏΠ»Π΅Π½ΠΈΡ ΡΠ°ΡΡΠ½ΠΎΠ³ΠΎ Π΄ΠΎΠΌΠ° ΡΡ Π΅ΠΌΠ°
Π‘ΠΎΠ΄Π΅ΡΠΆΠ°Π½ΠΈΠ΅ ΡΡΠ°ΡΡΠΈ
- ΠΠ²ΡΡ ΠΊΠΎΠ½ΡΡΡΠ½ΠΎΠ΅ ΠΎΡΠΎΠΏΠ»Π΅Π½ΠΈΠ΅, ΡΡ Π΅ΠΌΠ° ΡΡΡΡΠΎΠΉΡΡΠ²Π°
- ΠΠ°Π·ΠΎΠ²ΡΠ΅ ΠΊΠΎΡΠ»Ρ
- ΠΠ»Π΅ΠΊΡΡΠΈΡΠ΅ΡΠΊΠΈΠ΅ Π²ΠΎΠ΄ΠΎΠ½Π°Π³ΡΠ΅Π²Π°ΡΠ΅Π»ΡΠ½ΡΠ΅ ΠΏΡΠΈΠ±ΠΎΡΡ
- Π’Π²Π΅ΡΠ΄ΠΎΡΠΎΠΏΠ»ΠΈΠ²Π½ΡΠ΅ ΠΊΠΎΡΠ»Ρ
ΠΠ²ΡΡ ΠΊΠΎΠ½ΡΡΡΠ½Π°Ρ ΡΠΈΡΡΠ΅ΠΌΠ° ΠΎΡΠΎΠΏΠ»Π΅Π½ΠΈΡ ΠΏΡΠ΅Π΄ΠΏΠΎΠ»Π°Π³Π°Π΅Ρ, ΠΈΡΠΏΠΎΠ»ΡΠ·ΡΡ ΠΎΠ΄ΠΈΠ½ ΠΈΡΡΠΎΡΠ½ΠΈΠΊ ΡΠ΅ΠΏΠ»ΠΎΠ²ΠΎΠΉ ΡΠ½Π΅ΡΠ³ΠΈΠΈ, Π²ΡΠΏΠΎΠ»Π½Π΅Π½ΠΈΠ΅ ΠΎΠ΄Π½ΠΎΠ²ΡΠ΅ΠΌΠ΅Π½Π½ΠΎ Π΄Π²ΡΡ ΡΡΠ½ΠΊΡΠΈΠΉ:
- ΠΎΠ±ΠΎΠ³ΡΠ΅Π² ΠΆΠΈΠ»ΠΎΠ³ΠΎ ΠΏΡΠΎΡΡΡΠ°Π½ΡΡΠ²Π°;
- Π³ΠΎΡΡΡΠ΅Π΅ Π²ΠΎΠ΄ΠΎΡΠ½Π°Π±ΠΆΠ΅Π½ΠΈΠ΅ Π΄Π»Ρ ΡΠ΅Ρ Π½ΠΈΡΠ΅ΡΠΊΠΈΡ ΠΈ Ρ ΠΎΠ·ΡΠΉΡΡΠ²Π΅Π½Π½ΡΡ Π½ΡΠΆΠ΄.
Π§Π°ΡΠ΅ ΡΠ°ΠΊΠΎΠΉ ΡΠΈΠΏ ΠΎΠ±ΡΡΡΡΠΎΠΉΡΡΠ²Π° ΠΎΡΠΎΠΏΠ»Π΅Π½ΠΈΡ ΠΏΡΠΈΠΌΠ΅Π½ΡΠ΅ΡΡΡ Π² ΡΡΠ»ΠΎΠ²ΠΈΡΡ
Π½Π΅Π±ΠΎΠ»ΡΡΠΈΡ
Π³ΠΎΡΠΎΠ΄ΡΠΊΠΈΡ
ΠΊΠ²Π°ΡΡΠΈΡ, Π³Π΄Π΅ Π΄Π²ΡΡ
ΠΊΠΎΠ½ΡΡΡΠ½ΡΠΉ ΠΊΠΎΡΠ΅Π» ΠΎΠ±Π΅ΡΠΏΠ΅ΡΠΈΠ²Π°Π΅Ρ Π½Π΅ ΡΠΎΠ»ΡΠΊΠΎ ΡΠ½Π°Π±ΠΆΠ΅Π½ΠΈΠ΅ ΠΆΠΈΠ»ΡΡ ΡΠ΅ΠΏΠ»ΠΎΠΌ, Π½ΠΎ ΠΈ Π·Π°ΠΌΠ΅Π½ΡΠ΅Ρ Π²ΠΎΠ΄ΡΠ½ΡΡ Π³Π°Π·ΠΎΠ²ΡΡ ΠΊΠΎΠ»ΠΎΠ½ΠΊΡ. ΠΠΎ ΡΡΠΎ Π½Π΅ Π·Π½Π°ΡΠΈΡ, ΡΡΠΎ Π² ΡΠ°ΡΡΠ½ΠΎΠΌ Π΄ΠΎΠΌΠ΅, Π² ΡΠΎΠΌ ΡΠΈΡΠ»Π΅ ΠΈ Π΄Π²ΡΡ
ΡΡΠ°ΠΆΠ½ΠΎΠΌ, Π½Π΅Ρ Π²ΠΎΠ·ΠΌΠΎΠΆΠ½ΠΎΡΡΠΈ ΡΠ΄Π΅Π»Π°ΡΡ Π½Π΅ΡΡΠΎ ΠΏΠΎΠ΄ΠΎΠ±Π½ΠΎΠ΅. ΠΠ΅Π΄Ρ ΠΎΡΠΎΠΏΠ»Π΅Π½ΠΈΠ΅ Ρ Π²ΠΎΠ΄ΡΠ½ΡΠΌ ΠΊΠΎΠ½ΡΡΡΠΎΠΌ Π²ΠΎΠ²ΡΠ΅ Π½Π΅ ΠΎΠ·Π½Π°ΡΠ°Π΅Ρ ΠΏΡΠΈΠΌΠ΅Π½Π΅Π½ΠΈΠ΅ Π΄Π²ΡΡ
ΠΊΠΎΠ½ΡΡΡΠ½ΠΎΠ³ΠΎ ΠΊΠΎΡΠ»Π°, Ρ
ΠΎΡΡ ΠΈ ΡΡΡΠ°Π½ΠΎΠ²ΠΊΠ° ΠΏΠΎΡΠ»Π΅Π΄Π½Π΅Π³ΠΎ ΠΌΠΎΠΆΠ΅Ρ ΡΠ΅ΡΠΈΡΡ ΠΏΡΠΎΠ±Π»Π΅ΠΌΡ ΡΠ½Π°Π±ΠΆΠ΅Π½ΠΈΡ ΠΆΠΈΠ»ΡΡ Π³ΠΎΡΡΡΠ΅ΠΉ Π²ΠΎΠ΄ΠΎΠΉ Π² ΠΎΠΏΡΠ΅Π΄Π΅Π»Π΅Π½Π½ΡΡ
ΠΎΠ±ΡΠ΅ΠΌΠ°Ρ
.
ΠΠ°Π²Π°ΠΉΡΠ΅ ΡΠ°ΡΡΠΌΠΎΡΡΠΈΠΌ, ΠΊΠ°ΠΊ ΠΌΠΎΠΆΠ½ΠΎ ΡΠ΅ΡΠΈΡΡ Π·Π°Π΄Π°ΡΡ ΠΏΠΎ ΠΏΠΎΠ»Π½ΠΎΡΠ΅Π½Π½ΠΎΠΌΡ ΠΎΠ±Π΅ΡΠΏΠ΅ΡΠ΅Π½ΠΈΡ Π³ΠΎΡΡΡΠ΅ΠΉ Π²ΠΎΠ΄ΠΎΠΉ ΡΠ°ΡΡΠ½ΠΎΠ³ΠΎ Π΄ΠΎΠΌΠ°, Π΄Π²ΡΡ ΡΡΠ°ΠΆΠ½ΠΎΠ³ΠΎ, Π² ΡΠΎΠΌ ΡΠΈΡΠ»Π΅, ΠΈΠΌΠ΅Ρ ΠΎΠ΄ΠΈΠ½ ΠΊΠΎΡΠ΅Π». ΠΡΠΈ ΡΡΠΎΠΌ Π²ΡΡΡΠ½ΠΈΠΌ, ΡΡΠΎ ΠΏΡΠΈ ΡΡΠΎΠΌ Π΅ΡΡΡ ΡΠΌΡΡΠ» ΡΠ΄Π΅Π»Π°ΡΡ ΡΠ²ΠΎΠΈΠΌΠΈ ΡΡΠΊΠ°ΠΌΠΈ.
ΠΠ²ΡΡ ΠΊΠΎΠ½ΡΡΡΠ½ΠΎΠ΅ ΠΎΡΠΎΠΏΠ»Π΅Π½ΠΈΠ΅, ΡΡ Π΅ΠΌΠ° ΡΡΡΡΠΎΠΉΡΡΠ²Π°
ΠΡΠΈ ΡΠ°ΠΊΠΎΠΌ ΡΠΈΠΏΠ΅ ΡΡΡΡΠΎΠΉΡΡΠ²Π° ΠΎΡΠΎΠΏΠΈΡΠ΅Π»ΡΠ½ΠΎΠΉ ΡΠΈΡΡΠ΅ΠΌΡ Π½Π°Π³ΡΠ΅Π² Π²ΠΎΠ΄Ρ ΠΌΠΎΠΆΠ΅Ρ ΠΎΡΡΡΠ΅ΡΡΠ²Π»ΡΡΡΡΡ ΠΏΠΎ Π΄Π²ΡΠΌ ΠΎΡΠ½ΠΎΠ²Π½ΡΠΌ ΡΡ Π΅ΠΌΠ°ΠΌ:
- Π½Π΅ΠΏΠΎΡΡΠ΅Π΄ΡΡΠ²Π΅Π½Π½ΡΠΉ;
- ΠΊΠΎΡΠ²Π΅Π½Π½ΡΠΉ.
Π ΠΏΠ΅ΡΠ²ΠΎΠΌ ΡΠ»ΡΡΠ°Π΅ Π²ΠΎΠ΄Π° Π΄Π»Ρ Ρ ΠΎΠ·ΡΠΉΡΡΠ²Π΅Π½Π½ΠΎΠ³ΠΎ ΠΈ ΡΠ΅Ρ Π½ΠΈΡΠ΅ΡΠΊΠΎΠ³ΠΎ ΠΏΠΎΡΡΠ΅Π±Π»Π΅Π½ΠΈΡ Π½Π°Π³ΡΠ΅Π²Π°Π΅ΡΡΡ Π½Π΅ΠΏΠΎΡΡΠ΅Π΄ΡΡΠ²Π΅Π½Π½ΠΎ ΠΏΡΠΈ ΠΊΠΎΠ½ΡΠ°ΠΊΡΠ΅ Ρ ΡΠ΅ΠΏΠ»ΠΎΠΌ, ΠΈΠ·Π»ΡΡΠ°Π΅ΠΌΡΠΌ ΡΠ½Π΅ΡΠ³ΠΎΠ½ΠΎΡΠΈΡΠ΅Π»Π΅ΠΌ. ΠΠΎ Π²ΡΠΎΡΠΎΠΌ Π²Π°ΡΠΈΠ°Π½ΡΠ΅ ΡΡΡΠ°Π½Π°Π²Π»ΠΈΠ²Π°Π΅ΡΡΡ Π±ΠΎΠΉΠ»Π΅Ρ ΠΊΠΎΡΠ²Π΅Π½Π½ΠΎΠ³ΠΎ Π½Π°Π³ΡΠ΅Π²Π°, Π³Π΄Π΅ ΠΏΡΠΎΡΠΎΡΠ½Π°Ρ Π²ΠΎΠ΄Π° Π³ΡΠ΅Π΅ΡΡΡ ΠΏΡΠΈ ΠΊΠΎΠ½ΡΠ°ΠΊΡΠ΅ Ρ ΡΠ΅ΠΏΠ»ΠΎΠΎΠ±ΠΌΠ΅Π½Π½ΠΈΠΊΠΎΠΌ, Π²Π½ΡΡΡΠΈ ΠΊΠ°ΠΊΠΎΠ³ΠΎ ΠΏΡΠΎΡΠ΅ΠΊΠ°Π΅Ρ ΡΠ΅ΠΏΠ»ΠΎΠ½ΠΎΡΠΈΡΠ΅Π»Ρ ΠΎΡΠΎΠΏΠΈΡΠ΅Π»ΡΠ½ΠΎΠΉ ΡΠΈΡΡΠ΅ΠΌΡ.
ΠΡΠ»ΠΈ ΠΏΠ΅ΡΠ²Π°Ρ ΡΡ
Π΅ΠΌΠ° Π±ΠΎΠ»Π΅Π΅ Ρ
Π°ΡΠ°ΠΊΡΠ΅ΡΠ½Π° Π΄Π»Ρ Π΄Π²ΡΡ
ΠΊΠΎΠ½ΡΡΡΠ½ΠΎΠ³ΠΎ ΠΊΠΎΡΠ»Π°, ΡΠΎ Π²ΡΠΎΡΠΎΠΉ Π²Π°ΡΠΈΠ°Π½Ρ ΠΌΠΎΠΆΠ½ΠΎ ΠΎΡΠ³Π°Π½ΠΈΠ·ΠΎΠ²Π°ΡΡ ΡΠ²ΠΎΠΈΠΌΠΈ ΡΡΠΊΠ°ΠΌΠΈ, ΠΈΠΌΠ΅Ρ Π² ΠΊΠ°ΡΠ΅ΡΡΠ²Π΅ ΠΈΡΡΠΎΡΠ½ΠΈΠΊΠ° ΡΠ½Π΅ΡΠ³ΠΎΡΠ½Π°Π±ΠΆΠ΅Π½ΠΈΡ ΠΎΠ΄Π½ΠΎΠΊΠΎΠ½ΡΡΡΠ½ΡΠΉ Π°Π³ΡΠ΅Π³Π°Ρ. ΠΡΠΎΡΠΎΠΉ Π²Π°ΡΠΈΠ°Π½Ρ Π±ΠΎΠ»ΡΡΠ΅ ΠΏΠΎΠ΄Ρ
ΠΎΠ΄ΠΈΡ Π΄Π»Ρ Π΄Π²ΡΡ
ΡΡΠ°ΠΆΠ½ΠΎΠ³ΠΎ ΡΠ°ΡΡΠ½ΠΎΠ³ΠΎ Π΄ΠΎΠΌΠ°, ΡΠ°ΠΊ ΠΊΠ°ΠΊ Π΄Π°Π΅Ρ Π²ΠΎΠ·ΠΌΠΎΠΆΠ½ΠΎΡΡΡ ΠΏΠΎΠ»ΡΡΠ°ΡΡ Π½Π°ΠΌΠ½ΠΎΠ³ΠΎ Π±ΠΎΠ»ΡΡΠΈΠΉ Π²ΠΎΠ΄ΡΠ½ΠΎΠΉ ΠΎΠ±ΡΠ΅ΠΌ.
ΠΡΠ»ΠΈΡΠ°ΡΡΡΡ ΠΌΠΎΠΆΠ΅Ρ Π½Π΅ ΡΠΎΠ»ΡΠΊΠΎ ΡΡ Π΅ΠΌΠ° Π΄ΠΎΠΏΠΎΠ»Π½ΠΈΡΠ΅Π»ΡΠ½ΠΎΠ³ΠΎ ΠΊΠΎΠ½ΡΡΡΠ° Π΄Π»Ρ ΠΠΠ‘, Π½ΠΎ ΠΈ ΡΠΈΠΏΡ ΠΊΠΎΡΠ»ΠΎΠ², ΡΡΠΎ ΠΈΡΠΏΠΎΠ»ΡΠ·ΡΡΡΡΡ Π΄Π»Ρ ΠΏΠΎΠ»ΡΡΠ΅Π½ΠΈΡ ΡΠ΅ΠΏΠ»ΠΎΠ²ΠΎΠΉ ΡΠ½Π΅ΡΠ³ΠΈΠΈ. ΠΠΎ ΠΈΡΠΏΠΎΠ»ΡΠ·ΡΠ΅ΠΌΠΎΠΌΡ ΡΠ½Π΅ΡΠ³ΠΎΠ½ΠΎΡΠΈΡΠ΅Π»Ρ ΠΎΠ½ΠΈ ΠΌΠΎΠ³ΡΡ Π±ΡΡΡ:
- Π³Π°Π·ΠΎΠ²ΡΠ΅;
- ΡΠ»Π΅ΠΊΡΡΠΈΡΠ΅ΡΠΊΠΈΠ΅;
- ΡΠ²Π΅ΡΠ΄ΠΎΡΠΎΠΏΠ»ΠΈΠ²Π½ΡΠ΅.
ΠΠ°Π·ΠΎΠ²ΡΠ΅ ΠΊΠΎΡΠ»Ρ
ΠΠ³ΡΠ΅Π³Π°ΡΡ, ΠΈΡΠΏΠΎΠ»ΡΠ·ΡΡΡΠΈΠ΅ ΡΠ΅ΠΏΠ»ΠΎΠ²ΡΡ ΡΠ½Π΅ΡΠ³ΠΈΡ ΡΠ³ΠΎΡΠ°ΡΡΠ΅Π³ΠΎ ΠΏΡΠΈΡΠΎΠ΄Π½ΠΎΠ³ΠΎ Π³Π°Π·Π°, ΡΠ²Π»ΡΡΡΡΡ ΡΠ°ΠΌΡΠΌΠΈ ΠΏΠΎΠΏΡΠ»ΡΡΠ½ΡΠΌΠΈ, Π²ΠΎ Π²ΡΡΠΊΠΎΠΌ ΡΠ»ΡΡΠ°Π΅ ΡΠ°ΠΌ, Π³Π΄Π΅ Π΅ΡΡΡ Π²ΠΎΠ·ΠΌΠΎΠΆΠ½ΠΎΡΡΡ ΠΏΠΎΠ΄ΠΊΠ»ΡΡΠΈΡΡΡΡ ΠΊ Π³Π°Π·ΠΎΡΠ½Π°Π±ΠΆΠ΅Π½ΠΈΡ. Π’Π°ΠΊΠΈΠ΅ ΠΊΠΎΡΠ»Ρ Π½Π°ΠΈΠ±ΠΎΠ»Π΅Π΅ ΡΡΠ½ΠΊΡΠΈΠΎΠ½Π°Π»ΡΠ½Ρ ΠΈ Π³Π°Π· Π½Π° ΡΠ΅Π³ΠΎΠ΄Π½Ρ ΡΠ²Π»ΡΠ΅ΡΡΡ Π½Π°ΠΈΠ±ΠΎΠ»Π΅Π΅ ΠΏΡΠΈΠ΅ΠΌΠ»Π΅ΠΌΡΠΌ ΠΏΠΎ ΡΡΠΎΠΈΠΌΠΎΡΡΠΈ ΡΠ½Π΅ΡΠ³ΠΎΠ½ΠΎΡΠΈΡΠ΅Π»Π΅ΠΌ. ΠΠ°Π·ΠΎΠ²ΡΠ΅ ΠΏΡΠΈΠ±ΠΎΡΡ Π±ΡΠ²Π°ΡΡ ΠΈΠ·Π½Π°ΡΠ°Π»ΡΠ½ΠΎ Π΄Π²ΡΡ ΠΊΠΎΠ½ΡΡΡΠ½ΡΠΌΠΈ, ΠΎΠ΄Π½Π°ΠΊΠΎ ΠΈΡ Π½Π΅Π΄ΠΎΡΡΠ°ΡΠΎΠΊ Π² ΡΠΎΠΌ, ΡΡΠΎ Π²ΡΡ ΠΎΠ΄ Π³ΠΎΡΡΡΠ΅ΠΉ Π²ΠΎΠ΄Ρ ΠΎΡΠ½ΠΎΡΠΈΡΠ΅Π»ΡΠ½ΠΎ Π½Π΅Π±ΠΎΠ»ΡΡΠΎΠΉ. ΠΠΎΡΡΠΎΠΌΡ Π² ΡΡΠ»ΠΎΠ²ΠΈΡΡ ΡΠ°ΡΡΠ½ΠΎΠ³ΠΎ Π΄ΠΎΠΌΠ°, ΡΠ΅ΠΌ Π±ΠΎΠ»Π΅Π΅ Π΄Π²ΡΡ ΡΡΠ°ΠΆΠ½ΠΎΠ³ΠΎ, ΠΎΠ±Π΅ΡΠΏΠ΅ΡΠΈΡΡ ΠΏΠΎΡΡΠ΅Π±Π½ΠΎΡΡΡ Π² ΠΠΠ‘ ΡΠ°ΠΊΠΈΠ΅ ΠΏΡΠΈΠ±ΠΎΡΡ Π²ΡΡΠ΄ Π»ΠΈ ΡΠΌΠΎΠ³ΡΡ Π² ΠΏΠΎΠ»Π½ΠΎΠΉ ΠΌΠ΅ΡΠ΅.
ΠΠΎΡΡΠΎΠΌΡ Π² ΡΠ°ΡΡΠ½ΡΡ
Π΄ΠΎΠΌΠ°Ρ
ΡΠ°ΡΠ΅ ΠΈΡΠΏΠΎΠ»ΡΠ·ΡΠ΅ΡΡΡ Π΄ΡΡΠ³Π°Ρ ΡΡ
Π΅ΠΌΠ°, ΠΊΠΎΠ³Π΄Π° ΡΡΡΠ°Π½Π°Π²Π»ΠΈΠ²Π°Π΅ΡΡΡ Π΄ΠΎΡΡΠ°ΡΠΎΡΠ½ΠΎΠΉ ΠΌΠΎΡΠ½ΠΎΡΡΠΈ ΠΎΠ΄Π½ΠΎΠΊΠΎΠ½ΡΡΡΠ½ΡΠΉ Π°Π³ΡΠ΅Π³Π°Ρ, ΠΎΡ ΠΊΠΎΡΠΎΡΠΎΠ³ΠΎ ΠΎΡΠ²ΠΎΠ΄ΠΈΡΡΡ Π΄Π²Π° ΠΊΠΎΠ½ΡΡΡΠ°.
ΠΠ΄ΠΈΠ½ ΠΈΠ· Π½ΠΈΡ
ΡΡΠ°Π΄ΠΈΡΠΈΠΎΠ½Π½ΠΎ ΠΎΠ±ΠΎΠ³ΡΠ΅Π²Π°Π΅Ρ Π΄ΠΎΠΌ, Π΄ΡΡΠ³ΠΎΠΉ ΠΆΠ΅ Π³ΡΠ΅Π΅Ρ ΡΠΎΠ΄Π΅ΡΠΆΠΈΠΌΠΎΠ΅ Π±ΠΎΠΉΠ»Π΅ΡΠ° Π΄ΠΎΡΡΠ°ΡΠΎΡΠ½ΠΎΠ³ΠΎ ΠΎΠ±ΡΠ΅ΠΌΠ°. Π’Π°ΠΊΠ°Ρ ΡΡ
Π΅ΠΌΠ° Π±ΠΎΠ»Π΅Π΅ ΡΡΡΠ΅ΠΊΡΠΈΠ²Π½Π° Π² ΡΠ°ΡΡΠ½ΠΎΠΌ Π΄ΠΎΠΌΠ΅, ΡΠ°ΠΊ ΠΊΠ°ΠΊ ΠΏΠΎΠ·Π²ΠΎΠ»ΡΠ΅Ρ ΠΏΠΎΠ»Π½ΠΎΡΡΡΡ ΠΎΠ±Π΅ΡΠΏΠ΅ΡΠΈΡΡ ΠΏΠΎΡΡΠ΅Π±Π½ΠΎΡΡΠΈ Π² ΠΠΠ‘.
Π₯ΠΎΡΡ, Π΅ΡΠ»ΠΈ Π΄ΠΎΠΌ Π½Π΅Π±ΠΎΠ»ΡΡΠΎΠΉ ΠΈ Π³ΠΎΡΡΡΠ°Ρ Π²ΠΎΠ΄Π° ΠΈΡΠΏΠΎΠ»ΡΠ·ΡΠ΅ΡΡΡ ΡΠΊΠΎΠ½ΠΎΠΌΠ½ΠΎ, Π΄Π²ΡΡ ΠΊΠΎΠ½ΡΡΡΠ½ΡΠΉ ΠΊΠΎΡΠ΅Π» ΠΌΠΎΠΆΠ΅Ρ ΡΠ΄ΠΎΠ²Π»Π΅ΡΠ²ΠΎΡΠΈΡΡ ΠΏΠΎΡΡΠ΅Π±Π½ΠΎΡΡΠΈ Π΄ΠΎΠΌΠΎΡΠ°Π΄ΡΠ΅Π². ΠΠΎ ΡΠΏΠΎΡΠΎΠ±Ρ Π½Π°Π³ΡΠ΅Π²Π° Π³ΠΎΡΡΡΠ΅ΠΉ Π²ΠΎΠ΄Ρ ΡΠ°ΠΊΠΈΠ΅ ΠΏΡΠΈΠ±ΠΎΡΡ Π±ΡΠ²Π°ΡΡ:
- Π±ΠΈΡΠ΅ΡΠΌΠΈΡΠ΅ΡΠΊΠΈΠ΅;
- Π΄ΡΠΎΡΠ΅ΡΠΌΠΈΡΠ΅ΡΠΊΠΈΠ΅.
Π ΠΏΠ΅ΡΠ²ΡΡ Π²ΠΎΠ΄Π° Π΄Π»Ρ Ρ ΠΎΠ·ΡΠΉΡΡΠ²Π΅Π½Π½ΡΡ Π½ΡΠΆΠ΄ Π½Π°Π³ΡΠ΅Π²Π°Π΅ΡΡΡ, ΠΏΡΠΎΡ ΠΎΠ΄Ρ ΡΠ΅ΡΠ΅Π· Π·ΠΌΠ΅Π΅Π²ΠΈΠΊ, ΡΡΠΎ Π½Π°Ρ ΠΎΠ΄ΠΈΡΡΡ Π² ΠΏΡΠΎΡΠΎΡΠ½ΠΎΠΌ ΡΠΎΡΡΠ΄Π΅, Π³Π΄Π΅ ΡΠΈΡΠΊΡΠ»ΠΈΡΡΠ΅Ρ ΠΎΡΠ½ΠΎΠ²Π½ΠΎΠΉ ΡΠ΅ΠΏΠ»ΠΎΠ½ΠΎΡΠΈΡΠ΅Π»Ρ. Π’ΠΎ Π΅ΡΡΡ Π·Π΄Π΅ΡΡ ΠΈΠΌΠ΅Π΅Ρ ΠΌΠ΅ΡΡΠΎ ΠΊΠΎΡΠ²Π΅Π½Π½ΡΠΉ ΠΏΠΎΠ΄ΠΎΠ³ΡΠ΅Π² ΠΏΡΠΎΡΠΎΡΠ½ΠΎΠΉ Π²ΠΎΠ΄Ρ, ΠΏΠΎΡΡΠΎΠΌΡ ΠΏΡΠΎΠΈΠ·Π²ΠΎΠ΄ΠΈΡΠ΅Π»ΡΠ½ΠΎΡΡΡ ΡΠ°ΠΊΠΈΡ ΠΊΠΎΡΠ»ΠΎΠ² Π΄Π»Ρ ΠΠΠ‘ Π½Π΅Π²Π΅Π»ΠΈΠΊΠ°.
ΠΠΎ Π²ΡΠΎΡΠΎΠΌ ΡΠΈΠΏΠ΅ Π°Π³ΡΠ΅Π³Π°ΡΠΎΠ² ΡΡΡΠ΅ΡΡΠ²ΡΠ΅Ρ Π΄Π²Π° Π½Π΅Π·Π°Π²ΠΈΡΠΈΠΌΡΡ
ΡΠ΅ΠΏΠ»ΠΎΠΎΠ±ΠΌΠ΅Π½Π½ΠΈΠΊΠ°, Π² ΠΎΠ΄Π½ΠΎΠΌ ΠΈΠ· ΠΊΠΎΡΠΎΡΡΡ
ΠΎΡ ΡΠ°Π±ΠΎΡΠ°ΡΡΠ΅ΠΉ Π³ΠΎΡΠ΅Π»ΠΊΠΈ Π½Π°Π³ΡΠ΅Π²Π°Π΅ΡΡΡ ΡΠΈΡΠΊΡΠ»ΠΈΡΡΡΡΠ°Ρ ΠΆΠΈΠ΄ΠΊΠΎΡΡΡ, Π² Π΄ΡΡΠ³ΠΎΠΌ, — ΠΏΡΠΎΡΠΎΡΠ½Π°Ρ Π²ΠΎΠ΄Π°.
Π’Π°ΠΊΠΎΠΉ ΡΠΈΠΏ Π²ΠΎΠ΄ΠΎΠ³ΡΠ΅ΠΉΠ½ΡΡ
ΠΏΡΠΈΠ±ΠΎΡΠΎΠ² Π±ΠΎΠ»Π΅Π΅ ΠΏΡΠΎΠΈΠ·Π²ΠΎΠ΄ΠΈΡΠ΅Π»Π΅Π½, ΠΎΠ΄Π½Π°ΠΊΠΎ Π½Π΅ Π½Π°ΡΡΠΎΠ»ΡΠΊΠΎ, ΡΡΠΎΠ±Ρ ΠΎΠ±Π΅ΡΠΏΠ΅ΡΠΈΡΡ ΠΠΠ‘ ΡΠ°ΡΡΠ½ΡΠΉ Π΄Π²ΡΡ
ΡΡΠ°ΠΆΠ½ΡΠΉ Π΄ΠΎΠΌ.
ΠΠ»Π΅ΠΊΡΡΠΈΡΠ΅ΡΠΊΠΈΠ΅ Π²ΠΎΠ΄ΠΎΠ½Π°Π³ΡΠ΅Π²Π°ΡΠ΅Π»ΡΠ½ΡΠ΅ ΠΏΡΠΈΠ±ΠΎΡΡ
ΠΠ²ΡΡ ΠΊΠΎΠ½ΡΡΡΠ½Π°Ρ ΡΠΈΡΡΠ΅ΠΌΠ° ΠΎΡΠΎΠΏΠ»Π΅Π½ΠΈΡ ΠΌΠΎΠΆΠ΅Ρ Π±ΡΡΡ ΡΠ΅Π°Π»ΠΈΠ·ΠΎΠ²Π°Π½Π° ΠΈ Π½Π° ΠΎΡΠ½ΠΎΠ²Π΅ ΡΠ»Π΅ΠΊΡΡΠΈΡΠ΅ΡΠΊΠΎΠ³ΠΎ ΠΊΠΎΡΠ»Π° ΠΏΠΎ ΡΡ Π΅ΠΌΠ΅ Π±ΠΎΠΉΠ»Π΅ΡΠ° ΠΊΠΎΡΠ²Π΅Π½Π½ΠΎΠ³ΠΎ ΠΏΠΎΠ΄ΠΎΠ³ΡΠ΅Π²Π°. ΠΠ΄Π½Π°ΠΊΠΎ, Π΅ΡΠ»ΠΈ Π² ΠΊΠ°ΡΠ΅ΡΡΠ²Π΅ ΠΎΡΠ½ΠΎΠ²Π½ΠΎΠ³ΠΎ ΡΠ½Π΅ΡΠ³ΠΎΠ½ΠΎΡΠΈΡΠ΅Π»Ρ Π² Π΄ΠΎΠΌΠ΅ ΠΈΡΠΏΠΎΠ»ΡΠ·ΡΠ΅ΡΡΡ ΡΠ»Π΅ΠΊΡΡΠΈΡΠ΅ΡΡΠ²ΠΎ, ΡΠ΅Π»Π΅ΡΠΎΠΎΠ±ΡΠ°Π·Π½Π΅Π΅ ΡΡΡΠ°Π½ΠΎΠ²ΠΈΡΡ Π°Π²ΡΠΎΠ½ΠΎΠΌΠ½ΡΠΉ ΡΠ»Π΅ΠΊΡΡΠΈΡΠ΅ΡΠΊΠΈΠΉ Π±ΠΎΠΉΠ»Π΅Ρ, Π½Π΅ΠΆΠ΅Π»ΠΈ ΠΊΠΎΠ½ΡΡΡΡΠΈΡΠΎΠ²Π°ΡΡ Π΄ΠΎΠΏΠΎΠ»Π½ΠΈΡΠ΅Π»ΡΠ½ΡΠΉ ΠΊΠΎΠ½ΡΡΡ ΡΠ²ΠΎΠΈΠΌΠΈ ΡΡΠΊΠ°ΠΌΠΈ.
Π’Π²Π΅ΡΠ΄ΠΎΡΠΎΠΏΠ»ΠΈΠ²Π½ΡΠ΅ ΠΊΠΎΡΠ»Ρ
ΠΠ΅ΠΊΠΎΡΠΎΡΡΠ΅ ΡΠΎΠ²ΡΠ΅ΠΌΠ΅Π½Π½ΡΠ΅ Π°Π³ΡΠ΅Π³Π°ΡΡ, ΡΠ°ΡΡΡΠΈΡΠ°Π½Π½ΡΠ΅ Π½Π° ΠΈΡΠΏΠΎΠ»ΡΠ·ΠΎΠ²Π°Π½ΠΈΠ΅ Π΄ΡΠΎΠ², ΡΠ³Π»Ρ ΠΈ Π΄ΡΡΠ³ΠΈΡ Π²ΠΈΠ΄ΠΎΠ² ΡΠ²Π΅ΡΠ΄ΠΎΠ³ΠΎ ΡΠΎΠΏΠ»ΠΈΠ²Π° ΡΠΆΠ΅ Π½Π° Π·Π°Π²ΠΎΠ΄Π΅ ΠΎΡΠ½Π°ΡΠ°ΡΡΡΡ ΡΠ΅Π·Π΅ΡΠ²ΡΠ°ΡΠΎΠΌ Π΄Π»Ρ ΠΏΠΎΠ΄ΠΎΠ³ΡΠ΅Π²Π° Π²ΠΎΠ΄Ρ. Π₯ΠΎΡΡ ΡΠ°ΡΠ΅ Π²Π»Π°Π΄Π΅Π»ΡΡΡ ΠΎΠ±ΠΎΡΡΠ΄ΡΡΡ ΡΠ°ΠΊΠΈΠ΅ ΠΏΡΠΈΠ±ΠΎΡΡ ΡΠΎΡΡΠ΄Π°ΠΌΠΈ Π΄Π»Ρ ΠΏΠΎΠ΄ΠΎΠ³ΡΠ΅Π²Π° Π²ΠΎΠ΄Ρ ΡΠ²ΠΎΠΈΠΌΠΈ ΡΡΠΊΠ°ΠΌΠΈ, ΡΡΡΠ°Π½Π°Π²Π»ΠΈΠ²Π°Ρ ΠΈΡ ΡΠ²Π΅ΡΡ Ρ ΠΊΠΎΡΠ»ΠΎΠ². ΠΠΎΠ½Π΅ΡΠ½ΠΎ ΠΆΠ΅, ΠΏΠΎΠ»Π½ΠΎΡΠ΅Π½Π½ΡΠΌ Π³ΠΎΡΡΡΠΈΠΌ Π²ΠΎΠ΄ΠΎΡΠ½Π°Π±ΠΆΠ΅Π½ΠΈΠ΅ΠΌ ΡΡΠΎ ΡΡΠΆΠ΅Π»ΠΎ Π½Π°Π·Π²Π°ΡΡ, ΡΠ΅ΠΌ Π±ΠΎΠ»Π΅Π΅ Ρ ΡΡΠ΅ΡΠΎΠΌ Π½Π΅ΡΡΠ°Π±ΠΈΠ»ΡΠ½ΠΎΡΡΠΈ ΡΠ΅ΠΌΠΏΠ΅ΡΠ°ΡΡΡΡ ΡΠ°ΠΊΠΈΡ Π°Π³ΡΠ΅Π³Π°ΡΠΎΠ².
ΠΠΎΡΡΠΎΠΌΡ Π΄Π»Ρ ΡΠ²Π΅ΡΠ΄ΠΎΡΠΎΠΏΠ»ΠΈΠ²Π½ΡΡ
Π°Π³ΡΠ΅Π³Π°ΡΠΎΠ² ΡΠ°ΠΊΠΆΠ΅ Π΄ΠΎΡΡΠΎΠΉΠ½ΡΠΌ ΡΠ΅ΡΠ΅Π½ΠΈΠ΅ΠΌ ΠΏΡΠΎΠ±Π»Π΅ΠΌΡ ΠΠΠ‘ Π±ΡΠ΄Π΅Ρ ΡΠΎΠ·Π΄Π°Π½ΠΈΠ΅ Π²ΡΠΎΡΠΎΠ³ΠΎ ΠΊΠΎΠ½ΡΡΡΠ°, ΠΊΠΎΡΠΎΡΡΠΉ Π±Ρ ΡΠ°Π±ΠΎΡΠ°Π», Π½Π°Π³ΡΠ΅Π²Π°Ρ Π±ΠΎΠΉΠ»Π΅Ρ.
Π ΡΡΠΎΠΌ ΡΠ»ΡΡΠ°Π΅ Π±ΡΠ΄Π΅Ρ ΡΠ³Π»Π°ΠΆΠΈΠ²Π°ΡΡΡΡ ΠΏΠ΅ΡΠ΅ΠΏΠ°Π΄ ΡΠ΅ΠΌΠΏΠ΅ΡΠ°ΡΡΡ Π½Π° ΠΎΡΠ½ΠΎΠ²Π½ΠΎΠΌ Π²ΠΎΠ΄ΠΎΠ³ΡΠ΅ΠΉΠ½ΠΎΠΌ ΠΎΠ±ΠΎΡΡΠ΄ΠΎΠ²Π°Π½ΠΈΠΈ.
Π‘Π΅ΠΉΡΠ°Ρ Π΅ΡΡΡ ΠΌΠ½ΠΎΠ³ΠΎ Π²Π°ΡΠΈΠ°Π½ΡΠΎΠ² ΠΎΡΠ³Π°Π½ΠΈΠ·ΠΎΠ²Π°ΡΡ Π³ΠΎΡΡΡΠ΅Π΅ Π²ΠΎΠ΄ΠΎΡΠ½Π°Π±ΠΆΠ΅Π½ΠΈΠ΅ Π² ΡΠ°ΡΡΠ½ΠΎΠΌ Π΄ΠΎΠΌΠ΅, Π² ΡΠΎΠΌ ΡΠΈΡΠ»Π΅ ΠΈ ΡΠ²ΠΎΠΈΠΌΠΈ ΡΡΠΊΠ°ΠΌΠΈ. ΠΡΠΎ ΠΌΠΎΠΆΠ½ΠΎ ΡΠ΅ΡΠΈΡΡ ΠΈ ΡΡΡΠ°Π½ΠΎΠ²ΠΊΠΎΠΉ Π΄Π²ΡΡ ΠΊΠΎΠ½ΡΡΡΠ½ΠΎΠ³ΠΎ ΠΊΠΎΡΠ»Π°, ΠΈ Π΄ΠΎΠΏΠΎΠ»Π½ΠΈΡΠ΅Π»ΡΠ½ΠΎΠ³ΠΎ Π±ΠΎΠΉΠ»Π΅ΡΠ°, Π³Π΄Π΅ Π²ΠΎΠ΄Π° Π±ΡΠ΄Π΅Ρ Π½Π°Π³ΡΠ΅Π²Π°ΡΡΡΡ ΠΊΠΎΡΠ²Π΅Π½Π½ΠΎ. ΠΠ°ΠΊ ΠΈΠΌΠ΅Π½Π½ΠΎ ΠΏΠΎΡΡΡΠΏΠΈΡΡ Π² Π²Π°ΡΠ΅ΠΌ ΠΊΠΎΠ½ΠΊΡΠ΅ΡΠ½ΠΎΠΌ ΡΠ»ΡΡΠ°Π΅, Π»ΡΡΡΠ΅ ΡΠ΅ΡΠ°ΡΡ Π½Π° ΠΌΠ΅ΡΡΠ΅ Ρ ΡΡΠ΅ΡΠΎΠΌ ΠΌΠ½ΠΎΠΆΠ΅ΡΡΠ²Π° ΡΠΎΠΏΡΡΡΡΠ²ΡΡΡΠΈΡ ΡΠ°ΠΊΡΠΎΡΠΎΠ² ΠΈ ΡΠΎΠΎΠ±ΡΠ°ΠΆΠ΅Π½ΠΈΠΉ ΡΠ΅Π»Π΅ΡΠΎΠΎΠ±ΡΠ°Π·Π½ΠΎΡΡΠΈ.Β
Π§ΠΈΡΠ°ΠΉΡΠ΅ ΡΠ°ΠΊΠΆΠ΅
- ΠΠ°ΠΊΠΈΠ΅ Π΅ΡΡΡ ΠΎΡΠΎΠΏΠΈΡΠ΅Π»ΡΠ½ΡΠ΅ ΠΊΠΎΡΠ»Ρ?
- ΠΠ΅Π½ΠΈΠ½Π³ΡΠ°Π΄ΠΊΠ° — ΡΠΈΡΡΠ΅ΠΌΠ° ΠΎΡΠΎΠΏΠ»Π΅Π½ΠΈΡ
- Π Π°ΡΡΠ΅Ρ ΡΠ°ΡΡΠΈΡΠΈΡΠ΅Π»ΡΠ½ΠΎΠ³ΠΎ Π±Π°ΠΊΠ° ΡΠΈΡΡΠ΅ΠΌΡ ΠΎΡΠΎΠΏΠ»Π΅Π½ΠΈΡ
- CΠ°ΠΌΠΎΠ΅ ΡΠΊΠΎΠ½ΠΎΠΌΠΈΡΠ½ΠΎΠ΅ ΠΎΡΠΎΠΏΠ»Π΅Π½ΠΈΠ΅ ΡΠ°ΡΡΠ½ΠΎΠ³ΠΎ Π΄ΠΎΠΌΠ°
Π‘Ρ Π΅ΠΌΠ° Π΄Π²ΡΡ ΠΊΠΎΠ½ΡΡΡΠ½ΠΎΠΉ ΡΠΈΡΡΠ΅ΠΌΡ ΠΎΡΠΎΠΏΠ»Π΅Π½ΠΈΡ ΡΠ°ΡΡΠ½ΠΎΠ³ΠΎ Π΄ΠΎΠΌΠ° Π² ΠΡΡΡΠ΅
- ΠΡΠΎΠΏΠ»Π΅Π½ΠΈΠ΅
8 (967) 207-07-87
8 (495) 188-77-87- 8 (967) 207-07-87
- ΠΠ΅ΡΠΏΠ»Π°ΡΠ½ΡΠΉ ΡΠ°ΡΡΡΡ
ΠΡΠΎΠΏΠ»Π΅Π½ΠΈΠ΅ ΠΏΠΎΠ΄ ΠΊΠ»ΡΡ
Π‘ ΠΠΠΠΠ ΠΠΠ
ΠΠΎΠ΄Π°ΡΠΎΠΊ ΠΊΠ°ΠΆΠ΄ΠΎΠΌΡ ΠΎΡ Π’Π΅ΠΏΠ»ΠΎ-ΠΠΈΠΊΠΎ.
ΡΡΠΠ°ΡΠ΅ ΠΈΠΌΡ
ΠΠ°Ρ ΡΠ΅Π»Π΅ΡΠΎΠ½
ΠΠ΅ΡΠΏΠ»Π°ΡΠ½ΡΠΉ ΡΠ°ΡΡΡΡ ΠΈ Π²ΡΠ΅Π·Π΄ ΠΈΠ½ΠΆΠ΅Π½Π΅ΡΠ°
Π£Π΄Π°Π»ΡΠ½Π½ΠΎΠ΅ ΡΠΏΡΠ°Π²Π»Π΅Π½ΠΈΠ΅ ΠΎΡΠΎΠΏΠ»Π΅Π½ΠΈΠ΅ΠΌ
Π² ΠΏΠΎΠ΄Π°ΡΠΎΠΊ:- Π‘Π°ΠΌ GSM-ΠΌΠΎΠ΄ΡΠ»Ρ
- ΠΠΎΠ΄ΠΊΠ»ΡΡΠ΅Π½ΠΈΠ΅ ΠΈ Π½Π°ΡΡΡΠΎΠΉΠΊΠ°
- ΠΠ΅ΡΠΏΠ»Π°ΡΠ½Π°Ρ ΠΊΠΎΠ½ΡΡΠ»ΡΡΠ°ΡΠΈΡ
ΠΠ°ΡΠ΅ ΠΈΠΌΡ
ΠΠ°Ρ ΡΠ΅Π»Π΅ΡΠΎΠ½
ΠΠ΅ΡΠΏΠ»Π°ΡΠ½ΡΠΉ ΡΠ°ΡΡΡΡ ΠΈ Π²ΡΠ΅Π·Π΄ ΠΈΠ½ΠΆΠ΅Π½Π΅ΡΠ°
Π’Π΅ΡΠΌΠΈΠ½ Β«Π΄Π²ΡΡ ΠΊΠΎΠ½ΡΡΡΠ½ΠΎΠ΅ ΠΎΡΠΎΠΏΠ»Π΅Π½ΠΈΠ΅Β» ΡΠ»ΠΎΠΆΠ½ΠΎ Π½Π°Π·Π²Π°ΡΡ ΠΊΠΎΡΡΠ΅ΠΊΡΠ½ΡΠΌ. ΠΠ΅Π»ΠΎ Π² ΡΠΎΠΌ, ΡΡΠΎ Π΄Π²ΡΡ ΠΊΠΎΠ½ΡΡΡΠ½ΡΠΌΠΈ Π±ΡΠ²Π°ΡΡ ΠΊΠΎΡΠ»Ρ. ΠΡ Ρ Π°ΡΠ°ΠΊΡΠ΅ΡΠ½ΠΎΠΉ ΠΎΡΠΎΠ±Π΅Π½Π½ΠΎΡΡΡΡ Π²ΡΡΡΡΠΏΠ°Π΅Ρ Π²ΡΠΏΠΎΠ»Π½Π΅Π½ΠΈΠ΅ Π΄Π²ΡΡ ΡΡΠ½ΠΊΡΠΈΠΉ. ΠΠ΅ΡΠ²ΠΎΠΉ ΡΠ²Π»ΡΠ΅ΡΡΡ ΠΎΡΠΎΠΏΠ»Π΅Π½ΠΈΠ΅ Π·Π΄Π°Π½ΠΈΡ, Π²ΡΠΎΡΠΎΠΉ β Π½Π°Π³ΡΠ΅Π² Π²ΠΎΠ΄Ρ Π΄Π»Ρ ΡΠΈΡΡΠ΅ΠΌΡ Π³ΠΎΡΡΡΠ΅Π³ΠΎ Π²ΠΎΠ΄ΠΎΡΠ½Π°Π±ΠΆΠ΅Π½ΠΈΡ.
ΠΠΎΠ³Π΄Π° ΠΆΠ΅ ΡΠ΅ΡΡ ΠΈΠ΄Π΅Ρ ΠΈΡΠΊΠ»ΡΡΠΈΡΠ΅Π»ΡΠ½ΠΎ ΠΎ ΡΠΈΡΡΠ΅ΠΌΠ΅ ΠΎΡΠΎΠΏΠ»Π΅Π½ΠΈΡ, ΠΏΡΠ°Π²ΠΈΠ»ΡΠ½Π΅Π΅ Π²ΠΌΠ΅ΡΡΠΎ Β«Π΄Π²ΡΡ ΠΊΠΎΠ½ΡΡΡΠ½ΠΎΠ³ΠΎΒ» ΠΈΡΠΏΠΎΠ»ΡΠ·ΠΎΠ²Π°ΡΡ ΡΠ»ΠΎΠ²ΠΎ Β«Π΄Π²ΡΡ ΡΡΡΠ±Π½ΠΎΠ΅Β». ΠΠΌΠ΅Π½Π½ΠΎ ΡΠ°ΠΊ β Π΄Π²ΡΡ ΡΡΡΠ±Π½ΠΎΠ΅ ΠΎΡΠΎΠΏΠ»Π΅Π½ΠΈΠ΅ ΡΠ°ΡΡΠ½ΠΎΠ³ΠΎ Π΄ΠΎΠΌΠ° β ΠΏΡΠ°Π²ΠΈΠ»ΡΠ½ΠΎ Π·Π²ΡΡΠΈΡ Π½Π°Π·Π²Π°Π½ΠΈΠ΅ ΡΠ°ΠΌΠΎΠΉ ΠΏΠΎΠΏΡΠ»ΡΡΠ½ΠΎΠΉ ΡΠΈΡΡΠ΅ΠΌΡ ΠΎΠ±ΠΎΠ³ΡΠ΅Π²Π° ΠΆΠΈΠ»ΡΡ Π² Π ΠΎΡΡΠΈΠΈ.

ΠΠΎ ΡΠ°Π· ΡΠΆ ΡΠ΅ΡΠΌΠΈΠ½ ΠΏΡΠΈΠΌΠ΅Π½ΡΠ΅ΡΡΡ Π½Π° ΠΏΡΠ°ΠΊΡΠΈΠΊΠ΅ Π΄ΠΎΡΡΠ°ΡΠΎΡΠ½ΠΎ ΡΠΈΡΠΎΠΊΠΎ, ΠΈΠΌΠ΅Π΅Ρ ΡΠΌΡΡΠ» ΠΎΠΏΠΈΡΠ°ΡΡ ΠΎΡΠΎΠ±Π΅Π½Π½ΠΎΡΡΠΈ ΡΠΈΡΡΠ΅ΠΌΡ Π±ΠΎΠ»Π΅Π΅ ΠΏΠΎΠ΄ΡΠΎΠ±Π½ΠΎ. ΠΡΡΠ΅ΡΡΠ²Π΅Π½Π½ΠΎ Ρ ΡΡΠ΅ΡΠΎΠΌ ΡΠ΄Π΅Π»Π°Π½Π½ΡΡ Π²ΡΡΠ΅ ΠΎΠ³ΠΎΠ²ΠΎΡΠΎΠΊ.
ΠΡΠ°ΠΏΡ Π²ΡΠΏΠΎΠ»Π½Π΅Π½ΠΈΡ ΡΠ°Π±ΠΎΡ:
- ΠΠΏΡΠ΅Π΄Π΅Π»Π΅Π½ΠΈΠ΅ ΠΎΠΏΡΠΈΠΌΠ°Π»ΡΠ½ΠΎΠΉ ΡΠ°Π·Π½ΠΎΠ²ΠΈΠ΄Π½ΠΎΡΡΠΈ Π΄Π²ΡΡ ΠΊΠΎΠ½ΡΡΡΠ½ΠΎΠΉ ΡΠΈΡΡΠ΅ΠΌΡ ΠΎΡΠΎΠΏΠ»Π΅Π½ΠΈΡ ΡΠ°ΡΡΠ½ΠΎΠ³ΠΎ Π΄ΠΎΠΌΠ° ΠΈ ΡΡΡΠ΅ΠΊΡΠΈΠ²Π½ΠΎΠΉ ΡΡ Π΅ΠΌΡ ΡΠ°Π·Π²ΠΎΠ΄ΠΊΠΈ.
- Π Π°ΡΡΠ΅Ρ ΡΡΠΎΠΈΠΌΠΎΡΡΠΈ ΠΎΠ±ΡΡΡΡΠΎΠΉΡΡΠ²Π° ΠΎΠ±ΠΎΠ³ΡΠ΅Π²Π° ΡΠ°ΡΡΠ½ΠΎΠ³ΠΎ Π΄ΠΎΠΌΠ° Ρ ΠΏΠΎΡΠ»Π΅Π΄ΡΡΡΠΈΠΌ ΡΡΠ²Π΅ΡΠΆΠ΄Π΅Π½ΠΈΠ΅ΠΌ Π·Π°ΠΊΠ°Π·ΡΠΈΠΊΠΎΠΌ.
- Π‘ΠΎΠ³Π»Π°ΡΠΎΠ²Π°Π½ΠΈΠ΅ ΠΎΡΡΠ°Π»ΡΠ½ΡΡ ΡΡΠ»ΠΎΠ²ΠΈΠΉ ΡΠΎΡΡΡΠ΄Π½ΠΈΡΠ΅ΡΡΠ²Π° ΠΈ ΠΏΠΎΠ΄ΠΏΠΈΡΠ°Π½ΠΈΠ΅ Π΄ΠΎΠ³ΠΎΠ²ΠΎΡΠ°.
ΠΠΎΠΌΠΏΠ»Π΅ΠΊΡΠΎΠ²Π°Π½ΠΈΠ΅ ΠΎΠ±ΡΠ΅ΠΊΡΠ° ΠΈ Π½Π΅ΠΏΠΎΡΡΠ΅Π΄ΡΡΠ²Π΅Π½Π½ΡΠΉ ΠΌΠΎΠ½ΡΠ°ΠΆ Π΄Π²ΡΡ ΠΊΠΎΠ½ΡΡΡΠ½ΠΎΠ³ΠΎ ΠΎΡΠΎΠΏΠ»Π΅Π½ΠΈΡ ΡΠ°ΡΡΠ½ΠΎΠ³ΠΎ Π΄ΠΎΠΌΠ°.- ΠΡΠΎΠΈΠ·Π²ΠΎΠ΄ΡΡΠ²ΠΎ ΠΏΡΡΠΊΠΎΠ½Π°Π»Π°Π΄ΠΎΡΠ½ΡΡ ΡΠ°Π±ΠΎΡ ΠΈ ΡΠ΄Π°ΡΠ° ΠΎΠ±ΡΠ΅ΠΊΡΠ° Π²Π»Π°Π΄Π΅Π»ΡΡΡ Π΄ΠΎΠΌΠ°.
ΠΠ²ΡΡ ΠΊΠΎΠ½ΡΡΡΠ½ΠΎΠ΅ ΠΎΡΠΎΠΏΠ»Π΅Π½ΠΈΠ΅ ΠΏΠΎΠ΄ ΠΊΠ»ΡΡ
ΠΎΡ 176000
ΠΠΊΠ»ΡΡΠ΅Π½ΠΎ: ΠΎΠ±ΠΎΡΡΠ΄ΠΎΠ²Π°Π½ΠΈΠ΅ + ΠΌΠΎΠ½ΡΠ°ΠΆ + Π³Π°ΡΠ°Π½ΡΠΈΡ 3 Π³ΠΎΠ΄Π°
ΠΠΎΠ½ΡΡΠ»ΡΡΠ°ΡΠΈΡ ΠΈΠ½ΠΆΠ΅Π½Π΅ΡΠ°ΠΡΠ΅ΠΈΠΌΡΡΠ΅ΡΡΠ²Π° Π΄Π²ΡΡ ΠΊΠΎΠ½ΡΡΡΠ½ΠΎΠΉ ΡΠΈΡΡΠ΅ΠΌΡ ΠΎΡΠΎΠΏΠ»Π΅Π½ΠΈΡ ΡΠ°ΡΡΠ½ΠΎΠ³ΠΎ Π΄ΠΎΠΌΠ°
- Π Π°Π²Π½ΠΎΠΌΠ΅ΡΠ½ΡΠΉ ΠΏΡΠΎΠ³ΡΠ΅Π² Π²ΡΠ΅Ρ
ΠΏΠΎΠΌΠ΅ΡΠ΅Π½ΠΈΠΉ Π΄ΠΎΠΌΠ°.

- ΠΠΎΠ·ΠΌΠΎΠΆΠ½ΠΎΡΡΡ ΡΡΡΠ΅ΠΊΡΠΈΠ²Π½ΠΎ ΠΎΡΠ°ΠΏΠ»ΠΈΠ²Π°ΡΡ Π΄ΠΎΠΌΠ° Π±ΠΎΠ»ΡΡΠΎΠΉ ΠΏΠ»ΠΎΡΠ°Π΄ΠΈ ΠΈ ΠΈΠΌΠ΅ΡΡΠΈΠ΅ Π΄Π²Π° ΠΈΠ»ΠΈ ΡΡΠΈ ΡΡΠ°ΠΆΠ°.
- Π Π°Π·Π½ΠΎΠΎΠ±ΡΠ°Π·ΠΈΠ΅ ΠΌΠΎΠ΄ΠΈΡΠΈΠΊΠ°ΡΠΈΠΉ Π΄Π²ΡΡ ΠΊΠΎΠ½ΡΡΡΠ½ΠΎΠΉ ΠΎΡΠΎΠΏΠΈΡΠ΅Π»ΡΠ½ΠΎΠΉ ΡΠΈΡΡΠ΅ΠΌΡ Π΄ΠΎΠΌΠ° (Π΅ΡΡΠ΅ΡΡΠ²Π΅Π½Π½Π°Ρ ΠΈ ΠΏΡΠΈΠ½ΡΠ΄ΠΈΡΠ΅Π»ΡΠ½Π°Ρ ΡΠΈΡΠΊΡΠ»ΡΡΠΈΡ, ΠΎΡΠΊΡΡΡΠ°Ρ ΠΈ Π·Π°ΠΊΡΡΡΠ°Ρ, Π²Π΅ΡΡΠΈΠΊΠ°Π»ΡΠ½Π°Ρ ΠΈ Π³ΠΎΡΠΈΠ·ΠΎΠ½ΡΠ°Π»ΡΠ½Π°Ρ).
- Π£Π΄ΠΎΠ±ΡΡΠ²ΠΎ ΡΠ΅ΠΌΠΎΠ½ΡΠ°, Π½Π°ΠΏΡΠΈΠΌΠ΅Ρ, ΠΏΡΠΈ Π·Π°ΠΌΠ΅Π½Π΅ ΠΎΠ΄Π½ΠΎΠΉ Π±Π°ΡΠ°ΡΠ΅ΠΈ.
- ΠΠΎΠ·ΠΌΠΎΠΆΠ½ΠΎΡΡΡ ΡΠ΅Π³ΡΠ»ΠΈΡΠΎΠ²Π°ΡΡ ΡΠ΅ΠΌΠΏΠ΅ΡΠ°ΡΡΡΠ½ΡΠΉ ΡΠ΅ΠΆΠΈΠΌ Π² ΠΎΡΠ΄Π΅Π»ΡΠ½ΡΡ ΠΊΠΎΠΌΠ½Π°ΡΠ°Ρ .
Π‘ΡΠΎΠΈΠΌΠΎΡΡΡ ΠΌΠΎΠ½ΡΠ°ΠΆΠ° Π΄Π²ΡΡ ΠΊΠΎΠ½ΡΡΡΠ½ΠΎΠΉ ΠΎΡΠΎΠΏΠΈΡΠ΅Π»ΡΠ½ΠΎΠΉ ΡΠΈΡΡΠ΅ΠΌΡ
ΠΠ°Π»ΡΠΊΡΠ»ΡΡΠΎΡ ΠΎΡΠΎΠΏΠ»Π΅Π½ΠΈΡ ΡΠ°ΡΡΠ½ΠΎΠ³ΠΎ Π΄ΠΎΠΌΠ°
Π Π°ΡΡΡΠΈΡΠ°ΠΉΡΠ΅ ΠΏΡΠΈΠΌΠ΅ΡΠ½ΡΡ ΡΡΠΎΠΈΠΌΠΎΡΡΡ ΠΎΡΠΎΠΏΠ»Π΅Π½ΠΈΡ «ΠΏΠΎΠ΄ ΠΊΠ»ΡΡ» (ΠΌΠΎΠ½ΡΠ°ΠΆ + ΠΌΠ°ΡΠ΅ΡΠΈΠ°Π»)
ΠΠ»ΠΎΡΠ°Π΄Ρ Π΄ΠΎΠΌΠ°, ΠΌ2:
ΠΠΎΠ»ΠΈΡΠ΅ΡΡΠ²ΠΎ ΡΠ°Π΄ΠΈΠ°ΡΠΎΡΠΎΠ², ΡΡ.:
ΠΠΈΠ΄ ΡΠΎΠΏΠ»ΠΈΠ²Π°: ΠΠ°Π·ΠΠΈΠ·Π΅Π»ΡΠΠ»Π΅ΠΊΡΡΠΈΡΠ΅ΡΡΠ²ΠΎΠ’Π²Π΅ΡΠ΄ΠΎΠ΅ ΡΠΎΠΏΠ»ΠΈΠ²ΠΎ
ΠΠ°ΡΠ΅ΡΠΈΠ°Π» ΡΡΡΠ±: ΠΠΎΠ»ΠΈΠΏΡΠΎΠΏΠΈΠ»Π΅Π½Π‘ΡΠΈΡΡΠΉ ΠΏΠΎΠ»ΠΈΡΡΠΈΠ»Π΅Π½ΠΠ΅Π΄Ρ
Π’ΠΈΠΏ ΡΠ°Π΄ΠΈΠ°ΡΠΎΡΠΎΠ²: Π‘ΡΠ°Π»ΡΠ½ΡΠ΅ ΠΏΠ°Π½Π΅Π»ΡΠ½ΡΠ΅ΠΠΈΠΌΠ΅ΡΠ°Π»Π»ΠΈΡΠ΅ΡΠΊΠΈΠ΅ ΡΠ΅ΠΊΡΠΈΠΎΠ½Π½ΡΠ΅
ΠΠ±Π²ΡΠ·ΠΊΠ° ΡΠ°Π΄ΠΈΠ°ΡΠΎΡΠΎΠ²: Π ΡΡΠ½ΡΠ΅ Π²Π΅Π½ΡΠΈΠ»ΠΈΠ’Π΅ΡΠΌΠΎΡΡΠ°ΡΠΈΡΠ΅ΡΠΊΠΈΠ΅ Π²Π΅Π½ΡΠΈΠ»ΠΈ
ΠΠ°ΡΠ΅ΡΠΈΠ°Π» ΡΡΡΠΎΠ΅Π½ΠΈΡ: ΠΠ΅ΡΠ΅Π²ΠΎΠΠΈΡΠΏΠΈΡΠΠ°Π·ΠΎΠ±Π΅ΡΠΎΠ½ΠΡΡΠ³ΠΎΠΉ
Π’ΡΠΏΠ»ΡΠ΅ ΠΏΠΎΠ»Ρ, ΠΌ2:
ΠΠ°Π·ΠΎΠ²ΠΎΠ΅
ΠΡΠΈΠΌΠ΅Π½ΡΠ΅ΡΡΡ ΠΏΡΠΈ ΠΎΡΠΎΠΏΠ»Π΅Π½ΠΈΠΈ ΠΎΡ Π³Π°Π·ΠΎΠ²ΠΎΠ³ΠΎ ΠΊΠΎΡΠ»Π°.
ΠΡΠ° ΡΠΈΡΡΠ΅ΠΌΠ° ΠΎΡΠΎΠΏΠ»Π΅Π½ΠΈΡ ΠΏΡΠ΅Π΄ΡΡΠ²Π»ΡΠ΅Ρ Π²ΡΡΠΎΠΊΠΈΠ΅ Π½ΠΎΡΠΌΠ°ΡΠΈΠ²Π½ΡΠ΅ ΡΡΠ΅Π±ΠΎΠ²Π°Π½ΠΈΡ ΠΊ ΠΏΠΎΠΌΠ΅ΡΠ΅Π½ΠΈΡ ΠΊΠΎΡΠ΅Π»ΡΠ½ΠΎΠΉ.ΠΎΡ 198000
- ΠΠ±ΠΎΡΡΠ΄ΠΎΠ²Π°Π½ΠΈΠ΅ ΠΈ ΠΌΠ°ΡΠ΅ΡΠΈΠ°Π»Ρ
- ΠΠΎΠ½ΡΠ°ΠΆ ΠΏΠΎΠ΄ ΠΊΠ»ΡΡ
- 3 Π³ΠΎΠ΄Π° Π³Π°ΡΠ°Π½ΡΠΈΠΈ
ΠΠ»Π΅ΠΊΡΡΠΈΡΠ΅ΡΠΊΠΎΠ΅
ΠΠΎΠΏΡΠ»ΡΡΠ½ΡΠΉ ΡΠΏΠΎΡΠΎΠ± ΠΎΡΠΎΠΏΠ»Π΅Π½ΠΈΡ ΠΎΡ ΡΠ»Π΅ΠΊΡΡΠΈΡΠ΅ΡΠΊΠΎΠ³ΠΎ ΠΊΠΎΡΠ»Π°. ΠΠΎΡΠΎΠ³ΠΎΡΡΠΎΡΡΠΈΠΉ Π·Π° ΡΡΠ΅Ρ Π²ΡΡΠΎΠΊΠΈΡ ΡΠ°ΡΠΈΡΠΎΠ² Π½Π° ΡΠ»Π΅ΠΊΡΡΠΈΡΠ΅ΡΡΠ²ΠΎ, ΡΠ°ΡΠ΅ Π²ΡΠ΅Π³ΠΎ ΠΈΡΠΏΠΎΠ»ΡΠ·ΡΠ΅ΡΡΡ ΠΏΡΠΈ ΠΎΡΡΡΡΡΡΠ²ΠΈΠΈ ΠΏΠΎΠ΄ΠΊΠ»ΡΡΠ΅Π½ΠΈΡ ΠΊ Π³Π°Π·Ρ.ΠΎΡ 176000
- ΠΠ±ΠΎΡΡΠ΄ΠΎΠ²Π°Π½ΠΈΠ΅ ΠΈ ΠΌΠ°ΡΠ΅ΡΠΈΠ°Π»Ρ
- ΠΠΎΠ½ΡΠ°ΠΆ ΠΏΠΎΠ΄ ΠΊΠ»ΡΡ
- 3 Π³ΠΎΠ΄Π° Π³Π°ΡΠ°Π½ΡΠΈΠΈ
Π’Π²Π΅ΡΠ΄ΠΎΡΠΎΠΏΠ»ΠΈΠ²Π½ΠΎΠ΅
ΠΠΎΡΡΠ°ΡΠΎΡΠ½ΠΎ ΡΠ°ΡΠΏΡΠΎΡΡΡΠ°Π½Π½ΡΠ½ΡΠΉ Π² Π ΠΎΡΡΠΈΠΉΡΠΊΠΈΡ ΡΠ΅Π°Π»ΠΈΡΡ ΡΠΏΠΎΡΠΎΠ± ΠΎΡΠΎΠΏΠ»Π΅Π½ΠΈΡ ΠΎΡ ΡΠΆΠΈΠ³Π°Π½ΠΈΡ Π΄ΡΠΎΠ², ΠΏΠ΅Π»Π»Π΅ΡΠΎΠ², ΡΠ³Π»Ρ ΠΈ Π΄Ρ. Π² ΡΠΏΠ΅ΡΠΈΠ°Π»ΡΠ½ΠΎΠΌ ΡΠ²Π΅ΡΠ΄ΠΎΡΠΎΠΏΠ»ΠΈΠ²Π½ΠΎΠΌ ΠΊΠΎΡΠ»Π΅.
ΠΎΡ 174000
- ΠΠ±ΠΎΡΡΠ΄ΠΎΠ²Π°Π½ΠΈΠ΅ ΠΈ ΠΌΠ°ΡΠ΅ΡΠΈΠ°Π»Ρ
- ΠΠΎΠ½ΡΠ°ΠΆ ΠΏΠΎΠ΄ ΠΊΠ»ΡΡ
- 3 Π³ΠΎΠ΄Π° Π³Π°ΡΠ°Π½ΡΠΈΠΈ
ΠΠΈΠ·Π΅Π»ΡΠ½ΠΎΠ΅
ΠΠΎΡΡΠ°ΡΠΎΡΠ½ΠΎ ΡΠ΅Π΄ΠΊΠΈΠΉ ΡΠΈΠΏ ΠΎΡΠΎΠΏΠ»Π΅Π½ΠΈΡ.
ΠΡΠΏΠΎΠ»ΡΠ·Π²ΡΠ΅ΡΡΡ ΡΠ½Π΅ΡΠ³ΠΈΡ ΠΎΡ ΠΆΠΈΠ΄ΠΊΠΎΠ³ΠΎ ΡΠΎΠΏΠ»ΠΈΠ²Π°, ΡΠ°ΡΠ΅ Π²ΡΠ΅Π³ΠΎ Π΄ΠΈΠ·Π΅Π»Ρ. ΠΠΎΡΠΎΠ³ΠΎΡΡΠΎΡΡΠΈΠΉ ΠΈ ΠΌΠ°Π»ΠΎΡΡΡΠ΅ΠΊΡΠΈΠ²Π½ΡΠΉ.ΠΎΡ 186000
- ΠΠ±ΠΎΡΡΠ΄ΠΎΠ²Π°Π½ΠΈΠ΅ ΠΈ ΠΌΠ°ΡΠ΅ΡΠΈΠ°Π»Ρ
- ΠΠΎΠ½ΡΠ°ΠΆ ΠΏΠΎΠ΄ ΠΊΠ»ΡΡ
- 3 Π³ΠΎΠ΄Π° Π³Π°ΡΠ°Π½ΡΠΈΠΈ
ΠΠ΅ΡΠΏΠ»Π°ΡΠ½ΠΎ ΠΏΠΎΠ΄Π³ΠΎΡΠΎΠ²ΠΈΠΌ ΠΠ°ΠΌ ΠΏΡΠΎΠ΅ΠΊΡ ΠΎΡΠΎΠΏΠ»Π΅Π½ΠΈΡ ΠΈ ΡΠΌΠ΅ΡΡ
ΠΡΠΏΡΠ°Π²ΡΡΠ΅ Π½Π°ΡΠ΅ΠΌΡ ΠΈΠ½ΠΆΠ΅Π½Π΅ΡΡ ΠΏΡΠΎΠ΅ΠΊΡ Π΄ΠΎΠΌΠ° Π² Π»ΡΠ±ΠΎΠΌ ΡΠ΄ΠΎΠ±Π½ΠΎΠΌ Π²ΠΈΠ΄Π΅. ΠΠ°ΠΆΠ΅ Π΅ΡΠ»ΠΈ ΡΡΠΎ ΡΠ΅ΡΡΡΠΆ, Π½Π°ΡΠΈΡΠΎΠ²Π°Π½Π½ΡΠΉ ΠΎΡ ΡΡΠΊΠΈ
ΠΡΠΏΡΠ°Π²ΠΈΡΡ ΡΠ°ΠΉΠ» ΡΠ΅ΡΠ΅Π· WhatsApp
ΠΡΠΏΡΠ°Π²ΠΈΡΡ ΡΠ°ΠΉΠ» ΡΠ΅ΡΠ΅Π· TelegramΠΡ ΠΌΠΎΠΆΠ΅ΠΌ ΠΏΡΠΈΠΎΠ±ΡΠ΅ΡΡΠΈ ΠΎΠ±ΠΎΡΡΠ΄ΠΎΠ²Π°Π½ΠΈΠ΅ ΠΏΠΎ ΡΠ΅Π½Π΅ ΠΏΡΠΎΠΈΠ·Π²ΠΎΠ΄ΠΈΡΠ΅Π»Ρ ΠΈ Π±Π΅ΡΠΏΠ»Π°ΡΠ½ΠΎ Π΄ΠΎΡΡΠ°Π²ΠΈΡΡ Π΅Π³ΠΎ ΠΊ ΠΠ°ΠΌ Π½Π° ΠΎΠ±ΡΠ΅ΠΊΡ
ΠΠ»ΡΡΡ ΡΠ°Π±ΠΎΡΡ Ρ ΠΊΠΎΠΌΠΏΠ°Π½ΠΈΠ΅ΠΉ Teplo-Niko.ru
ΠΡ ΡΠ°Π±ΠΎΡΠ°Π΅ΠΌ Π² ΠΡΡΡΠ΅ ΠΈ ΠΏΠΎ Π²ΡΠ΅ΠΉ ΠΠΎΡΠΊΠΎΠ²ΡΠΊΠΎΠΉ ΠΎΠ±Π»Π°ΡΡΠΈ 11 Π»Π΅Ρ ΠΈ ΡΡΠΏΠ΅Π»ΠΈ Π²ΡΠΏΠΎΠ»Π½ΠΈΡΡ Π·Π° ΡΡΠΎ Π²ΡΠ΅ΠΌΡ Π±ΠΎΠ»Π΅Π΅ 480 ΠΎΠ±ΡΠ΅ΠΊΡΠΎΠ². ΠΠ»ΡΡΠ΅Π²ΡΠΌ Π΄ΠΎΡΡΠΎΠΈΠ½ΡΡΠ²ΠΎΠΌ ΠΎΠ±ΡΠ°ΡΠ΅Π½ΠΈΡ Π² Teplo-Niko Π²ΡΡΡΡΠΏΠ°Π΅Ρ ΡΠΎΡΠ΅ΡΠ°Π½ΠΈΠ΅ Π΄ΠΎΡΡΡΠΏΠ½ΡΡ ΡΠ΅Π½ ΠΈ Π²ΡΡΠΎΠΊΠΎΠ³ΠΎ ΠΊΠ°ΡΠ΅ΡΡΠ²Π° ΠΌΠΎΠ½ΡΠ°ΠΆΠ° Π΄Π²ΡΡ ΠΊΠΎΠ½ΡΡΡΠ½ΠΎΠΉ ΡΠΈΡΡΠ΅ΠΌΡ ΠΎΡΠΎΠΏΠ»Π΅Π½ΠΈΡ ΡΠ°ΡΡΠ½ΠΎΠ³ΠΎ Π΄ΠΎΠΌΠ°.
ΠΠ΅ΡΠ²ΡΠ΅ Π΄ΠΎΡΡΠΈΠ³Π°ΡΡΡΡ Π·Π° ΡΡΠ΅Ρ ΠΊΠΎΠΌΠΏΠ»Π΅ΠΊΡΠΎΠ²Π°Π½ΠΈΡ ΠΎΠ±ΡΠ΅ΠΊΡΠΎΠ² ΠΏΠΎ ΠΎΠΏΡΠΎΠ²ΡΠΌ ΡΠ°ΡΡΠ΅Π½ΠΊΠ°ΠΌ Π½Π°ΠΏΡΡΠΌΡΡ Ρ ΠΏΡΠΎΠΈΠ·Π²ΠΎΠ΄ΠΈΡΠ΅Π»Π΅ΠΉ ΠΈ Π³ΡΠ°ΠΌΠΎΡΠ½ΠΎΡΡΠΈ ΠΏΡΠΈΠ½ΡΡΡΡ ΠΈΠ½ΠΆΠ΅Π½Π΅ΡΠ½ΡΡ ΡΠ΅ΡΠ΅Π½ΠΈΠΉ.
ΠΡΠΎΡΠΎΠ΅ ΠΏΠΎΠ΄ΡΠ²Π΅ΡΠΆΠ΄Π°Π΅ΡΡΡ Π³Π°ΡΠ°Π½ΡΠΈΠ΅ΠΉ Π½Π° 3 Π³ΠΎΠ΄Π° ΠΈ Π±ΠΎΠ»ΡΡΠΈΠΌ ΠΊΠΎΠ»ΠΈΡΠ΅ΡΡΠ²ΠΎΠΌ ΠΏΠΎΠ»ΠΎΠΆΠΈΡΠ΅Π»ΡΠ½ΡΡ
ΠΎΡΠ·ΡΠ²ΠΎΠ² ΠΎ ΡΠ°Π±ΠΎΡΠ΅ ΠΊΠΎΠΌΠΏΠ°Π½ΠΈΠΈ.ΠΠΎΡΠΎΠ²Ρ Π² ΠΎΡΠ΅ΡΠ΅Π΄Π½ΠΎΠΉ ΡΠ°Π· ΠΏΡΠΎΠ΄Π΅ΠΌΠΎΠ½ΡΡΡΠΈΡΠΎΠ²Π°ΡΡ ΡΠΎΠ±ΡΡΠ²Π΅Π½Π½ΡΠΉ ΠΏΡΠΎΡΠ΅ΡΡΠΈΠΎΠ½Π°Π»ΠΈΠ·ΠΌ Π½Π° Π΄Π΅Π»Π΅.
ΠΠ΅ΡΠΏΠ»Π°ΡΠ½ΡΠΉ ΡΠ°ΡΡΡΡ
ΠΠ°ΠΊΠ°Π·ΡΠ²Π°Ρ ΡΠ°Π±ΠΎΡΡ Π² Teplo-Niko.ru ΠΡ Π³Π°ΡΠ°Π½ΡΠΈΡΠΎΠ²Π°Π½Π½ΠΎ ΠΏΠΎΠ»ΡΡΠ°Π΅ΡΠ΅
ΠΠ±ΠΎΡΡΠ΄ΠΎΠ²Π°Π½ΠΈΠ΅ ΠΏΠΎ ΡΠ΅Π½Π΅ ΠΏΡΠΎΠΈΠ·Π²ΠΎΠ΄ΠΈΡΠ΅Π»Ρ
ΠΡΠΏΠΈΠΌ Π΄Π»Ρ ΠΠ°Ρ ΠΎΠ±ΠΎΡΡΠ΄ΠΎΠ²Π°Π½ΠΈΠ΅ Π½Π°ΠΏΡΡΠΌΡΡ Ρ ΠΏΡΠΎΠΈΠ·Π²ΠΎΠ΄ΠΈΡΠ΅Π»Ρ
15% ΡΠΊΠΈΠ΄ΠΊΠΈ Π½Π° ΠΌΠΎΠ½ΡΠ°ΠΆΠ½ΡΠ΅ ΡΠ°Π±ΠΎΡΡ
ΠΠ΅ΡΠΆΠΈΠΌ ΡΠ΅Π½Ρ Π½Π° ΠΌΠΎΠ½ΡΠ°ΠΆΠ½ΡΠ΅ ΡΠ°Π±ΠΎΡΡ Π½ΠΈΠΆΠ΅ ΡΡΠ½ΠΊΠ° Π½Π° 15%
Π Π°Π±ΠΎΡΠ° ΠΏΠΎ Π΄ΠΎΠ³ΠΎΠ²ΠΎΡΡ Ρ Π³Π°ΡΠ°Π½ΡΠΈΠ΅ΠΉ 3 Π³ΠΎΠ΄Π°
ΠΠ°ΡΠΈΠΊΡΠΈΡΡΠ΅ΠΌ ΡΡΠΎΠΊΠΈ, ΡΡΠΎΠΈΠΌΠΎΡΡΡ, ΠΏΠ΅ΡΠ΅ΡΠ΅Π½Ρ ΡΠ°Π±ΠΎΡ ΠΈ ΠΌΠ°ΡΠ΅ΡΠΈΠ°Π»ΠΎΠ²
Π ΡΠ°ΠΊΠΆΠ΅:
ΠΠΈΠ΄Π΅ΠΎΠ½Π°Π±Π»ΡΠ΄Π΅Π½ΠΈΠ΅ Π½Π° ΠΎΠ±ΡΠ΅ΠΊΡΠ΅
ΠΡ ΠΏΠΎΠ½ΠΈΠΌΠ°Π΅ΠΌ, Π½Π°ΡΠΊΠΎΠ»ΡΠΊΠΎ ΠΠ°ΠΊΠ°Π·ΡΠΈΠΊΡ Π²Π°ΠΆΠ½ΠΎ Π²ΠΈΠ΄Π΅ΡΡ, ΡΡΠΎ ΠΏΡΠΎΠΈΡΡ ΠΎΠ΄ΠΈΡ Π½Π° ΠΎΠ±ΡΠ΅ΠΊΡΠ΅.
ΠΠΎΡΡΠΎΠΌΡ ΠΌΡ ΠΏΠΎΠ΄ΠΊΠ»ΡΡΠΈΠΌ Π²ΠΈΠ΄Π΅ΠΎΠ½Π°Π±Π»ΡΠ΄Π΅Π½ΠΈΠ΅, ΡΡΠΎΠ±Ρ ΠΡ ΠΌΠΎΠ³Π»ΠΈ Π½Π°Π±Π»ΡΠ΄Π°ΡΡ Π·Π° Ρ ΠΎΠ΄ΠΎΠΌ ΡΠ°Π±ΠΎΡ
ΡΠΎ ΡΠ²ΠΎΠ΅Π³ΠΎ ΡΠΌΠ°ΡΡΡΠΎΠ½Π°.ΠΠ°
11 Π»Π΅Ρ ΡΠ°Π±ΠΎΡΡ ΠΌΡ ΡΠ΅Π°Π»ΠΈΠ·ΠΎΠ²Π°Π»ΠΈ Π±ΠΎΠ»Π΅Π΅ 480 ΠΏΡΠΎΠ΅ΠΊΡΠΎΠ² ΠΏΠΎ ΠΡΡΡΠ΅ ΠΈ Π²ΡΠ΅ΠΌΡ ΠΠΎΠ΄ΠΌΠΎΡΠΊΠΎΠ²ΡΡΠΡ ΠΎΡΠΊΡΡΡΡ Π΄Π»Ρ ΠΎΠ±ΡΠ΅Π½ΠΈΡ:
8 (967) 207-07-87
8 (495) 188-77-87
Previous NextΠ‘Π΅ΡΡΡΠ·Π½ΠΎ ΠΏΠΎΠ΄Ρ ΠΎΠ΄ΠΈΠΌ ΠΊ Π΄Π΅Π»Ρ
8
ΠΡΠΈΠ³Π°Π΄ ΡΠ΅ΡΡΠΈΡΠΈΡΠΈΡΠΎΠ²Π°Π½Π½ΡΡ ΡΠΏΠ΅ΡΠΈΠ°Π»ΠΈΡΡΠΎΠ²
11
ΠΠ΅Ρ Π½Π° ΡΡΠ½ΠΊΠ΅ ΠΈΠ½ΠΆΠ΅Π½Π΅ΡΠΈΠΈ Π·Π°Π³ΠΎΡΠΎΠ΄Π½ΡΡ Π΄ΠΎΠΌΠΎΠ²
480+
Π Π΅Π°Π»ΠΈΠ·ΠΎΠ²Π°Π½Π½ΡΡ ΠΏΡΠΎΠ΅ΠΊΡΠΎΠ² ΠΏΠΎ ΠΡΡΡΠ΅ ΠΈ Π²ΡΠ΅ΠΌΡ ΠΠΎΠ΄ΠΌΠΎΡΠΊΠΎΠ²ΡΡ
3
ΠΠΎΠ΄Π° Π³Π°ΡΠ°Π½ΡΠΈΠΈ Π½Π° Π²ΡΠΏΠΎΠ»Π½Π΅Π½Π½ΡΠ΅ ΠΌΠΎΠ½ΡΠ°ΠΆΠ½ΡΠ΅ ΡΠ°Π±ΠΎΡΡ
Π Π΅ΡΠ°Π΅ΠΌ ΠΊΠ»ΡΡΠ΅Π²ΡΠ΅ Π·Π°Π΄Π°ΡΠΈ ΠΈΠ½ΠΆΠ΅Π½Π΅ΡΠΈΠΈ Π·Π°Π³ΠΎΡΠΎΠ΄Π½ΠΎΠ³ΠΎ Π΄ΠΎΠΌΠ°
ΠΡΠΎΠΏΠ»Π΅Π½ΠΈΠ΅ ΠΏΠΎΠ΄ ΠΊΠ»ΡΡ
ΠΠΎΠ½ΡΠ°ΠΆ ΠΏΠΎΠ΄ ΠΊΠ»ΡΡ, ΡΠ°ΡΡΠ΅Ρ ΠΎΠ±ΠΎΡΡΠ΄ΠΎΠ²Π°Π½ΠΈΡ, ΠΊΠΎΡΠ΅Π»ΡΠ½ΠΎΠΉ, ΡΡΠΏΠ»ΡΠΉ ΠΏΠΎΠ»
ΠΠΎΠ΄ΠΎΡΠ½Π°Π±ΠΆΠ΅Π½ΠΈΠ΅
ΠΈΠΠ°Π½Π°Π»ΠΈΠ·Π°ΡΠΈΡ
ΠΡΡΠ΅Π½ΠΈΠ΅ ΡΠΊΠ²Π°ΠΆΠΈΠ½Ρ, ΡΠ°Π·Π²ΠΎΠ΄ΠΊΠ° ΡΡΡΠ±, ΡΡΡΠ°Π½ΠΎΠ²ΠΊΠ° ΡΠΌΠ΅ΡΠΈΡΠ΅Π»Π΅ΠΉ, ΠΏΠΎΠ΄ΠΊΠ»ΡΡΠ΅Π½ΠΈΠ΅ ΡΠ°Π½ΡΠ΅Ρ Π½ΠΈΠΊΠΈ
ΠΠ»Π΅ΠΊΡΡΠΎΠΌΠΎΠ½ΡΠ°ΠΆ
ΠΠΎΠ½ΡΠ°ΠΆ ΡΠ»Π΅ΠΊΡΡΠΎΠΏΡΠΎΠ²ΠΎΠ΄ΠΊΠΈ, Π·Π°Π·Π΅ΠΌΠ»Π΅Π½ΠΈΡ, ΡΠΈΡΠΊΠ° Π² Π΄ΠΎΠΌΠ΅ ΠΏΠΎΠ΄ ΠΊΠ»ΡΡ
ΠΡΡ ΠΈΠ½ΠΆΠ΅Π½Π΅ΡΠΈΡ Π² Π΄ΠΎΠΌΠ΅ ΠΏΠΎΠ΄ ΠΊΠ»ΡΡ
ΠΠ°ΡΠ΅ ΠΈΠΌΡ
ΠΠ°Ρ ΡΠ΅Π»Π΅ΡΠΎΠ½
ΠΠ΅ΡΠΏΠ»Π°ΡΠ½ΡΠΉ ΡΠ°ΡΡΡΡ ΠΈ Π²ΡΠ΅Π·Π΄ ΠΈΠ½ΠΆΠ΅Π½Π΅ΡΠ°
ΠΡΡΠ°Π²ΡΡΠ΅ Π·Π°ΡΠ²ΠΊΡ
ΠΈ ΠΏΠΎΠ»ΡΡΠΈΡΠ΅ Π±Π΅ΡΠΏΠ»Π°ΡΠ½ΠΎ:- ΠΡΠ΅Π·Π΄ ΠΈΠ½ΠΆΠ΅Π½Π΅ΡΠ°
- Π Π°ΡΡΡΡ ΡΠΌΠ΅ΡΡ
- ΠΠΎΠ΄Π±ΠΎΡ ΠΎΠ±ΠΎΡΡΠ΄ΠΎΠ²Π°Π½ΠΈΡ
ΠΠ°ΡΠ΅ ΠΈΠΌΡ
ΠΠ°Ρ ΡΠ΅Π»Π΅ΡΠΎΠ½
ΠΠ΅ΡΠΏΠ»Π°ΡΠ½ΡΠΉ ΡΠ°ΡΡΡΡ ΠΈ Π²ΡΠ΅Π·Π΄ ΠΈΠ½ΠΆΠ΅Π½Π΅ΡΠ°
ΠΎΠ±Π·ΠΎΡ Π»ΡΡΡΠΈΡ Π²Π°ΡΠΈΠ°Π½ΡΠΎΠ² ΠΈ ΠΈΡ ΡΡΠ°Π²Π½Π΅Π½ΠΈΠ΅ ΠΌΠ΅ΠΆΠ΄Ρ ΡΠΎΠ±ΠΎΠΉ
ΠΡ ΡΡΡΠΎΠΈΡΠ΅ Π½ΠΎΠ²ΡΠΉ ΠΈΠ»ΠΈ ΡΠ΅ΠΌΠΎΠ½ΡΠΈΡΡΠ΅ΡΠ΅ ΡΡΠ°ΡΡΠΉ Π΄ΠΎΠΌ, ΠΈ Π΄Π΅Π»ΠΎ Π΄ΠΎΡΠ»ΠΎ Π΄ΠΎ ΡΠΈΡΡΠ΅ΠΌΡ ΠΎΡΠΎΠΏΠ»Π΅Π½ΠΈΡ? ΠΠ΅ Π·Π½Π°Π΅ΡΠ΅, ΠΊΠ°ΠΊΠΎΠΉ ΡΠΈΠΏ ΠΏΡΠΎΠ²ΠΎΠ΄ΠΊΠΈ Π»ΡΡΡΠ΅ Π²ΡΠ±ΡΠ°ΡΡ? ΠΡΠ°Π²ΠΈΠ»ΡΠ½ΠΎ ΡΠΏΡΠΎΠ΅ΠΊΡΠΈΡΠΎΠ²Π°Π½Π½Π°Ρ ΡΡ
Π΅ΠΌΠ° ΠΎΡΠΎΠΏΠ»Π΅Π½ΠΈΡ ΠΎΡ Π³Π°Π·ΠΎΠ²ΠΎΠ³ΠΎ ΠΊΠΎΡΠ»Π° Π² Π΄Π²ΡΡ
ΡΡΠ°ΠΆΠ½ΠΎΠΌ Π΄ΠΎΠΌΠ΅ β Π·Π°Π»ΠΎΠ³ Π½Π΅ ΡΠΎΠ»ΡΠΊΠΎ ΡΠ΅ΠΏΠ»Π° ΠΈ ΠΊΠΎΠΌΡΠΎΡΡΠ° Π·ΠΈΠΌΠΎΠΉ, Π½ΠΎ ΠΈ Π±Π΅ΡΠΏΠ΅ΡΠ΅Π±ΠΎΠΉΠ½ΠΎΠΉ ΡΠ°Π±ΠΎΡΡ ΠΎΠ±ΠΎΡΡΠ΄ΠΎΠ²Π°Π½ΠΈΡ.
ΠΡΠ°ΠΌΠΎΡΠ½ΡΠΉ ΠΏΡΠΎΠ΅ΠΊΡ ΠΎΡΠΎΠΏΠ»Π΅Π½ΠΈΡ ΡΡΠΈΡΡΠ²Π°Π΅Ρ ΠΌΠ½ΠΎΠΆΠ΅ΡΡΠ²ΠΎ ΡΠ°ΠΊΡΠΎΡΠΎΠ² β ΠΎΡ ΠΊΠ»ΠΈΠΌΠ°ΡΠ° ΠΈ ΡΠΈΠ½Π°Π½ΡΠΎΠ²ΡΡ Π²ΠΎΠ·ΠΌΠΎΠΆΠ½ΠΎΡΡΠ΅ΠΉ, Π΄ΠΎ Π½Π΅ΠΎΠ±Ρ ΠΎΠ΄ΠΈΠΌΠΎΡΡΠΈ Π΄ΠΎΠ²ΠΎΠ΄ΠΊΠΈ ΠΈ ΡΡΡΠ΅ΡΠΈΡΠ΅ΡΠΊΠΈΡ Π²ΠΎΠΏΡΠΎΡΠΎΠ². Π ΡΡΠΎΠΉ ΡΡΠ°ΡΡΠ΅ ΠΌΡ ΠΏΠΎΠ΄ΡΠΎΠ±Π½ΠΎ ΡΠ°Π·Π±Π΅ΡΠ΅ΠΌ Π²ΡΠ΅ Π²ΠΎΠ·ΠΌΠΎΠΆΠ½ΡΠ΅ Π²ΠΈΠ΄Ρ ΡΠΈΡΡΠ΅ΠΌ ΠΎΡΠΎΠΏΠ»Π΅Π½ΠΈΡ, ΠΏΡΠΈΠ²Π΅Π΄Π΅ΠΌ ΠΈ ΡΡΠ°Π²Π½ΠΈΠΌ Π³ΠΎΡΠΎΠ²ΡΠ΅ ΡΡ Π΅ΠΌΡ Ρ Π½Π°ΠΈΠ±ΠΎΠ»Π΅Π΅ ΡΠ΄Π°ΡΠ½ΡΠΌ Π½Π°Π±ΠΎΡΠΎΠΌ ΠΏΠ°ΡΠ°ΠΌΠ΅ΡΡΠΎΠ² Π΄Π»Ρ ΡΠ°Π·Π½ΡΡ ΡΠ»ΡΡΠ°Π΅Π², Π° ΡΠ°ΠΊΠΆΠ΅ ΡΠΊΠ°ΠΆΠ΅ΠΌ Π²ΠΎΠ·ΠΌΠΎΠΆΠ½ΠΎΡΡΡ ΠΈΡ ΠΌΠΎΠ΄ΠΈΡΠΈΠΊΠ°ΡΠΈΠΈ.
Π‘ΠΎΠ΄Π΅ΡΠΆΠ°Π½ΠΈΠ΅ ΡΡΠ°ΡΡΠΈ:
- Π’ΠΈΠΏΡ ΡΠΈΡΡΠ΅ΠΌ ΡΠ°ΡΡΠ½ΠΎΠ³ΠΎ Π³Π°Π·ΠΎΠ²ΠΎΠ³ΠΎ ΠΎΡΠΎΠΏΠ»Π΅Π½ΠΈΡ
- ΠΠ΄Π½ΠΎΡΡΡΠ±Π½ΡΠ΅ ΠΈ Π΄Π²ΡΡ ΡΡΡΠ±Π½ΡΠ΅ ΡΡ Π΅ΠΌΡ ΠΏΠΎΠ΄ΠΊΠ»ΡΡΠ΅Π½ΠΈΡ
- ΠΡΠΊΡΡΡΡΠ΅ ΠΈ Π·Π°ΠΊΡΡΡΡΠ΅ ΡΠΈΡΡΠ΅ΠΌΡ
- ΠΠΎ ΡΠΈΠΏΡ ΠΎΡΠΎΠΏΠΈΡΠ΅Π»ΡΠ½ΡΡ ΠΏΡΠΈΠ±ΠΎΡΠΎΠ²
- ΠΠΎ ΡΠΈΠΏΡ ΡΠΈΡΠΊΡΠ»ΡΡΠΈΠΈ ΡΠ΅ΠΏΠ»ΠΎΠ½ΠΎΡΠΈΡΠ΅Π»Ρ 90 009 ΠΠΎΡΠΈΠ·ΠΎΠ½ΡΠ°Π»ΡΠ½ΡΠΉ ΠΈ Π²Π΅ΡΡΠΈΠΊΠ°Π»ΡΠ½ΡΠΉ ΡΠ»Π΅ΠΊΡΡΠΎΠΏΡΠΎΠ²ΠΎΠ΄ΠΊΠ°
- ΠΠ΅Π½ΠΈΠ½Π³ΡΠ°Π΄ΠΊΠ° ΠΎΠ΄Π½ΠΎΡΡΡΠ±Π½Π°Ρ — Π½Π°Π΄Π΅ΠΆΠ½ΠΎ ΠΈ Π΄Π΅ΡΠ΅Π²ΠΎ
- ΠΠ΅ΡΠ»Ρ Π’ΠΈΡ Π΅Π»ΡΠΌΠ°Π½Π° Ρ ΠΏΡΠΈΠ½ΡΠ΄ΠΈΡΠ΅Π»ΡΠ½ΠΎΠΉ ΡΠΈΡΠΊΡΠ»ΡΡΠΈΠ΅ΠΉ
- ΠΠΎΠ΄ΠΊΠ»ΡΡΠ΅Π½ΠΈΠ΅ ΠΊΠΎΠ»Π»Π΅ΠΊΡΠΎΡΠΎΠ² ΠΈ ΡΠΌΠ΅ΡΠ°Π½Π½ΡΠ΅ ΡΠΈΡΡΠ΅ΠΌΡ
- ΠΠ΅ΡΡΠΈΠΊΠ°Π»ΡΠ½Π°Ρ Π³ΡΠ°Π²ΠΈΡΠ°ΡΠΈΠΎΠ½Π½Π°Ρ ΡΡ Π΅ΠΌΠ°
ΠΠΈΠ΄Ρ ΡΠ°ΡΡΠ½ΡΡ ΡΠΈΡΡΠ΅ΠΌ Π³Π°Π·ΠΎΠ²ΠΎΠ³ΠΎ ΠΎΡΠΎΠΏΠ»Π΅Π½ΠΈΡ
Π‘ΡΡΠ΅ΡΡΠ²ΡΠ΅Ρ ΠΌΠ½ΠΎΠΆΠ΅ΡΡΠ²ΠΎ ΠΏΠ°ΡΠ°ΠΌΠ΅ΡΡΠΎΠ², ΠΎΠΏΡΠ΅Π΄Π΅Π»ΡΡΡΠΈΡ
ΡΠΈΠΏ ΡΠΈΡΡΠ΅ΠΌΠ° ΠΎΡΠΎΠΏΠ»Π΅Π½ΠΈΡ, ΠΊΠ°ΠΊ ΠΎΡΠ½ΠΎΠ²Π½ΠΎΠΉ Π³Π΅Π½Π΅ΡΠ°ΡΠΎΡ ΡΠ΅ΠΏΠ»Π° β ΡΡΠΎ ΡΠΎΠ»ΡΠΊΠΎ ΠΏΠ΅ΡΠ²ΡΠΉ ΡΠ°Π³.
ΠΠΎΠΆΠ½ΠΎ ΠΎΠ±ΠΎΡΡΠ΄ΠΎΠ²Π°ΡΡ ΠΊΠΎΠ½ΡΡΡ ΠΎΡΠΎΠΏΠ»Π΅Π½ΠΈΡ, ΡΠΎΠ΅Π΄ΠΈΠ½ΠΈΠ² Π²ΡΠ΅ ΠΏΡΠΈΠ±ΠΎΡΡ ΠΎΠ΄Π½ΠΎΠΉ ΡΡΡΠ±ΠΎΠΉ, ΠΈΠ»ΠΈ ΠΏΡΠΎΠ²Π΅ΡΡΠΈ ΠΎΡΠ΄Π΅Π»ΡΠ½ΡΠ΅ Π»ΠΈΠ½ΠΈΠΈ ΠΏΠΎΠ΄Π°ΡΠΈ ΠΈ ΠΎΠ±ΡΠ°ΡΠΊΠΈ.
Π’Π°ΠΊΠΆΠ΅ ΡΡΡΠΎΠ΅Π½ΠΈΠ΅ ΡΠΈΡΡΠ΅ΠΌΡ Π·Π°Π²ΠΈΡΠΈΡ ΠΎΡ ΠΈΡΠΏΠΎΠ»ΡΠ·ΡΠ΅ΠΌΡΡ ΠΎΡΠΎΠΏΠΈΡΠ΅Π»ΡΠ½ΡΡ ΠΏΡΠΈΠ±ΠΎΡΠΎΠ², ΡΠ°ΠΊΠΈΡ ΠΊΠ°ΠΊ ΡΠ°ΡΡΠΈΡΠΈΡΠ΅Π»ΡΠ½ΡΠΉ Π±Π°ΠΊ, ΠΏΠ»Π°Π½ΠΈΡΠΎΠ²ΠΊΠΈ ΠΈ ΠΏΠ»ΠΎΡΠ°Π΄ΠΈ Π΄ΠΎΠΌΠ°. ΠΡΠΎΠΌΠ΅ ΡΠΎΠ³ΠΎ, ΠΌΠΎΠΆΠ½ΠΎ ΡΠ°Π·Π΄Π΅Π»ΠΈΡΡ ΡΠΈΡΡΠ΅ΠΌΡ Π½Π° Π½Π΅ΡΠΊΠΎΠ»ΡΠΊΠΎ ΠΎΡΠ΄Π΅Π»ΡΠ½ΡΡ ΠΊΠΎΠ½ΡΡΡΠΎΠ² ΠΈ ΠΏΡΠ΅Π΄ΡΡΠΌΠΎΡΡΠ΅ΡΡ Π²ΠΎΠ·ΠΌΠΎΠΆΠ½ΠΎΡΡΡ Π΅ΡΡΠ΅ΡΡΠ²Π΅Π½Π½ΠΎΠΉ ΡΠΈΡΠΊΡΠ»ΡΡΠΈΠΈ Π½Π° ΡΠ»ΡΡΠ°ΠΉ ΠΎΡΠΊΠ»ΡΡΠ΅Π½ΠΈΡ ΡΠ»Π΅ΠΊΡΡΠΎΡΠ½Π΅ΡΠ³ΠΈΠΈ ΠΈ ΠΌΠ½ΠΎΠ³ΠΎΠ΅ Π΄ΡΡΠ³ΠΎΠ΅.
ΠΡΠ°Π²ΠΈΠ»ΡΠ½ΠΎ ΡΠΏΡΠΎΠ΅ΠΊΡΠΈΡΠΎΠ²Π°Π½Π½Π°Ρ ΠΈ ΡΡΡΠ°Π½ΠΎΠ²Π»Π΅Π½Π½Π°Ρ ΠΊΠΎΡΠ΅Π»ΡΠ½Π°Ρ β Π·Π°Π»ΠΎΠ³ ΠΊΠΎΠΌΡΠΎΡΡΠ½ΠΎΠΉ ΡΠ΅ΠΌΠΏΠ΅ΡΠ°ΡΡΡΡ Π² Π΄ΠΎΠΌΠ΅ Π² ΠΎΡΠΎΠΏΠΈΡΠ΅Π»ΡΠ½ΡΠΉ ΠΏΠ΅ΡΠΈΠΎΠ΄ ΠΈ Π±Π΅ΡΠΏΠ΅ΡΠ΅Π±ΠΎΠΉΠ½ΠΎΠΉ ΡΠ°Π±ΠΎΡΡ ΠΎΠ±ΠΎΡΡΠ΄ΠΎΠ²Π°Π½ΠΈΡ
ΠΠΎΠ΄ΡΠΎΠ±Π½Π΅Π΅ Π²ΡΠ΅ Π²ΠΎΠ·ΠΌΠΎΠΆΠ½ΠΎΡΡΠΈ, ΠΏΡΠ΅ΠΈΠΌΡΡΠ΅ΡΡΠ²Π° ΠΈ Π½Π΅Π΄ΠΎΡΡΠ°ΡΠΊΠΈ ΠΊΠ°ΠΆΠ΄ΠΎΠ³ΠΎ ΡΠΈΠΏΠ° ΡΠΈΡΡΠ΅ΠΌΡ ΠΌΡ ΡΠ°ΡΡΠΌΠΎΡΡΠΈΠΌ Π½ΠΈΠΆΠ΅.
ΠΠ΄Π½ΠΎ- ΠΈ Π΄Π²ΡΡ ΡΡΡΠ±Π½ΡΠ΅ ΡΡ Π΅ΠΌΡ ΠΏΠΎΠ΄ΠΊΠ»ΡΡΠ΅Π½ΠΈΡ
ΠΠ½ΡΡΡΠΈ ΡΡΠΈΡ Π΄Π²ΡΡ ΡΠΈΠΏΠΎΠ² ΠΌΠΎΠΆΠ½ΠΎ Π²ΡΠ΄Π΅Π»ΠΈΡΡ 5 ΡΡ Π΅ΠΌ ΠΏΠΎΠ΄ΠΊΠ»ΡΡΠ΅Π½ΠΈΡ.
Π Π°ΡΡΠΌΠΎΡΡΠΈΠΌ ΠΈΡ Π² ΠΏΠΎΡΡΠ΄ΠΊΠ΅ Π²ΠΎΠ·ΡΠ°ΡΡΠ°Π½ΠΈΡ ΡΠ»ΠΎΠΆΠ½ΠΎΡΡΠΈ ΠΈ ΡΡΠΎΠΈΠΌΠΎΡΡΠΈ:
- ΠΡΠΎΡΡΠ°Ρ ΠΎΠ΄Π½ΠΎΡΡΡΠ±Π½Π°Ρ.
- ΠΠ΄Π½ΠΎΡΡΡΠ±Π½Π°Ρ Β«ΠΠ΅Π½ΠΈΠ½Π³ΡΠ°Π΄ΠΊΠ°Β».
- ΠΠ²ΠΎΠΉΠ½ΠΎΠΉ ΡΡΠΏΠΈΠΊ.
- «ΠΠ΅ΡΠ»Ρ Π’ΠΈΡ
Π΅Π»ΡΠΌΠ°Π½Π°».

- .
ΠΡΠΎΡΡΠ΅ΠΉΡΠ΅Π΅ ΠΏΠΎΠ΄ΠΊΠ»ΡΡΠ΅Π½ΠΈΠ΅ ΡΠ°Π΄ΠΈΠ°ΡΠΎΡΠΎΠ² ΠΏΠΎΠ΄ΡΠ°Π·ΡΠΌΠ΅Π²Π°Π΅Ρ ΠΏΠΎΠΏΠ°Π΄Π°Π½ΠΈΠ΅ ΡΠ΅ΠΏΠ»ΠΎΠ½ΠΎΡΠΈΡΠ΅Π»Ρ Π²ΠΎ Π²ΡΠΎΡΠΎΠΉ ΡΠ°Π΄ΠΈΠ°ΡΠΎΡ ΡΠΎΠ»ΡΠΊΠΎ ΠΏΠΎΡΠ»Π΅ ΠΏΡΠΎΡ ΠΎΠΆΠ΄Π΅Π½ΠΈΡ ΠΏΠ΅ΡΠ²ΠΎΠ³ΠΎ ΠΈ ΡΠ°ΠΊ Π΄Π°Π»Π΅Π΅. Π ΡΠ°ΠΊΡΡ ββΡΠΈΡΡΠ΅ΠΌΡ ΠΌΠΎΠΆΠ½ΠΎ Π²ΠΊΠ»ΡΡΠΈΡΡ ΠΈ ΡΠ΅ΠΏΠ»ΡΠΉ ΠΏΠΎΠ» β ΠΎΠ½ ΠΏΠΎΠ΄ΠΊΠ»ΡΡΠ°Π΅ΡΡΡ ΠΏΠΎΡΠ»Π΅Π΄Π½ΠΈΠΌ, ΠΎΡ ΠΎΠ±ΡΠ°ΡΠΊΠΈ ΡΠ°ΠΌΠΎΠΉ Π΄Π°Π»ΡΠ½Π΅ΠΉ Π±Π°ΡΠ°ΡΠ΅ΠΈ.
ΠΡΠΎΡ Π²Π°ΡΠΈΠ°Π½Ρ ΠΏΠΎΠ·Π²ΠΎΠ»ΡΠ΅Ρ ΠΌΠ°ΠΊΡΠΈΠΌΠ°Π»ΡΠ½ΠΎ ΡΡΠΊΠΎΠ½ΠΎΠΌΠΈΡΡ Π½Π° ΡΡΡΠ±Π°Ρ , ΡΠΈΡΠΈΠ½Π³Π°Ρ ΠΈ Π°ΡΠΌΠ°ΡΡΡΠ΅, Π° ΡΠ°ΠΊΠΆΠ΅ Π³Π°ΡΠ°Π½ΡΠΈΡΡΠ΅Ρ ΠΏΡΠΎΡ ΠΎΠΆΠ΄Π΅Π½ΠΈΠ΅ ΡΠ΅ΠΏΠ»ΠΎΠ½ΠΎΡΠΈΡΠ΅Π»Ρ ΡΠ΅ΡΠ΅Π· Π²ΡΠ΅ ΡΠ°Π΄ΠΈΠ°ΡΠΎΡΡ
ΠΡΠΎΡΡΡΡ ΠΎΠ΄Π½ΠΎΡΡΡΠ±Π½ΡΡ ΡΡ Π΅ΠΌΡ ΠΌΠΎΠΆΠ½ΠΎ Π½Π΅ ΡΠΎΠ»ΡΠΊΠΎ ΡΠΎΡΡΠ°Π²ΠΈΡΡ ΠΈ ΡΠ°ΡΡΡΠΈΡΠ°ΡΡ, Π½ΠΎ ΠΈ ΡΠΌΠΎΠ½ΡΠΈΡΠΎΠ²Π°ΡΡ ΡΠ°ΠΌΠΎΡΡΠΎΡΡΠ΅Π»ΡΠ½ΠΎ. ΠΡΠΎΠΌΠ΅ ΡΠΎΠ³ΠΎ, Π΅Π³ΠΎ Π»Π΅Π³ΠΊΠΎ ΠΎΠ±ΠΎΡΡΠ΄ΠΎΠ²Π°ΡΡ Π²ΠΎΠ·ΠΌΠΎΠΆΠ½ΠΎΡΡΡΡ Π΅ΡΡΠ΅ΡΡΠ²Π΅Π½Π½ΠΎΠΉ ΡΠΈΡΠΊΡΠ»ΡΡΠΈΠΈ.
ΠΠ΄Π½Π°ΠΊΠΎ Ρ ΡΠ°ΠΊΠΎΠΉ ΡΠΈΡΡΠ΅ΠΌΡ Π΅ΡΡΡ ΡΠ΅ΡΡΠ΅Π·Π½ΡΠΉ Π½Π΅Π΄ΠΎΡΡΠ°ΡΠΎΠΊ: ΡΠ΅ΠΌΠΏΠ΅ΡΠ°ΡΡΡΠ° Ρ ΠΊΠ°ΠΆΠ΄ΠΎΠΉ Π±Π°ΡΠ°ΡΠ΅Π΅ΠΉ Π·Π°ΠΌΠ΅ΡΠ½ΠΎ ΡΠ½ΠΈΠΆΠ°Π΅ΡΡΡ, ΠΈ ΠΎΡΡΠ΅Π³ΡΠ»ΠΈΡΠΎΠ²Π°ΡΡ Π΅Π΅ Π½Π΅Π²ΠΎΠ·ΠΌΠΎΠΆΠ½ΠΎ. ΠΡΠ»ΠΈ ΡΠ΅ΡΠΌΠΎΡΠ΅Π³ΡΠ»ΠΈΡΡΡΡΠΈΠΉ ΠΊΠ»Π°ΠΏΠ°Π½ ΠΎΠ³ΡΠ°Π½ΠΈΡΠΈΠ²Π°Π΅Ρ ΡΠ΅ΠΌΠΏΠ΅ΡΠ°ΡΡΡΡ ΠΏΠΎΠ΄Π°ΡΠΈ ΠΊ ΠΏΠ΅ΡΠ²ΠΎΠΌΡ ΡΠ°Π΄ΠΈΠ°ΡΠΎΡΡ, ΡΠΎ ΡΠ΅ΠΌΠΏΠ΅ΡΠ°ΡΡΡΠ° Π²ΠΎ Π²ΡΠ΅Ρ ΡΠ½ΠΈΠΆΠ°Π΅ΡΡΡ ΠΏΡΠΎΠΏΠΎΡΡΠΈΠΎΠ½Π°Π»ΡΠ½ΠΎ — ΡΠ°ΡΡΠΈΡΠ½ΠΎ ΠΏΠΎΠΌΠΎΠ³Π°Π΅Ρ ΡΠΎΠ»ΡΠΊΠΎ ΡΠ²Π΅Π»ΠΈΡΠ΅Π½ΠΈΠ΅ ΠΊΠΎΠ»ΠΈΡΠ΅ΡΡΠ²Π° ΡΠ΅ΠΊΡΠΈΠΉ ΠΏΠΎΡΠ»Π΅Π΄Π½ΠΈΡ ΡΠ°Π΄ΠΈΠ°ΡΠΎΡΠΎΠ².
ΠΠΎ Π² Π΄Π²ΡΡ
ΡΡΠ°ΠΆΠ½ΡΡ
Π΄ΠΎΠΌΠ°Ρ
, ΠΊΠ°ΠΊ ΠΏΡΠ°Π²ΠΈΠ»ΠΎ, ΠΏΠ»ΠΎΡΠ°Π΄Ρ ΡΠΎΠ»ΠΈΠ΄Π½Π°Ρ ΠΈ ΡΠΈΡΡΠ΅ΠΌΡ ΡΠ»ΠΈΡΠΊΠΎΠΌ Π΄Π»ΠΈΠ½Π½ΡΠ΅, ΡΡΠΎΠ±Ρ ΡΠ°ΠΊΠ°Ρ ΡΡ
Π΅ΠΌΠ° ΡΠ°Π±ΠΎΡΠ°Π»Π° ΠΏΡΠΎΠ΄ΡΠΊΡΠΈΠ²Π½ΠΎ.
ΠΠ·-Π·Π° Π½Π΅Π²ΠΎΠ·ΠΌΠΎΠΆΠ½ΠΎΡΡΠΈ Π½Π°ΡΡΡΠΎΠΉΠΊΠΈ ΠΏΡΠΎΡΡΠ°Ρ ΠΎΠ΄Π½ΠΎΡΡΡΠ±Π½Π°Ρ ΡΠΈΡΡΠ΅ΠΌΠ° ΠΏΡΠ°ΠΊΡΠΈΡΠ΅ΡΠΊΠΈ Π½Π΅ ΠΈΡΠΏΠΎΠ»ΡΠ·ΡΠ΅ΡΡΡ.
Π£ΡΠΎΠ²Π΅ΡΡΠ΅Π½ΡΡΠ²ΠΎΠ²Π°Π½Π½Π°Ρ ΠΎΠ΄Π½ΠΎΡΡΡΠ±Π½Π°Ρ ΡΡ Π΅ΠΌΠ°, ΡΠ°ΠΊ Π½Π°Π·ΡΠ²Π°Π΅ΠΌΠ°Ρ Β«Π»Π΅Π½ΠΈΠ½Π³ΡΠ°Π΄ΠΊΠ°Β», ΠΏΡΠ΅Π΄ΡΡΠΌΠ°ΡΡΠΈΠ²Π°Π΅Ρ Π½Π° ΠΊΠ°ΠΆΠ΄ΡΠΉ ΡΠ°Π΄ΠΈΠ°ΡΠΎΡ. Π’Π°ΠΊΠΈΠΌ ΠΎΠ±ΡΠ°Π·ΠΎΠΌ, ΡΠ°ΡΡΡ ΠΎΡ Π»Π°ΠΆΠ΄Π°ΡΡΠ΅ΠΉ ΠΆΠΈΠ΄ΠΊΠΎΡΡΠΈ ΠΏΡΠΎΡ ΠΎΠ΄ΠΈΡ ΠΌΠΈΠΌΠΎ ΡΠ°Π΄ΠΈΠ°ΡΠΎΡΠ°, Π° Π² ΡΠΎΡΠ΅Π΄Π½ΠΈΠΉ ΠΏΠΎΠΏΠ°Π΄Π°Π΅Ρ Π±ΠΎΠ»Π΅Π΅ Π³ΠΎΡΡΡΠ°Ρ ΡΠΌΠ΅ΡΡ.
Π£ΡΡΠ°Π½ΠΎΠ²ΠΊΠΎΠΉ ΡΠ΅Π³ΡΠ»ΠΈΡΡΡΡΠ΅ΠΉ ΠΈ Π·Π°ΠΏΠΎΡΠ½ΠΎΠΉ Π°ΡΠΌΠ°ΡΡΡΡ Π½Π° ΠΏΠΎΠ΄Π°ΡΠ΅, ΠΎΠ±ΡΠ°ΡΠΊΠ΅ ΠΈ Π±Π°ΠΉΠΏΠ°ΡΠ΅ ΠΊΠ°ΠΆΠ΄ΠΎΠΉ Π±Π°ΡΠ°ΡΠ΅ΠΈ ΠΌΠΎΠΆΠ½ΠΎ ΡΠ΅Π³ΡΠ»ΠΈΡΠΎΠ²Π°ΡΡ ΡΠ΅ΠΌΠΏΠ΅ΡΠ°ΡΡΡΡ Π² ΠΎΡΠ΄Π΅Π»ΡΠ½ΡΡ ΠΏΠΎΠΌΠ΅ΡΠ΅Π½ΠΈΡΡ
ΠΡΠ»ΠΈ Π² ΡΡ Π΅ΠΌΡ Π΄ΠΎΠ±Π°Π²ΠΈΡΡ ΠΊΡΠ°Π½Ρ ΠΈ ΡΠ΅ΡΠΌΠΎΡΠ΅Π³ΡΠ»ΡΡΠΎΡΡ, ΡΠΎ ΠΏΠΎΠ»ΡΡΠΈΡΡΡ ΡΠΈΡΡΠ΅ΠΌΠ°, ΡΡΠ΅Π΄Π½ΡΡ ΠΏΠΎ ΡΠ΅Π½Π΅ ΠΈ ΡΡΠ½ΠΊΡΠΈΠΎΠ½Π°Π»Ρ ΠΌΠ΅ΠΆΠ΄Ρ ΠΏΡΠΎΡΡΠΎΠΉ ΠΎΠ΄Π½ΠΎΡΡΡΠ±Π½ΠΎΠΉ ΠΈ Π΄Π²ΡΡ ΡΡΡΠ±Π½ΠΎΠΉ — Π΄ΠΎΡΡΠ°ΡΠΎΡΠ½ΠΎ ΠΏΠΎΠΏΡΠ»ΡΡΠ½ΠΎΠ΅ ΡΠ΅ΡΠ΅Π½ΠΈΠ΅.
ΠΠ²ΡΡ ΡΡΡΠ±Π½Π°Ρ ΡΠΈΡΡΠ΅ΠΌΠ° ΠΏΡΠ΅Π΄ΠΏΠΎΠ»Π°Π³Π°Π΅Ρ ΡΠ°Π·Π΄Π΅Π»Π΅Π½ΠΈΠ΅ ΠΏΠΎΠ΄Π°ΡΠΈ ΠΈ ΠΎΠ±ΡΠ°ΡΠΊΠΈ Π½Π° Π΄Π²Π΅ ΠΎΡΠ΄Π΅Π»ΡΠ½ΡΠ΅ ΡΡΡΠ±Ρ, ΠΏΠΎΠ΄ΡΠΎΠ΅Π΄ΠΈΠ½Π΅Π½Π½ΡΠ΅ ΠΊ ΠΊΠ°ΠΆΠ΄ΠΎΠΌΡ ΡΠ°Π΄ΠΈΠ°ΡΠΎΡΡ. ΠΠ°ΡΠ΅ΡΠΈΠ°Π»ΠΎΠ² ΠΏΠΎΡΡΠ΅Π±ΡΠ΅ΡΡΡ Π³ΠΎΡΠ°Π·Π΄ΠΎ Π±ΠΎΠ»ΡΡΠ΅, Π½ΠΎ Π³ΠΎΡΡΡΠΈΠΉ ΡΠ΅ΠΏΠ»ΠΎΠ½ΠΎΡΠΈΡΠ΅Π»Ρ Π½Π΅ Π±ΡΠ΄Π΅Ρ ΡΠΌΠ΅ΡΠΈΠ²Π°ΡΡΡΡ Ρ ΠΎΠ±ΡΠ°ΡΠΊΠΎΠΉ, Π° ΠΏΠΎΡΠΎΠΌΡ ΡΡΡΠ΅ΠΊΡΠΈΠ²Π½ΠΎ ΠΏΡΠΎΠ³ΡΠ΅Π΅Ρ Π³ΠΎΡΠ°Π·Π΄ΠΎ Π±ΠΎΠ»ΡΡΠ΅Π΅ ΠΊΠΎΠ»ΠΈΡΠ΅ΡΡΠ²ΠΎ Π°ΠΊΠΊΡΠΌΡΠ»ΡΡΠΎΡΠΎΠ².
Π’ΡΠΏΠΈΠΊΠΎΠ²ΡΠ΅ ΠΎΡΠ²Π΅ΡΠ²Π»Π΅Π½ΠΈΡ ΡΠ΄ΠΎΠ±Π½ΠΎ ΠΏΡΠΎΠΊΠ»Π°Π΄ΡΠ²Π°ΡΡ ΡΠ°ΠΌ, Π³Π΄Π΅ Π½Π΅Ρ Π²ΠΎΠ·ΠΌΠΎΠΆΠ½ΠΎΡΡΠΈ ΠΎΠΊΠΎΠ»ΡΡΠ΅Π²Π°ΡΡ ΠΏΠΎΠΌΠ΅ΡΠ΅Π½ΠΈΠ΅ ΡΡΡΠ±Π°ΠΌΠΈ, Π½Π°ΠΏΡΠΈΠΌΠ΅Ρ, ΠΈΠ·-Π·Π° Π±Π°Π»ΠΊΠΎΠ½Π½ΠΎΠΉ Π΄Π²Π΅ΡΠΈ.
ΠΠ°ΠΏΡΠ°Π²Π»Π΅Π½ΠΈΠ΅ ΠΏΠΎΡΠΎΠΊΠΎΠ² Π² ΠΏΠΎΠ΄Π°ΡΠ΅ ΠΈ ΠΎΠ±ΡΠ°ΡΠΊΠ΅ ΠΏΠΎΠ»ΡΡΠ°Π΅ΡΡΡ ΠΏΡΠΎΡΠΈΠ²ΠΎΠΏΠΎΠ»ΠΎΠΆΠ½ΡΠΌ, Π° ΠΏΠΎΡΠΎΠΌΡ Π΅ΡΡΡ ΡΠ°Π½Ρ, ΡΡΠΎ Π²ΠΎΠ΄Π° ΠΏΠΎΠΉΠ΄Π΅Ρ ΠΏΠΎ ΠΏΡΡΠΈ Π½Π°ΠΈΠΌΠ΅Π½ΡΡΠ΅Π³ΠΎ ΡΠΎΠΏΡΠΎΡΠΈΠ²Π»Π΅Π½ΠΈΡ ΠΈ Π·Π°ΠΌΠΊΠ½Π΅Ρ ΠΊΡΡΠ³ ΡΠΈΡΠΊΡΠ»ΡΡΠΈΠΈ ΡΠ΅ΡΠ΅Π· ΠΏΠ΅ΡΠ²ΡΠΉ ΡΠ°Π΄ΠΈΠ°ΡΠΎΡ, Π½ΠΎ Π½Π΅ ΠΏΠΎΠΏΠ°Π΄Π΅Ρ Π² ΠΎΡΠ΄ΡΡ
Π°ΡΡ Π²ΠΎΠΎΠ±ΡΠ΅.
ΠΡΠΎΠ±Π»Π΅ΠΌΠ° ΡΠ΅ΡΠ°Π΅ΡΡΡ ΠΏΡΠΈΠΌΠ΅Π½Π΅Π½ΠΈΠ΅ΠΌ Π±Π°Π»Π°Π½ΡΠΈΡΠΎΠ²ΠΎΡΠ½ΡΡ ΠΊΠ»Π°ΠΏΠ°Π½ΠΎΠ², Π° ΡΠ°ΠΊΠΆΠ΅ ΡΡΡΠ± ΠΌΠ΅Π½ΡΡΠ΅Π³ΠΎ ΡΠ΅ΡΠ΅Π½ΠΈΡ Π΄Π»Ρ ΠΏΠΎΠ΄ΠΊΠ»ΡΡΠ΅Π½ΠΈΡ ΠΊ ΡΠ°Π΄ΠΈΠ°ΡΠΎΡΡ, ΡΠ΅ΠΌ Π΄Π»Ρ ΠΌΠ°Π³ΠΈΡΡΡΠ°Π»Π΅ΠΉ.
ΠΠΎΠΆΠ½ΠΎ ΠΊΠΎΠΌΠ±ΠΈΠ½ΠΈΡΠΎΠ²Π°ΡΡ ΡΠ°Π·Π½ΡΠ΅ ΠΊΠΎΠΌΠ±ΠΈΠ½Π°ΡΠΈΠΈ: Π·Π΄Π΅ΡΡ Π² ΠΏΠΎΠ΄Π²Π°Π»Π΅ ΡΡΠΏΠΈΠΊΠΎΠ²ΡΠ΅ ΠΎΡΠ²Π΅ΡΠ²Π»Π΅Π½ΠΈΡ, Π½Π° ΠΏΠ΅ΡΠ²ΠΎΠΌ — ΠΏΠ΅ΡΠ»Ρ Π’ΠΈΡ Π΅Π»ΡΠΌΠ°Π½Π°, Π° Π½Π° Π²ΡΠΎΡΠΎΠΌ — ΠΊΠΎΠ»Π»Π΅ΠΊΡΠΎΡΠ½ΠΎΠ΅ ΠΏΠΎΠ΄ΠΊΠ»ΡΡΠ΅Π½ΠΈΠ΅
ΠΠ΅ΡΠ»Ρ Π’ΠΈΡ Π΅Π»ΡΠΌΠ°Π½Π° — ΡΠ°ΠΌΠΎΠ΅ ΡΠ΄Π°ΡΠ½ΠΎΠ΅ ΠΈ ΠΏΠΎΠΏΡΠ»ΡΡΠ½ΠΎΠ΅ ΡΠ΅ΡΠ΅Π½ΠΈΠ΅ ΠΏΠΎ ΡΡΠΎΠΈΠΌΠΎΡΡΠΈ -ΠΊΠΎΡΡΡΠΈΡΠΈΠ΅Π½Ρ ΡΡΡΠ΅ΠΊΡΠΈΠ²Π½ΠΎΡΡΠΈ. ΠΠ³ΠΎ ΠΎΡΠ»ΠΈΡΠΈΠ΅ Π² ΡΠΎΠΌ, ΡΡΠΎ Π½Π°ΠΏΡΠ°Π²Π»Π΅Π½ΠΈΠ΅ ΠΏΠΎΡΠΎΠΊΠ° Π½Π° ΠΏΠΎΠ΄Π°ΡΠ΅ ΠΈ ΠΎΠ±ΡΠ°ΡΠΊΠ΅ ΠΏΠ°ΡΠ°Π»Π»Π΅Π»ΡΠ½ΠΎΠ΅, ΠΏΠΎΡΡΠΎΠΌΡ ΡΠ΅ΡΠ΅Π· ΠΊΠ°ΠΊΡΡ Π±Ρ Π±Π°ΡΠ°ΡΠ΅Ρ Π½Π΅ ΠΏΡΠΎΡ ΠΎΠ΄ΠΈΠ» ΡΠ΅ΠΏΠ»ΠΎΠ½ΠΎΡΠΈΡΠ΅Π»Ρ, Π΄Π»ΠΈΠ½Π° ΠΎΠΊΡΡΠΆΠ½ΠΎΡΡΠΈ ΡΠΈΡΠΊΡΠ»ΡΡΠΈΠΈ Π±ΡΠ΄Π΅Ρ ΠΎΠ΄ΠΈΠ½Π°ΠΊΠΎΠ²ΠΎΠΉ, ΠΏΡΡΠΈ Π½Π°ΠΈΠΌΠ΅Π½ΡΡΠ΅Π³ΠΎ ΡΠΎΠΏΡΠΎΡΠΈΠ²Π»Π΅Π½ΠΈΡ Π½Π΅ ΡΡΡΠ΅ΡΡΠ²ΡΠ΅Ρ. Π ΡΠ΅Π·ΡΠ»ΡΡΠ°ΡΠ΅ Π²ΡΠ΅ Π±Π°ΡΠ°ΡΠ΅ΠΈ Π½Π°Π³ΡΠ΅Π²Π°ΡΡΡΡ ΡΠ°Π²Π½ΠΎΠΌΠ΅ΡΠ½ΠΎ, Π½ΠΎ ΠΊΠ°ΠΆΠ΄ΡΡ ΠΈΠ· Π½ΠΈΡ ΠΌΠΎΠΆΠ½ΠΎ ΠΎΡΠ΄Π΅Π»ΡΠ½ΠΎ ΡΠ΅Π³ΡΠ»ΠΈΡΠΎΠ²Π°ΡΡ ΠΈΠ»ΠΈ ΠΏΠΎΠ»Π½ΠΎΡΡΡΡ ΠΎΡΠΊΠ»ΡΡΠ°ΡΡ, Π½Π΅ Π²Π»ΠΈΡΡ Π½Π° ΡΠ°Π±ΠΎΡΡ ΡΠΈΡΡΠ΅ΠΌΡ.
ΠΠΎΠ»Π»Π΅ΠΊΡΠΎΡΠ½Π°Ρ ΡΡ
Π΅ΠΌΠ° ΠΏΠΎΠ΄ΡΠ°Π·ΡΠΌΠ΅Π²Π°Π΅Ρ Π½Π°Π»ΠΈΡΠΈΠ΅ Π΄Π²ΡΡ
ΠΊΠΎΠ»Π»Π΅ΠΊΡΠΎΡΠΎΠ², Π½Π° ΠΏΠΎΠ΄Π°ΡΡ ΠΈ ΠΎΠ±ΡΠ°ΡΠΊΡ, ΠΎΡ ΠΊΠΎΡΠΎΡΡΡ
Π»ΡΡΠ°ΠΌΠΈ ΠΎΡΠ΄Π΅Π»ΡΡΡΡΡ ΠΏΠ°ΡΡ ΡΡΡΠ± ΠΊ ΠΊΠ°ΠΆΠ΄ΠΎΠΌΡ ΠΎΡΠΎΠΏΠΈΡΠ΅Π»ΡΠ½ΠΎΠΌΡ ΠΏΡΠΈΠ±ΠΎΡΡ.
ΠΠ»Ρ Π»ΡΡΡΠ΅ΠΉ ΠΏΡΠΎΠΈΠ·Π²ΠΎΠ΄ΠΈΡΠ΅Π»ΡΠ½ΠΎΡΡΠΈ ΡΠ°ΡΠΏΠΎΠ»Π°Π³Π°ΡΡ ΡΠ°ΠΊ, ΡΡΠΎΠ±Ρ ΡΠ°ΡΡΡΠΎΡΠ½ΠΈΠ΅ ΠΎΡ Π½Π΅Π³ΠΎ Π΄ΠΎ ΠΊΠ°ΠΆΠ΄ΠΎΠ³ΠΎ ΠΎΡΠΎΠΏΠΈΡΠ΅Π»ΡΠ½ΠΎΠ³ΠΎ ΠΏΡΠΈΠ±ΠΎΡΠ° Π±ΡΠ»ΠΎ ΠΏΡΠΈΠΌΠ΅ΡΠ½ΠΎ ΠΎΠ΄ΠΈΠ½Π°ΠΊΠΎΠ²ΡΠΌ. ΠΠ±ΡΡΠ½ΠΎ Π½Π° ΠΊΠ°ΠΆΠ΄ΠΎΠΌ ΡΡΠ°ΠΆΠ΅ ΡΡΡΠ°Π½Π°Π²Π»ΠΈΠ²Π°Π΅ΡΡΡ ΠΎΡΠ΄Π΅Π»ΡΠ½ΡΠΉ ΠΊΠΎΠ»Π»Π΅ΠΊΡΠΎΡ.
Π’ΠΎΠ»ΡΠΊΠΎ Π² ΡΠ°ΠΊΠΎΠΉ ΡΠΈΡΡΠ΅ΠΌΠ΅ ΠΊ ΠΊΠ°ΠΆΠ΄ΠΎΠΉ Π±Π°ΡΠ°ΡΠ΅Π΅ Π±ΡΠ΄Π΅Ρ ΠΏΠΎΠ΄Π°Π²Π°ΡΡΡΡ ΡΠ΅ΠΏΠ»ΠΎΠ½ΠΎΡΠΈΡΠ΅Π»Ρ ΠΎΠ΄Π½ΠΎΠΉ ΡΠ΅ΠΌΠΏΠ΅ΡΠ°ΡΡΡΡ, ΠΈ ΠΈΠΌΠ΅Π½Π½ΠΎ ΡΠ°ΠΊΠΎΠΉ ΠΏΡΠΎΡΠ΅ Π²ΡΠ΅Π³ΠΎ ΠΊΠΎΠ½ΡΡΠΎΠ»ΠΈΡΠΎΠ²Π°ΡΡ ΠΈ ΠΈΠ·ΠΌΠ΅Π½ΡΡΡ ΠΌΠΎΡΠ½ΠΎΡΡΡ Π½Π°Π³ΡΠ΅Π²Π° ΠΎΡΠ΄Π΅Π»ΡΠ½ΡΡ ΡΠΎΡΠ΅ΠΊ.
ΠΡΠ½ΠΎΠ²Π½ΡΠΌ Π½Π΅Π΄ΠΎΡΡΠ°ΡΠΊΠΎΠΌ Π±Π°Π»ΠΎΡΠ½ΠΎΠΉ ΡΡ Π΅ΠΌΡ ΡΠΎΠ΅Π΄ΠΈΠ½Π΅Π½ΠΈΡ ΡΠ²Π»ΡΠ΅ΡΡΡ Π½Π΅ΠΎΠ±Ρ ΠΎΠ΄ΠΈΠΌΠΎΡΡΡ Π±ΠΎΠ»ΡΡΠΎΠ³ΠΎ ΠΊΠΎΠ»ΠΈΡΠ΅ΡΡΠ²Π° ΡΡΡΠ±, ΡΡΠΎ Π½Π΅ ΡΠΎΠ»ΡΠΊΠΎ ΡΠ΄ΠΎΡΠΎΠΆΠ°Π΅Ρ, Π½ΠΎ ΠΈ ΡΡΠ»ΠΎΠΆΠ½ΡΠ΅Ρ ΠΌΠΎΠ½ΡΠ°ΠΆ. Π‘ Π΄ΡΡΠ³ΠΎΠΉ ΡΡΠΎΡΠΎΠ½Ρ, ΠΏΠΎΠ΄ΠΊΠ»ΡΡΠ΅Π½ΠΈΠ΅ ΡΠ°ΠΊΠΈΡ ΡΠΈΡΡΠ΅ΠΌ ΠΏΠΎΠ»Π½ΠΎΡΡΡΡ ΡΠΊΡΡΡΠΎ ΠΈ Π²ΡΠ³Π»ΡΠ΄ΠΈΡ ΡΡΡΠ΅ΡΠΈΡΠ½ΠΎ.
ΠΡΠ΅ ΠΎΠ΄ΠΈΠ½ Π²Π°ΠΆΠ½ΡΠΉ ΠΌΠΎΠΌΠ΅Π½Ρ — ΠΊΠΎΠ»Π»Π΅ΠΊΡΠΎΡΠ½Π°Ρ ΡΠΈΡΡΠ΅ΠΌΠ°, Π² ΠΎΡΠ»ΠΈΡΠΈΠ΅ ΠΎΡ Π²ΡΠ΅Ρ ΠΏΡΠ΅Π΄ΡΠ΄ΡΡΠΈΡ , Π½Π΅ ΠΌΠΎΠΆΠ΅Ρ Π±ΡΡΡ Π³ΡΠ°Π²ΠΈΡΠ°ΡΠΈΠΎΠ½Π½ΠΎΠΉ. ΠΡΠΎ Π·Π½Π°ΡΠΈΡ, ΡΡΠΎ Π΄Π°ΠΆΠ΅ Ρ ΡΠ½Π΅ΡΠ³ΠΎΠ½Π΅Π·Π°Π²ΠΈΡΠΈΠΌΡΠΌ ΠΊΠΎΡΠ»ΠΎΠΌ ΠΎΡΠΎΠΏΠ»Π΅Π½ΠΈΠ΅ ΠΎΡΠΊΠ»ΡΡΠΈΡΡΡ, ΠΊΠ°ΠΊ ΡΠΎΠ»ΡΠΊΠΎ ΠΏΠΎΠ³Π°ΡΠ½Π΅Ρ ΡΠ²Π΅Ρ ΠΈ ΠΎΡΡΠ°Π½ΠΎΠ²ΠΈΡΡΡ Π½Π°ΡΠΎΡ.
ΠΠ»Ρ Π½Π°ΡΡΡΠΎΠΉΠΊΠΈ Π±Π°Π»ΠΎΡΠ½ΠΎΠΉ ΡΠΈΡΡΠ΅ΠΌΡ Π½Π΅ Π½ΡΠΆΠ½ΠΎ ΠΏΠΎΠ΄Ρ ΠΎΠ΄ΠΈΡΡ ΠΊ ΠΊΠ°ΠΆΠ΄ΠΎΠΌΡ ΡΡΡΡΠΎΠΉΡΡΠ²Ρ: Π²ΡΠ΅ ΠΊΡΠ°Π½Ρ ΡΠΎΠ±ΡΠ°Π½Ρ Π² ΠΊΠΎΠ»Π»Π΅ΠΊΡΠΎΡΠ½ΠΎΠΌ ΡΠΊΠ°ΡΡ, Π½ΡΠΆΠ½ΠΎ ΡΠΎΠ»ΡΠΊΠΎ ΡΠΎΡΠ½ΠΎ ΠΈΡ ΡΠ°Π·ΠΌΠ΅ΡΠΈΡΡ ΠΏΡΠΈ ΠΏΠΎΠ΄ΠΊΠ»ΡΡΠ΅Π½ΠΈΠΈ
Π§Π°ΡΡΠΎ Π² Π΄Π²ΡΡ
ΡΡΠ°ΠΆΠ½ΡΡ
Π΄ΠΎΠΌΠ°Ρ
ΡΠ°Π·Π½ΡΠ΅ ΡΡ
Π΅ΠΌΡ ΡΠ°Π·Π²ΠΎΠ΄ΠΊΠΈ ΠΎΡΠΎΠΏΠ»Π΅Π½ΠΈΡ ΠΏΡΠΈΠΌΠ΅Π½ΡΡΡΡΡ Π΄Π»Ρ ΡΠ°Π·Π½ΡΡ
ΠΏΠΎΠΌΠ΅ΡΠ΅Π½ΠΈΠΉ, Π² Π·Π°Π²ΠΈΡΠΈΠΌΠΎΡΡΠΈ ΠΎΡ ΠΈΡ
ΠΏΠ»Π°Π½ΠΈΡΠΎΠ²ΠΊΠΈ, ΠΏΠ»ΠΎΡΠ°Π΄ΠΈ ΠΈ ΠΈΡΠΏΠΎΠ»ΡΠ·ΡΠ΅ΠΌΡΡ
ΠΎΡΠΎΠΏΠΈΡΠ΅Π»ΡΠ½ΡΡ
ΠΏΡΠΈΠ±ΠΎΡΠΎΠ².
Π Π΄Π²ΡΡ ΡΡΠ°ΠΆΠ½ΠΎΠΌ Π΄ΠΎΠΌΠ΅ ΠΏΡΠ°ΠΊΡΠΈΡΠ΅ΡΠΊΠΈ Π½Π΅ ΠΈΡΠΏΠΎΠ»ΡΠ·ΡΡΡΡΡ ΠΎΠ΄Π½ΠΎΡΡΡΠ±Π½ΡΠ΅ ΠΏΡΠΎΠ΅ΠΊΡΡ Ρ ΠΎΠ΄Π½ΠΎΠΉ ΠΏΠΎΠ΄Π²ΠΎΠ΄ΡΡΠ΅ΠΉ ΡΡΡΠ±ΠΎΠΉ, ΠΏΠΎΡΠΎΠΌΡ ΡΡΠΎ ΠΏΠΎΡΠ»Π΅Π΄Π½ΠΈΠ΅ ΡΠ°Π΄ΠΈΠ°ΡΠΎΡΡ Π² ΡΡ Π΅ΠΌΠ΅ ΡΠ°Π±ΠΎΡΠ°ΡΡ ΠΊΡΠ°ΠΉΠ½Π΅ Π½Π΅ΡΡΡΠ΅ΠΊΡΠΈΠ²Π½ΠΎ. Π Π·Π°Π²ΠΈΡΠΈΠΌΠΎΡΡΠΈ ΠΎΡ ΠΏΠ»ΠΎΡΠ°Π΄ΠΈ Π΄ΠΎΠΌΠ° ΠΊΠ°ΠΆΠ΄ΠΎΠΌΡ ΡΡΠ°ΠΆΡ, Π½Π΅ΡΠΊΠΎΠ»ΡΠΊΠΈΠΌ ΠΈΠ»ΠΈ Π΄Π°ΠΆΠ΅ ΠΊΠ°ΠΆΠ΄ΠΎΠΉ ΠΊΠΎΠΌΠ½Π°ΡΠ΅ ΡΠΎΠΎΡΠ²Π΅ΡΡΡΠ²ΡΡΡ ΠΈΠ½Π΄ΠΈΠ²ΠΈΠ΄ΡΠ°Π»ΡΠ½ΡΠ΅ ΠΊΠΎΠ½ΡΡΡΡ.
Π’Π°ΠΊΠΆΠ΅ ΠΏΡΠΈΠ½ΡΡΠΎ ΡΠ°Π·Π΄Π΅Π»ΡΡΡ ΡΠ°Π΄ΠΈΠ°ΡΠΎΡΠ½ΡΠΉ ΠΊΠΎΠ½ΡΡΡ ΠΎΡ ΡΠ΅ΠΏΠ»ΠΎΠ³ΠΎ ΠΏΠΎΠ»Π°, Π² ΡΠ²ΡΠ·ΠΈ Ρ Π½Π΅ΠΎΠ±Ρ ΠΎΠ΄ΠΈΠΌΠΎΡΡΡΡ ΡΠ°Π·Π½ΡΡ ΡΠ°Π±ΠΎΡΠΈΡ Π΄Π°Π²Π»Π΅Π½ΠΈΠΉ ΠΈ ΡΠ΅ΠΌΠΏΠ΅ΡΠ°ΡΡΡ.
Π Π°Π·Π΄Π΅Π»Π΅Π½ΠΈΠ΅ ΠΏΠΎΠ΄Π°ΡΠΈ ΠΎΡ ΠΊΠΎΡΠ»Π° Π½Π° ΡΠ°Π·Π½ΡΠ΅ ΠΊΠΎΠ½ΡΡΡΡ ΠΌΠΎΠΆΠ΅Ρ ΠΎΡΡΡΠ΅ΡΡΠ²Π»ΡΡΡΡΡ ΡΠ΅ΡΠ΅Π· Π³ΠΈΠ΄ΡΠΎΡΡΡΠ΅Π»ΠΊΡ, ΠΊΠΎΠ»Π»Π΅ΠΊΡΠΎΡ ΠΈΠ»ΠΈ ΠΈΡ ΠΊΠΎΠΌΠ±ΠΈΠ½Π°ΡΠΈΡ. ΠΠ΅ΡΠ²ΡΠΉ ΠΎΠ±Π΅ΡΠΏΠ΅ΡΠΈΠ²Π°Π΅Ρ ΠΏΠΎΡΠΎΠΊΠΈ ΡΠ°Π·Π½ΠΎΠ³ΠΎ Π΄Π°Π²Π»Π΅Π½ΠΈΡ ΠΈ ΡΠ΅ΠΌΠΏΠ΅ΡΠ°ΡΡΡΡ Π΄Π»Ρ ΡΠ°Π·Π½ΡΡ ΡΠΈΡΡΠ΅ΠΌ, Π²ΡΠΎΡΠΎΠΉ ΡΡΡΠ΅ΠΊΡΠΈΠ²Π΅Π½ Π΄Π»Ρ ΡΡ Π΅ΠΌ Ρ ΠΎΠ΄Π½ΠΎΡΠΈΠΏΠ½ΡΠΌΠΈ ΡΡΡΡΠΎΠΉΡΡΠ²Π°ΠΌΠΈ, Π½Π°ΠΏΡΠΈΠΌΠ΅Ρ ΡΠ°Π΄ΠΈΠ°ΡΠΈΠΎΠ½Π½ΠΎΠ³ΠΎ ΠΏΠΎΠ΄ΠΊΠ»ΡΡΠ΅Π½ΠΈΡ ΡΠ°Π΄ΠΈΠ°ΡΠΎΡΠΎΠ².
ΠΡΠΊΡΡΡΡΠ΅ ΠΈ Π·Π°ΠΊΡΡΡΡΠ΅ ΡΠΈΡΡΠ΅ΠΌΡ
ΠΡΠΎΡ ΠΏΠ°ΡΠ°ΠΌΠ΅ΡΡ ΡΠΊΠ°Π·ΡΠ²Π°Π΅Ρ Π½Π° Π½Π°Π»ΠΈΡΠΈΠ΅ ΠΊΠΎΠ½ΡΠ°ΠΊΡΠ° ΡΠ΅ΠΏΠ»ΠΎΠ½ΠΎΡΠΈΡΠ΅Π»Ρ Ρ Π²ΠΎΠ·Π΄ΡΡ ΠΎΠΌ, ΠΈ ΠΎΠΏΡΠ΅Π΄Π΅Π»ΡΠ΅ΡΡΡ ΡΠΈΠΏΠΎΠΌ.
Π Π°ΡΡΠΈΡΠΈΡΠ΅Π»ΡΠ½ΡΠΉ Π±Π°ΠΊ ΠΊΠΎΠΌΠΏΠ΅Π½ΡΠΈΡΡΠ΅Ρ ΡΠ²Π΅Π»ΠΈΡΠ΅Π½ΠΈΠ΅ ΠΎΠ±ΡΠ΅ΠΌΠ° ΠΆΠΈΠ΄ΠΊΠΎΡΡΠΈ ΠΏΡΠΈ Π½Π°Π³ΡΠ΅Π²Π΅, ΠΏΡΠ΅Π΄ΠΎΡΠ²ΡΠ°ΡΠ°Ρ ΠΏΠΎΠ²ΡΡΠ΅Π½ΠΈΠ΅ Π΄Π°Π²Π»Π΅Π½ΠΈΡ Π² ΡΠΈΡΡΠ΅ΠΌΠ΅. ΠΠ°ΠΊ ΠΎΡΠΊΡΡΡΠΎΠ³ΠΎ ΡΠΈΠΏΠ° ΠΈΠΌΠ΅Π΅Ρ ΠΎΡΠ²Π΅ΡΡΡΠΈΠ΅ ΡΠ²Π΅ΡΡ
Ρ ΠΈ ΡΠ°Π±ΠΎΡΠ°Π΅Ρ ΠΏΡΠΎΡΡΠΎ Π·Π° ΡΡΠ΅Ρ Π·Π°ΠΏΠ°ΡΠ° ΠΎΠ±ΡΠ΅ΠΌΠ°, Π·Π°ΠΏΠΎΠ»Π½ΡΡΡΡ Π΄ΠΎ ΡΠ°Π·Π½ΡΡ
ΡΡΠΎΠ²Π½Π΅ΠΉ.
Π§ΡΠΎΠ±Ρ Π²ΠΎΠ΄Π° ΠΈΠ· Π½Π΅Π³ΠΎ Π½Π΅ ΠΏΠ΅ΡΠ΅Π»ΠΈΠ²Π°Π»Π°ΡΡ ΠΏΠΎ ΠΏΡΠΈΠ½ΡΠΈΠΏΡ ΡΠΎΠΎΠ±ΡΠ°ΡΡΠΈΡ
ΡΡ ΡΠΎΡΡΠ΄ΠΎΠ², ΡΠ°ΠΊΠΎΠΉ Π±Π°ΠΊ ΡΠ»Π΅Π΄ΡΠ΅Ρ ΡΡΡΠ°Π½Π°Π²Π»ΠΈΠ²Π°ΡΡ Π² ΡΠ°ΠΌΠΎΠΉ Π²ΡΡΠΎΠΊΠΎΠΉ ΡΠΎΡΠΊΠ΅ ΡΠΈΡΡΠ΅ΠΌΡ. Π Π΄Π²ΡΡ
ΡΡΠ°ΠΆΠ½ΠΎΠΌ Π΄ΠΎΠΌΠ΅, ΠΊΠ°ΠΊ ΠΏΡΠ°Π²ΠΈΠ»ΠΎ, ΡΡΠΎ Π²Π΅ΡΡΠΈΠ½Π° ΠΏΠΎΠ΄ΠΊΠΎΡΠΌΠΎΡΠ½ΠΎΠ³ΠΎ ΡΡΠΎΡΠΊΠ°.
ΠΠ΅Π΄ΠΎΡΡΠ°ΡΠΊΠΎΠ² Ρ ΡΠ°ΠΊΠΎΠΉ ΡΠΈΡΡΠ΅ΠΌΡ ΠΌΠ½ΠΎΠ³ΠΎ. Π’Π΅ΠΏΠ»ΠΎΠ½ΠΎΡΠΈΡΠ΅Π»Ρ ΠΊΠΎΠ½ΡΠ°ΠΊΡΠΈΡΡΠ΅Ρ Ρ ΠΎΡΠΊΡΡΡΡΠΌ Π²ΠΎΠ·Π΄ΡΡ ΠΎΠΌ, Π° Π·Π½Π°ΡΠΈΡ, ΠΈΡΠΏΠ°ΡΡΠ΅ΡΡΡ ΠΈ ΠΎΠ±ΠΎΠ³Π°ΡΠ°Π΅ΡΡΡ ΠΊΠΈΡΠ»ΠΎΡΠΎΠ΄ΠΎΠΌ. Π ΡΠ΅Π·ΡΠ»ΡΡΠ°ΡΠ΅ Π·Π°Π»ΠΈΠ²Π°ΡΡ ΡΠ°ΠΊΡΡ ββΡΠΈΡΡΠ΅ΠΌΡ Π°Π½ΡΠΈΡΡΠΈΠ·ΠΎΠΌ Π·Π°ΠΏΡΠ΅ΡΠ΅Π½ΠΎ, Π²ΠΎΠ΄Ρ Π½ΡΠΆΠ½ΠΎ Π±ΡΠ΄Π΅Ρ ΡΠ΅Π³ΡΠ»ΡΡΠ½ΠΎ Π΄ΠΎΠ»ΠΈΠ²Π°ΡΡ, Π° Π»ΠΈΡΠ½ΠΈΠΉ Π²ΠΎΠ·Π΄ΡΡ ΠΏΠΎΡΡΠΎΡΠ½Π½ΠΎ ΠΏΡΠΎΠ²ΠΎΡΠΈΡΡΠ΅Ρ ΠΊΠΎΡΡΠΎΠ·ΠΈΡ ΠΈ Π²ΠΎΠ·Π΄ΡΡΠ½ΡΠ΅ Π·Π°ΡΠΎΡΡ. ΠΡΠΎΠΌΠ΅ ΡΠΎΠ³ΠΎ, ΠΏΡΠΈ Π²ΡΠ½ΠΎΡΠ΅ Π½Π° ΡΠ΅ΡΠ΄Π°ΠΊ Π±Π°ΠΊ ΡΡΠ΅Π±ΡΠ΅Ρ ΡΡΠ°ΡΠ΅Π»ΡΠ½ΠΎΠ³ΠΎ ΡΡΠ΅ΠΏΠ»Π΅Π½ΠΈΡ, Π° Π² ΠΏΠΎΠΌΠ΅ΡΠ΅Π½ΠΈΠΈ Π½Π° 2 ΡΡΠ°ΠΆΠ΅ Π·Π°ΠΌΠ°ΡΠΊΠΈΡΠΎΠ²Π°ΡΡ Π΅Π³ΠΎ ΠΏΡΠΎΠ±Π»Π΅ΠΌΠ°ΡΠΈΡΠ½ΠΎ.
Π ΡΠΎΠ²ΡΠ΅ΠΌΠ΅Π½Π½ΡΠ΅ Π³Π°Π·ΠΎΠ²ΡΠ΅ ΠΊΠΎΡΠ»Ρ ΡΠΆΠ΅ ΠΌΠΎΠΆΠ΅Ρ Π±ΡΡΡ Π²ΡΡΡΠΎΠ΅Π½ Π·Π°ΠΊΡΡΡΡΠΉ ΡΠ°ΡΡΠΈΡΠΈΡΠ΅Π»ΡΠ½ΡΠΉ Π±Π°ΠΊ β ΡΡΠΎ ΡΠΊΠΎΠ½ΠΎΠΌΠΈΡ ΠΌΠ΅ΡΡΠΎ ΠΈ ΡΠΏΡΠΎΡΠ°Π΅Ρ ΠΏΠΎΠ΄ΠΊΠ»ΡΡΠ΅Π½ΠΈΠ΅
ΠΠ°ΠΊ ΡΠ°ΡΡΠΈΡΠΈΡΠ΅Π»ΡΠ½ΡΠΉ Π·Π°ΠΊΡΡΡΡΠΉ Π³Π΅ΡΠΌΠ΅ΡΠΈΡΠ½ΡΠΉ, ΡΠΎΡΡΠΎΠΈΡ ΠΈΠ· Π΄Π²ΡΡ
ΠΊΠ°ΠΌΠ΅Ρ, ΡΠ°Π·Π΄Π΅Π»Π΅Π½Π½ΡΡ
ΠΌΠ΅ΠΌΠ±ΡΠ°Π½ΠΎΠΉ. Π Π°Π±ΠΎΡΠ°Π΅Ρ Π·Π° ΡΡΠ΅Ρ ΡΠΏΠΎΡΠΎΠ±Π½ΠΎΡΡΠΈ Π²ΠΎΠ·Π΄ΡΡ
Π° ΡΠΆΠΈΠΌΠ°ΡΡΡΡ: ΠΏΡΠΈ Π½Π°Π³ΡΠ΅Π²Π΅ ΡΠΈΡΡΠ΅ΠΌΡ Π²ΠΎΠ΄Π° Π·Π°Π½ΠΈΠΌΠ°Π΅Ρ Π±ΠΎΠ»ΡΡΡΡ ΡΠ°ΡΡΡ Π±Π°ΠΊΠ°, Π΄Π°Π²Π»Π΅Π½ΠΈΠ΅ Π² Π²ΠΎΠ·Π΄ΡΡΠ½ΠΎΠΉ ΠΊΠ°ΠΌΠ΅ΡΠ΅ ΠΏΠΎΠ²ΡΡΠ°Π΅ΡΡΡ. ΠΡΠΈ ΠΎΡ
Π»Π°ΠΆΠ΄Π΅Π½ΠΈΠΈ ΠΈΠΌΠ΅Π½Π½ΠΎ ΡΡΠΎ Π΄Π°Π²Π»Π΅Π½ΠΈΠ΅ Π²ΡΡΠ°Π»ΠΊΠΈΠ²Π°Π΅Ρ Π²ΠΎΠ΄Ρ ΠΎΠ±ΡΠ°ΡΠ½ΠΎ Π² ΡΠΈΡΡΠ΅ΠΌΡ.
Π’Π°ΠΊΠΎΠΉ ΡΠ°ΡΡΠΈΡΠΈΡΠ΅Π»ΡΠ½ΡΠΉ Π±Π°ΠΊ ΠΌΠΎΠΆΠ½ΠΎ ΡΡΡΠ°Π½ΠΎΠ²ΠΈΡΡ Π² Π»ΡΠ±ΠΎΠΌ ΠΌΠ΅ΡΡΠ΅ ΡΠΈΡΡΠ΅ΠΌΡ, ΡΠ°ΡΠ΅ Π²ΡΠ΅Π³ΠΎ Π½Π° ΠΎΠ±ΡΠ°ΡΠΊΠ΅, ΠΏΠ΅ΡΠ΅Π΄ Π½Π°ΡΠΎΡΠΎΠΌ. Π‘ΠΈΡΡΠ΅ΠΌΠ° Ρ Π·Π°ΠΊΡΡΡΡΠΌ Π±Π°ΠΊΠΎΠΌ Π°Π±ΡΠΎΠ»ΡΡΠ½ΠΎ Π³Π΅ΡΠΌΠ΅ΡΠΈΡΠ½Π°, Π΅Π΅ ΠΌΠΎΠΆΠ½ΠΎ Π·Π°ΠΏΠΎΠ»Π½ΠΈΡΡ Π΄Π°ΠΆΠ΅ ΡΠ΄ΠΎΠ²ΠΈΡΡΠΌ ΡΠ°ΡΡΠ²ΠΎΡΠΎΠΌ ΡΡΠΈΠ»Π΅Π½Π³Π»ΠΈΠΊΠΎΠ»Ρ. ΠΠ°ΠΆΠ΅ ΠΎΠ±ΡΡΠ½Π°Ρ Π²ΠΎΠ΄Π° Π² ΡΡΠΈΡ ΡΡΠ»ΠΎΠ²ΠΈΡΡ ΠΏΠΎΡΡΠ΅ΠΏΠ΅Π½Π½ΠΎ ΠΎΡΠΈΡΠ°Π΅ΡΡΡ ΠΎΡ ΠΏΡΠΈΠΌΠ΅ΡΠ΅ΠΉ ΠΈ ΡΠ°ΡΡΠ²ΠΎΡΠ΅Π½Π½ΡΡ Π³Π°Π·ΠΎΠ², ΠΏΡΠ΅Π²ΡΠ°ΡΠ°ΡΡΡ ΠΏΠΎΡΡΠΈ Π² ΠΈΠ΄Π΅Π°Π»ΡΠ½ΡΠΉ ΡΠ΅ΠΏΠ»ΠΎΠ½ΠΎΡΠΈΡΠ΅Π»Ρ.
ΠΠΎ ΡΠΈΠΏΡ ΠΎΡΠΎΠΏΠΈΡΠ΅Π»ΡΠ½ΡΡ ΠΏΡΠΈΠ±ΠΎΡΠΎΠ²
Π ΠΎΠ΄Π½Ρ ΡΠΈΡΡΠ΅ΠΌΡ ΠΎΡΠΎΠΏΠ»Π΅Π½ΠΈΡ ΠΌΠΎΠ³ΡΡ Π²Ρ ΠΎΠ΄ΠΈΡΡ ΡΠ°Π·Π½ΡΠ΅ ΠΏΡΠΈΠ±ΠΎΡΡ: ΡΠ°Π΄ΠΈΠ°ΡΠΎΡΡ, ΡΠ΅ΠΏΠ»ΡΠΉ ΠΏΠΎΠ», ΠΊΠΎΠ½Π²Π΅ΠΊΡΠΎΡΡ ΠΈ Π΄ΡΡΠ³ΠΈΠ΅. ΠΡ ΠΌΠΎΠΆΠ½ΠΎ ΠΊΠΎΠΌΠ±ΠΈΠ½ΠΈΡΠΎΠ²Π°ΡΡ Π΄Π°ΠΆΠ΅ ΠΏΠΎ ΠΏΡΠΎΡΡΠ΅ΠΉΡΠ΅ΠΉ ΠΎΠ΄Π½ΠΎΡΡΡΠ±Π½ΠΎΠΉ ΡΡ Π΅ΠΌΠ΅, Π½ΠΎ ΠΏΡΠΈ Π³ΡΠ°Π²ΠΈΡΠ°ΡΠΈΠΎΠ½Π½ΠΎΠΌ ΡΠΈΠΏΠ΅ ΡΠΈΡΠΊΡΠ»ΡΡΠΈΠΈ Π»ΡΡΡΠ΅ ΠΈΡΠΏΠΎΠ»ΡΠ·ΠΎΠ²Π°ΡΡ ΠΎΠ±ΡΡΠ½ΡΠ΅ Π±Π°ΡΠ°ΡΠ΅ΠΈ.
ΠΡΠ΅ Π²ΡΡΡΠ°ΠΈΠ²Π°Π΅ΠΌΡΠ΅ Π² ΠΏΠΎΠ» ΠΎΡΠΎΠΏΠΈΡΠ΅Π»ΡΠ½ΡΠ΅ ΠΏΡΠΈΠ±ΠΎΡΡ Π½Π°Π·ΡΠ²Π°ΡΡΡΡ ΠΊΠΎΠ½Π²Π΅ΠΊΡΠΎΡΠ°ΠΌΠΈ. Π Π½ΠΈΡ ΡΠ΅ΠΏΠ»ΠΎΠΎΠ±ΠΌΠ΅Π½ ΠΏΡΠΎΠΈΡΡ ΠΎΠ΄ΠΈΡ Π·Π° ΡΡΠ΅Ρ ΡΠΈΡΠΊΡΠ»ΡΡΠΈΠΈ Π²ΠΎΠ·Π΄ΡΡ Π° Π² ΠΏΠΎΠ»ΠΎΡΡΡΡ ΠΏΡΠΈΠ±ΠΎΡΠ°
Π’Π΅ΠΏΠ»ΡΠΉ ΠΏΠΎΠ» β ΡΡΠΎ Π½Π΅ ΡΠΎΠ»ΡΠΊΠΎ ΠΏΡΠΈΡΡΠ½ΠΎ ΠΈ ΡΠ΄ΠΎΠ±Π½ΠΎ, Π½ΠΎ ΠΈ ΡΠΊΠΎΠ½ΠΎΠΌΠ½ΠΎ, ΡΠ°ΠΊ ΠΊΠ°ΠΊ ΡΠ΅ΠΏΠ»ΡΠΉ Π²ΠΎΠ·Π΄ΡΡ
Π·Π°ΠΏΠΎΠ»Π½ΡΠ΅Ρ Π½ΠΈΠΆΠ½ΡΡ, ΠΆΠΈΠ»ΡΡ ΡΠ°ΡΡΡ ΠΏΠΎΠΌΠ΅ΡΠ΅Π½ΠΈΡ, ΠΈ ΠΎΡΡΡΠ²Π°Π΅Ρ ΠΏΠΎΠ΄ ΠΏΠΎΡΠΎΠ»ΠΊΠΎΠΌ. ΠΡΠΎ ΡΠ΅ΡΠ΅Π½ΠΈΠ΅ ΠΎΡΠΎΠ±Π΅Π½Π½ΠΎ Π½Π΅Π·Π°ΠΌΠ΅Π½ΠΈΠΌΠΎ, Π΅ΡΠ»ΠΈ Π² Π΄ΠΎΠΌΠ΅ Π΅ΡΡΡ ΡΠ΅Π±Π΅Π½ΠΎΠΊ.
ΠΡ
ΡΠ°ΠΊΠΆΠ΅ ΡΠ°ΡΡΠΎ ΡΡΡΠ°Π½Π°Π²Π»ΠΈΠ²Π°ΡΡ Π² Π²Π°Π½Π½ΠΎΠΉ ΠΈ Π½Π° ΠΊΡΡ
Π½Π΅.
Π‘ΠΈΡΡΠ΅ΠΌΡ, ΡΠΎΡΡΠΎΡΡΠΈΠ΅ ΡΠΎΠ»ΡΠΊΠΎ ΠΈΠ· , ΠΌΠΎΠΆΠ½ΠΎ ΠΎΠ±ΠΎΡΡΠ΄ΠΎΠ²Π°ΡΡ ΡΠΎΠ»ΡΠΊΠΎ Π² Ρ ΠΎΡΠΎΡΠΎ ΡΡΠ΅ΠΏΠ»Π΅Π½Π½ΡΡ Π·Π΄Π°Π½ΠΈΡΡ ΠΈ Π² ΡΡΠ»ΠΎΠ²ΠΈΡΡ ΡΠΌΠ΅ΡΠ΅Π½Π½ΠΎΠ³ΠΎ ΠΊΠ»ΠΈΠΌΠ°ΡΠ°, ΠΈΠ½Π°ΡΠ΅ Π½Π° ΠΌΠΎΡΠΎΠ·Π΅ Π² Π΄ΠΎΠΌΠ΅ Π±ΡΠ΄Π΅Ρ ΠΏΡΠΎΡ Π»Π°Π΄Π½ΠΎ ΠΈΠ»ΠΈ ΠΏΠΎ ΡΠ°ΡΠΊΠ°Π»Π΅Π½Π½ΠΎΠΌΡ ΠΏΠΎΠ»Ρ Π±ΡΠ΄Π΅Ρ Π½Π΅Π²ΠΎΠ·ΠΌΠΎΠΆΠ½ΠΎ Ρ ΠΎΠ΄ΠΈΡΡ. ΠΠ°ΠΊ ΠΏΡΠ°Π²ΠΈΠ»ΠΎ, Π² ΠΎΠ΄Π½ΠΎΠΉ ΡΡ Π΅ΠΌΠ΅ ΠΎΠ±ΡΠ΅Π΄ΠΈΠ½ΡΡΡ ΡΠ΅ΠΏΠ»ΡΠ΅ ΠΏΠΎΠ»Ρ Ρ Π½Π΅Π±ΠΎΠ»ΡΡΠΈΠΌ ΠΊΠΎΠ»ΠΈΡΠ΅ΡΡΠ²ΠΎΠΌ ΡΠ°Π΄ΠΈΠ°ΡΠΎΡΠΎΠ² β ΡΡΠΎ ΠΈ ΠΊΡΠ°ΡΠΈΠ²ΠΎ, ΠΈ ΡΠΊΠΎΠ½ΠΎΠΌΠΈΡΠ½ΠΎ, ΠΈ ΡΠ΄ΠΎΠ±Π½ΠΎ.
Π Π°Π΄ΠΈΠ°ΡΠΎΡΡ Π½Π΅ Π·ΡΡ ΠΏΠΎΠ»ΡΠ·ΡΡΡΡΡ Π½Π°ΠΈΠ±ΠΎΠ»ΡΡΠ΅ΠΉ ΠΏΠΎΠΏΡΠ»ΡΡΠ½ΠΎΡΡΡΡ: ΠΎΠ½ΠΈ ΡΠ°Π±ΠΎΡΠ°ΡΡ ΠΊΠ°ΠΊ Π½Π° ΠΈΠ·Π»ΡΡΠ΅Π½ΠΈΠ΅ ΡΠ΅ΠΏΠ»Π° ΠΈΠ· Π²Π½Π΅ΡΠ½Π΅ΠΉ ΠΏΠ»ΠΎΡΠΊΠΎΡΡΠΈ, ΠΏΡΠΎΠ³ΡΠ΅Π²Π°Ρ Π²ΠΎΠ·Π΄ΡΡ ΠΈ ΠΏΡΠ΅Π΄ΠΌΠ΅ΡΡ ΠΏΠ΅ΡΠ΅Π΄ ΡΠΎΠ±ΠΎΠΉ, ΡΠ°ΠΊ ΠΈ ΠΏΠΎ ΠΏΡΠΈΠ½ΡΠΈΠΏΡ ΠΊΠΎΠ½Π²Π΅ΠΊΡΠΈΠΈ, ΠΏΡΠΎΠΏΡΡΠΊΠ°Ρ Π²ΠΎΠ·Π΄ΡΡ ΡΠ΅ΡΠ΅Π· ΡΠ΅Π±ΡΠ°.
ΠΡΡΠ΅ΠΊΡΠΈΠ²Π½ΠΎΡΡΡ ΡΠ°Π±ΠΎΡΡ ΡΠ°Π΄ΠΈΠ°ΡΠΎΡΠ° Π·Π°Π²ΠΈΡΠΈΡ ΠΎΡ ΡΠΎΠ΅Π΄ΠΈΠ½Π΅Π½ΠΈΡ ΠΏΠΎΠ΄Π°ΡΡΠ΅Π³ΠΎ ΠΈ ΠΎΠ±ΡΠ°ΡΠ½ΠΎΠ³ΠΎ ΠΏΠ°ΡΡΡΠ±ΠΊΠΎΠ², Π° Π·Π½Π°ΡΠΈΡ ΠΈ ΠΎΡ ΡΠ°ΡΠΏΡΠ΅Π΄Π΅Π»Π΅Π½ΠΈΡ ΠΏΠΎΡΠΎΠΊΠΎΠ² ΡΠ΅ΠΏΠ»ΠΎΠ½ΠΎΡΠΈΡΠ΅Π»Ρ ΠΏΠΎ ΡΠ΅ΠΊΡΠΈΡΠΌ
ΠΡΠ½ΠΎΠ²Π½ΡΠΌ Π½Π΅Π΄ΠΎΡΡΠ°ΡΠΊΠΎΠΌ ΡΡΠ°Π΄ΠΈΡΠΈΠΎΠ½Π½ΡΡ Π±Π°ΡΠ°ΡΠ΅ΠΉ ΡΠ²Π»ΡΠ΅ΡΡΡ ΡΠ»ΠΎΠΆΠ½ΠΎΡΡΡ ΠΈΡ ΡΠ°Π·ΠΌΠ΅ΡΠ΅Π½ΠΈΡ Π±Π΅Π· Π½Π°ΡΡΡΠ΅Π½ΠΈΡ Π²Π½ΡΡΡΠ΅Π½Π½Π΅Π³ΠΎ Π΄ΠΈΠ·Π°ΠΉΠ½Π°, Ρ.ΠΊ. Π»ΡΠ±ΡΠ΅ ΠΌΠ°ΡΠΊΠΈΡΠΎΠ²ΠΎΡΠ½ΡΠ΅ ΡΠΊΡΠ°Π½Ρ ΡΠ½ΠΈΠΆΠ°ΡΡ ΡΡΡΠ΅ΠΊΡΠΈΠ²Π½ΠΎΡΡΡ.
ΠΠΎ ΡΠΈΠΏΡ ΡΠΈΡΠΊΡΠ»ΡΡΠΈΠΈ ΡΠ΅ΠΏΠ»ΠΎΠ½ΠΎΡΠΈΡΠ΅Π»Ρ
ΠΠΎΠ΄Π° ΠΈΠ»ΠΈ Π°Π½ΡΠΈΡΡΠΈΠ· ΠΏΠΎ ΡΠΈΡΡΠ΅ΠΌΠ΅ ΡΠ°ΡΠ΅ Π²ΡΠ΅Π³ΠΎ ΠΏΠΎΠ΄Π°Π΅ΡΡΡ ΠΎΡ ΡΠΈΡΠΊΡΠ»ΡΡΠΈΠΎΠ½Π½ΠΎΠ³ΠΎ Π½Π°ΡΠΎΡΠ°: ΠΎΠ½ ΡΠΎΠ·Π΄Π°Π΅Ρ Π½Π΅ΠΎΠ±Ρ
ΠΎΠ΄ΠΈΠΌΠΎΠ΅ Π΄Π°Π²Π»Π΅Π½ΠΈΠ΅, ΠΎΠ±Π΅ΡΠΏΠ΅ΡΠΈΠ²Π°Ρ Π±ΡΡΡΡΡΠΉ, ΡΡΡΠ΅ΠΊΡΠΈΠ²Π½ΡΠΉ ΠΈ ΡΠ°Π²Π½ΠΎΠΌΠ΅ΡΠ½ΡΠΉ Π½Π°Π³ΡΠ΅Π².
ΠΠ΄Π½Π°ΠΊΠΎ Π½Π°Π»ΠΈΡΠΈΠ΅ Π½Π°ΡΠΎΡΠ° Π΄Π΅Π»Π°Π΅Ρ Π»ΡΠ±ΡΡ ΡΠΈΡΡΠ΅ΠΌΡ ΡΠ½Π΅ΡΠ³ΠΎΠ·Π°Π²ΠΈΡΠΈΠΌΠΎΠΉ β ΡΠΎ Π΅ΡΡΡ Π² ΡΠ»ΡΡΠ°Π΅ ΠΎΡΠΊΠ»ΡΡΠ΅Π½ΠΈΡ ΡΠ»Π΅ΠΊΡΡΠΎΡΠ½Π΅ΡΠ³ΠΈΠΈ ΠΎΡΠΊΠ»ΡΡΠΈΡΡΡ ΠΈ ΠΎΡΠΎΠΏΠ»Π΅Π½ΠΈΠ΅.
ΠΠ»ΡΡΠ΅ΡΠ½Π°ΡΠΈΠ²ΠΎΠΉ ΡΠ²Π»ΡΡΡΡΡ Π³ΡΠ°Π²ΠΈΡΠ°ΡΠΈΠΎΠ½Π½ΡΠ΅ ΡΠΈΡΡΠ΅ΠΌΡ. ΠΠ½ΠΈ ΡΠΊΠΎΠ½ΡΡΡΡΠΈΡΠΎΠ²Π°Π½Ρ ΡΠ°ΠΊΠΈΠΌ ΠΎΠ±ΡΠ°Π·ΠΎΠΌ, ΡΡΠΎ ΡΠ΅ΠΏΠ»ΠΎΠ½ΠΎΡΠΈΡΠ΅Π»Ρ ΡΠΈΡΠΊΡΠ»ΠΈΡΡΠ΅Ρ Π·Π° ΡΡΠ΅Ρ ΡΠ²Π΅Π»ΠΈΡΠ΅Π½ΠΈΡ ΠΏΠ»ΠΎΡΠ½ΠΎΡΡΠΈ ΠΏΡΠΈ ΠΎΡ Π»Π°ΠΆΠ΄Π΅Π½ΠΈΠΈ, Π° ΡΠ°ΠΊΠΆΠ΅ ΠΏΠΎΠ΄ Π΄Π΅ΠΉΡΡΠ²ΠΈΠ΅ΠΌ ΡΠΈΠ»Ρ ΡΡΠΆΠ΅ΡΡΠΈ ΠΈΠ·-Π·Π° Π½Π°ΠΊΠ»ΠΎΠ½Π° Π²ΡΠ΅Ρ ΡΡΡΠ± ΠΊΠΎΠ½ΡΡΡΠ°.
Π‘ΡΠΎΡΠΊΠΈ ΠΎΡΠΎΠΏΠ»Π΅Π½ΠΈΡ (4) ΠΈ ΠΎΠ±ΡΠ°ΡΠΊΠ° (5) Π΄ΠΎΠ»ΠΆΠ½Ρ Π±ΡΡΡ ΠΌΠ΅Π½ΡΡΠ΅Π³ΠΎ Π΄ΠΈΠ°ΠΌΠ΅ΡΡΠ°, ΡΠ΅ΠΌ ΠΌΠ°Π³ΠΈΡΡΡΠ°Π»ΠΈ (3 ΠΈ 6), Π° ΡΠ°ΡΡΠΈΡΠΈΡΠ΅Π»ΡΠ½ΡΠΉ Π±Π°ΠΊ (7) ΡΡΡΠ°Π½Π°Π²Π»ΠΈΠ²Π°Π΅ΡΡΡ Π»ΠΈΠ±ΠΎ Π² Π½Π°ΡΠ°Π»Π΅ ΠΏΠΎΠ΄Π°ΡΠΈ (2), Π»ΠΈΠ±ΠΎ ΠΏΠ΅ΡΠ΅Π΄ ΠΊΠΎΡΠ»Π° (1)
Π’Π°ΠΊΠ°Ρ ΡΡ Π΅ΠΌΠ° ΠΎΡΠΎΠΏΠ»Π΅Π½ΠΈΡ ΡΠ°ΡΡΠ½ΠΎΠ³ΠΎ Π΄Π²ΡΡ ΡΡΠ°ΠΆΠ½ΠΎΠ³ΠΎ Π΄ΠΎΠΌΠ° Ρ ΡΠ½Π΅ΡΠ³ΠΎΠ½Π΅Π·Π°Π²ΠΈΡΠΈΠΌΡΠΌ Π³Π°Π·ΠΎΠ²ΡΠΌ ΠΊΠΎΡΠ»ΠΎΠΌ Π±ΡΠ΄Π΅Ρ ΡΠ°Π±ΠΎΡΠ°ΡΡ, Π΄Π°ΠΆΠ΅ Π΅ΡΠ»ΠΈ ΡΠ»Π΅ΠΊΡΡΠΈΡΠ΅ΡΡΠ²ΠΎ Π²ΠΎΠΎΠ±ΡΠ΅ Π½Π΅ ΠΏΠΎΠ΄ΠΊΠ»ΡΡΠ΅Π½ΠΎ, Π½ΠΎ ΡΠΊΠΎΡΠΎΡΡΡ ΡΠΈΡΠΊΡΠ»ΡΡΠΈΠΈ, Π° Π·Π½Π°ΡΠΈΡ ΠΈ ΠΠΠ, Π±ΡΠ΄Π΅Ρ Π½Π°ΠΌΠ½ΠΎΠ³ΠΎ Π½ΠΈΠΆΠ΅. ΠΡΠΎΠΌΠ΅ ΡΠΎΠ³ΠΎ, ΠΌΠ΅Π΄Π»Π΅Π½Π½ΠΎΠ΅ ΡΠ΅ΡΠ΅Π½ΠΈΠ΅ ΠΎΡΡΠ°Π²Π»ΡΠ΅Ρ Π½Π° ΡΡΠ΅Π½ΠΊΠ°Ρ ΡΠΈΡΡΠ΅ΠΌΡ Π³ΠΎΡΠ°Π·Π΄ΠΎ Π±ΠΎΠ»ΡΡΠ΅ ΠΎΡΠ°Π΄ΠΊΠ°.
ΠΠ½ΡΠ΅ΡΠ΅ΡΠ½Π° ΡΠΏΠΎΡΠΎΠ±Π½ΠΎΡΡΡ ΡΠΈΡΡΠ΅ΠΌ Ρ Π΅ΡΡΠ΅ΡΡΠ²Π΅Π½Π½ΠΎΠΉ ΡΠΈΡΠΊΡΠ»ΡΡΠΈΠ΅ΠΉ ΠΊ ΡΠ°ΠΌΠΎΡΠ΅Π³ΡΠ»ΠΈΡΠΎΠ²ΠΊΠ΅: ΡΠ΅ΠΌ Ρ
ΠΎΠ»ΠΎΠ΄Π½Π΅Π΅ Π² Π΄ΠΎΠΌΠ΅, ΡΠ΅ΠΌ Π±ΡΡΡΡΠ΅Π΅ ΠΎΡΡΡΠ²Π°Π΅Ρ ΡΠ΅ΠΏΠ»ΠΎΠ½ΠΎΡΠΈΡΠ΅Π»Ρ Π² Π±Π°ΡΠ°ΡΠ΅ΡΡ
, ΡΠ²Π΅Π»ΠΈΡΠΈΠ²Π°Π΅ΡΡΡ ΡΠ°Π·Π½ΠΈΡΠ° ΡΠ΅ΠΌΠΏΠ΅ΡΠ°ΡΡΡ ΠΏΠΎΠ΄Π°ΡΠΈ ΠΈ ΠΎΠ±ΡΠ°ΡΠΊΠΈ, Π° Π·Π½Π°ΡΠΈΡ ΡΠ°ΡΡ
ΠΎΠ΄ ΠΈ ΡΡΡΠ΅ΠΊΡΠΈΠ²Π½ΠΎΡΡΡ ΠΎΠ±ΠΎΠ³ΡΠ΅Π²Π° .
ΠΡΠ»ΠΈ ΡΠ΅Π³ΡΠ»ΡΡΠ½ΡΠ΅ ΠΎΡΠΊΠ»ΡΡΠ΅Π½ΠΈΡ ΡΠ»Π΅ΠΊΡΡΠΎΡΠ½Π΅ΡΠ³ΠΈΠΈ — ΡΡΡΠΎΠ²Π°Ρ ΡΠ΅Π°Π»ΡΠ½ΠΎΡΡΡ, Π° Π΄ΠΎΠΌ Π½Π΅Π±ΠΎΠ»ΡΡΠΎΠΉ, Π»ΡΡΡΠΈΠΌ ΡΠ΅ΡΠ΅Π½ΠΈΠ΅ΠΌ Π±ΡΠ΄Π΅Ρ ΡΠΈΡΡΠ΅ΠΌΠ° ΡΠΎ ΡΠΌΠ΅ΡΠ°Π½Π½ΡΠΌ ΡΠΈΠΏΠΎΠΌ ΡΠΈΡΠΊΡΠ»ΡΡΠΈΠΈ. ΠΠ³ΠΎ ΠΏΠ»Π°Π½ ΡΠ»Π΅Π΄ΡΠ΅Ρ ΡΠ°ΡΡΡΠΈΡΠ°ΡΡ, ΠΊΠ°ΠΊ Π΄Π»Ρ ΡΠ°ΠΌΠΎΡΠ΅ΡΠ½ΠΎΠΉ ΡΠΈΡΡΠ΅ΠΌΡ β Ρ ΡΠΊΠ»ΠΎΠ½Π°ΠΌΠΈ ΡΡΡΠ±, ΠΊΠΎΡΠ»ΠΎΠΌ Π² Π½ΠΈΠΆΠ½Π΅ΠΉ ΡΠΎΡΠΊΠ΅ ΠΈ Ρ. Π΄.
ΠΠ»Ρ ΡΡΡΠ°Π½ΠΎΠ²ΠΊΠΈ ΡΠΈΡΠΊΡΠ»ΡΡΠΈΠΎΠ½Π½ΠΎΠ³ΠΎ Π½Π°ΡΠΎΡΠ° ΠΏΡΠ΅Π΄ΡΡΠΌΠΎΡΡΠ΅Π½ ΡΠΏΠ΅ΡΠΈΠ°Π»ΡΠ½ΡΠΉ Β«ΠΊΠ°ΡΠΌΠ°Π½Β» — Π±Π°ΠΉΠΏΠ°Ρ ΠΏΠ΅ΡΠ΅Π΄ ΠΊΠΎΡΠ»ΠΎΠΌ; ΠΏΠ΅ΡΠ΅ΠΊΠ»ΡΡΠ΅Π½ΠΈΠ΅ ΡΠΈΠΏΠ° ΡΠΈΡΠΊΡΠ»ΡΡΠΈΠΈ ΠΎΡΡΡΠ΅ΡΡΠ²Π»ΡΠ΅ΡΡΡ Ρ ΠΏΠΎΠΌΠΎΡΡΡ ΠΊΡΠ°Π½ΠΎΠ²
Π ΡΠ°ΠΊΠΎΠΉ ΡΠΈΡΡΠ΅ΠΌΠ΅ ΠΌΠΎΠΆΠ½ΠΎ ΡΡΡΠ°Π½ΠΎΠ²ΠΈΡΡ ΡΠ΅ΠΏΠ»ΡΠ΅ ΠΏΠΎΠ»Ρ, Π½ΠΎ ΠΎΠ½ΠΈ Π±ΡΠ΄ΡΡ ΡΠ°Π±ΠΎΡΠ°ΡΡ ΡΠΎΠ»ΡΠΊΠΎ ΠΏΡΠΈ Π²ΠΊΠ»ΡΡΠ΅Π½Π½ΠΎΠΌ Π½Π°ΡΠΎΡΠ΅.
ΠΠΎΡΠΈΠ·ΠΎΠ½ΡΠ°Π»ΡΠ½Π°Ρ ΠΈ Π²Π΅ΡΡΠΈΠΊΠ°Π»ΡΠ½Π°Ρ ΡΠ°Π·Π²ΠΎΠ΄ΠΊΠ°
Π Π΄Π²ΡΡ ΡΡΠ°ΠΆΠ½ΠΎΠΌ Π΄ΠΎΠΌΠ΅ Π½Π΅ ΠΏΠΎΠ»ΡΡΠΈΡΡΡ ΠΎΠ±ΠΎΠΉΡΠΈΡΡ ΡΠΎΠ»ΡΠΊΠΎ Π³ΠΎΡΠΈΠ·ΠΎΠ½ΡΠ°Π»ΡΠ½ΡΠΌΠΈ ΡΡΡΠ±ΠΎΠΏΡΠΎΠ²ΠΎΠ΄Π°ΠΌΠΈ — Ρ ΠΎΡΡ Π±Ρ ΠΎΠ΄ΠΈΠ½ ΡΡΠΎΡΠΊ Π΄ΠΎΠ»ΠΆΠ΅Π½ ΠΏΠΎΠ΄Π°Π²Π°ΡΡ ΡΠ΅ΠΏΠ»ΠΎΠ½ΠΎΡΠΈΡΠ΅Π»Ρ Π½Π° Π²ΡΠΎΡΠΎΠΉ ΡΡΠ°ΠΆ. ΠΠΎ ΡΠΈΠΏ ΠΏΡΠΎΠ²ΠΎΠ΄ΠΊΠΈ Π² ΡΠ΅Π»ΠΎΠΌ ΡΡΠΎΠ³ΠΎ Π½Π΅ ΠΌΠ΅Π½ΡΠ΅Ρ.
ΠΠΎΡΠΈΠ·ΠΎΠ½ΡΠ°Π»ΡΠ½Π°Ρ ΠΏΡΠΎΠ²ΠΎΠ΄ΠΊΠ° ΠΌΠΎΠΆΠ΅Ρ Π±ΡΡΡ Π²ΡΠΏΠΎΠ»Π½Π΅Π½Π° Π² ΠΏΡΠ΅Π΄Π΅Π»Π°Ρ
ΠΊΠ°ΠΆΠ΄ΠΎΠ³ΠΎ ΡΡΠ°ΠΆΠ°. ΠΡΠΈ Π½Π΅ΠΌ ΡΡΡΠ±Ρ ΡΠΎΠ΅Π΄ΠΈΠ½ΡΡΡ Π²ΡΠ΅ ΡΠ°Π΄ΠΈΠ°ΡΠΎΡΡ ΠΎΠ΄Π½ΠΎΠ³ΠΎ ΡΡΠΎΠ²Π½Ρ Π² Π΅Π΄ΠΈΠ½ΡΠΉ ΠΊΠΎΠ½ΡΡΡ. ΠΠ½ ΡΠ°ΠΌΡΠΉ ΡΠ½ΠΈΠ²Π΅ΡΡΠ°Π»ΡΠ½ΡΠΉ ΠΈ ΠΏΠΎΠΏΡΠ»ΡΡΠ½ΡΠΉ, ΠΌΠΎΠΆΠ΅Ρ Π±ΡΡΡ ΡΠ΅Π°Π»ΠΈΠ·ΠΎΠ²Π°Π½ Ρ Π»ΡΠ±ΠΎΠΉ ΠΏΠ»Π°Π½ΠΈΡΠΎΠ²ΠΊΠΎΠΉ.
Π Π°Π·Π»ΠΈΡΠ°ΡΡ ΡΠ°ΠΊΠΆΠ΅ Π²Π΅ΡΡ Π½ΡΡ ΠΈ Π½ΠΈΠΆΠ½ΡΡ ΡΠ°Π·Π²ΠΎΠ΄ΠΊΡ, ΠΊΠΎΡΠΎΡΠ°Ρ ΠΎΡΠ½ΠΎΡΠΈΡΡΡ ΠΊ Π²Π΅ΡΡΠΈΠΊΠ°Π»ΡΠ½ΠΎΠΉ ΡΠ°ΡΡΠΈ ΡΡΡΠ±ΠΎΠΏΡΠΎΠ²ΠΎΠ΄Π°. ΠΠ»Ρ ΡΠΈΡΡΠ΅ΠΌ Ρ ΡΠ°ΠΌΠΎΡΠ΅ΡΠ½ΠΎΠΉ ΡΠΈΡΠΊΡΠ»ΡΡΠΈΠ΅ΠΉ ΡΠΎΠ»ΡΠΊΠΎ ΡΠΎΠΏ
ΠΡΠ΅Π΄ΡΡΠ°Π²ΡΡΠ΅ ΡΠ΅Π±Π΅ ΠΎΠ΄Π½ΠΎΡΡΡΠ±Π½ΡΡ Π²Π΅ΡΡΠΈΠΊΠ°Π»ΡΠ½ΡΡ ΡΠ°Π·Π²ΠΎΠ΄ΠΊΡ ΠΏΡΠΎΡΡΠΎ Π½Π° ΠΏΡΠΈΠΌΠ΅ΡΠ΅ ΡΠΈΡΡΠ΅ΠΌΡ ΠΎΡΠΎΠΏΠ»Π΅Π½ΠΈΡ ΠΌΠ½ΠΎΠ³ΠΎΠΊΠ²Π°ΡΡΠΈΡΠ½ΠΎΠ³ΠΎ Π΄ΠΎΠΌΠ°. ΠΠ»Π°Π½ΠΈΡΠΎΠ²ΠΊΠ° ΠΊΠ°ΠΆΠ΄ΠΎΠ³ΠΎ ΡΡΠ°ΠΆΠ°, Π² ΡΠΎΠΌ ΡΠΈΡΠ»Π΅ ΡΠ°ΡΠΏΠΎΠ»ΠΎΠΆΠ΅Π½ΠΈΠ΅ ΡΠ°Π΄ΠΈΠ°ΡΠΎΡΠΎΠ², ΠΈΠ΄Π΅Π°Π»ΡΠ½ΠΎ ΠΈΠΌ ΡΠΎΠΎΡΠ²Π΅ΡΡΡΠ²ΡΠ΅Ρ. ΠΠ°ΠΆΠ΄Π°Ρ Π±Π°ΡΠ°ΡΠ΅Ρ ΡΠΎΠ΅Π΄ΠΈΠ½Π΅Π½Π° ΡΡΠΎΡΠΊΠΎΠΌ Ρ ΡΠ°ΠΊΠΈΠΌ ΠΆΠ΅ ΠΎΡ ΡΠΎΡΠ΅Π΄Π΅ΠΉ ΡΠ½ΠΈΠ·Ρ ΠΈ ΡΠ²Π΅ΡΡ Ρ, Π½ΠΎ Π³ΠΎΡΠΈΠ·ΠΎΠ½ΡΠ°Π»ΡΠ½ΡΡ ΡΡΡΠ± ΠΎΡΠΎΠΏΠ»Π΅Π½ΠΈΡ Π² ΠΊΠ²Π°ΡΡΠΈΡΠ΅ Π½Π΅Ρ.
ΠΡΠ»ΠΈ Π² Π²Π°ΡΠ΅ΠΌ Π΄ΠΎΠΌΠ΅ ΠΏΠ»Π°Π½ΠΈΡΠΎΠ²ΠΊΠ° ΠΏΠΎΠ·Π²ΠΎΠ»ΡΠ΅Ρ ΡΠ°Π·ΠΌΠ΅ΡΡΠΈΡΡ Π²ΡΠ΅ ΡΠ°Π΄ΠΈΠ°ΡΠΎΡΡ ΡΠΎΠ²Π½ΠΎ Π΄ΡΡΠ³ Π½Π°Π΄ Π΄ΡΡΠ³ΠΎΠΌ, Π²Π΅ΡΡΠΈΠΊΠ°Π»ΡΠ½Π°Ρ ΡΡ Π΅ΠΌΠ° Π±ΡΠ΄Π΅Ρ ΡΠ°Π±ΠΎΡΠ°ΡΡ ΡΡΡΠ΅ΠΊΡΠΈΠ²Π½Π΅Π΅, ΠΎΡΠΎΠ±Π΅Π½Π½ΠΎ ΠΏΡΠΈ Π³ΡΠ°Π²ΠΈΡΠ°ΡΠΈΠΎΠ½Π½ΠΎΠΌ ΡΠΈΠΏΠ΅ ΡΠΈΡΠΊΡΠ»ΡΡΠΈΠΈ. ΠΡΠΎΠΌΠ΅ ΡΠΎΠ³ΠΎ, ΡΡΠΎΡΠΊΠΈ Π»Π΅Π³ΡΠ΅ Π·Π°ΠΌΠ°ΡΠΊΠΈΡΠΎΠ²Π°ΡΡ, ΡΠ΅ΠΌ Π³ΠΎΡΠΈΠ·ΠΎΠ½ΡΠ°Π»ΡΠ½ΡΠ΅ ΡΡΡΠ±Ρ.
ΠΠ΄Π½Π°ΠΊΠΎ ΠΏΡΠΈ ΠΌΠΎΠ½ΡΠ°ΠΆΠ΅ ΡΠΈΡΡΠ΅ΠΌΡ ΠΏΡΠΈΠ΄Π΅ΡΡΡ ΠΌΠ½ΠΎΠ³ΠΎΠΊΡΠ°ΡΠ½ΠΎ ΠΏΠ΅ΡΠ΅ΡΠ΅ΠΊΠ°ΡΡ ΡΡΠ°ΠΆΠΈ, Π° ΡΡΠΎ ΡΠ»ΠΎΠΆΠ½Π΅Π΅, ΡΠ΅ΠΌ ΠΏΡΠΎΠ²Π΅ΡΡΠΈ ΡΡΡΠ±Ρ ΡΠ΅ΡΠ΅Π· ΡΡΠ΅Π½Ρ.
ΠΠΎΠΏΠΎΠ»Π½ΠΈΡΠ΅Π»ΡΠ½ΠΎΠ΅ ΠΎΠ±ΠΎΡΡΠ΄ΠΎΠ²Π°Π½ΠΈΠ΅ β ΠΏΡΠ΅ΠΈΠΌΡΡΠ΅ΡΡΠ²Π° ΠΈ Π½Π΅Π΄ΠΎΡΡΠ°ΡΠΊΠΈ
ΠΡΠ±ΠΎΠΉ ΠΊΠΎΠ½ΡΡΡ ΠΎΡΠΎΠΏΠ»Π΅Π½ΠΈΡ ΠΌΠΎΠΆΠ½ΠΎ ΡΡΠΎΠ²Π΅ΡΡΠ΅Π½ΡΡΠ²ΠΎΠ²Π°ΡΡ, Π΄ΠΎΠ±Π°Π²ΠΈΠ² ΠΊΠ»Π°ΠΏΠ°Π½Ρ ΡΠ΅Π³ΡΠ»ΠΈΡΠΎΠ²Π°Π½ΠΈΡ ΡΠ΅ΠΌΠΏΠ΅ΡΠ°ΡΡΡΡ Π΄Π»Ρ ΡΠ΅Π³ΡΠ»ΠΈΡΠΎΠ²ΠΊΠΈ ΡΠ°Π±ΠΎΡΡ ΠΊΠ°ΠΆΠ΄ΠΎΠΉ Π±Π°ΡΠ°ΡΠ΅ΠΈ, ΡΠ΅ΡΠΌΠΎΡΡΠ°ΡΡ, Π³ΠΈΠ΄ΡΠ°Π²Π»ΠΈΡΠ΅ΡΠΊΡΡ ΡΡΡΠ΅Π»ΠΊΡ, ΡΠΈΡΠΊΡΠ»ΡΡΠΈΠΎΠ½Π½ΡΠΉ Π½Π°ΡΠΎΡ Π΄Π»Ρ ΠΊΠ°ΠΆΠ΄ΠΎΠ³ΠΎ ΠΊΠΎΠ½ΡΡΡΠ° ΠΈ Π΄ΡΡΠ³ΠΈΠ΅ Π΄ΠΎΠΏΠΎΠ»Π½ΠΈΡΠ΅Π»ΡΠ½ΡΠ΅ ΡΡΡΡΠΎΠΉΡΡΠ²Π°.
ΠΡΠ°Π½Ρ ΠΠ°Π΅Π²ΡΠΊΠΎΠ³ΠΎ ΠΈ Π²ΠΎΠ·Π΄ΡΡΠ½ΠΈΠΊΠΈ Π²Π²Π΅ΡΡ Ρ ΠΊΠ°ΠΆΠ΄ΠΎΠ³ΠΎ ΡΡΠΎΡΠΊΠ° ΠΎΠ±ΡΠ·Π°ΡΠ΅Π»ΡΠ½Ρ Π² ΡΠΈΡΡΠ΅ΠΌΠ°Ρ Ρ Π·Π°ΠΊΡΡΡΡΠΌ ΡΠ°ΡΡΠΈΡΠΈΡΠ΅Π»ΡΠ½ΡΠΌ Π±Π°ΠΊΠΎΠΌ. ΠΠ°ΠΆΠ΄ΠΎΠ΅ Π΄ΠΎΠΏΠΎΠ»Π½ΠΈΡΠ΅Π»ΡΠ½ΠΎΠ΅ ΡΡΡΡΠΎΠΉΡΡΠ²ΠΎ Π΄Π΅Π»Π°Π΅Ρ ΡΠΈΡΡΠ΅ΠΌΡ Π±ΠΎΠ»Π΅Π΅ ΡΡΡΠ΅ΠΊΡΠΈΠ²Π½ΠΎΠΉ, ΡΠΊΠΎΠ½ΠΎΠΌΠΈΡΠ½ΠΎΠΉ, Π΄Π°Π΅Ρ Π²ΠΎΠ·ΠΌΠΎΠΆΠ½ΠΎΡΡΡ Π±ΠΎΠ»Π΅Π΅ ΡΠΎΠ½ΠΊΠΎΠΉ ΠΈ ΡΠ΄ΠΎΠ±Π½ΠΎΠΉ Π½Π°ΡΡΡΠΎΠΉΠΊΠΈ.
Π‘ΡΠΎΠΈΡ ΠΏΠΎΠΌΠ½ΠΈΡΡ, ΡΡΠΎ ΡΡΠ΅Π·ΠΌΠ΅ΡΠ½ΠΎΠ΅ ΡΡΠ»ΠΎΠΆΠ½Π΅Π½ΠΈΠ΅ ΡΠΈΡΡΠ΅ΠΌΡ Π½Π΅ ΡΠΎΠ»ΡΠΊΠΎ ΡΠ΄ΠΎΡΠΎΠΆΠ°Π΅Ρ Π΅Π΅ ΡΡΠΎΠΈΠΌΠΎΡΡΡ, Π½ΠΎ ΠΈ Π·Π½Π°ΡΠΈΡΠ΅Π»ΡΠ½ΠΎ ΠΏΠΎΠ²ΡΡΠ°Π΅Ρ ΡΠΈΡΠΊ ΠΏΠΎΠ»ΠΎΠΌΠΊΠΈ
ΠΡΠΏΠΎΠ»ΡΠ·ΡΠΉΡΠ΅ ΡΠΎΠ»ΡΠΊΠΎ Π½Π΅ΠΎΠ±Ρ ΠΎΠ΄ΠΈΠΌΡΠ΅ ΠΊΠΎΠΌΠΏΠΎΠ½Π΅Π½ΡΡ, Π²Π΅Π΄Ρ ΡΠ΅ΠΌ ΠΌΠ΅Π½ΡΡΠ΅ ΡΠ½ΠΈΡΠΎΠ², ΡΠ΅ΠΌ ΠΌΠ΅Π½ΡΡΠ΅ Π²Π΅ΡΠΎΡΡΠ½ΠΎΡΡΡ Π²ΡΡ ΠΎΠ΄Π° ΠΎΠ΄Π½ΠΎΠ³ΠΎ ΠΈΠ· Π½ΠΈΡ ΠΈΠ· ΡΠΈΡΡΠ΅ΠΌΡ ΠΈ ΠΎΡΡΠ°Π½ΠΎΠ²ΠΊΠΈ ΡΠΈΡΡΠ΅ΠΌΡ.
ΠΡΡΡΠΈΠ΅ ΡΡ Π΅ΠΌΡ Π΄Π²ΡΡ ΡΡΠ°ΠΆΠ½ΠΎΠ³ΠΎ Π΄ΠΎΠΌΠ°
Π ΠΊΠ°ΠΆΠ΄ΠΎΠΌ ΡΠ»ΡΡΠ°Π΅ Π½Π΅ΠΎΠ±Ρ ΠΎΠ΄ΠΈΠΌΠΎ ΡΠ°Π·ΡΠ°Π±ΠΎΡΠ°ΡΡ ΠΈΠ½Π΄ΠΈΠ²ΠΈΠ΄ΡΠ°Π»ΡΠ½ΡΠΉ ΠΏΡΠΎΠ΅ΠΊΡ ΠΎΡΠΎΠΏΠ»Π΅Π½ΠΈΡ, ΠΊΠΎΡΠΎΡΡΠΉ ΠΎΠ±Π΅ΡΠΏΠ΅ΡΠΈΡ ΡΡΡΠ΅ΠΊΡΠΈΠ²Π½ΡΡ ΠΈ ΡΠΊΠΎΠ½ΠΎΠΌΠΈΡΠ½ΡΡ ΡΠΊΡΠΏΠ»ΡΠ°ΡΠ°ΡΠΈΡ.
Π§ΡΠΎΠ±Ρ ΡΠ΄Π΅Π»Π°ΡΡ ΠΏΡΠ°Π²ΠΈΠ»ΡΠ½ΡΠΉ Π²ΡΠ±ΠΎΡ, Π½Π΅ΠΎΠ±Ρ ΠΎΠ΄ΠΈΠΌΠΎ ΡΡΠΈΡΡΠ²Π°ΡΡ ΡΠ°ΠΊΠΈΠ΅ ΡΠ°ΠΊΡΠΎΡΡ:
- ΠΊΠ»ΠΈΠΌΠ°Ρ ΠΈ ΠΊΠ°ΡΠ΅ΡΡΠ²ΠΎ ΡΡΠ΅ΠΏΠ»Π΅Π½ΠΈΡ Π·Π΄Π°Π½ΠΈΡ;
- ΠΊΠΎΠ»ΠΈΡΠ΅ΡΡΠ²ΠΎ ΠΈ Π½Π°Π·Π½Π°ΡΠ΅Π½ΠΈΠ΅ ΠΏΠΎΠΌΠ΅ΡΠ΅Π½ΠΈΠΉ. ΠΠ΅Π·Π΄Π΅ Π»ΠΈ Π½Π΅ΠΎΠ±Ρ ΠΎΠ΄ΠΈΠΌ ΠΏΠΎΡΡΠΎΡΠ½Π½ΡΠΉ ΠΈ ΡΠ°Π²Π½ΠΎΠΌΠ΅ΡΠ½ΡΠΉ ΠΎΠ±ΠΎΠ³ΡΠ΅Π²;
- ΡΡΠ°Π±ΠΈΠ»ΡΠ½ΠΎΡΡΡ ΡΠ»Π΅ΠΊΡΡΠΎΡΠ½Π°Π±ΠΆΠ΅Π½ΠΈΡ ΠΈ Π½Π°Π»ΠΈΡΠΈΠ΅ Π³Π΅Π½Π΅ΡΠ°ΡΠΎΡΠ° Π²ΠΎ ΠΌΠ½ΠΎΠ³ΠΎΠΌ ΠΎΠΏΡΠ΅Π΄Π΅Π»ΡΡΡ ΡΠΈΠΏ ΡΠΈΡΠΊΡΠ»ΡΡΠΈΠΈ;
- ΠΈΠ½Π΄ΠΈΠ²ΠΈΠ΄ΡΠ°Π»ΡΠ½ΡΠ΅ ΠΏΠΎΠΆΠ΅Π»Π°Π½ΠΈΡ ΠΆΠΈΠ»ΡΡΠΎΠ² — ΡΠ΅ΠΏΠ»ΡΠ΅ ΠΏΠΎΠ»Ρ ΠΈΠ»ΠΈ ΡΡΠ΅Π½Ρ Π² ΠΎΡΠ΄Π΅Π»ΡΠ½ΡΡ
ΠΊΠΎΠΌΠ½Π°ΡΠ°Ρ
ΠΈΠ»ΠΈ Π²ΠΎ Π²ΡΠ΅ΠΌ Π΄ΠΎΠΌΠ΅ ΠΈ Π΄Ρ.

- ΠΏΠ»Π°Π½ΠΈΡΠΎΠ²ΠΊΠ° ΠΏΠΎΠΌΠ΅ΡΠ΅Π½ΠΈΠΉ — Π²ΠΎΠ·ΠΌΠΎΠΆΠ½Π° Π»ΠΈ ΠΏΡΠΎΠ²ΠΎΠ΄ΠΊΠ° ΠΏΠΎ ΠΏΠ΅ΡΠΈΠΌΠ΅ΡΡΡ;
- Π’ΡΠ΅Π±ΠΎΠ²Π°Π½ΠΈΡ ΠΊ ΠΊΠΎΠ½ΡΡΡΡΠΊΡΠΈΠΈ ΠΈ ΡΡΠ°Π΄ΠΈΠΈ ΡΠ΅ΠΌΠΎΠ½ΡΠ°. ΠΠΎ ΠΌΠ½ΠΎΠ³ΠΈΡ ΡΠ»ΡΡΠ°ΡΡ Π²ΡΠ΅ ΡΡΡΠ±Ρ, Π° ΠΈΠ½ΠΎΠ³Π΄Π° ΠΈ ΠΎΡΠΎΠΏΠΈΡΠ΅Π»ΡΠ½ΡΠ΅ ΠΏΡΠΈΠ±ΠΎΡΡ ΠΌΠΎΠΆΠ½ΠΎ ΡΠΏΡΡΡΠ°ΡΡ Π² ΠΏΠΎΠ» ΠΈ ΡΡΠ΅Π½Ρ;
- ΡΠΌΠ΅ΡΠ° — ΡΠΌΠ΅ΡΠ° Π½Π° ΠΎΠ±ΡΡΡΡΠΎΠΉΡΡΠ²ΠΎ ΠΎΡΠΎΠΏΠ»Π΅Π½ΠΈΡ Π² ΠΎΠ΄Π½ΠΎΠΌ Π΄ΠΎΠΌΠ΅ ΠΌΠΎΠΆΠ΅Ρ ΠΎΡΠ»ΠΈΡΠ°ΡΡΡΡ Π²ΠΎ ΠΌΠ½ΠΎΠ³ΠΎ ΡΠ°Π· ΠΈ Π² Π΄Π΅ΡΡΡΠΊΠΈ ΡΠ°Π·.
ΠΡΠ²Π΅ΡΠΈΠ² Π½Π° Π²ΡΠ΅ ΡΡΠΈ Π²ΠΎΠΏΡΠΎΡΡ, ΠΈ Π·Π½Π°Ρ ΠΎΡΠΎΠ±Π΅Π½Π½ΠΎΡΡΠΈ ΡΠ°Π·Π½ΡΡ ΡΡ Π΅ΠΌ, Π²Ρ ΠΏΠΎΠ»ΡΡΠΈΡΠ΅ ΠΏΡΠ΅Π΄ΡΡΠ°Π²Π»Π΅Π½ΠΈΠ΅ ΠΎ Π½Π΅ΠΎΠ±Ρ ΠΎΠ΄ΠΈΠΌΠΎΠΌ Π²Π°ΡΠΈΠ°Π½ΡΠ΅.
ΠΠ΅ Π³ΠΎΠ½ΠΈΡΠ΅ΡΡ Π·Π° ΡΡΠ΅Π·ΠΌΠ΅ΡΠ½ΠΎ ΡΠ»ΠΎΠΆΠ½ΡΠΌΠΈ ΡΡ Π΅ΠΌΠ°ΠΌΠΈ: ΠΈΠ½ΠΎΠ³Π΄Π° ΠΏΡΠΈΠΌΠΈΡΠΈΠ²Π½ΡΠ΅ Π±ΠΎΠ»Π΅Π΅ Π½Π°Π΄Π΅ΠΆΠ½Ρ ΠΈ Π½Π΅ ΠΌΠ΅Π½Π΅Π΅ ΡΡΡΠ΅ΠΊΡΠΈΠ²Π½Ρ, ΠΈ Π½Π΅Ρ Π½Π΅ΠΎΠ±Ρ ΠΎΠ΄ΠΈΠΌΠΎΡΡΠΈ Π² Π΄ΠΎΠ²ΠΎΠ΄ΠΊΠ΅
ΠΠ°Π»Π΅Π΅ ΠΏΡΠ΅Π΄Π»Π°Π³Π°Π΅ΠΌ Π²ΡΠ±ΡΠ°ΡΡ ΠΎΠ΄Π½Ρ ΠΈΠ· ΠΏΡΠΎΠ²Π΅ΡΠ΅Π½Π½ΡΡ ΡΡΡΠ΅ΠΊΡΠΈΠ²Π½ΡΡ ΡΡ Π΅ΠΌ ΠΏΠΎΠ΄ΠΊΠ»ΡΡΠ΅Π½ΠΈΡ ΠΎΡΠΎΠΏΠΈΡΠ΅Π»ΡΠ½ΡΡ ΠΏΡΠΈΠ±ΠΎΡΠΎΠ² ΠΊ ΠΊΠΎΡΠ»Ρ ΠΈ Π½Π°ΡΡΡΠ°ΠΈΠ²Π°Ρ Π΅Π³ΠΎ Π² ΡΠΎΠΎΡΠ²Π΅ΡΡΡΠ²ΠΈΠΈ Ρ Π²Π°ΡΠΈΠΌ ΠΌΠ°ΠΊΠ΅ΡΠΎΠΌ.
ΠΠ΄Π½ΠΎΡΡΡΠ±Π½Π°Ρ ΠΠ΅Π½ΠΈΠ½Π³ΡΠ°Π΄ΠΊΠ° — Π½Π°Π΄Π΅ΠΆΠ½ΠΎ ΠΈ Π΄Π΅ΡΠ΅Π²ΠΎ
Π’Π°ΠΊΠ°Ρ ΠΎΠ΄Π½ΠΎΡΡΡΠ±Π½Π°Ρ ΡΡ
Π΅ΠΌΠ° ΡΠ²Π»ΡΠ΅ΡΡΡ ΠΎΠ΄Π½ΠΎΠΉ ΠΈΠ· ΡΠ°ΠΌΡΡ
Π΄Π΅ΡΠ΅Π²ΡΡ
, ΠΏΡΠΎΡΡΡΡ
ΠΈ ΡΡΠ°ΡΡΡ
, Π½ΠΎ Π°ΠΊΡΡΠ°Π»ΡΠ½ΡΡ
ΠΈ ΠΏΠΎΠΏΡΠ»ΡΡΠ½ΡΡ
ΠΏΠΎ ΡΠ΅ΠΉ Π΄Π΅Π½Ρ. ΠΡΠΏΠΎΠ»ΡΠ·ΠΎΠ²Π°Π½ΠΈΠ΅ ΡΠΎΠ»ΡΠΊΠΎ ΡΠ°Π΄ΠΈΠ°ΡΠΎΡΠΎΠ² ΠΏΠΎΠ·Π²ΠΎΠ»ΡΠ΅Ρ ΠΎΠ±Π΅ΡΠΏΠ΅ΡΠΈΡΡ ΡΠΌΠ΅ΡΠ°Π½Π½ΡΠΉ ΡΠΈΠΏ ΡΠΈΡΠΊΡΠ»ΡΡΠΈΠΈ Π² ΡΠ»ΡΡΠ°Π΅ ΠΎΡΠΊΠ»ΡΡΠ΅Π½ΠΈΡ ΡΠ»Π΅ΠΊΡΡΠΈΡΠ΅ΡΡΠ²Π°.
ΠΠ»Ρ ΡΡΠΎΠ³ΠΎ Π³Π°Π·ΠΎΠ²ΡΠΉ ΠΊΠΎΡΠ΅Π» Π΄ΠΎΠ»ΠΆΠ΅Π½ Π±ΡΡΡ ΡΠ½Π΅ΡΠ³ΠΎΠ½Π΅Π·Π°Π²ΠΈΡΠΈΠΌΡΠΌ, Π²ΡΠ΅ ΡΡΡΠ±Ρ Π΄ΠΎΠ»ΠΆΠ½Ρ ΠΈΠ΄ΡΠΈ Ρ ΡΠΊΠ»ΠΎΠ½ΠΎΠΌ 5 β 10 ΠΌΠΌ Π½Π° 1 ΠΌΠ΅ΡΡ.
ΠΠ»Ρ ΠΎΠ±Π»Π΅Π³ΡΠ΅Π½ΠΈΡ ΡΠ΅Π³ΡΠ»ΠΈΡΠΎΠ²ΠΊΠΈ ΠΌΠΎΠΆΠ½ΠΎ ΠΏΠΎΡΡΠ°Π²ΠΈΡΡ ΡΠ΅ΡΠΌΠΎΡΡΠ°ΡΡ Π½Π° ΠΏΠΎΠ΄Π°ΡΡ ΠΊΠ°ΠΆΠ΄ΠΎΠΉ Π±Π°ΡΠ°ΡΠ΅ΠΈ, ΡΠ΅Π³ΡΠ»ΠΈΡΡΡΡΠΈΠ΅ Π²Π΅Π½ΡΠΈΠ»ΠΈ Π½Π° Π±Π°ΠΉΠΏΠ°Ρ Π±Π°ΡΠ°ΡΠ΅ΠΈ. ΠΠΎΠΏΠΎΠ»Π½ΠΈΡΠ΅Π»ΡΠ½ΡΠΉ Π²Π΅Π½ΡΠΈΠ»Ρ Π½Π° ΡΡΠΎΡΠΊΠ΅ Π΄Π°ΡΡ Π²ΠΎΠ·ΠΌΠΎΠΆΠ½ΠΎΡΡΡ ΠΎΡΠΊΠ»ΡΡΠΈΡΡ ΠΎΡΠΎΠΏΠΈΡΠ΅Π»ΡΠ½ΡΠΉ ΠΊΠΎΠ½ΡΡΡ ΠΎΡΠ΄Π΅Π»ΡΠ½ΠΎΠ³ΠΎ ΡΡΠ°ΠΆΠ°.
Π’Π΅ΠΏΠ»ΡΠΉ ΠΏΠΎΠ» ΠΌΠΎΠΆΠ½ΠΎ Π²ΠΊΠ»ΡΡΠΈΡΡ Π² ΡΠΈΡΡΠ΅ΠΌΡ ΠΊΠ°ΠΊ ΠΎΡΠ΄Π΅Π»ΡΠ½ΡΠΉ, ΡΡΠ΅ΡΠΈΠΉ ΠΊΠΎΠ½ΡΡΡ, ΠΈΠ»ΠΈ Π·Π°ΠΌΠ΅Π½ΠΈΡΡ ΡΠ°Π΄ΠΈΠ°ΡΠΎΡΡ Π½Π° ΠΎΠ΄Π½ΠΎΠΌ ΡΡΠ°ΠΆΠ΅. ΠΠ΄Π½Π°ΠΊΠΎ Π² ΡΡΠΎΠΌ ΡΠ»ΡΡΠ°Π΅ ΡΠ°Π·Π΄Π΅Π»Π΅Π½ΠΈΠ΅ ΠΏΠΎΡΠΎΠΊΠΎΠ² Π΄ΠΎΠ»ΠΆΠ½ΠΎ ΠΏΡΠΎΡ ΠΎΠ΄ΠΈΡΡ ΡΠ΅ΡΠ΅Π· ΡΠ΅ΡΠΌΠΎΡΠΌΠ΅ΡΠΈΡΠ΅Π»Ρ ΠΈΠ»ΠΈ ΡΠ°ΠΊ, ΡΡΠΎΠ±Ρ ΠΏΠΎΠ» Π½Π΅ Π½Π°Π³ΡΠ΅Π²Π°Π»ΡΡ Π² ΠΌΠΎΡΠΎΠ·Ρ Π΄ΠΎ 70 β 80Β°Π‘, ΠΊΠ°ΠΊ Π±Π°ΡΠ°ΡΠ΅ΠΈ.
Π’Π°ΠΊΠΆΠ΅ ΡΡΡΠΈΡΠ΅, ΡΡΠΎ ΠΏΡΠΈ ΠΎΡΠΊΠ»ΡΡΠ΅Π½ΠΈΠΈ ΠΏΠΈΡΠ°Π½ΠΈΡ Π±ΡΠ΄ΡΡ ΡΠ°Π±ΠΎΡΠ°ΡΡ ΡΠΎΠ»ΡΠΊΠΎ Π±Π°ΡΠ°ΡΠ΅ΠΈ, Π° Π² ΡΡΡΠΎΠ³ΠΎ Π³ΠΎΡΠΈΠ·ΠΎΠ½ΡΠ°Π»ΡΠ½ΠΎΠΉ ΡΡ Π΅ΠΌΠ΅ ΡΠ΅ΠΏΠ»ΠΎΠ³ΠΎ ΠΏΠΎΠ»Π° ΡΠ΅ΠΏΠ»ΠΎΠ½ΠΎΡΠΈΡΠ΅Π»Ρ Π±ΡΠ΄Π΅Ρ ΠΏΡΠΎΡΡΠ°ΠΈΠ²Π°ΡΡ.
ΠΠ»Ρ ΡΡΡΠ΅ΠΊΡΠΈΠ²Π½ΠΎΠΉ ΡΠ°Π±ΠΎΡΡ ΡΠΈΡΡΠ΅ΠΌΡ Β«ΠΠ΅Π½ΠΈΠ½Π³ΡΠ°Π΄ΠΊΠ°Β» Π½Π΅ΠΎΠ±Ρ ΠΎΠ΄ΠΈΠΌΠΎ ΠΈΡΠΏΠΎΠ»ΡΠ·ΠΎΠ²Π°ΡΡ ΡΡΡΠ±Ρ ΡΠ°Π·Π½ΠΎΠ³ΠΎ Π΄ΠΈΠ°ΠΌΠ΅ΡΡΠ°: ΠΏΠΎΠ΄Π²ΠΎΠ΄ ΠΎΡ ΠΊΠΎΡΠ»Π° ΠΊ ΡΠ°Π·Π΄Π΅Π»Π΅Π½ΠΈΡ Π½Π° ΠΎΡΠ΄Π΅Π»ΡΠ½ΡΠ΅ ΡΡΠ°ΠΆΠ½ΡΠ΅ ΠΊΠΎΠ½ΡΡΡΡ β Π½Π°ΠΈΠ±ΠΎΠ»ΡΡΠ°Ρ, ΡΡΠ°ΠΆΠ½Π°Ρ ΠΌΠ°Π³ΠΈΡΡΡΠ°Π»Ρ β ΡΡΠ΅Π΄Π½ΡΡ, ββΠΏΠΎΠ΄ΠΊΠ»ΡΡΠ΅Π½ΠΈΠ΅ ΡΠ°Π΄ΠΈΠ°ΡΠΎΡΠΎΠ² β Π½Π°ΠΈΠΌΠ΅Π½ΡΡΠ°Ρ Π΄ΠΈΠ°ΠΌΠ΅ΡΡ
ΠΡΠ½ΠΎΠ²Π½ΠΎΠ΅ ΠΎΠ³ΡΠ°Π½ΠΈΡΠ΅Π½ΠΈΠ΅ ΠΏΡΠΈ ΠΎΠ±ΡΡΡΡΠΎΠΉΡΡΠ²Π΅ ΡΠ°ΠΊΠΎΠΉ ΡΠΈΡΡΠ΅ΠΌΡ ΠΊΠ°ΡΠ°Π΅ΡΡΡ ΠΎΡΠ°ΠΏΠ»ΠΈΠ²Π°Π΅ΠΌΠΎΠΉ ΠΏΠ»ΠΎΡΠ°Π΄ΠΈ: Π΄ΠΎΠΌ Π±ΠΎΠ»Π΅Π΅ 100 ΠΌ 2 ΠΠ΅ ΠΏΡΠΎΠ³ΡΠ΅Π²Π°Π΅ΡΡΡ ΠΏΡΠΈ Π΅ΡΡΠ΅ΡΡΠ²Π΅Π½Π½ΠΎΠΉ ΡΠΈΡΠΊΡΠ»ΡΡΠΈΠΈ ΡΠ΅ΠΏΠ»ΠΎΠ½ΠΎΡΠΈΡΠ΅Π»Ρ.
Π’Π°ΠΊΠ°Ρ ΡΠΈΡΡΠ΅ΠΌΠ° ΡΠΏΠ°ΡΠ΅Ρ ΡΠΎΠ»ΡΠΊΠΎ ΠΎΡ ΡΠ°Π·ΠΌΠΎΡΠΎΠ·ΠΊΠΈ ΡΡΡΠ± ΠΈ ΠΏΠΎΠ»ΠΎΠΌΠΊΠΈ ΡΠ΅ΠΏΠ»ΠΎΠΎΠ±ΠΌΠ΅Π½Π½ΠΈΠΊΠ° ΠΊΠΎΡΠ»Π° ΠΏΡΠΈ Π΄Π»ΠΈΡΠ΅Π»ΡΠ½ΠΎΠΌ ΠΎΡΠΊΠ»ΡΡΠ΅Π½ΠΈΠΈ, Π½ΠΎ Π½Π΅ ΠΎΡ Ρ
ΠΎΠ»ΠΎΠ΄Π°.
ΠΡΠΎΠΌΠ΅ ΡΠΎΠ³ΠΎ, Π΄Π°ΠΆΠ΅ ΠΏΡΠΈ ΠΏΡΠΈΠ½ΡΠ΄ΠΈΡΠ΅Π»ΡΠ½ΠΎΠΉ ΡΠΈΡΠΊΡΠ»ΡΡΠΈΠΈ ΡΠ°ΠΊΡΡ ββΡΡ Π΅ΠΌΡ ΠΎΡΠΎΠΏΠ»Π΅Π½ΠΈΡ ΠΏΡΠ°ΠΊΡΠΈΡΠ΅ΡΠΊΠΈ Π½Π΅Π²ΠΎΠ·ΠΌΠΎΠΆΠ½ΠΎ Π½Π°ΡΡΡΠΎΠΈΡΡ, Π΅ΡΠ»ΠΈ Π² Π½Π΅Π΅ Π²Ρ ΠΎΠ΄ΠΈΡ Π±ΠΎΠ»Π΅Π΅ 5 β 7 Π±Π°ΡΠ°ΡΠ΅ΠΉ. Π’ΠΎ Π΅ΡΡΡ Π΄Π»Ρ ΡΠ΄ΠΎΠ±ΡΡΠ²Π° ΠΈΡΠΏΠΎΠ»ΡΠ·ΠΎΠ²Π°Π½ΠΈΡ Π² Π±ΠΎΠ»ΡΡΠΎΠΌ Π΄ΠΎΠΌΠ΅ Π½Π΅ΠΎΠ±Ρ ΠΎΠ΄ΠΈΠΌΠΎ ΡΠ°Π·Π±ΠΈΡΡ ΡΠ΅ΠΏΡ Π½Π° Π±ΠΎΠ»ΡΡΠ΅Π΅ ΠΊΠΎΠ»ΠΈΡΠ΅ΡΡΠ²ΠΎ ΡΠ΅ΠΏΠ΅ΠΉ.
ΠΠΎΠ΄ΡΠΎΠ±Π½Π΅Π΅ ΠΎΠ± ΡΡΡΡΠΎΠΉΡΡΠ²Π΅ ΠΎΠ΄Π½ΠΎΡΡΡΠ±Π½ΠΎΠΉ ΡΠΈΡΡΠ΅ΠΌΡ ΠΎΡΠΎΠΏΠ»Π΅Π½ΠΈΡ ΠΠ΅Π½ΠΈΠ½Π³ΡΠ°Π΄ΠΊΠΈ ΠΌΠΎΠΆΠ½ΠΎ ΠΏΡΠΎΡΠΈΡΠ°ΡΡ Π² .
ΠΠ΅ΡΠ»Ρ Π’ΠΈΡ Π΅Π»ΡΠΌΠ°Π½Π° Ρ ΠΏΡΠΈΠ½ΡΠ΄ΠΈΡΠ΅Π»ΡΠ½ΠΎΠΉ ΡΠΈΡΠΊΡΠ»ΡΡΠΈΠ΅ΠΉ
ΠΠ°ΠΊ ΠΌΡ ΡΠΆΠ΅ ΡΠΏΠΎΠΌΠΈΠ½Π°Π»ΠΈ, Π΄Π°Π½Π½Π°Ρ ΡΡ Π΅ΠΌΠ° ΠΏΠΎΠ΄ΠΊΠ»ΡΡΠ΅Π½ΠΈΡ ΠΎΠ±Π΅ΡΠΏΠ΅ΡΠΈΠ²Π°Π΅Ρ ΠΌΠ°ΠΊΡΠΈΠΌΠ°Π»ΡΠ½ΠΎ ΡΡΡΠ΅ΠΊΡΠΈΠ²Π½ΡΡ ΡΠ°Π±ΠΎΡΡ ΠΈ ΡΠ΄ΠΎΠ±Π½ΡΡ ΡΠ΅Π³ΡΠ»ΠΈΡΠΎΠ²ΠΊΡ ΠΊΠ°ΠΆΠ΄ΠΎΠ³ΠΎ ΡΠ°Π΄ΠΈΠ°ΡΠΎΡΠ° ΠΏΡΠΈ ΠΎΡΠ½ΠΎΡΠΈΡΠ΅Π»ΡΠ½ΠΎ Π½Π΅Π±ΠΎΠ»ΡΡΠΎΠΉ ΡΡΠΎΠΈΠΌΠΎΡΡΠΈ ΠΌΠ°ΡΠ΅ΡΠΈΠ°Π»ΠΎΠ².
Π‘ΠΈΡΡΠ΅ΠΌΠ° ΠΌΠΎΠΆΠ΅Ρ ΠΎΡ Π²Π°ΡΡΠ²Π°ΡΡ ΠΎΠ΄Π½ΠΈΠΌ ΠΊΠΎΠ½ΡΡΡΠΎΠΌ Π²Π΅ΡΡ Π΄ΠΎΠΌ, ΡΠ°Π·Π΄Π΅Π»ΡΡΡΡΡ Π½Π° 2 ΠΊΠΎΠ½ΡΡΡΠ° ΠΏΠΎ ΡΡΠ°ΠΆΠ°ΠΌ, ΠΊΠ°ΠΊ Π½Π° ΡΡ Π΅ΠΌΠ΅, ΠΈΠ»ΠΈ ΠΈΡΠΏΠΎΠ»ΡΠ·ΠΎΠ²Π°ΡΡΡΡ ΡΠΎΠ»ΡΠΊΠΎ Π΄Π»Ρ ΠΎΠ΄Π½ΠΎΠ³ΠΎ ΡΡΠ°ΠΆΠ° ΠΈΠ»ΠΈ Π΅Π³ΠΎ ΡΠ°ΡΡΠΈ.
Π‘ΠΈΡΡΠ΅ΠΌΠ° ΡΠ΄ΠΎΠ±Π½Π° Π² Π½Π°ΡΡΡΠΎΠΉΠΊΠ΅ ΠΈ ΠΎΠ±ΡΠ»ΡΠΆΠΈΠ²Π°Π½ΠΈΠΈ; ΠΏΡΠΈ Π½Π΅ΠΎΠ±Ρ ΠΎΠ΄ΠΈΠΌΠΎΡΡΠΈ ΡΠ°ΡΡΡ Π±Π°ΡΠ°ΡΠ΅ΠΉ ΠΌΠΎΠΆΠ½ΠΎ ΠΎΡΠΊΠ»ΡΡΠΈΡΡ ΠΈΠ»ΠΈ Π΄Π°ΠΆΠ΅ Π΄Π΅ΠΌΠΎΠ½ΡΠΈΡΠΎΠ²Π°ΡΡ Π±Π΅Π· ΠΎΡΡΠ°Π½ΠΎΠ²ΠΊΠΈ ΠΊΠΎΡΠ»Π°
Π‘ΠΎΠ²ΡΠ΅ΠΌΠ΅Π½Π½ΡΠ΅ ΡΠΈΡΡΠ΅ΠΌΡ ΡΠ°Π΄ΠΈΠ°ΡΠΎΡΠ½ΠΎΠ³ΠΎ ΠΎΡΠΎΠΏΠ»Π΅Π½ΠΈΡ ΡΠ°ΡΡΠΎ ΠΎΠ±ΡΡΡΡΠ°ΠΈΠ²Π°ΡΡ ΠΏΠΎ ΡΠ°ΠΊΠΎΠΌΡ ΠΏΠ»Π°Π½Ρ, Π΅ΡΠ»ΠΈ Π΅ΡΡΡ Π²ΠΎΠ·ΠΌΠΎΠΆΠ½ΠΎΡΡΡ Π·Π°ΠΌΠ°ΡΠΊΠΈΡΠΎΠ²Π°ΡΡ ΡΡΡΠ±ΠΎΠΏΡΠΎΠ²ΠΎΠ΄.
ΠΡΠΎΠΌΠ΅ ΡΠΎΠ³ΠΎ, Π² ΠΎΠ΄ΠΈΠ½ ΠΊΠΎΠ½ΡΡΡ ΠΌΠΎΠ³ΡΡ Π±ΡΡΡ Π²ΠΊΠ»ΡΡΠ΅Π½Ρ ΠΏΡΠΈΠ±ΠΎΡΡ ΡΠ°Π·Π½ΡΡ
ΡΠΈΠΏΠΎΠ²: ΡΠ°Π΄ΠΈΠ°ΡΠΎΡΡ, ΠΊΠΎΠ½Π²Π΅ΠΊΡΠΎΡΡ, ΡΠ΅ΠΏΠ»ΠΎΠ²ΡΠ΅ Π·Π°Π²Π΅ΡΡ.
ΠΠΎΠ»Π»Π΅ΠΊΡΠΎΡΠ½ΠΎΠ΅ ΠΏΠΎΠ΄ΠΊΠ»ΡΡΠ΅Π½ΠΈΠ΅ ΠΈ ΡΠΌΠ΅ΡΠ°Π½Π½ΡΠ΅ ΡΠΈΡΡΠ΅ΠΌΡ
ΠΡΠΏΠΎΠ»ΡΠ·ΠΎΠ²Π°Π½ΠΈΠ΅ ΠΊΠΎΠ»Π»Π΅ΠΊΡΠΎΡΠ° Π΄Π»Ρ ΡΠ°Π·Π΄Π΅Π»Π΅Π½ΠΈΡ Π½Π΅ ΡΠΎΠ»ΡΠΊΠΎ ΠΎΡΠΎΠΏΠΈΡΠ΅Π»ΡΠ½ΡΡ ΠΊΠΎΠ½ΡΡΡΠΎΠ², Π½ΠΎ ΠΈ Π΄Π»Ρ ΠΈΠ½Π΄ΠΈΠ²ΠΈΠ΄ΡΠ°Π»ΡΠ½ΠΎΠ³ΠΎ ΠΏΠΎΠ΄ΠΊΠ»ΡΡΠ΅Π½ΠΈΡ ΠΊΠ°ΠΆΠ΄ΠΎΠ³ΠΎ ΠΏΡΠΈΠ±ΠΎΡΠ° ΡΠ²Π»ΡΠ΅ΡΡΡ Π½Π°ΠΈΠ±ΠΎΠ»Π΅Π΅ ΡΠΎΠ²ΡΠ΅ΠΌΠ΅Π½Π½ΡΠΌ ΠΈ ΡΠ΄ΠΎΠ±Π½ΡΠΌ Π² ΠΈΡΠΏΠΎΠ»ΡΠ·ΠΎΠ²Π°Π½ΠΈΠΈ ΡΠ΅ΡΠ΅Π½ΠΈΠ΅ΠΌ.
ΠΠΌΠ΅Π΅Ρ ΡΡΠ΄ ΠΏΡΠ΅ΠΈΠΌΡΡΠ΅ΡΡΠ²:
- ΠΊΡΠ°ΡΠΈΠ²ΠΎ — Π²ΡΠ΅ ΡΡΡΠ±Ρ ΡΠΏΡΡΡΠ°Π½Ρ Π² ΠΏΠΎΠ»Ρ ΠΈ ΡΡΠ΅Π½Π°Ρ ;
- ΡΠ΄ΠΎΠ±Π½ΠΎ — ΡΠ΅Π³ΡΠ»ΠΈΡΠΎΠ²ΠΊΠ° Π»ΡΠ±ΠΎΠ³ΠΎ ΡΡΡΡΠΎΠΉΡΡΠ²Π° Π² ΡΠ°ΡΠΏΡΠ΅Π΄Π΅Π»ΠΈΡΠ΅Π»ΡΠ½ΠΎΠΌ ΡΠΊΠ°ΡΡ;
- ΡΡΡΠ΅ΠΊΡΠΈΠ²Π½ΠΎ β Π½Π° Π²ΡΠ΅ ΠΏΡΠΈΠ±ΠΎΡΡ ΠΏΠΎΠ΄Π°Π΅ΡΡΡ ΠΎΠ΄ΠΈΠ½Π°ΠΊΠΎΠ²ΠΎ Π³ΠΎΡΡΡΠΈΠΉ ΡΠ΅ΠΏΠ»ΠΎΠ½ΠΎΡΠΈΡΠ΅Π»Ρ, Π½ΠΎ ΠΊΠ°ΠΆΠ΄ΡΠΉ ΠΈΠ· Π½ΠΈΡ Π³ΡΠ΅Π΅Ρ ΡΠΎΠ²Π½ΠΎ ΡΡΠΎΠ»ΡΠΊΠΎ, ΡΠΊΠΎΠ»ΡΠΊΠΎ Π²Π°ΠΌ Π½ΡΠΆΠ½ΠΎ;
- ΡΠ½ΠΈΠ²Π΅ΡΡΠ°Π»ΡΠ½ΡΠ΅ — ΠΊ ΠΎΠ΄Π½ΠΎΠΌΡ ΠΊΠΎΠ»Π»Π΅ΠΊΡΠΎΡΡ ΠΌΠΎΠΆΠ½ΠΎ ΠΏΠΎΠ΄ΠΊΠ»ΡΡΠ°ΡΡ ΡΡΡΡΠΎΠΉΡΡΠ²Π° ΡΠ°Π·Π½ΡΡ ΡΠΈΠΏΠΎΠ² Π½Π΅Π·Π°Π²ΠΈΡΠΈΠΌΠΎ ΠΎΡ ΠΊΠΎΠΌΠΏΠΎΠ½ΠΎΠ²ΠΊΠΈ.
ΠΡΠ½ΠΎΠ²Π½ΡΠΌ Π½Π΅Π΄ΠΎΡΡΠ°ΡΠΊΠΎΠΌ Π΄Π°Π½Π½ΠΎΠ³ΠΎ ΡΠ΅ΡΠ΅Π½ΠΈΡ ΡΠ²Π»ΡΠ΅ΡΡΡ Π²ΡΡΠΎΠΊΠ°Ρ ΡΡΠΎΠΈΠΌΠΎΡΡΡ ΠΊΠ°ΠΊ ΠΌΠ°ΡΠ΅ΡΠΈΠ°Π»ΠΎΠ², ΡΠ°ΠΊ ΠΈ ΠΌΠΎΠ½ΡΠ°ΠΆΠ°. Π’ΡΡΠ± ΠΏΠΎΠ½Π°Π΄ΠΎΠ±ΠΈΡΡΡ Π³ΠΎΡΠ°Π·Π΄ΠΎ Π±ΠΎΠ»ΡΡΠ΅, ΡΠ΅ΠΌ ΠΏΡΠΈ Π»ΡΠ±ΠΎΠΉ Π΄ΡΡΠ³ΠΎΠΉ ΡΡ
Π΅ΠΌΠ΅ ΠΏΠΎΠ΄ΠΊΠ»ΡΡΠ΅Π½ΠΈΡ, Π° ΠΏΡΠΎΠΊΠ»Π°Π΄ΠΊΠ° ΠΊΠΎΠΌΠΌΡΠ½ΠΈΠΊΠ°ΡΠΈΠΉ ΠΏΠΎ ΠΏΠΎΠ»Ρ, ΠΎΡΠΎΠ±Π΅Π½Π½ΠΎ Π΅ΡΠ»ΠΈ Π±Π΅ΡΠΎΠ½Π½Π°Ρ ΡΡΡΠΆΠΊΠ° ΡΠΆΠ΅ Π·Π°Π»ΠΈΡΠ°, ΠΎΠ±ΠΎΠΉΠ΄Π΅ΡΡΡ Π½Π΅Π΄Π΅ΡΠ΅Π²ΠΎ.
Π’Π°ΠΊΠΆΠ΅ ΡΡΠΎΠΈΡ ΡΡΠ΅ΡΡΡ, ΡΡΠΎ ΡΠ°ΠΊΠΎΠ΅ ΠΏΠΎΠ΄ΠΊΠ»ΡΡΠ΅Π½ΠΈΠ΅ ΠΏΠΎΠ»Π½ΠΎΡΡΡΡ ΠΈΡΠΊΠ»ΡΡΠ°Π΅Ρ Π²ΠΎΠ·ΠΌΠΎΠΆΠ½ΠΎΡΡΡ Π΅ΡΡΠ΅ΡΡΠ²Π΅Π½Π½ΠΎΠΉ ΡΠΈΡΠΊΡΠ»ΡΡΠΈΠΈ.
ΠΠ»Ρ ΡΠ΄ΠΎΠ±ΡΡΠ²Π° ΠΏΠΎΠ΄ΠΊΠ»ΡΡΠ΅Π½ΠΈΡ ΠΈ ΠΎΠ±ΡΠ»ΡΠΆΠΈΠ²Π°Π½ΠΈΡ ΠΈΠ½ΠΎΠ³Π΄Π° Π΄Π»Ρ ΠΏΠΎΠ΄Π°ΡΠΈ ΠΈ ΠΎΠ±ΡΠ°ΡΠΊΠΈ ΠΏΡΠΈΠΌΠ΅Π½ΡΡΡ ΡΡΡΠ±Ρ ΡΠ°Π·Π½ΠΎΠ³ΠΎ ΡΠ²Π΅ΡΠ°, ΠΊΡΠ°ΡΠ½ΠΎΠ³ΠΎ ΠΈ ΡΠΈΠ½Π΅Π³ΠΎ ΡΠ²Π΅ΡΠ°
Π Π΄Π²ΡΡ ΡΡΠ°ΠΆΠ½ΡΡ Π΄ΠΎΠΌΠ°Ρ , ΠΊΠ°ΠΊ ΠΏΡΠ°Π²ΠΈΠ»ΠΎ, Π² ΡΠ΅Π½ΡΡΠ΅ ΠΊΠ°ΠΆΠ΄ΠΎΠ³ΠΎ ΡΡΠ°ΠΆΠ° ΡΡΡΠ°Π½Π°Π²Π»ΠΈΠ²Π°ΡΡ ΠΏΠΎ ΠΎΠ΄Π½ΠΎΠΌΡ ΠΊΠΎΠ»Π»Π΅ΠΊΡΠΎΡΡ, Π½ΠΎ Ρ Π±ΠΎΠ»ΡΡΠΎΠ΅ ΠΊΠΎΠ»ΠΈΡΠ΅ΡΡΠ²ΠΎ ΠΎΡΠΎΠΏΠΈΡΠ΅Π»ΡΠ½ΡΡ ΠΏΡΠΈΠ±ΠΎΡΠΎΠ² ΠΈ ΠΊΠΎΠ»Π»Π΅ΠΊΡΠΎΡΠΎΠ² ΠΌΠΎΠΆΠ΅Ρ Π±ΡΡΡ Π±ΠΎΠ»ΡΡΠ΅. ΠΠ»Ρ ΡΠΈΡΡΠ΅ΠΌ ΡΠ΅ΠΏΠ»ΠΎΠ³ΠΎ ΠΏΠΎΠ»Π° ΠΈΡΠΏΠΎΠ»ΡΠ·ΡΡΡ ΠΎΡΠ΄Π΅Π»ΡΠ½ΡΠ΅ ΠΊΠΎΠ»Π»Π΅ΠΊΡΠΎΡΡ, Ρ Π±ΠΎΠ»Π΅Π΅ Π½ΠΈΠ·ΠΊΠΎΠΉ ΡΠ΅ΠΌΠΏΠ΅ΡΠ°ΡΡΡΠΎΠΉ ΡΠ΅ΠΏΠ»ΠΎΠ½ΠΎΡΠΈΡΠ΅Π»Ρ.
ΠΡΠ°Π²ΠΈΡΠ°ΡΠΈΠΎΠ½Π½Π°Ρ ΡΡ Π΅ΠΌΠ° Π²Π΅ΡΡΠΈΠΊΠ°Π»ΡΠ½Π°Ρ
ΠΠΎΠΌΠΈΠΌΠΎ ΠΎΠΏΠΈΡΠ°Π½Π½ΡΡ ΡΡΠ°Π½Π΄Π°ΡΡΠ½ΡΡ Π²Π°ΡΠΈΠ°Π½ΡΠΎΠ² Π²ΡΡΡΠ΅ΡΠ°ΡΡΡΡ ΠΈ Π±ΠΎΠ»Π΅Π΅ ΡΠΊΠ·ΠΎΡΠΈΡΠ΅ΡΠΊΠΈΠ΅, Π²ΡΠΎΠ΄Π΅ Π²Π΅ΡΡΠΈΠΊΠ°Π»ΡΠ½ΠΎΠΉ Π΄Π²ΡΡ ΡΡΡΠ±ΠΊΠΈ Ρ Π΅ΡΡΠ΅ΡΡΠ²Π΅Π½Π½ΠΎΠΉ ΡΠΈΡΠΊΡΠ»ΡΡΠΈΠ΅ΠΉ. ΠΠΎΠΆΠ°Π»ΡΠΉ, ΡΡΠΎ Π»ΡΡΡΠ΅Π΅ ΡΠ΅ΡΠ΅Π½ΠΈΠ΅ Π΄Π»Ρ Π΄Π²ΡΡ ΡΡΠ°ΠΆΠ½ΠΎΠ³ΠΎ Π΄ΠΎΠΌΠ°, Π² ΠΊΠΎΡΠΎΡΠΎΠΌ ΡΠ°ΡΡΠΎ ΠΎΡΠΊΠ»ΡΡΠ°ΡΡ ΡΠ²Π΅Ρ.
ΠΠ»Π°Π³ΠΎΠ΄Π°ΡΡ ΡΠΎΠΌΡ, ΡΡΠΎ Π² Π²Π΅ΡΡΠΈΠΊΠ°Π»ΡΠ½ΠΎΠΉ ΡΠΈΡΡΠ΅ΠΌΠ΅ Π²ΠΎΠ΄Π° ΡΠΈΡΠΊΡΠ»ΠΈΡΡΠ΅Ρ Π»Π΅Π³ΡΠ΅, ΡΠ΅ΠΌ Π² Π³ΠΎΡΠΈΠ·ΠΎΠ½ΡΠ°Π»ΡΠ½ΠΎΠΉ, Π° Π² ΡΠΎΠ»ΠΈ ΠΊΠΎΠ»Π»Π΅ΠΊΡΠΎΡΠ° Π²ΡΡΡΡΠΏΠ°Π΅Ρ Π±ΠΎΠ»ΡΡΠΎΠΉ ΡΠ°ΡΡΠΈΡΠΈΡΠ΅Π»ΡΠ½ΡΠΉ Π±Π°ΠΊ ΠΏΠΎΠ΄ ΠΊΡΡΡΠ΅ΠΉ, ΠΎΠ±Π΅ΡΠΏΠ΅ΡΠΈΠ²Π°Π΅ΡΡΡ ΠΌΠ°ΠΊΡΠΈΠΌΠ°Π»ΡΠ½ΠΎ ΡΡΡΠ΅ΠΊΡΠΈΠ²Π½ΡΠΉ ΠΈ ΡΠ°Π²Π½ΠΎΠΌΠ΅ΡΠ½ΡΠΉ ΠΎΠ±ΠΎΠ³ΡΠ΅Π² Π΄Π°ΠΆΠ΅ Π±Π΅Π· ΠΈΡΠΏΠΎΠ»ΡΠ·ΠΎΠ²Π°Π½ΠΈΡ Π½Π°ΡΠΎΡΠ°.
ΠΡΠΈ ΠΎΠ±ΡΡΡΡΠΎΠΉΡΡΠ²Π΅ ΡΠ°ΠΊΠΎΠΉ ΡΠΈΡΡΠ΅ΠΌΡ ΠΎΡΠ΅Π½Ρ Π²Π°ΠΆΠ½ΠΎ ΠΈΡΠΏΠΎΠ»ΡΠ·ΠΎΠ²Π°ΡΡ ΡΡΡΠ±Ρ ΡΠ°Π·Π½ΠΎΠ³ΠΎ Π΄ΠΈΠ°ΠΌΠ΅ΡΡΠ°, Π² Π·Π°Π²ΠΈΡΠΈΠΌΠΎΡΡΠΈ ΠΎΡ ΡΠΎΠ³ΠΎ, ΡΠΊΠΎΠ»ΡΠΊΠΎ ΡΠ°Π΄ΠΈΠ°ΡΠΎΡΠΎΠ² ΠΎΠ½ΠΈ ΠΎΠ±ΡΠ»ΡΠΆΠΈΠ²Π°ΡΡ
Π’ΡΡΠ±Π° ΠΏΠΎΠ΄Π°ΡΠΈ Π³ΠΎΡΡΡΠ΅ΠΉ Π²ΠΎΠ΄Ρ Π² ΡΠ°ΡΡΠΈΡΠΈΡΠ΅Π»ΡΠ½ΡΠΉ Π±Π°ΠΊ ΠΈ ΠΎΠ±ΡΠ°ΡΠΊΠΈ Π΄ΠΎΠ»ΠΆΠ½Π° Π±ΡΡΡ ΡΠ°ΠΌΠΎΠΉ ΡΠΎΠ»ΡΡΠΎΠΉ; ΡΡΠΎΡΠΊΠΈ, ΠΏΠΈΡΠ°ΡΡΠΈΠ΅ 2-ΠΉ ΡΡΠ°ΠΆ, Π½Π΅ΡΠΊΠΎΠ»ΡΠΊΠΎ ΡΠΎΠ½ΡΡΠ΅, ΠΈΡ Π½ΠΈΠΆΠ½ΡΡ ΡΠ°ΡΡΡ, Π½Π° 1-ΠΌ ΡΡΠ°ΠΆΠ΅ — Π΅ΡΠ΅ ΠΌΠ΅Π½ΡΡΠ΅Π³ΠΎ Π΄ΠΈΠ°ΠΌΠ΅ΡΡΠ°, Π° ΠΏΠ°ΡΡΡΠ±ΠΊΠΈ ΠΏΠΎΠ΄ΠΊΠ»ΡΡΠ΅Π½ΠΈΡ ΡΠ°Π΄ΠΈΠ°ΡΠΎΡΠΎΠ² Π½Π°ΠΈΠΌΠ΅Π½ΡΡΠ΅Π³ΠΎ ΡΠ΅ΡΠ΅Π½ΠΈΡ.
ΠΡΠ²ΠΎΠ΄Ρ ΠΈ ΠΏΠΎΠ»Π΅Π·Π½ΠΎΠ΅ Π²ΠΈΠ΄Π΅ΠΎ ΠΏΠΎ ΡΠ΅ΠΌΠ΅
ΠΠ°ΠΊ Π΄Π²ΡΡ ΡΡΡΠ±Π½Π°Ρ ΡΡ Π΅ΠΌΠ° ΡΠ΅Π°Π»ΠΈΠ·ΠΎΠ²Π°Π½Π° Π½Π° ΠΏΡΠ°ΠΊΡΠΈΠΊΠ΅ Π² 2Ρ ΡΡΠ°ΠΆΠ½ΠΎΠΌ Π΄ΠΎΠΌΠ΅ ΠΌΠΎΠΆΠ½ΠΎ ΠΏΠΎΡΠΌΠΎΡΡΠ΅ΡΡ Π² ΡΡΠΎΠΌ Π²ΠΈΠ΄Π΅ΠΎ:
ΠΠ± ΡΡΡΡΠΎΠΉΡΡΠ²Π΅ ΠΊΠΎΠΌΠ±ΠΈΠ½ΠΈΡΠΎΠ²Π°Π½Π½ΠΎΠΉ ΡΠΈΡΡΠ΅ΠΌΡ Ρ ΡΠ°Π΄ΠΈΠ°ΡΠΎΡΠ°ΠΌΠΈ ΠΈ ΡΠ΅ΠΏΠ»ΡΠΌ ΠΏΠΎΠ»ΠΎΠΌ ΠΌΠΎΠΆΠ½ΠΎ ΡΠ·Π½Π°ΡΡ Π·Π΄Π΅ΡΡ:
Π ΡΡΠΎ Π²ΠΈΠ΄Π΅ΠΎ Π±ΡΠ΄Π΅Ρ ΠΏΠΎΠ»Π΅Π·Π½ΠΎ ΡΠ΅ΠΌ, ΠΊΡΠΎ ΡΠΎΠ±ΠΈΡΠ°Π΅ΡΡΡ ΠΎΠ±ΠΎΡΡΠ΄ΠΎΠ²Π°ΡΡ ΠΎΡΠΎΠΏΠ»Π΅Π½ΠΈΠ΅ Ρ Π³ΡΠ°Π²ΠΈΡΠ°ΡΠΈΠΎΠ½Π½ΡΠΌ ΠΈΠ»ΠΈ ΡΠΌΠ΅ΡΠ°Π½Π½ΡΠΌ ΡΠΈΠΏΠΎΠΌ ΡΠΈΡΠΊΡΠ»ΡΡΠΈΠΈ:
ΠΠΎΠ΄Π²ΠΎΠ΄Ρ ΠΈΡΠΎΠ³ΠΈ, ΠΌΠΎΠΆΠ½ΠΎ ΡΠΊΠ°Π·Π°ΡΡ, ΡΡΠΎ ΠΈΠ΄Π΅Π°Π»ΡΠ½ΠΎΠΉ ΠΈ ΡΠ½ΠΈΠ²Π΅ΡΡΠ°Π»ΡΠ½ΠΎΠΉ ΡΡ
Π΅ΠΌΡ ΠΎΡΠΎΠΏΠ»Π΅Π½ΠΈΡ Π½Π΅ ΡΡΡΠ΅ΡΡΠ²ΡΠ΅Ρ: Π² ΠΊΠ°ΠΆΠ΄ΠΎΠΌ ΠΊΠΎΠ½ΠΊΡΠ΅ΡΠ½ΠΎΠΌ ΡΠ»ΡΡΠ°Π΅ Π½Π΅ΠΎΠ±Ρ
ΠΎΠ΄ΠΈΠΌΠΎ ΡΡΠΈΡΡΠ²Π°ΡΡ ΠΌΠ½ΠΎΠΆΠ΅ΡΡΠ²ΠΎ ΡΠ°ΠΊΡΠΎΡΠΎΠ² ΠΈ ΡΠ°ΡΡΡΠ°Π²Π»ΡΡΡ ΠΏΡΠΈΠΎΡΠΈΡΠ΅ΡΡ.
ΠΡ ΠΏΠΎΡΡΠ°ΡΠ°Π»ΠΈΡΡ ΠΎΠΏΠΈΡΠ°ΡΡ Π²ΡΠ΅ Π΄ΠΎΡΡΡΠΏΠ½ΡΠ΅ Π²Π°ΡΠΈΠ°Π½ΡΡ, ΡΡΠΎΠ±Ρ ΡΠ΄Π΅Π»Π°ΡΡ Π²ΡΠ±ΠΎΡ ΠΏΡΠΎΡΠ΅ ΠΈ ΠΏΡΠ°Π²ΠΈΠ»ΡΠ½Π΅Π΅.
Π ΠΊΠ°ΠΊΠ°Ρ ΡΡ Π΅ΠΌΠ° ΠΎΡΠΎΠΏΠ»Π΅Π½ΠΈΡ Π² Π²Π°ΡΠ΅ΠΌ Π΄ΠΎΠΌΠ΅? ΠΠ°ΡΠΊΠΎΠ»ΡΠΊΠΎ Π²Ρ Π΅Ρ Π΄ΠΎΠ²ΠΎΠ»ΡΠ½Ρ ΠΈ ΡΡΠΎ Π±Ρ Π²Ρ Ρ ΠΎΡΠ΅Π»ΠΈ ΠΈΠ·ΠΌΠ΅Π½ΠΈΡΡ? ΠΡΠΈΡΠΎΠ΅Π΄ΠΈΠ½ΡΠΉΡΠ΅ΡΡ ΠΊ ΠΎΠ±ΡΡΠΆΠ΄Π΅Π½ΠΈΡ Π½ΠΈΠΆΠ΅.
ΡΡ Π΅ΠΌΠ° ΠΊΠ°ΠΊ Π»ΡΡΡΠ΅ ΡΠ΄Π΅Π»Π°ΡΡ, ΠΏΡΠ΅ΠΈΠΌΡΡΠ΅ΡΡΠ²Π° ΠΈ Π½Π΅Π΄ΠΎΡΡΠ°ΡΠΊΠΈ
Π₯Π°ΡΠ°ΠΊΡΠ΅ΡΠΈΡΡΠΈΠΊΠ°
ΠΠ°ΠΈΠ±ΠΎΠ»Π΅Π΅ ΡΠ°ΡΠΏΡΠΎΡΡΡΠ°Π½Π΅Π½Π° ΠΈΠΌΠ΅Π½Π½ΠΎ Π΄Π²ΡΡ ΡΡΡΠ±Π½Π°Ρ ΠΎΡΠ³Π°Π½ΠΈΠ·Π°ΡΠΈΡ ΠΎΡΠΎΠΏΠ»Π΅Π½ΠΈΡ, Π½Π΅ΡΠΌΠΎΡΡΡ Π½Π° Π½Π΅ΠΊΠΎΡΠΎΡΡΠ΅ ΠΏΡΠ΅ΠΈΠΌΡΡΠ΅ΡΡΠ²Π° ΠΎΠ΄Π½ΠΎΡΡΡΠ±Π½ΡΡ ΠΊΠΎΠ½ΡΡΡΡΠΊΡΠΈΠΉ. ΠΠ°ΠΊΠΎΠΉ Π±Ρ ΡΠ»ΠΎΠΆΠ½ΠΎΠΉ Π½ΠΈ Π±ΡΠ»Π° ΡΠ°ΠΊΠ°Ρ ΠΌΠ°Π³ΠΈΡΡΡΠ°Π»Ρ Ρ Π΄Π²ΡΠΌΡ ΡΡΡΠ±Π°ΠΌΠΈ (ΠΎΡΠ΄Π΅Π»ΡΠ½ΠΎ Π΄Π»Ρ ΠΏΠΎΠ΄Π°ΡΠΈ Π²ΠΎΠ΄Ρ ΠΈ Π΅Π΅ ΠΎΠ±ΡΠ°ΡΠΊΠΈ), Π±ΠΎΠ»ΡΡΠΈΠ½ΡΡΠ²ΠΎ ΠΏΡΠ΅Π΄ΠΏΠΎΡΠΈΡΠ°Π΅Ρ ΠΈΠΌΠ΅Π½Π½ΠΎ Π΅Π΅.
Π’Π°ΠΊΠΈΠ΅ ΡΠΈΡΡΠ΅ΠΌΡ ΡΡΡΠ°Π½Π°Π²Π»ΠΈΠ²Π°ΡΡΡΡ Π² ΠΌΠ½ΠΎΠ³ΠΎΡΡΠ°ΠΆΠ½ΡΡ ΠΈ ΠΌΠ½ΠΎΠ³ΠΎΠΊΠ²Π°ΡΡΠΈΡΠ½ΡΡ Π΄ΠΎΠΌΠ°Ρ .
Π£ΡΡΡΠΎΠΉΡΡΠ²ΠΎ
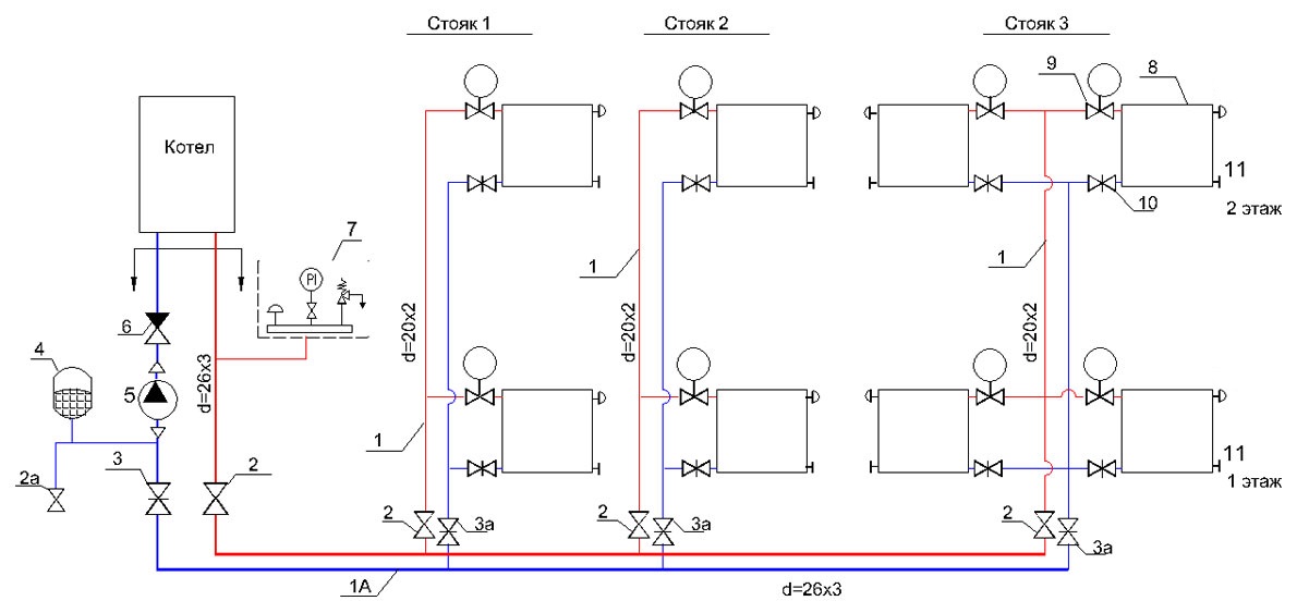
ΠΠ»Π΅ΠΌΠ΅Π½ΡΡ Π΄Π²ΡΡ ΠΊΠΎΠ½ΡΡΡΠ½ΠΎΠ³ΠΎ ΠΎΡΠΎΠΏΠ»Π΅Π½ΠΈΡ Ρ Π½ΠΈΠΆΠ½ΠΈΠΌ ΡΠ°Π·ΡΠ΅Π·ΠΎΠΌ ΡΡΡΠ±Ρ:
- ΠΊΠΎΡΠ΅Π» ΠΈ Π½Π°ΡΠΎΡ;
- Π°Π²ΡΠΎΠΌΠ°ΡΠΈΡΠ΅ΡΠΊΠΈΠ΅ Π²ΠΎΠ·Π΄ΡΡ ΠΎΠΎΡΠ²ΠΎΠ΄ΡΠΈΠΊΠΈ, ΡΠ΅ΡΠΌΠΎΡΡΠ°ΡΠΈΡΠ΅ΡΠΊΠΈΠ΅ ΠΈ ΠΏΡΠ΅Π΄ΠΎΡ ΡΠ°Π½ΠΈΡΠ΅Π»ΡΠ½ΡΠ΅ ΠΊΠ»Π°ΠΏΠ°Π½Ρ, ΠΊΠ»Π°ΠΏΠ°Π½Ρ;
- Π°ΠΊΠΊΡΠΌΡΠ»ΡΡΠΎΡΡ ΠΈ ΡΠ°ΡΡΠΈΡΠΈΡΠ΅Π»ΡΠ½ΡΠΉ Π±Π°ΡΠΎΠΊ;
- ΡΠΈΠ»ΡΡΡΡ, ΡΠ΅Π³ΡΠ»ΠΈΡΡΡΡΠΈΠ΅ ΡΡΡΡΠΎΠΉΡΡΠ²Π°, Π΄Π°ΡΡΠΈΠΊΠΈ ΡΠ΅ΠΌΠΏΠ΅ΡΠ°ΡΡΡΡ ΠΈ Π΄Π°Π²Π»Π΅Π½ΠΈΡ;
- Π±Π°ΠΉΠΏΠ°ΡΡ ΠΌΠΎΠΆΠ½ΠΎ ΠΈΡΠΏΠΎΠ»ΡΠ·ΠΎΠ²Π°ΡΡ, Π½ΠΎ Π½Π΅ ΠΎΠ±ΡΠ·Π°ΡΠ΅Π»ΡΠ½ΠΎ.

ΠΠΎΡΡΠΎΠΈΠ½ΡΡΠ²Π° ΠΈ Π½Π΅Π΄ΠΎΡΡΠ°ΡΠΊΠΈ
Π Π°ΡΡΠΌΠΎΡΡΠ΅Π½Π½Π°Ρ Π΄Π²ΡΡ ΡΡΡΠ±Π½Π°Ρ ΡΡ Π΅ΠΌΠ° ΠΏΠΎΠ΄ΠΊΠ»ΡΡΠ΅Π½ΠΈΡ ΠΏΡΠΈ ΠΈΡΠΏΠΎΠ»ΡΠ·ΠΎΠ²Π°Π½ΠΈΠΈ ΠΎΠ±Π½Π°ΡΡΠΆΠΈΠ²Π°Π΅Ρ ΠΌΠ½ΠΎΠΆΠ΅ΡΡΠ²ΠΎ ΠΏΡΠ΅ΠΈΠΌΡΡΠ΅ΡΡΠ². ΠΠΎ-ΠΏΠ΅ΡΠ²ΡΡ , ΡΠ°Π²Π½ΠΎΠΌΠ΅ΡΠ½ΠΎΡΡΡ ΡΠ°ΡΠΏΡΠ΅Π΄Π΅Π»Π΅Π½ΠΈΡ ΡΠ΅ΠΏΠ»Π° ΠΏΠΎ Π²ΡΠ΅ΠΉ ΠΌΠ°Π³ΠΈΡΡΡΠ°Π»ΠΈ ΠΈ ΠΈΠ½Π΄ΠΈΠ²ΠΈΠ΄ΡΠ°Π»ΡΠ½Π°Ρ ΠΏΠΎΠ΄Π°ΡΠ° ΡΠ΅ΠΏΠ»ΠΎΠ½ΠΎΡΠΈΡΠ΅Π»Ρ ΠΊ ΡΠ°Π΄ΠΈΠ°ΡΠΎΡΠ°ΠΌ.
ΠΠΎΡΡΠΎΠΌΡ ΠΌΠΎΠΆΠ½ΠΎ ΠΎΡΠ΄Π΅Π»ΡΠ½ΠΎ ΡΠ΅Π³ΡΠ»ΠΈΡΠΎΠ²Π°ΡΡ ΠΎΡΠΎΠΏΠΈΡΠ΅Π»ΡΠ½ΡΠ΅ ΠΏΡΠΈΠ±ΠΎΡΡ: Π²ΠΊΠ»ΡΡΠ°ΡΡ/Π²ΡΠΊΠ»ΡΡΠ°ΡΡ (Π½ΡΠΆΠ½ΠΎ ΡΠΎΠ»ΡΠΊΠΎ Π·Π°ΠΊΡΡΡΡ ΡΡΠΎΡΠΊ), ΠΌΠ΅Π½ΡΡΡ Π½Π°ΠΏΠΎΡ.
Π ΡΠ°Π·Π½ΡΡ ΠΊΠΎΠΌΠ½Π°ΡΠ°Ρ ΠΌΠΎΠΆΠ½ΠΎ ΡΡΡΠ°Π½ΠΎΠ²ΠΈΡΡ ΡΠ°Π·Π½ΡΡ ΡΠ΅ΠΌΠΏΠ΅ΡΠ°ΡΡΡΡ.
ΠΠΎ-Π²ΡΠΎΡΡΡ , ΡΠ°ΠΊΠΈΠ΅ ΡΠΈΡΡΠ΅ΠΌΡ Π½Π΅ ΡΡΠ΅Π±ΡΡΡ ΠΎΡΠΊΠ»ΡΡΠ΅Π½ΠΈΡ ΠΈΠ»ΠΈ ΡΠ»ΠΈΠ²Π° Π²ΡΠ΅Π³ΠΎ ΡΠ΅ΠΏΠ»ΠΎΠ½ΠΎΡΠΈΡΠ΅Π»Ρ Π² ΡΠ»ΡΡΠ°Π΅ ΠΏΠΎΠ»ΠΎΠΌΠΊΠΈ ΠΎΠ΄Π½ΠΎΠ³ΠΎ ΠΎΡΠΎΠΏΠΈΡΠ΅Π»ΡΠ½ΠΎΠ³ΠΎ ΠΏΡΠΈΠ±ΠΎΡΠ°. Π-ΡΡΠ΅ΡΡΠΈΡ , ΡΠΈΡΡΠ΅ΠΌΡ ΠΌΠΎΠΆΠ½ΠΎ ΡΡΡΠ°Π½ΠΎΠ²ΠΈΡΡ ΠΏΠΎΡΠ»Π΅ Π²ΠΎΠ·Π²Π΅Π΄Π΅Π½ΠΈΡ Π½ΠΈΠΆΠ½Π΅Π³ΠΎ ΡΡΠ°ΠΆΠ° ΠΈ Π½Π΅ ΠΆΠ΄Π°ΡΡ, ΠΏΠΎΠΊΠ° Π±ΡΠ΄Π΅Ρ Π³ΠΎΡΠΎΠ² Π²Π΅ΡΡ Π΄ΠΎΠΌ. ΠΡΠΎΠΌΠ΅ ΡΠΎΠ³ΠΎ, ΡΡΡΠ±ΠΎΠΏΡΠΎΠ²ΠΎΠ΄ ΠΈΠΌΠ΅Π΅Ρ ΠΌΠ΅Π½ΡΡΠΈΠΉ Π΄ΠΈΠ°ΠΌΠ΅ΡΡ, ΡΠ΅ΠΌ ΠΎΠ΄Π½ΠΎΡΡΡΠ±Π½Π°Ρ ΡΠΈΡΡΠ΅ΠΌΠ°.
ΠΡΡΡ ΠΈ Π½Π΅Π΄ΠΎΡΡΠ°ΡΠΊΠΈ:
- ΠΌΠ°ΡΠ΅ΡΠΈΠ°Π»ΠΎΠ² ΡΡΠ΅Π±ΡΠ΅ΡΡΡ Π±ΠΎΠ»ΡΡΠ΅, ΡΠ΅ΠΌ Π΄Π»Ρ ΠΎΠ΄Π½ΠΎΡΡΡΠ±Π½ΠΎΠΉ Π»ΠΈΠ½ΠΈΠΈ;
- Π½ΠΈΠ·ΠΊΠΎΠ΅ Π΄Π°Π²Π»Π΅Π½ΠΈΠ΅ Π² ΠΏΠΎΠ΄Π°ΡΡΠ΅ΠΌ ΡΡΠΎΡΠΊΠ΅ ΠΏΡΠΈΠ²ΠΎΠ΄ΠΈΡ ΠΊ Π½Π΅ΠΎΠ±Ρ
ΠΎΠ΄ΠΈΠΌΠΎΡΡΠΈ ΡΠ°ΡΡΠΎΠ³ΠΎ ΡΡΡΠ°Π²Π»ΠΈΠ²Π°Π½ΠΈΡ Π²ΠΎΠ·Π΄ΡΡ
Π° ΠΏΡΡΠ΅ΠΌ ΠΏΠΎΠ΄ΠΊΠ»ΡΡΠ΅Π½ΠΈΡ Π΄ΠΎΠΏΠΎΠ»Π½ΠΈΡΠ΅Π»ΡΠ½ΡΡ
ΠΊΠ»Π°ΠΏΠ°Π½ΠΎΠ².

ΠΠ°ΠΊ ΡΠ°Π±ΠΎΡΠ°Π΅Ρ Π΄Π²ΡΡ ΡΡΡΠ±Π½Π°Ρ ΡΠΈΡΡΠ΅ΠΌΠ° Ρ Π½ΠΈΠΆΠ½ΠΈΠΌ ΠΏΠΎΠ΄ΠΊΠ»ΡΡΠ΅Π½ΠΈΠ΅ΠΌ?
ΠΠ°Π·Π²Π°Π½ΠΈΠ΅ Β«Π΄Π²ΡΡ ΡΡΡΠ±Π½ΡΠ΅Β» ΠΏΡΠΎΠΈΡΡ ΠΎΠ΄ΠΈΡ ΠΎΡ ΠΏΡΠΈΠ½ΡΠΈΠΏΠ° ΡΠΎΠ΅Π΄ΠΈΠ½Π΅Π½ΠΈΡ ΡΡΡΠ± ΠΎΡΠΎΠΏΠ»Π΅Π½ΠΈΡ: ΡΠ°Π±ΠΎΡΠ°Ρ ΠΆΠΈΠ΄ΠΊΠΎΡΡΡ ΠΏΠΎΡΡΡΠΏΠ°Π΅Ρ ΠΈ ΠΏΠΎΠ΄Π°Π΅ΡΡΡ ΠΎΠ±ΡΠ°ΡΠ½ΠΎ ΠΏΠΎ ΡΠ°Π·Π½ΡΠΌ ΠΌΠ°Π³ΠΈΡΡΡΠ°Π»ΡΠΌ. ΠΠ°ΡΠ°Π»Π»Π΅Π»ΡΠ½ΠΎΠ΅ ΡΠΎΠ΅Π΄ΠΈΠ½Π΅Π½ΠΈΠ΅ Π±Π°ΡΠ°ΡΠ΅ΠΉ ΠΎΠ±Π΅ΡΠΏΠ΅ΡΠΈΠ²Π°Π΅Ρ ΠΌΠ°ΠΊΡΠΈΠΌΠ°Π»ΡΠ½ΡΡ ΡΡΡΠ΅ΠΊΡΠΈΠ²Π½ΠΎΡΡΡ ΡΠ΅ΠΏΠ»ΠΎΠΎΠ±ΠΌΠ΅Π½Π° ΠΈ Π΄Π²ΠΈΠΆΠ΅Π½ΠΈΡ ΡΠ΅ΠΏΠ»ΠΎΠ½ΠΎΡΠΈΡΠ΅Π»Ρ. ΠΡΠ»ΠΈ ΡΡ Π΅ΠΌΠ° ΡΠ΅Π°Π»ΠΈΠ·ΠΎΠ²Π°Π½Π° Π² ΠΌΠ½ΠΎΠ³ΠΎΡΡΠ°ΠΆΠ½ΠΎΠΌ Π΄ΠΎΠΌΠ΅, ΡΠΎ ΠΎΡΠΎΠΏΠ»Π΅Π½ΠΈΠ΅ ΠΊΠ²Π°ΡΡΠΈΡ ΠΎΡΡΡΠ΅ΡΡΠ²Π»ΡΠ΅ΡΡΡ Ρ ΠΏΠΎΠΌΠΎΡΡΡ ΠΊΠΎΠ»Π»Π΅ΠΊΡΠΎΡΠ°, ΡΡΠΎ ΠΎΠ±Π»Π΅Π³ΡΠ°Π΅Ρ ΠΏΠΎΠ΄ΠΊΠ»ΡΡΠ΅Π½ΠΈΠ΅ ΠΈ ΡΠ΅Π³ΡΠ»ΠΈΡΠΎΠ²Π°Π½ΠΈΠ΅ ΡΠ΅ΠΌΠΏΠ΅ΡΠ°ΡΡΡΡ Π² ΠΊΠ°ΠΆΠ΄ΠΎΠΌ ΠΎΡΠ΄Π΅Π»ΡΠ½ΠΎΠΌ ΡΠ°Π΄ΠΈΠ°ΡΠΎΡΠ΅. Π’ΠΎΡ ΠΆΠ΅ ΠΏΡΠΈΠ½ΡΠΈΠΏ ΠΈΡΠΏΠΎΠ»ΡΠ·ΡΠ΅ΡΡΡ Π² ΡΠ°ΡΡΠ½ΠΎΠΌ Π΄ΠΎΠΌΠ΅ Ρ Π½Π΅ΡΠΊΠΎΠ»ΡΠΊΠΈΠΌΠΈ ΡΡΠ°ΠΆΠ°ΠΌΠΈ ΠΈΠ»ΠΈ ΡΠ»ΠΎΠΆΠ½ΠΎΠΉ ΡΡ Π΅ΠΌΠΎΠΉ ΠΎΡΠΎΠΏΠ»Π΅Π½ΠΈΡ. Π‘Ρ Π΅ΠΌΠ° Π΄Π²ΡΡ ΡΡΡΠ±Π½ΠΎΠΉ ΡΠΈΡΡΠ΅ΠΌΡ ΠΎΡΠΎΠΏΠ»Π΅Π½ΠΈΡ Ρ Π½ΠΈΠΆΠ½Π΅ΠΉ ΡΠ°Π·Π²ΠΎΠ΄ΠΊΠΎΠΉ Π²ΡΠΏΠΎΠ»Π½ΡΠ΅ΡΡΡ ΠΏΡΠΈ Π½Π°Π»ΠΈΡΠΈΠΈ ΡΠ»ΠΎΠΆΠ½ΠΎΠΉ Π°ΠΏΠΏΠ°ΡΠ°ΡΡΡΡ ΠΊΠΎΠ½ΡΡΠΎΠ»Ρ ΠΈ ΡΠΏΡΠ°Π²Π»Π΅Π½ΠΈΡ, ΠΏΠΎΡΡΠΎΠΌΡ Π΄Π»Ρ ΠΎΠ΄Π½ΠΎΡΡΠ°ΠΆΠ½ΡΡ ΠΈ ΠΌΠ°Π»ΠΎΠ³Π°Π±Π°ΡΠΈΡΠ½ΡΡ Π΄ΠΎΠΌΠΎΠ² ΠΎΠ½Π° Π½Π΅ ΠΏΠΎΠ΄Ρ ΠΎΠ΄ΠΈΡ.
Π ΡΠ°Π±Π»ΠΈΡΠ΅ ΠΏΡΠΈΠ²Π΅Π΄Π΅Π½Ρ ΡΠ΅Π·ΡΠ»ΡΡΠ°ΡΡ ΠΎΡΠΈΠ΅Π½ΡΠΈΡΠΎΠ²ΠΎΡΠ½ΠΎΠ³ΠΎ ΡΠ°ΡΡΠ΅ΡΠ° ΠΊΠΎΠ»ΠΈΡΠ΅ΡΡΠ²Π° ΡΠ΅ΠΊΡΠΈΠΉ ΡΠ°Π΄ΠΈΠ°ΡΠΎΡΠΎΠ² Π½Π° ΠΎΠ΄Π½ΠΎ ΠΎΡΠ°ΠΏΠ»ΠΈΠ²Π°Π΅ΠΌΠΎΠ΅ ΠΏΠΎΠΌΠ΅ΡΠ΅Π½ΠΈΠ΅:
Π Π°Π±ΠΎΡΠ° ΡΠΈΡΡΠ΅ΠΌΡ ΠΎΡΠΎΠΏΠ»Π΅Π½ΠΈΡ Ρ Π²Π΅ΡΡ
Π½Π΅ΠΉ ΡΠ°Π·Π²ΠΎΠ΄ΠΊΠΎΠΉ ΠΈ Ρ Π½ΠΈΠΆΠ½ΠΈΠΌ ΠΏΡΠΈΡΠΎΠ΅Π΄ΠΈΠ½Π΅Π½ΠΈΠ΅ΠΌ ΡΡΡΠ± ΠΎΡΠ»ΠΈΡΠ°Π΅ΡΡΡ, ΠΏΡΠ΅ΠΆΠ΄Π΅ Π²ΡΠ΅Π³ΠΎ, ΠΏΠΎ Π½Π°ΠΏΡΠ°Π²Π»Π΅Π½ΠΈΡ Π΄Π²ΠΈΠΆΠ΅Π½ΠΈΡ ΡΠ°Π±ΠΎΡΠ΅ΠΉ ΠΆΠΈΠ΄ΠΊΠΎΡΡΠΈ.
Π Π΄Π²ΡΡ
ΡΡΡΠ±Π½ΠΎΠΉ ΡΡ
Π΅ΠΌΠ΅ ΠΏΠΎΠ΄Π°ΡΠ° ΠΏΡΠΎΡ
ΠΎΠ΄ΠΈΡ ΠΏΠ°ΡΠ°Π»Π»Π΅Π»ΡΠ½ΠΎ ΠΎΠ±ΡΠ°ΡΠΊΠ΅, Π²Π½ΠΈΠ·Ρ, Π° Π½Π°Π³ΡΠ΅ΡΠ°Ρ ΡΠ°Π±ΠΎΡΠ°Ρ ΠΆΠΈΠ΄ΠΊΠΎΡΡΡ ΡΠ΅ΡΠ΅Ρ ΠΏΠΎ ΠΎΡΠ½ΠΎΠ²Π½ΠΎΠΌΡ ΡΡΠΎΡΠΊΡ Π² Π½Π°ΠΏΡΠ°Π²Π»Π΅Π½ΠΈΠΈ ΡΠ½ΠΈΠ·Ρ Π²Π²Π΅ΡΡ
. ΠΠΎ ΠΌΠ΅ΡΠ΅ Π΅Π³ΠΎ Π΄Π²ΠΈΠΆΠ΅Π½ΠΈΡ ΡΠ΅ΠΏΠ»ΠΎΠ½ΠΎΡΠΈΡΠ΅Π»Ρ, ΠΏΡΠΎΡ
ΠΎΠ΄Ρ ΡΠ΅ΡΠ΅Π· ΡΠ°Π΄ΠΈΠ°ΡΠΎΡΡ ΠΎΡΠΎΠΏΠ»Π΅Π½ΠΈΡ, Π΄Π²ΠΈΠΆΠ΅ΡΡΡ ΠΏΠΎ ΡΡΡΠ±Π°ΠΌ ΠΎΠ±ΡΠ°ΡΠΊΠΈ ΠΈ ΠΏΠΎΠΏΠ°Π΄Π°Π΅Ρ Π² ΠΊΠΎΡΠ΅Π». ΠΠΎΠ·Π΄ΡΡΠ½ΡΠ΅ ΠΏΡΠΎΠ±ΠΊΠΈ, Π½Π΅ΠΈΠ·ΠΌΠ΅Π½Π½ΠΎ Π²ΠΎΠ·Π½ΠΈΠΊΠ°ΡΡΠΈΠ΅ Π² Π»ΡΠ±ΠΎΠΉ ΡΡ
Π΅ΠΌΠ΅, ΠΎΡΠ²ΠΎΠ±ΠΎΠΆΠ΄Π°ΡΡΡΡ ΠΎΡΠΊΡΡΡΠΈΠ΅ΠΌ ΠΊΡΠ°Π½ΠΎΠ² ΠΠ°Π΅Π²ΡΠΊΠΎΠ³ΠΎ, ΡΡΡΠ°Π½ΠΎΠ²Π»Π΅Π½Π½ΡΡ
Π½Π° Π²ΡΠ΅Ρ
Π±Π°ΡΠ°ΡΠ΅ΡΡ
ΠΈΠ»ΠΈ ΡΠ°Π΄ΠΈΠ°ΡΠΎΡΠ°Ρ
. ΠΠΌΠ΅ΡΡΠΎ ΠΊΡΠ°Π½ΠΎΠ² ΠΠ°Π΅Π²ΡΠΊΠΎΠ³ΠΎ ΡΡΡΠ°Π½Π°Π²Π»ΠΈΠ²Π°ΡΡΡΡ Π°Π²ΡΠΎΠΌΠ°ΡΠΈΡΠ΅ΡΠΊΠΈΠ΅ ΠΊΠ»Π°ΠΏΠ°Π½Ρ β Π²ΠΎΠ·Π΄ΡΡ
ΠΎΠΎΡΠ²ΠΎΠ΄ΡΠΈΠΊΠΈ.
Π ΡΠ°Π±Π»ΠΈΡΠ΅ Π½ΠΈΠΆΠ΅ ΠΏΡΠΈΠ²Π΅Π΄Π΅Π½Ρ Π΄Π°Π½Π½ΡΠ΅ ΡΠ°ΡΡΠ΅ΡΠ° ΠΌΠΎΡΠ½ΠΎΡΡΠΈ ΡΠ°Π΄ΠΈΠ°ΡΠΎΡΠΎΠ² Π² Π·Π°Π²ΠΈΡΠΈΠΌΠΎΡΡΠΈ ΠΎΡ ΠΎΡΠ°ΠΏΠ»ΠΈΠ²Π°Π΅ΠΌΠΎΠΉ ΠΏΠ»ΠΎΡΠ°Π΄ΠΈ ΠΏΠΎΠΌΠ΅ΡΠ΅Π½ΠΈΡ:
ΠΡΠ±Π°Ρ ΡΡ
Π΅ΠΌΠ° Π΄Π²ΡΡ
ΡΡΡΠ±Π½ΠΎΠΉ ΡΠ°Π·Π²ΠΎΠ΄ΠΊΠΈ ΡΡΡΠ± ΠΎΡΠΎΠΏΠ»Π΅Π½ΠΈΡ Ρ Π½ΠΈΠΆΠ½ΠΈΠΌ ΠΏΠΎΠ΄ΠΊΠ»ΡΡΠ΅Π½ΠΈΠ΅ΠΌ ΠΈΠΌΠ΅Π΅Ρ ΠΎΠ΄ΠΈΠ½ ΠΈΠ»ΠΈ Π½Π΅ΡΠΊΠΎΠ»ΡΠΊΠΎ ΠΊΠΎΠ½ΡΡΡΠΎΠ² ΠΎΡΠΎΠΏΠ»Π΅Π½ΠΈΡ ΡΠ΅ΡΠ΅Π· ΠΊΠΎΡΠΎΡΡΠ΅ ΠΆΠΈΠ΄ΠΊΠΎΡΡΡ ΡΠ΅ΡΠ΅Ρ ΠΏΠΎ ΠΏΠΎΠ΄Π°ΡΡΠ΅ΠΌΡ ΠΈ ΠΎΠ±ΡΠ°ΡΠ½ΠΎΠΌΡ ΡΡΠ°ΠΊΡΡ. ΠΡΠ»ΠΈ ΠΏΠΎΠ΄Π°ΡΡΠ°Ρ ΡΡΡΠ±Π° ΠΏΡΠΎΠ»ΠΎΠΆΠ΅Π½Π° Π½Π° ΡΡΠΎΠ²Π½Π΅ ΡΠ°Π΄ΠΈΠ°ΡΠΎΡΠ° ΠΈΠ»ΠΈ Π½ΠΈΠΆΠ΅, ΡΠΎ ΠΏΠΎΡΠ²Π»Π΅Π½ΠΈΠ΅ Π²ΠΎΠ·Π΄ΡΡ
Π° Π² ΡΠΈΡΡΠ΅ΠΌΠ΅ ΠΏΡΠ°ΠΊΡΠΈΡΠ΅ΡΠΊΠΈ Π³Π°ΡΠ°Π½ΡΠΈΡΠΎΠ²Π°Π½ΠΎ, ΠΏΠΎΡΡΠΎΠΌΡ ΠΊΡΠ°Π½Ρ ΠΠ°Π΅Π²ΡΠΊΠΎΠ³ΠΎ Π΄ΠΎΠ»ΠΆΠ½Ρ Π±ΡΡΡ Π½Π° ΠΊΠ°ΠΆΠ΄ΠΎΠΌ ΡΡΠ°ΠΆΠ΅, Π΄Π°ΠΆΠ΅ Π΅ΡΠ»ΠΈ ΡΡΠΎ ΠΎΠ΄Π½ΠΎΡΡΠ°ΠΆΠ½ΠΎΠ΅ Π·Π΄Π°Π½ΠΈΠ΅.
Π£Π΄Π°Π»ΠΈΡΡ Π²ΠΎΠ·Π΄ΡΡ
ΠΈΠ· ΡΠΈΡΡΠ΅ΠΌΡ ΠΌΠΎΠΆΠ½ΠΎ ΠΈ Π΄ΡΡΠ³ΠΈΠΌ ΡΠΏΠΎΡΠΎΠ±ΠΎΠΌ: ΡΡΠ΄ΠΎΠΌ Ρ ΡΡΠ°ΡΡΠΎΠΉ ΠΎΡΠΎΠΏΠ»Π΅Π½ΠΈΡ ΠΏΡΠΎΠ»ΠΎΠΆΠΈΡΡ ΠΎΡΠ΄Π΅Π»ΡΠ½ΡΠ΅ Π²ΠΎΠ·Π΄ΡΡΠ½ΡΠ΅ ΠΌΠ°Π³ΠΈΡΡΡΠ°Π»ΠΈ, Π²ΠΊΠ»ΡΡΠ΅Π½Π½ΡΠ΅ Π² ΡΠ°Π·Π²ΠΎΠ΄ΠΊΡ, ΠΈ ΠΏΠΎΠ΄ΡΠΎΠ΅Π΄ΠΈΠ½Π΅Π½Π½ΡΠ΅ Π½Π° Π²ΡΡ
ΠΎΠ΄Π΅ ΠΊ ΡΠ°ΡΡΠΈΡΠΈΡΠ΅Π»ΡΠ½ΠΎΠΌΡ Π±Π°ΡΠΊΡ.
Π ΡΡΠΎΠΌ ΡΠ»ΡΡΠ°Π΅ ΠΊΡΠ°Π½Ρ ΠΠ°Π΅Π²ΡΠΊΠΎΠ³ΠΎ ΠΈΠ»ΠΈ ΡΠΎΡΡΠΎΡΠΊΠΈ Π½Π΅ Π½ΡΠΆΠ½Ρ, Π½ΠΎ Π²ΠΎΠ·Π΄ΡΡΠ½ΠΈΠΊΠΈ Π·Π½Π°ΡΠΈΡΠ΅Π»ΡΠ½ΠΎ ΡΡΠ»ΠΎΠΆΠ½ΡΡΡ ΠΊΠΎΠΌΠΏΠΎΠ½ΠΎΠ²ΠΊΡ ΠΈ ΠΏΡΠ°ΠΊΡΠΈΡΠ΅ΡΠΊΡΡ ΡΡΠΎΡΠΎΠ½Ρ ΡΠ°Π·Π²ΠΎΠ΄ΠΊΠΈ — Π²ΠΎΠ·ΠΌΠΎΠΆΠ½ΠΎΡΡΡ ΠΏΡΠΈΡΠΎΠ΅Π΄ΠΈΠ½Π΅Π½ΠΈΡ ΡΡΡΠ±, ΠΏΠΎΠ²ΠΎΡΠΎΡΠΎΠ² ΠΈ ΡΠ°Π·ΠΌΠ΅ΡΠ΅Π½ΠΈΠ΅ Π΄ΠΎΠΏΠΎΠ»Π½ΠΈΡΠ΅Π»ΡΠ½ΡΡ ΡΡΠ°ΡΡ Π²Π΄ΠΎΠ»Ρ ΡΡΠ΅Π½ ΠΈΠ»ΠΈ ΠΏΠΎΠ»Π° , ΡΡΠΎ Π΄Π΅Π»Π°Π΅Ρ ΡΠ°ΠΊΡΡ ββΠΊΠΎΠ½ΡΡΡΡΠΊΡΠΈΡ Π³ΡΠΎΠΌΠΎΠ·Π΄ΠΊΠΎΠΉ ΠΈ ΠΎΠ±ΡΠ΅ΠΌΠ½ΠΎΠΉ. ΠΡΠΎΠΌΠ΅ ΡΠΎΠ³ΠΎ, ΠΏΠΎΠ΄ΠΊΠ»ΡΡΠ΅Π½ΠΈΠ΅ ΡΡΡΠ± ΠΊ ΠΠ β ΡΡΠΎ ΡΠ°Π·ΠΌΠ΅ΡΠ΅Π½ΠΈΠ΅ ΡΡΠΎΡΠΊΠΎΠ² ΠΎΡ ΠΏΠΎΠ»Π° Π΄ΠΎ ΠΏΠΎΡΠΎΠ»ΠΊΠ° Π² ΠΊΠ°ΠΆΠ΄ΠΎΠΌ ΠΏΠΎΠΌΠ΅ΡΠ΅Π½ΠΈΠΈ, ΡΡΠΎ ΡΠ²ΠΎΠ΄ΠΈΡ Π½Π° Π½Π΅Ρ Π²ΡΠ΅ ΠΏΡΠ΅ΠΈΠΌΡΡΠ΅ΡΡΠ²Π° Π½ΠΈΠΆΠ½Π΅Π³ΠΎ ΠΏΠΎΠ΄ΠΊΠ»ΡΡΠ΅Π½ΠΈΡ.
Π‘ΡΠ°Π²Π½Π΅Π½ΠΈΠ΅ Ρ Π΄ΡΡΠ³ΠΈΠΌΠΈ ΡΠΈΠΏΠ°ΠΌΠΈ
Π Π½ΠΈΠΆΠ½Π΅ΠΉ Π²ΡΠ΅Π·ΠΊΠ΅ ΠΏΠΎΠ΄Π°ΡΡΠ°Ρ ΠΌΠ°Π³ΠΈΡΡΡΠ°Π»Ρ ΠΏΡΠΎΠ»ΠΎΠΆΠ΅Π½Π° ΡΠ½ΠΈΠ·Ρ, ΡΡΠ΄ΠΎΠΌ Ρ ΠΎΠ±ΡΠ°ΡΠΊΠΎΠΉ, Ρ.ΠΊ. ΡΠ΅ΠΏΠ»ΠΎΠ½ΠΎΡΠΈΡΠ΅Π»Ρ Π½Π°ΠΏΡΠ°Π²Π»Π΅Π½ ΡΠ½ΠΈΠ·Ρ Π²Π²Π΅ΡΡ ΠΏΠΎ ΠΏΠΎΠ΄Π°ΡΡΠΈΠΌ ΡΡΠΎΡΠΊΠ°ΠΌ. ΠΠ±Π° Π²ΠΈΠ΄Π° ΡΠ°Π·Π²ΠΎΠ΄ΠΊΠΈ ΠΌΠΎΠ³ΡΡ Π±ΡΡΡ Π²ΡΠΏΠΎΠ»Π½Π΅Π½Ρ Ρ ΠΎΠ΄Π½ΠΈΠΌ ΠΈΠ»ΠΈ Π½Π΅ΡΠΊΠΎΠ»ΡΠΊΠΈΠΌΠΈ ΠΊΠΎΠ½ΡΡΡΠ°ΠΌΠΈ, ΡΡΠΏΠΈΠΊΠΎΠ²ΡΠΌΠΈ ΠΈ ΡΠ²ΡΠ·Π°Π½Π½ΡΠΌΠΈ Ρ ΡΠ°ΡΡ ΠΎΠ΄ΠΎΠΌ Π²ΠΎΠ΄Ρ Π² ΠΏΠΎΠ΄Π°ΡΡΠ΅ΠΌ ΡΡΡΠ±ΠΎΠΏΡΠΎΠ²ΠΎΠ΄Π΅ ΠΈ ΠΎΠ±ΡΠ°ΡΠ½ΠΎΠΌ.
Π‘ΠΈΡΡΠ΅ΠΌΡ Ρ Π΅ΡΡΠ΅ΡΡΠ²Π΅Π½Π½ΠΎΠΉ ΡΠΈΡΠΊΡΠ»ΡΡΠΈΠ΅ΠΉ Ρ Π½ΠΈΠΆΠ½Π΅ΠΉ Π»ΠΈΠ½ΠΈΠ΅ΠΉ ΠΏΡΠΈΠΌΠ΅Π½ΡΡΡΡΡ ΠΎΡΠ΅Π½Ρ ΡΠ΅Π΄ΠΊΠΎ, ΡΠ°ΠΊ ΠΊΠ°ΠΊ ΡΡΠ΅Π±ΡΡΡ Π±ΠΎΠ»ΡΡΠΎΠ³ΠΎ ΠΊΠΎΠ»ΠΈΡΠ΅ΡΡΠ²Π° ΡΡΠΎΡΠΊΠΎΠ², ΠΈ ΡΠΌΡΡΠ» ΡΠ°ΠΊΠΎΠΉ ΠΎΠ±Π²ΡΠ·ΠΊΠΈ ΡΡΡΠ± Π² ΡΠΎΠΌ, ΡΡΠΎΠ±Ρ ΡΠ²Π΅ΡΡΠΈ ΠΈΡ
ΠΊΠΎΠ»ΠΈΡΠ΅ΡΡΠ²ΠΎ ΠΊ ΠΌΠΈΠ½ΠΈΠΌΡΠΌΡ.
Π‘ ΡΡΠ΅ΡΠΎΠΌ ΡΡΠΎΠ³ΠΎ ΡΠ°ΠΊΠΈΠ΅ ΠΊΠΎΠ½ΡΡΡΡΠΊΡΠΈΠΈ ΡΠ°ΡΠ΅ Π²ΡΠ΅Π³ΠΎ ΠΈΠΌΠ΅ΡΡ ΠΏΡΠΈΠ½ΡΠ΄ΠΈΡΠ΅Π»ΡΠ½ΡΡ ΡΠΈΡΠΊΡΠ»ΡΡΠΈΡ.
ΠΡΡΡΠ° ΠΈ ΠΏΠΎΠ»Ρ — Π·Π½Π°ΡΠ΅Π½ΠΈΠ΅
ΠΡΠΈ Π²Π΅ΡΡ Π½Π΅ΠΌ ΠΏΠΎΠ΄ΠΊΠ»ΡΡΠ΅Π½ΠΈΠΈ Π»ΠΈΠ½ΠΈΡ ΠΏΠΎΠ΄Π°ΡΠΈ Π½Π°Ρ ΠΎΠ΄ΠΈΡΡΡ Π²ΡΡΠ΅ ΡΡΠΎΠ²Π½Ρ ΡΠ°Π΄ΠΈΠ°ΡΠΎΡΠ°. Π£ΡΡΠ°Π½Π°Π²Π»ΠΈΠ²Π°Π΅ΡΡΡ Π½Π° ΡΠ΅ΡΠ΄Π°ΠΊΠ΅, Π² ΠΏΠΎΡΠΎΠ»ΠΊΠ΅. ΠΠ°Π³ΡΠ΅ΡΠ°Ρ Π²ΠΎΠ΄Π° ΠΏΠΎΡΡΡΠΏΠ°Π΅Ρ ΡΠ²Π΅ΡΡ Ρ, Π·Π°ΡΠ΅ΠΌ β ΠΏΠΎ ΡΡΠΎΡΠΊΠ°ΠΌ ΠΏΠΎΠ΄Π°ΡΠΈ ΡΠ°Π²Π½ΠΎΠΌΠ΅ΡΠ½ΠΎ ΡΠ°ΡΠΏΡΠ΅Π΄Π΅Π»ΡΠ΅ΡΡΡ ΠΏΠΎ Π±Π°ΡΠ°ΡΠ΅ΡΠΌ. Π Π°Π΄ΠΈΠ°ΡΠΎΡΡ Π΄ΠΎΠ»ΠΆΠ½Ρ ΡΠ°ΡΠΏΠΎΠ»Π°Π³Π°ΡΡΡΡ Π½Π°Π΄ ΠΎΠ±ΡΠ°ΡΠΊΠΎΠΉ. ΠΠ»Ρ ΠΈΡΠΊΠ»ΡΡΠ΅Π½ΠΈΡ ΡΠΊΠΎΠΏΠ»Π΅Π½ΠΈΡ Π²ΠΎΠ·Π΄ΡΡ Π° Π² ΡΠ°ΠΌΠΎΠΉ Π²Π΅ΡΡ Π½Π΅ΠΉ ΡΠΎΡΠΊΠ΅ (Π½Π° ΡΠ΅ΡΠ΄Π°ΠΊΠ΅) ΠΌΠΎΠ½ΡΠΈΡΡΠ΅ΡΡΡ ΠΊΠΎΠΌΠΏΠ΅Π½ΡΠ°ΡΠΈΠΎΠ½Π½ΡΠΉ Π±Π°ΠΊ. ΠΠΎΡΡΠΎΠΌΡ ΠΎΠ½ Π½Π΅ ΠΏΠΎΠ΄Ρ ΠΎΠ΄ΠΈΡ Π΄Π»Ρ Π΄ΠΎΠΌΠΎΠ² Ρ ΠΏΠ»ΠΎΡΠΊΠΎΠΉ ΠΊΡΡΡΠ΅ΠΉ Π±Π΅Π· ΡΠ΅ΡΠ΄Π°ΠΊΠ°.
ΠΡΠΎΠ²ΠΎΠ΄ΠΊΠ° ΡΠ½ΠΈΠ·Ρ ΠΈΠΌΠ΅Π΅Ρ Π΄Π²Π΅ ΡΡΡΠ±Ρ — ΠΏΠΎΠ΄Π°ΡΡ ΠΈ ΠΎΡΠ²ΠΎΠ΄, — ΡΠ°Π΄ΠΈΠ°ΡΠΎΡΡ Π΄ΠΎΠ»ΠΆΠ½Ρ Π±ΡΡΡ Π²ΡΡΠ΅ ΠΈΡ . ΠΡΠ°Π½ΠΎΠΌ ΠΠ°Π΅Π²ΡΠΊΠΎΠ³ΠΎ ΠΎΡΠ΅Π½Ρ ΡΠ΄ΠΎΠ±Π½ΠΎ ΡΠ΄Π°Π»ΡΡΡ Π²ΠΎΠ·Π΄ΡΡΠ½ΡΠ΅ ΠΏΡΠΎΠ±ΠΊΠΈ. ΠΠΈΠ½ΠΈΡ ΠΏΠΎΠ΄Π°ΡΠΈ Π½Π°Ρ ΠΎΠ΄ΠΈΡΡΡ Π² ΠΏΠΎΠ΄Π²Π°Π»Π΅, Π² ΡΠΎΠΊΠΎΠ»Π΅, ΠΏΠΎΠ΄ ΠΏΠΎΠ»ΠΎΠΌ. ΠΠΎΠ΄Π°ΡΡΠ°Ρ Π»ΠΈΠ½ΠΈΡ Π΄ΠΎΠ»ΠΆΠ½Π° Π±ΡΡΡ Π²ΡΡΠ΅ ΠΎΠ±ΡΠ°ΡΠ½ΠΎΠΉ. ΠΠΎΠΏΠΎΠ»Π½ΠΈΡΠ΅Π»ΡΠ½ΡΠΉ ΡΠΊΠ»ΠΎΠ½ Π»ΠΈΠ½ΠΈΠΈ Π² ΡΡΠΎΡΠΎΠ½Ρ ΠΊΠΎΡΠ»Π° ΡΠ²ΠΎΠ΄ΠΈΡ ΠΊ ΠΌΠΈΠ½ΠΈΠΌΡΠΌΡ Π²ΠΎΠ·Π΄ΡΡΠ½ΡΠ΅ ΠΊΠ°ΡΠΌΠ°Π½Ρ.
ΠΠ±Π΅ ΠΏΡΠΎΠ²ΠΎΠ΄ΠΊΠΈ Π½Π°ΠΈΠ±ΠΎΠ»Π΅Π΅ ΡΡΡΠ΅ΠΊΡΠΈΠ²Π½Ρ Π² Π²Π΅ΡΡΠΈΠΊΠ°Π»ΡΠ½ΠΎΠΉ ΠΊΠΎΠ½ΡΠΈΠ³ΡΡΠ°ΡΠΈΠΈ, ΠΊΠΎΠ³Π΄Π° Π±Π°ΡΠ°ΡΠ΅ΠΈ ΠΌΠΎΠ½ΡΠΈΡΡΡΡΡΡ Π½Π° ΡΠ°Π·Π½ΡΡ ΡΡΠ°ΠΆΠ°Ρ ΠΈΠ»ΠΈ ΡΡΠΎΠ²Π½ΡΡ .
Π Π°Π΄ΠΈΠ°ΡΠΎΡΡ Π΄Π»Ρ ΡΠΈΡΡΠ΅ΠΌ ΡΠ΅Π½ΡΡΠ°Π»ΠΈΠ·ΠΎΠ²Π°Π½Π½ΠΎΠ³ΠΎ ΠΎΡΠΎΠΏΠ»Π΅Π½ΠΈΡ
Π Π°Π΄ΠΈΠ°ΡΠΎΡ ΡΡΠ³ΡΠ½Π½ΡΠΉ ΡΡΠΎΠ»Π±ΡΠ°ΡΡΠΉ
- ΠΠ½ΠΎΠ³ΠΈΠ΅ ΠΈΠ· Π½Π°Ρ ΡΠΆΠ΅ Π΄Π°Π²Π½ΠΎ ΠΏΡΠΈΠ²ΡΠΊΠ»ΠΈ ΠΊ ΡΡΠ³ΡΠ½Π½ΡΠΌ ΡΠ°Π΄ΠΈΠ°ΡΠΎΡΠ°ΠΌ, ΡΡΡΠ°Π½Π°Π²Π»ΠΈΠ²Π°Π΅ΠΌΡΠΌ Ρ ΠΌΠΎΠΌΠ΅Π½ΡΠ° ΠΏΠΎΡΡΡΠΎΠΉΠΊΠΈ Π΄ΠΎΠΌΠ° ΠΈ Π΄Π°ΠΆΠ΅, Π΅ΡΠ»ΠΈ Π²ΠΎΠ·Π½ΠΈΠΊΠ°Π΅Ρ Π½Π΅ΠΎΠ±Ρ ΠΎΠ΄ΠΈΠΌΠΎΡΡΡ, Π·Π°ΠΌΠ΅Π½ΡΡΡ ΠΈΡ Π½Π° ΠΏΠΎΠ΄ΠΎΠ±Π½ΡΠ΅. ΠΠ»Ρ ΡΠΈΡΡΠ΅ΠΌ ΡΠ΅Π½ΡΡΠ°Π»ΠΈΠ·ΠΎΠ²Π°Π½Π½ΠΎΠ³ΠΎ ΠΎΡΠΎΠΏΠ»Π΅Π½ΠΈΡ ΡΠ°ΠΊΠΈΠ΅ Π±Π°ΡΠ°ΡΠ΅ΠΈ Π΄ΠΎΡΡΠ°ΡΠΎΡΠ½ΠΎ Ρ ΠΎΡΠΎΡΠΈ, ΠΏΠΎΡΠΊΠΎΠ»ΡΠΊΡ Π²ΡΠ΄Π΅ΡΠΆΠΈΠ²Π°ΡΡ Π²ΡΡΠΎΠΊΠΎΠ΅ Π΄Π°Π²Π»Π΅Π½ΠΈΠ΅, ΠΏΠΎΡΡΠΎΠΌΡ Π² ΠΏΠ°ΡΠΏΠΎΡΡΠ΅ Π±Π°ΡΠ°ΡΠ΅Ρ ΠΈΠΌΠ΅Π΅Ρ Π΄Π²Π΅ ΡΠΈΡΡΡ, ΠΏΠ΅ΡΠ²Π°Ρ ΠΈΠ· ΠΊΠΎΡΠΎΡΡΡ ΡΠΊΠ°Π·ΡΠ²Π°Π΅Ρ Π½Π° ΡΠ°Π±ΠΎΡΠ΅Π΅ Π΄Π°Π²Π»Π΅Π½ΠΈΠ΅, Π° Π²ΡΠΎΡΠ°Ρ β Π½Π°ΠΏΠΎΡΠ½ΠΎΠ΅ (ΠΈΡΠΏΡΡΠ°ΡΠ΅Π»ΡΠ½ΠΎΠ΅) Π΄Π°Π²Π»Π΅Π½ΠΈΠ΅. ΠΠ»Ρ ΡΡΠ³ΡΠ½Π½ΡΡ ΠΏΡΠΈΠ±ΠΎΡΠΎΠ² ΡΡΠΎ ΠΎΠ±ΡΡΠ½ΠΎ 6/15 ΠΈΠ»ΠΈ 8/15.
Π Π°Π΄ΠΈΠ°ΡΠΎΡ ΡΠ΅ΠΊΡΠΈΠΎΠ½Π½ΡΠΉ Π±ΠΈΠΌΠ΅ΡΠ°Π»Π»ΠΈΡΠ΅ΡΠΊΠΈΠΉ
- ΠΠΎ Π² Π΄Π΅Π²ΡΡΠΈΡΡΠ°ΠΆΠΊΠ΅ ΡΠ°Π±ΠΎΡΠ΅Π΅ Π΄Π°Π²Π»Π΅Π½ΠΈΠ΅ ΠΎΠ±ΡΡΠ½ΠΎ Π΄ΠΎΡΡΠΈΠ³Π°Π΅Ρ 6 Π°ΡΠΌΠΎΡΡΠ΅Ρ, ΠΏΠΎΡΡΠΎΠΌΡ Π²ΡΡΠ΅ΠΎΠΏΠΈΡΠ°Π½Π½ΡΠ΅ Π±Π°ΡΠ°ΡΠ΅ΠΈ Π²ΠΏΠΎΠ»Π½Π΅ ΠΏΠΎΠ΄ΠΎΠΉΠ΄ΡΡ, Π° Π²ΠΎΡ Π² 22-ΡΡΠ°ΠΆΠΊΠ΅ Π΄Π°Π²Π»Π΅Π½ΠΈΠ΅ ΠΌΠΎΠΆΠ΅Ρ Π΄ΠΎΡΡΠΈΠ³Π°ΡΡ 15 Π°ΡΠΌΠΎΡΡΠ΅Ρ, ΠΏΠΎΡΡΠΎΠΌΡ Π·Π΄Π΅ΡΡ Π±ΠΎΠ»Π΅Π΅ ΡΠΌΠ΅ΡΡΠ½Ρ ΡΡΡΡΠΎΠΉΡΡΠ²Π° ΠΈΠ· ΡΡΠ°Π»ΠΈ ΠΈΠ»ΠΈ Π±ΠΈΠΌΠ΅ΡΠ°Π»Π»Π°. ΠΠ΅ ΠΏΠΎΠ΄Ρ
ΠΎΠ΄ΡΡ Π΄Π»Ρ ΡΠ΅Π½ΡΡΠ°Π»ΠΈΠ·ΠΎΠ²Π°Π½Π½ΠΎΠ³ΠΎ ΠΎΡΠΎΠΏΠ»Π΅Π½ΠΈΡ ΡΠΎΠ»ΡΠΊΠΎ Π°Π»ΡΠΌΠΈΠ½ΠΈΠ΅Π²ΡΠ΅ ΡΠ°Π΄ΠΈΠ°ΡΠΎΡΡ, ΡΠ°ΠΊ ΠΊΠ°ΠΊ ΠΎΠ½ΠΈ Π½Π΅ Π²ΡΠ΄Π΅ΡΠΆΠ°Ρ ΡΠ°Π±ΠΎΡΠ΅Π³ΠΎ ΡΠΎΡΡΠΎΡΠ½ΠΈΡ ΡΠ΅Π½ΡΡΠ°Π»ΠΈΠ·ΠΎΠ²Π°Π½Π½ΠΎΠ³ΠΎ ΠΊΠΎΠ½ΡΡΡΠ°.

Π Π΅ΠΊΠΎΠΌΠ΅Π½Π΄Π°ΡΠΈΠΈ. ΠΡΠ»ΠΈ Π²Ρ Π·Π°ΡΠ΅ΡΠ»ΠΈ Π² ΡΠ²ΠΎΠ΅ΠΉ ΠΊΠ²Π°ΡΡΠΈΡΠ΅ ΠΊΠ°ΠΏΠΈΡΠ°Π»ΡΠ½ΡΠΉ ΡΠ΅ΠΌΠΎΠ½Ρ ΠΈ ΠΊ ΡΠΎΠΌΡ ΠΆΠ΅ Ρ ΠΎΡΠΈΡΠ΅ Π·Π°ΠΌΠ΅Π½ΠΈΡΡ ΡΠ°Π΄ΠΈΠ°ΡΠΎΡΡ, ΡΠΎ, ΠΏΠΎ Π²ΠΎΠ·ΠΌΠΎΠΆΠ½ΠΎΡΡΠΈ, Π·Π°ΠΌΠ΅Π½ΠΈΡΠ΅ ΡΡΡΠ±Ρ ΡΠ°Π·Π²ΠΎΠ΄ΠΊΠΈ. ΠΡΠΈ ΡΡΡΠ±Ρ Β½β ΠΈΠ»ΠΈ ΒΎβ, Π½Π°Π²Π΅ΡΠ½ΠΎΠ΅, ΡΠΎΠΆΠ΅ Π½Π΅ Π² ΠΎΡΠ΅Π½Ρ Ρ ΠΎΡΠΎΡΠ΅ΠΌ ΡΠΎΡΡΠΎΡΠ½ΠΈΠΈ, Π° ΡΠΊΠΎΠΏΠ»Π°ΡΡ ΠΏΠΎΠ΄ΠΎΠΉΠ΄ΡΡ Π»ΡΡΡΠ΅ ΠΈΡΠΏΠΎΠ»ΡΠ·ΡΠ΅ΡΡΡ Π²ΠΌΠ΅ΡΡΠΎ ΡΡΠΎΠ³ΠΎ. Π‘ΡΠ°Π»ΡΠ½ΡΠ΅ ΠΈ Π±ΠΈΠΌΠ΅ΡΠ°Π»Π»ΠΈΡΠ΅ΡΠΊΠΈΠ΅ (ΡΠ΅ΠΊΡΠΈΠΎΠ½Π½ΡΠ΅ ΠΈΠ»ΠΈ ΠΏΠ°Π½Π΅Π»ΡΠ½ΡΠ΅) ΡΠ°Π΄ΠΈΠ°ΡΠΎΡΡ ΠΈΠΌΠ΅ΡΡ Π±ΠΎΠ»Π΅Π΅ ΡΠ·ΠΊΠΈΠ΅ Π²ΠΎΠ΄ΠΎΡΠΎΠΊΠΈ, ΡΠ΅ΠΌ ΡΡΠ³ΡΠ½Π½ΡΠ΅, ΠΏΠΎΡΡΠΎΠΌΡ ΠΌΠΎΠ³ΡΡ Π·Π°Π±ΠΈΠ²Π°ΡΡΡΡ ΠΈ ΡΠ΅ΡΡΡΡ ΠΌΠΎΡΠ½ΠΎΡΡΡ. Π§ΡΠΎΠ±Ρ ΡΡΠΎΠ³ΠΎ Π½Π΅ ΠΏΡΠΎΠΈΠ·ΠΎΡΠ»ΠΎ, ΠΏΠΎΡΡΠ°Π²ΡΡΠ΅ Π½Π° ΠΏΠΎΠ΄Π°ΡΡ Π²ΠΎΠ΄Ρ ΠΊ Π±Π°ΡΠ°ΡΠ΅Π΅ ΠΎΠ±ΡΡΠ½ΡΠΉ ΡΠΈΠ»ΡΡΡ, ΠΊΠΎΡΠΎΡΡΠΉ ΡΡΡΠ°Π½Π°Π²Π»ΠΈΠ²Π°Π΅ΡΡΡ ΠΏΠ΅ΡΠ΅Π΄ Π²ΠΎΠ΄ΠΎΠΌΠ΅ΡΠΎΠΌ.
ΠΡΠΈΠ½ΡΠΈΠΏ ΡΠ°Π±ΠΎΡΡ
ΠΡΠ½ΠΎΠ²Π½ΠΎΠΉ Ρ Π°ΡΠ°ΠΊΡΠ΅ΡΠΈΡΡΠΈΠΊΠΎΠΉ Π΄Π²ΡΡ ΡΡΡΠ±Π½ΠΎΠΉ ΡΠΈΡΡΠ΅ΠΌΡ ΡΠ²Π»ΡΠ΅ΡΡΡ Π½Π°Π»ΠΈΡΠΈΠ΅ ΠΈΠ½Π΄ΠΈΠ²ΠΈΠ΄ΡΠ°Π»ΡΠ½ΠΎΠΉ Π»ΠΈΠ½ΠΈΠΈ ΠΏΠΎΠ΄Π²ΠΎΠ΄Π° Π²ΠΎΠ΄Ρ ΠΊ ΠΊΠ°ΠΆΠ΄ΠΎΠΌΡ ΡΠ°Π΄ΠΈΠ°ΡΠΎΡΡ. Π ΡΡΠΎΠΉ ΡΡ Π΅ΠΌΠ΅ ΠΊΠ°ΠΆΠ΄Π°Ρ ΠΈΠ· Π±Π°ΡΠ°ΡΠ΅ΠΉ ΠΎΠ±ΠΎΡΡΠ΄ΠΎΠ²Π°Π½Π° Π΄Π²ΡΠΌΡ ΠΎΡΠ΄Π΅Π»ΡΠ½ΡΠΌΠΈ ΡΡΡΠ±Π°ΠΌΠΈ: Π²ΠΎΠ΄ΠΎΠΏΡΠΎΠ²ΠΎΠ΄Π½ΠΎΠΉ ΠΈ ΠΎΡΠ²ΠΎΠ΄ΡΡΠ΅ΠΉ. Π’Π΅ΠΏΠ»ΠΎΠ½ΠΎΡΠΈΡΠ΅Π»Ρ ΠΏΠΎΡΡΡΠΏΠ°Π΅Ρ ΠΊ Π±Π°ΡΠ°ΡΠ΅ΡΠΌ ΡΠ½ΠΈΠ·Ρ Π²Π²Π΅ΡΡ . ΠΡ Π»Π°ΠΆΠ΄Π΅Π½Π½Π°Ρ Π²ΠΎΠ΄Π° Π²ΠΎΠ·Π²ΡΠ°ΡΠ°Π΅ΡΡΡ ΠΏΠΎ ΠΎΠ±ΡΠ°ΡΠ½ΡΠΌ ΡΡΠΎΡΠΊΠ°ΠΌ Π² ΠΎΠ±ΡΠ°ΡΠΊΡ, Π° ΠΏΠΎ Π½Π΅ΠΉ Π² ΠΊΠΎΡΠ΅Π».
Π ΠΌΠ½ΠΎΠ³ΠΎΡΡΠ°ΠΆΠ½ΠΎΠΌ ΠΏΠΎΠΌΠ΅ΡΠ΅Π½ΠΈΠΈ ΡΠ΅Π»Π΅ΡΠΎΠΎΠ±ΡΠ°Π·Π½ΠΎ ΡΡΡΠ°Π½Π°Π²Π»ΠΈΠ²Π°ΡΡ ΠΈΠΌΠ΅Π½Π½ΠΎ Π΄Π²ΡΡ
ΡΡΡΠ±Π½ΡΡ ΠΊΠΎΠ½ΡΡΡΡΠΊΡΠΈΡ Ρ Π²Π΅ΡΡΠΈΠΊΠ°Π»ΡΠ½ΠΎΠΉ Π»ΠΈΠ½ΠΈΠ΅ΠΉ ΠΈ Π½ΠΈΠΆΠ½Π΅ΠΉ ΡΠ°Π·Π²ΠΎΠ΄ΠΊΠΎΠΉ.
Π ΡΡΠΎΠΌ ΡΠ»ΡΡΠ°Π΅ ΡΠ°Π·Π½ΠΈΡΠ° ΡΠ΅ΠΌΠΏΠ΅ΡΠ°ΡΡΡ ΠΌΠ΅ΠΆΠ΄Ρ ΡΠ΅ΠΏΠ»ΠΎΠ½ΠΎΡΠΈΡΠ΅Π»Π΅ΠΌ Π² ΠΏΠΎΠ΄Π°ΡΡΠ΅ΠΌ ΠΈ ΠΎΠ±ΡΠ°ΡΠ½ΠΎΠΌ ΡΡΡΠ±ΠΎΠΏΡΠΎΠ²ΠΎΠ΄Π΅ ΡΠΎΠ·Π΄Π°Π΅Ρ ΡΠΈΠ»ΡΠ½ΠΎΠ΅ Π΄Π°Π²Π»Π΅Π½ΠΈΠ΅, ΡΠ²Π΅Π»ΠΈΡΠΈΠ²Π°ΡΡΠ΅Π΅ΡΡ ΠΏΠΎ ΠΌΠ΅ΡΠ΅ ΠΏΠΎΠ΄ΡΠ΅ΠΌΠ° ΠΏΠΎΠ»Π°. ΠΠ°Π²Π»Π΅Π½ΠΈΠ΅ ΠΏΠΎΠΌΠΎΠ³Π°Π΅Ρ Π²ΠΎΠ΄Π΅ Π΄Π²ΠΈΠ³Π°ΡΡΡΡ ΠΏΠΎ ΡΡΡΠ±ΠΎΠΏΡΠΎΠ²ΠΎΠ΄Ρ.
Π ΡΠ°ΡΡΠΌΠ°ΡΡΠΈΠ²Π°Π΅ΠΌΠΎΠΌ Π½ΠΈΠΆΠ½Π΅ΠΌ ΠΏΡΠΈΡΠΎΠ΅Π΄ΠΈΠ½Π΅Π½ΠΈΠΈ ΡΡΡΠ± ΠΊΠΎΡΠ΅Π» Π΄ΠΎΠ»ΠΆΠ΅Π½ Π½Π°Ρ ΠΎΠ΄ΠΈΡΡΡΡ Π² ΡΠ³Π»ΡΠ±Π»Π΅Π½ΠΈΠΈ, ΡΠ°ΠΊ ΠΊΠ°ΠΊ Π±Π°ΡΠ°ΡΠ΅ΠΈ ΠΈ ΠΎΡΠΎΠΏΠΈΡΠ΅Π»ΡΠ½ΡΠ΅ ΠΏΡΠΈΠ±ΠΎΡΡ Π΄ΠΎΠ»ΠΆΠ½Ρ Π±ΡΡΡ Π²ΡΡΠ΅, ΡΡΠΎΠ±Ρ ΠΎΠ±Π΅ΡΠΏΠ΅ΡΠΈΡΡ ΡΠ°Π²Π½ΠΎΠΌΠ΅ΡΠ½ΡΡ ΠΏΠΎΠ΄Π°ΡΡ ΠΊ Π½ΠΈΠΌ Π²ΠΎΠ΄Ρ.
ΠΠ°ΠΊΠ°ΠΏΠ»ΠΈΠ²Π°ΡΡΠΈΠΉΡΡ Π²ΠΎΠ·Π΄ΡΡ ΡΠ΄Π°Π»ΡΠ΅ΡΡΡ ΠΊΡΠ°Π½Π°ΠΌΠΈ ΠΈΠ»ΠΈ ΡΠ»ΠΈΠ²Π°ΠΌΠΈ ΠΠ°Π΅Π²ΡΠΊΠΎΠ³ΠΎ, ΠΎΠ½ΠΈ ΠΌΠΎΠ½ΡΠΈΡΡΡΡΡΡ Π½Π° Π²ΡΠ΅Ρ ΠΎΡΠΎΠΏΠΈΡΠ΅Π»ΡΠ½ΡΡ ΠΏΡΠΈΠ±ΠΎΡΠ°Ρ . ΠΡΠΈΠΌΠ΅Π½ΡΡΡΡΡ ΡΠ°ΠΊΠΆΠ΅ Π°Π²ΡΠΎΠΌΠ°ΡΠΈΡΠ΅ΡΠΊΠΈΠ΅ ΡΠ°ΠΌΠΎΡΠ²Π°Π»Ρ, ΠΊΠΎΡΠΎΡΡΠ΅ Π·Π°ΠΊΡΠ΅ΠΏΠ»ΡΡΡΡΡ Π½Π° ΡΡΠΎΡΠΊΠ°Ρ ΠΈΠ»ΠΈ ΡΠΏΠ΅ΡΠΈΠ°Π»ΡΠ½ΡΡ Π²Π΅Π½ΡΠΈΠ»ΡΡΠΈΠΎΠ½Π½ΡΡ Π»ΠΈΠ½ΠΈΡΡ .
Π‘Ρ Π΅ΠΌΠ° ΡΠ°Π·Π²ΠΎΠ΄ΠΊΠΈ
ΠΠΎΠΊΠ° ΡΠ΅ΠΏΠ»ΠΎΡΠ΅Ρ Π½ΠΈΠΊΠΈ ΠΎΠ±ΡΡΠΆΠ΄Π°ΡΡ ΠΎΠΏΡΠΈΠΌΠ°Π»ΡΠ½ΡΡ ΡΡ Π΅ΠΌΡ ΠΎΡΠΎΠΏΠ»Π΅Π½ΠΈΡ Π΄ΠΎΠΌΠ° Π¦Π, ΠΏΠΎΠ΄Π½ΠΈΠΌΠ°Π΅ΡΡΡ Π²ΠΎΠΏΡΠΎΡ Π³ΡΠ°ΠΌΠΎΡΠ½ΠΎΠΉ ΡΠ°Π·Π²ΠΎΠ΄ΠΊΠΈ ΡΡΡΠ± Π² Π΄ΠΎΠΌΠ΅. Π ΡΠΎΠ²ΡΠ΅ΠΌΠ΅Π½Π½ΡΡ ΠΌΠ½ΠΎΠ³ΠΎΡΡΠ°ΠΆΠ½ΡΡ Π΄ΠΎΠΌΠ°Ρ ΡΡ Π΅ΠΌΠ° ΡΠ°Π·Π²ΠΎΠ΄ΠΊΠΈ ΠΎΡΠΎΠΏΠ»Π΅Π½ΠΈΡ ΠΌΠΎΠΆΠ΅Ρ Π±ΡΡΡ ΡΠ΅Π°Π»ΠΈΠ·ΠΎΠ²Π°Π½Π° ΠΏΠΎ ΠΎΠ΄Π½ΠΎΠΉ ΠΈΠ· Π΄Π²ΡΡ Π²ΠΎΠ·ΠΌΠΎΠΆΠ½ΡΡ ΡΡ Π΅ΠΌ.
ΠΠ΄Π½ΠΎΡΡΡΠ±Π½ΠΎΠ΅ ΠΏΠΎΠ΄ΠΊΠ»ΡΡΠ΅Π½ΠΈΠ΅
ΠΠ΅ΡΠ²ΡΠΉ ΡΠ°Π±Π»ΠΎΠ½ ΠΏΡΠ΅Π΄ΡΡΠΌΠ°ΡΡΠΈΠ²Π°Π΅Ρ ΠΎΠ΄Π½ΠΎΡΡΡΠ±Π½ΠΎΠ΅ ΠΏΠΎΠ΄ΠΊΠ»ΡΡΠ΅Π½ΠΈΠ΅ Ρ Π²Π΅ΡΡ
Π½Π΅ΠΉ ΠΈΠ»ΠΈ Π½ΠΈΠΆΠ½Π΅ΠΉ ΡΠ°Π·Π²ΠΎΠ΄ΠΊΠΎΠΉ ΠΈ ΡΠ²Π»ΡΠ΅ΡΡΡ Π½Π°ΠΈΠ±ΠΎΠ»Π΅Π΅ ΠΈΡΠΏΠΎΠ»ΡΠ·ΡΠ΅ΠΌΡΠΌ Π²Π°ΡΠΈΠ°Π½ΡΠΎΠΌ ΠΏΡΠΈ ΠΎΡΠ½Π°ΡΠ΅Π½ΠΈΠΈ ΠΌΠ½ΠΎΠ³ΠΎΡΡΠ°ΠΆΠ½ΡΡ
Π΄ΠΎΠΌΠΎΠ² ΠΎΡΠΎΠΏΠΈΡΠ΅Π»ΡΠ½ΡΠΌΠΈ ΠΏΡΠΈΠ±ΠΎΡΠ°ΠΌΠΈ.
ΠΡΠΈ ΡΡΠΎΠΌ ΠΌΠ΅ΡΡΠΎ ΠΎΠ±ΡΠ°ΡΠΊΠΈ ΠΈ ΠΏΠΎΠ΄Π°ΡΠΈ ΡΡΡΠΎΠ³ΠΎ Π½Π΅ ΡΠ΅Π³Π»Π°ΠΌΠ΅Π½ΡΠΈΡΠΎΠ²Π°Π½ΠΎ ΠΈ ΠΌΠΎΠΆΠ΅Ρ ΠΌΠ΅Π½ΡΡΡΡΡ Π² Π·Π°Π²ΠΈΡΠΈΠΌΠΎΡΡΠΈ ΠΎΡ Π²Π½Π΅ΡΠ½ΠΈΡ
ΡΡΠ»ΠΎΠ²ΠΈΠΉ β ΡΠ΅Π³ΠΈΠΎΠ½Π°, Π² ΠΊΠΎΡΠΎΡΠΎΠΌ ΠΏΠΎΡΡΡΠΎΠ΅Π½ Π΄ΠΎΠΌ, Π΅Π³ΠΎ ΠΏΠ»Π°Π½ΠΈΡΠΎΠ²ΠΊΠΈ, ΡΡΠ°ΠΆΠ½ΠΎΡΡΠΈ ΠΈ ΠΊΠΎΠ½ΡΡΡΡΠΊΡΠΈΠΈ. ΠΠΎΠΆΠ΅Ρ ΠΌΠ΅Π½ΡΡΡΡΡ ΠΈ ΠΏΡΡΠΌΠΎΠ΅ Π½Π°ΠΏΡΠ°Π²Π»Π΅Π½ΠΈΠ΅ Π΄Π²ΠΈΠΆΠ΅Π½ΠΈΡ ΡΠ΅ΠΏΠ»ΠΎΠ½ΠΎΡΠΈΡΠ΅Π»Ρ ΠΏΠΎ ΡΡΠΎΡΠΊΠ°ΠΌ. ΠΡΠ΅Π΄ΡΡΠΌΠΎΡΡΠ΅Π½ Π²Π°ΡΠΈΠ°Π½Ρ Π΄Π²ΠΈΠΆΠ΅Π½ΠΈΡ Π½Π°Π³ΡΠ΅ΡΠΎΠΉ Π²ΠΎΠ΄Ρ Π² Π½Π°ΠΏΡΠ°Π²Π»Π΅Π½ΠΈΠΈ ΡΠ½ΠΈΠ·Ρ Π²Π²Π΅ΡΡ
ΠΈΠ»ΠΈ ΡΠ²Π΅ΡΡ
Ρ Π²Π½ΠΈΠ·.
ΠΠ΄Π½ΠΎΡΡΡΠ±Π½ΠΎΠ΅ ΡΠΎΠ΅Π΄ΠΈΠ½Π΅Π½ΠΈΠ΅ ΠΎΡΠ»ΠΈΡΠ°Π΅ΡΡΡ ΠΏΡΠΎΡΡΠΎΡΠΎΠΉ ΠΌΠΎΠ½ΡΠ°ΠΆΠ°, Π΄ΠΎΡΡΡΠΏΠ½ΠΎΠΉ ΡΡΠΎΠΈΠΌΠΎΡΡΡΡ, Π½Π°Π΄Π΅ΠΆΠ½ΠΎΡΡΡΡ ΠΈ Π΄Π»ΠΈΡΠ΅Π»ΡΠ½ΡΠΌ ΡΡΠΎΠΊΠΎΠΌ ΡΠ»ΡΠΆΠ±Ρ, Π½ΠΎ ΠΈΠΌΠ΅Π΅Ρ ΠΈ ΡΡΠ΄ Π½Π΅Π΄ΠΎΡΡΠ°ΡΠΊΠΎΠ². Π‘ΡΠ΅Π΄ΠΈ Π½ΠΈΡ ΠΏΠΎΡΠ΅ΡΡ ΡΠ΅ΠΌΠΏΠ΅ΡΠ°ΡΡΡΡ ΡΠ΅ΠΏΠ»ΠΎΠ½ΠΎΡΠΈΡΠ΅Π»Ρ ΠΏΡΠΈ Π΄Π²ΠΈΠΆΠ΅Π½ΠΈΠΈ ΠΏΠΎ ΠΊΠΎΠ½ΡΡΡΡ ΠΈ Π½ΠΈΠ·ΠΊΠΈΠ΅ ΠΏΠΎΠΊΠ°Π·Π°ΡΠ΅Π»ΠΈ ΡΡΡΠ΅ΠΊΡΠΈΠ²Π½ΠΎΡΡΠΈ.
ΠΠ° ΠΏΡΠ°ΠΊΡΠΈΠΊΠ΅ ΠΌΠΎΠ³ΡΡ ΠΏΡΠΈΠΌΠ΅Π½ΡΡΡΡΡ ΡΠ°Π·Π»ΠΈΡΠ½ΡΠ΅ ΡΡΡΡΠΎΠΉΡΡΠ²Π° Π΄Π»Ρ ΠΊΠΎΠΌΠΏΠ΅Π½ΡΠ°ΡΠΈΠΈ Π½Π΅Π΄ΠΎΡΡΠ°ΡΠΊΠΎΠ², ΠΊΠΎΡΠΎΡΡΠΌΠΈ ΠΎΡΠ»ΠΈΡΠ°Π΅ΡΡΡ ΠΎΠ΄Π½ΠΎΡΡΡΠ±Π½Π°Ρ ΡΡ Π΅ΠΌΠ° ΠΎΡΠΎΠΏΠ»Π΅Π½ΠΈΡ, ΡΡΡΠ΅ΠΊΡΠΈΠ²Π½ΡΠΌ ΡΠ΅ΡΠ΅Π½ΠΈΠ΅ΠΌ ΠΏΡΠΎΠ±Π»Π΅ΠΌΡ ΠΌΠΎΠΆΠ΅Ρ ΡΡΠ°ΡΡ Π»ΡΡΠΈΡΡΠ°Ρ ΡΠΈΡΡΠ΅ΠΌΠ°. ΠΠ½ ΠΏΡΠ΅Π΄Π½Π°Π·Π½Π°ΡΠ΅Π½ Π΄Π»Ρ ΠΈΡΠΏΠΎΠ»ΡΠ·ΠΎΠ²Π°Π½ΠΈΡ ΠΊΠΎΠ»Π»Π΅ΠΊΡΠΎΡΠ°, ΡΡΠΎΠ±Ρ ΠΏΠΎΠΌΠΎΡΡ ΡΠ΅Π³ΡΠ»ΠΈΡΠΎΠ²Π°ΡΡ ΡΠ΅ΠΌΠΏΠ΅ΡΠ°ΡΡΡΠ½ΡΠ΅ ΡΡΠ»ΠΎΠ²ΠΈΡ.
ΠΠ²ΡΡ ΡΡΡΠ±Π½ΠΎΠ΅ ΡΠΎΠ΅Π΄ΠΈΠ½Π΅Π½ΠΈΠ΅
ΠΠ²ΡΡ
ΡΡΡΠ±Π½ΠΎΠ΅ ΡΠΎΠ΅Π΄ΠΈΠ½Π΅Π½ΠΈΠ΅ ΡΠ²Π»ΡΠ΅ΡΡΡ Π²ΡΠΎΡΠΎΠΉ Π²Π΅ΡΡΠΈΠ΅ΠΉ ΡΠ°Π±Π»ΠΎΠ½Π°.
ΠΠ²ΡΡ
ΡΡΡΠ±Π½Π°Ρ ΡΡ
Π΅ΠΌΠ° ΠΎΡΠΎΠΏΠ»Π΅Π½ΠΈΡ ΠΏΡΡΠΈΡΡΠ°ΠΆΠ½ΠΎΠ³ΠΎ Π΄ΠΎΠΌΠ° (ΠΊΠ°ΠΊ ΠΏΡΠΈΠΌΠ΅Ρ) Π»ΠΈΡΠ΅Π½Π° Π½Π΅Π΄ΠΎΡΡΠ°ΡΠΊΠΎΠ², ΠΎΠΏΠΈΡΠ°Π½Π½ΡΡ
Π²ΡΡΠ΅, ΠΈ ΠΎΡΠ»ΠΈΡΠ°Π΅ΡΡΡ ΡΠΎΠ²Π΅ΡΡΠ΅Π½Π½ΠΎ ΠΈΠ½ΠΎΠΉ ΠΊΠΎΠ½ΡΡΡΡΠΊΡΠΈΠ΅ΠΉ, ΡΠ΅ΠΌ ΠΎΠ΄Π½ΠΎΡΡΡΠ±Π½Π°Ρ. ΠΡΠΈ ΡΠ΅Π°Π»ΠΈΠ·Π°ΡΠΈΠΈ ΡΡΠΎΠΉ ΡΡ
Π΅ΠΌΡ Π½Π°Π³ΡΠ΅ΡΠ°Ρ Π²ΠΎΠ΄Π° ΠΎΡ ΡΠ°Π΄ΠΈΠ°ΡΠΎΡΠ° Π½Π΅ Π΄Π²ΠΈΠΆΠ΅ΡΡΡ ΠΊ ΡΠ»Π΅Π΄ΡΡΡΠ΅ΠΌΡ ΠΎΡΠΎΠΏΠΈΡΠ΅Π»ΡΠ½ΠΎΠΌΡ ΠΏΡΠΈΠ±ΠΎΡΡ Π² ΠΊΠΎΠ½ΡΡΡΠ΅, Π° ΡΡΠ°Π·Ρ ΠΏΠΎΡΡΡΠΏΠ°Π΅Ρ Π½Π° ΠΎΠ±ΡΠ°ΡΠ½ΡΠΉ ΠΊΠ»Π°ΠΏΠ°Π½ ΠΈ Π½Π°ΠΏΡΠ°Π²Π»ΡΠ΅ΡΡΡ Π² ΠΊΠΎΡΠ΅Π»ΡΠ½ΡΡ Π½Π° ΠΎΡΠΎΠΏΠ»Π΅Π½ΠΈΠ΅. Π’Π°ΠΊΠΈΠΌ ΠΎΠ±ΡΠ°Π·ΠΎΠΌ ΡΠ΄Π°Π΅ΡΡΡ ΠΈΠ·Π±Π΅ΠΆΠ°ΡΡ ΠΏΠΎΡΠ΅ΡΠΈ ΡΠ΅ΠΌΠΏΠ΅ΡΠ°ΡΡΡΡ ΡΠ΅ΠΏΠ»ΠΎΠ½ΠΎΡΠΈΡΠ΅Π»Ρ, ΡΠΈΡΠΊΡΠ»ΠΈΡΡΡΡΠ΅Π³ΠΎ ΠΏΠΎ ΠΊΠΎΠ½ΡΡΡΡ ΠΌΠ½ΠΎΠ³ΠΎΡΡΠ°ΠΆΠ½ΠΎΠ³ΠΎ Π΄ΠΎΠΌΠ°.
Π‘Π»ΠΎΠΆΠ½ΠΎΡΡΡ ΠΏΠΎΠ΄ΠΊΠ»ΡΡΠ΅Π½ΠΈΡ, ΠΊΠΎΡΠΎΡΡΡ ΠΏΡΠ΅Π΄ΠΏΠΎΠ»Π°Π³Π°Π΅Ρ Π΄Π²ΡΡ ΡΡΡΠ±Π½Π°Ρ ΡΡ Π΅ΠΌΠ° ΠΏΠΎΠ΄ΠΊΠ»ΡΡΠ΅Π½ΠΈΡ Π±Π°ΡΠ°ΡΠ΅ΠΈ ΠΎΡΠΎΠΏΠ»Π΅Π½ΠΈΡ Π² ΠΊΠ²Π°ΡΡΠΈΡΠ΅, Π΄Π΅Π»Π°Π΅Ρ ΠΎΡΡΡΠ΅ΡΡΠ²Π»Π΅Π½ΠΈΠ΅ Π΄Π°Π½Π½ΠΎΠ³ΠΎ Π²ΠΈΠ΄Π° ΠΎΡΠΎΠΏΠ»Π΅Π½ΠΈΡ Π΄Π»ΠΈΡΠ΅Π»ΡΠ½ΡΠΌ ΠΈ ΡΡΡΠ΄ΠΎΠ΅ΠΌΠΊΠΈΠΌ ΠΏΡΠΎΡΠ΅ΡΡΠΎΠΌ, ΡΡΠ΅Π±ΡΡΡΠΈΠΌ Π±ΠΎΠ»ΡΡΠΈΡ ΠΌΠ°ΡΠ΅ΡΠΈΠ°Π»ΡΠ½ΡΡ ΠΈ ΡΠΈΠ·ΠΈΡΠ΅ΡΠΊΠΈΡ Π·Π°ΡΡΠ°Ρ. ΡΠΈΡΡΠ΅ΠΌΠ° ΡΠΎΠΆΠ΅ Π½Π΅Π΄Π΅ΡΠ΅Π²Π°, Π½ΠΎ Π΄ΠΎΡΠΎΠ³ΠΎΠ²ΠΈΠ·Π½Π° ΠΊΠΎΠΌΠΏΠ΅Π½ΡΠΈΡΡΠ΅ΡΡΡ ΠΊΠ°ΡΠ΅ΡΡΠ²Π΅Π½Π½ΡΠΌ ΠΈ ΡΠ°Π²Π½ΠΎΠΌΠ΅ΡΠ½ΡΠΌ ΠΎΠ±ΠΎΠ³ΡΠ΅Π²ΠΎΠΌ Π΄ΠΎΠΌΠ° ΠΏΠΎ Π²ΡΠ΅ΠΌ ΡΡΠ°ΠΆΠ°ΠΌ.
Π‘ΡΠ΅Π΄ΠΈ ΠΏΡΠ΅ΠΈΠΌΡΡΠ΅ΡΡΠ², ΠΊΠΎΡΠΎΡΡΠ΅ Π΄Π°Π΅Ρ Π΄Π²ΡΡ
ΡΡΡΠ±Π½Π°Ρ ΡΡ
Π΅ΠΌΠ° ΠΏΠΎΠ΄ΠΊΠ»ΡΡΠ΅Π½ΠΈΡ Π±Π°ΡΠ°ΡΠ΅ΠΉ ΠΎΡΠΎΠΏΠ»Π΅Π½ΠΈΡ, ΡΡΠΎΠΈΡ Π²ΡΠ΄Π΅Π»ΠΈΡΡ Π²ΠΎΠ·ΠΌΠΎΠΆΠ½ΠΎΡΡΡ ΡΡΡΠ°Π½ΠΎΠ²ΠΊΠΈ Π½Π° ΠΊΠ°ΠΆΠ΄ΡΠΉ ΡΠ°Π΄ΠΈΠ°ΡΠΎΡ Π² ΡΡ
Π΅ΠΌΠ΅ ΡΠΏΠ΅ΡΠΈΠ°Π»ΡΠ½ΠΎΠ³ΠΎ ΠΏΡΠΈΠ±ΠΎΡΠ° β ΡΠ΅ΠΏΠ»ΠΎΡΡΠ΅ΡΡΠΈΠΊΠ°.
ΠΠ½ ΠΏΠΎΠ·Π²ΠΎΠ»ΡΠ΅Ρ ΠΊΠΎΠ½ΡΡΠΎΠ»ΠΈΡΠΎΠ²Π°ΡΡ ΡΠ΅ΠΌΠΏΠ΅ΡΠ°ΡΡΡΡ ΡΠ΅ΠΏΠ»ΠΎΠ½ΠΎΡΠΈΡΠ΅Π»Ρ Π² Π±Π°ΡΠ°ΡΠ΅Π΅, Π° ΠΈΡΠΏΠΎΠ»ΡΠ·ΡΡ Π΅Π³ΠΎ Π² ΠΊΠ²Π°ΡΡΠΈΡΠ΅, Ρ
ΠΎΠ·ΡΠΈΠ½ Π΄ΠΎΠ±ΡΠ΅ΡΡΡ Π·Π½Π°ΡΠΈΡΠ΅Π»ΡΠ½ΡΡ
ΡΠ΅Π·ΡΠ»ΡΡΠ°ΡΠΎΠ² Π² ΡΠΊΠΎΠ½ΠΎΠΌΠΈΠΈ Π΄Π΅Π½Π΅ΠΆΠ½ΡΡ
ΡΡΠ΅Π΄ΡΡΠ² Π½Π° ΠΎΠΏΠ»Π°ΡΠ΅ ΠΊΠΎΠΌΠΌΡΠ½Π°Π»ΡΠ½ΡΡ
ΡΡΠ»ΡΠ³, Π²Π΅Π΄Ρ ΡΠΌΠΎΠΆΠ΅Ρ ΡΠ°ΠΌΠΎΡΡΠΎΡΡΠ΅Π»ΡΠ½ΠΎ ΡΠ΅Π³ΡΠ»ΠΈΡΠΎΠ²Π°ΡΡ ΠΎΡΠΎΠΏΠ»Π΅Π½ΠΈΠ΅ ΠΏΡΠΈ Π½Π΅ΠΎΠ±Ρ
ΠΎΠ΄ΠΈΠΌΠΎΡΡΠΈ.
ΠΡΠΎΡΠΌΠΎΡΡΠΎΠ²
ΠΠ²ΡΡ ΡΡΡΠ±Π½Π°Ρ ΡΠΈΡΡΠ΅ΠΌΠ° ΠΎΡΠΎΠΏΠ»Π΅Π½ΠΈΡ ΠΌΠΎΠΆΠ΅Ρ Π±ΡΡΡ ΡΠ»Π΅Π΄ΡΡΡΠΈΡ Π²ΠΈΠ΄ΠΎΠ²:
- Π³ΠΎΡΠΈΠ·ΠΎΠ½ΡΠ°Π»ΡΠ½Π°Ρ ΠΈ Π²Π΅ΡΡΠΈΠΊΠ°Π»ΡΠ½Π°Ρ;
- ΠΏΡΡΠΌΠΎΡΠΎΡΠ½ΡΠΉ — ΡΠ΅ΠΏΠ»ΠΎΠ½ΠΎΡΠΈΡΠ΅Π»Ρ ΡΠ΅ΡΠ΅Ρ Π² ΠΎΠ΄Π½ΠΎΠΌ Π½Π°ΠΏΡΠ°Π²Π»Π΅Π½ΠΈΠΈ ΠΏΠΎ ΠΎΠ±ΠΎΠΈΠΌ ΠΏΠ°ΡΡΡΠ±ΠΊΠ°ΠΌ;
- ΡΡΠΏΠΈΠΊΠΎΠ²Π°Ρ — Π³ΠΎΡΡΡΠ°Ρ ΠΈ ΠΎΡ Π»Π°ΠΆΠ΄Π΅Π½Π½Π°Ρ Π²ΠΎΠ΄Π° Π΄Π²ΠΈΠΆΠ΅ΡΡΡ Π² ΡΠ°Π·Π½ΡΠ΅ ΡΡΠΎΡΠΎΠ½Ρ;
- Ρ ΠΏΡΠΈΠ½ΡΠ΄ΠΈΡΠ΅Π»ΡΠ½ΠΎΠΉ ΠΈΠ»ΠΈ Π΅ΡΡΠ΅ΡΡΠ²Π΅Π½Π½ΠΎΠΉ ΡΠΈΡΠΊΡΠ»ΡΡΠΈΠ΅ΠΉ: Π΄Π»Ρ ΠΏΠ΅ΡΠ²ΠΎΠ³ΠΎ Π½ΡΠΆΠ΅Π½ Π½Π°ΡΠΎΡ, Π΄Π»Ρ Π²ΡΠΎΡΠΎΠ³ΠΎ ΡΠΊΠ»ΠΎΠ½ ΡΡΡΠ± Π² ΡΡΠΎΡΠΎΠ½Ρ ΠΊΠΎΡΠ»Π°.
ΠΠΎΡΠΈΠ·ΠΎΠ½ΡΠ°Π»ΡΠ½Π°Ρ ΡΡ
Π΅ΠΌΠ° ΠΌΠΎΠΆΠ΅Ρ Π±ΡΡΡ Ρ ΡΡΠΏΠΈΠΊΠΎΠ²ΠΎΠΉ, Ρ ΠΏΠΎΠΏΡΡΠ½ΡΠΌ Π΄Π²ΠΈΠΆΠ΅Π½ΠΈΠ΅ΠΌ Π²ΠΎΠ΄Ρ, Ρ ΠΊΠΎΠ»Π»Π΅ΠΊΡΠΎΡΠΎΠΌ. ΠΠ½ ΠΏΠΎΠ΄Ρ
ΠΎΠ΄ΠΈΡ Π΄Π»Ρ ΠΎΠ΄Π½ΠΎΡΡΠ°ΠΆΠ½ΡΡ
Π·Π΄Π°Π½ΠΈΠΉ Π·Π½Π°ΡΠΈΡΠ΅Π»ΡΠ½ΠΎΠΉ ΠΏΡΠΎΡΡΠΆΠ΅Π½Π½ΠΎΡΡΠΈ, ΠΊΠΎΠ³Π΄Π° Π±Π°ΡΠ°ΡΠ΅ΠΈ ΡΠ΅Π»Π΅ΡΠΎΠΎΠ±ΡΠ°Π·Π½ΠΎ ΠΏΠΎΠ΄ΠΊΠ»ΡΡΠ°ΡΡ ΠΊ Π³ΠΎΡΠΈΠ·ΠΎΠ½ΡΠ°Π»ΡΠ½ΠΎ ΡΠ°ΡΠΏΠΎΠ»ΠΎΠΆΠ΅Π½Π½ΠΎΠΉ ΠΌΠ°Π³ΠΈΡΡΡΠ°Π»ΡΠ½ΠΎΠΉ ΡΡΡΠ±Π΅. Π’Π°ΠΊΠ°Ρ ΡΠΈΡΡΠ΅ΠΌΠ° ΡΠ΄ΠΎΠ±Π½Π° ΠΈ Π΄Π»Ρ Π·Π΄Π°Π½ΠΈΠΉ Π±Π΅Π· ΡΡΠ΅Π½, Π² ΠΏΠ°Π½Π΅Π»ΡΠ½ΠΎ-ΠΊΠ°ΡΠΊΠ°ΡΠ½ΡΡ
Π΄ΠΎΠΌΠ°Ρ
, Π³Π΄Π΅ ΡΠ΄ΠΎΠ±Π½ΠΎ ΡΠ°Π·ΠΌΠ΅ΡΡΠΈΡΡ ΡΡΠΎΡΠΊΠΈ Π½Π° Π»Π΅ΡΡΠ½ΠΈΡΠ½ΠΎΠΉ ΠΊΠ»Π΅ΡΠΊΠ΅ ΠΈΠ»ΠΈ ΠΊΠΎΡΠΈΠ΄ΠΎΡΠ΅.
ΠΠΎ ΠΌΠ½Π΅Π½ΠΈΡ ΡΠΏΠ΅ΡΠΈΠ°Π»ΠΈΡΡΠΎΠ², Π½Π°ΠΈΠ±ΠΎΠ»Π΅Π΅ ΡΡΡΠ΅ΠΊΡΠΈΠ²Π½ΠΎΠΉ ΠΎΠΊΠ°Π·Π°Π»Π°ΡΡ Π²Π΅ΡΡΠΈΠΊΠ°Π»ΡΠ½Π°Ρ ΡΡ Π΅ΠΌΠ° Ρ ΠΏΡΠΈΠ½ΡΠ΄ΠΈΡΠ΅Π»ΡΠ½ΠΎΠΉ ΠΏΠΎΠ΄Π°ΡΠ΅ΠΉ Π²ΠΎΠ΄Ρ. ΠΡΠΆΠ΅Π½ Π½Π°ΡΠΎΡ, ΠΊΠΎΡΠΎΡΡΠΉ Π½Π°Ρ ΠΎΠ΄ΠΈΡΡΡ Π½Π° ΠΎΠ±ΡΠ°ΡΠΊΠ΅ ΠΏΠ΅ΡΠ΅Π΄ ΠΊΠΎΡΠ»ΠΎΠΌ. Π’Π°ΠΊΠΆΠ΅ Π½Π° Π½Π΅Π³ΠΎ ΠΊΡΠ΅ΠΏΠΈΡΡΡ ΡΠ°ΡΡΠΈΡΠΈΡΠ΅Π»ΡΠ½ΡΠΉ Π±Π°ΡΠΎΠΊ. ΠΠ° ΡΡΠ΅Ρ Π½Π°ΡΠΎΡΠ° ΡΡΡΠ±Ρ ΠΌΠΎΠ³ΡΡ Π±ΡΡΡ ΠΌΠ΅Π½ΡΡΠ΅, ΡΠ΅ΠΌ Π² ΠΊΠΎΠ½ΡΡΡΡΠΊΡΠΈΠΈ Ρ Π΅ΡΡΠ΅ΡΡΠ²Π΅Π½Π½ΡΠΌ Π΄Π²ΠΈΠΆΠ΅Π½ΠΈΠ΅ΠΌ: Ρ Π΅Π³ΠΎ ΠΏΠΎΠΌΠΎΡΡΡ Π²ΠΎΠ΄Π° Π±ΡΠ΄Π΅Ρ Π³Π°ΡΠ°Π½ΡΠΈΡΠΎΠ²Π°Π½Π½ΠΎ Π΄Π²ΠΈΠ³Π°ΡΡΡΡ ΠΏΠΎ Π²ΡΠ΅ΠΉ ΠΌΠ°Π³ΠΈΡΡΡΠ°Π»ΠΈ.
ΠΡΠ΅ Π½Π°Π³ΡΠ΅Π²Π°ΡΠ΅Π»ΠΈ ΠΏΠΎΠ΄ΠΊΠ»ΡΡΠ΅Π½Ρ ΠΊ Π²Π΅ΡΡΠΈΠΊΠ°Π»ΡΠ½ΠΎΠΌΡ ΡΡΠΎΡΠΊΡ. ΠΡΠΎ Π»ΡΡΡΠΈΠΉ Π²Π°ΡΠΈΠ°Π½Ρ Π΄Π»Ρ ΠΌΠ½ΠΎΠ³ΠΎΡΡΠ°ΠΆΠ΅ΠΊ. ΠΠ°ΠΆΠ΄ΡΠΉ ΡΡΠ°ΠΆ ΠΏΠΎΠ΄ΠΊΠ»ΡΡΠ°Π΅ΡΡΡ ΠΊ ΡΡΠΎΡΠΊΡ ΠΎΡΠ΄Π΅Π»ΡΠ½ΠΎ. ΠΡΠ΅ΠΈΠΌΡΡΠ΅ΡΡΠ²ΠΎΠΌ ΡΠ²Π»ΡΠ΅ΡΡΡ ΠΎΡΡΡΡΡΡΠ²ΠΈΠ΅ Π²ΠΎΠ·Π΄ΡΡΠ½ΡΡ ΠΊΠ°ΡΠΌΠ°Π½ΠΎΠ².
Π£ΡΡΠ°Π½ΠΎΠ²ΠΊΠ°
Π£ΡΠ»ΠΎΠ²Π½ΠΎ ΠΌΠΎΠΆΠ½ΠΎ Π²ΡΠ΄Π΅Π»ΠΈΡΡ Π½Π΅ΡΠΊΠΎΠ»ΡΠΊΠΎ ΡΡΠ°ΠΏΠΎΠ² ΡΠ°Π±ΠΎΡ. Π‘Π½Π°ΡΠ°Π»Π° ΠΎΠΏΡΠ΅Π΄Π΅Π»ΡΠ΅ΡΡΡ ΡΠΈΠΏ ΠΎΡΠΎΠΏΠ»Π΅Π½ΠΈΡ. ΠΡΠ»ΠΈ ΠΊ Π΄ΠΎΠΌΡ ΠΏΠΎΠ΄Π²Π΅Π΄Π΅Π½ Π³Π°Π·, ΡΠΎ ΡΠ°ΠΌΡΠΌ ΠΈΠ΄Π΅Π°Π»ΡΠ½ΡΠΌ Π²Π°ΡΠΈΠ°Π½ΡΠΎΠΌ Π±ΡΠ΄Π΅Ρ ΡΡΡΠ°Π½ΠΎΠ²ΠΊΠ° Π΄Π²ΡΡ ΠΊΠΎΡΠ»ΠΎΠ²: ΠΎΠ΄ΠΈΠ½ β Π³Π°Π·ΠΎΠ²ΡΠΉ, Π²ΡΠΎΡΠΎΠΉ β Π·Π°ΠΏΠ°ΡΠ½ΠΎΠΉ, ΡΠ²Π΅ΡΠ΄ΠΎΡΠΎΠΏΠ»ΠΈΠ²Π½ΡΠΉ ΠΈΠ»ΠΈ ΡΠ»Π΅ΠΊΡΡΠΈΡΠ΅ΡΠΊΠΈΠΉ.
ΠΠ°Π»Π΅Π΅ ΡΠ»Π΅Π΄ΡΠ΅Ρ ΡΠΎΠ³Π»Π°ΡΠΎΠ²Π°ΡΡ ΠΌΠΎΠ½ΡΠ°ΠΆ ΡΠΈΡΡΠ΅ΠΌΡ ΠΎΡΠΎΠΏΠ»Π΅Π½ΠΈΡ Π² ΠΏΡΠΎΠ΅ΠΊΡΠ½ΠΎΠΉ Π΄ΠΎΠΊΡΠΌΠ΅Π½ΡΠ°ΡΠΈΠΈ ΠΈ ΠΏΡΠΈΡΡΡΠΏΠΈΡΡ ΠΊ Π·Π°ΠΊΡΠΏΠΊΠ΅ Π½Π΅ΠΎΠ±Ρ
ΠΎΠ΄ΠΈΠΌΡΡ
ΠΌΠ°ΡΠ΅ΡΠΈΠ°Π»ΠΎΠ², ΡΡΡΡΠΎΠΉΡΡΠ², ΠΏΠΎΠ΄Π³ΠΎΡΠΎΠ²ΠΊΠ΅ ΠΈΠ½ΡΡΡΡΠΌΠ΅Π½ΡΠΎΠ².
Π‘ΡΡΠΏΠ΅Π½ΠΈ
ΠΠΊΡΠ°ΡΡΠ΅ ΡΡΡΠ°Π½ΠΎΠ²ΠΊΠ° ΡΠΎΡΡΠΎΠΈΡ ΠΈΠ· ΡΠ»Π΅Π΄ΡΡΡΠΈΡ ΠΏΡΠ½ΠΊΡΠΎΠ²:
- ΠΏΠΎΠ΄Π°ΡΡΠ°Ρ ΡΡΡΠ±Π° Π²ΡΠ²ΠΎΠ΄ΠΈΡΡΡ ΠΈΠ· ΠΊΠΎΡΠ»Π° ΠΈ ΡΠΎΠ΅Π΄ΠΈΠ½ΡΠ΅ΡΡΡ Ρ ΡΠ°ΡΡΠΈΡΠΈΡΠ΅Π»ΡΠ½ΡΠΌ Π±Π°ΠΊΠΎΠΌ;
- ΠΈΠ· Π±Π°ΠΊΠ° Π²ΡΠ²Π΅Π΄Π΅Π½ ΠΏΠ°ΡΡΡΠ±ΠΎΠΊ Π²Π΅ΡΡ Π½Π΅ΠΉ ΠΌΠ°Π³ΠΈΡΡΡΠ°Π»ΠΈ, ΠΊΠΎΡΠΎΡΠ°Ρ ΠΈΠ΄Π΅Ρ ΠΊΠΎ Π²ΡΠ΅ΠΌ ΡΠ°Π΄ΠΈΠ°ΡΠΎΡΠ°ΠΌ;
- ΡΡΡΠ°Π½Π°Π²Π»ΠΈΠ²Π°Π΅ΡΡΡ Π±Π°ΠΉΠΏΠ°Ρ (Π΅ΡΠ»ΠΈ ΠΏΡΠ΅Π΄ΡΡΠΌΠΎΡΡΠ΅Π½) ΠΈ Π½Π°ΡΠΎΡ;
- ΠΏΠ°ΡΠ°Π»Π»Π΅Π»ΡΠ½ΠΎ ΠΏΠΎΠ΄Π°ΡΠ΅ ΠΏΡΠΎΠ²ΠΎΠ΄ΠΈΡΡΡ ΠΎΠ±ΡΠ°ΡΠΊΠ°, ΠΎΠ½Π° ΠΆΠ΅ ΠΏΠΎΠ΄ΠΊΠ»ΡΡΠ°Π΅ΡΡΡ ΠΊ ΡΠ°Π΄ΠΈΠ°ΡΠΎΡΠ°ΠΌ ΠΈ Π²ΡΠ΅Π·Π°Π΅ΡΡΡ Π² ΠΊΠΎΡΠ΅Π».
ΠΠΎΡΠ΅Π»
ΠΡΠΈ Π΄Π²ΡΡ ΡΡΡΠ±Π½ΠΎΠΉ ΡΠΈΡΡΠ΅ΠΌΠ΅ ΠΏΠ΅ΡΠ²ΡΠΌ ΡΡΡΠ°Π½Π°Π²Π»ΠΈΠ²Π°Π΅ΡΡΡ ΠΊΠΎΡΠ΅Π», Π΄Π»Ρ ΡΠ΅Π³ΠΎ ΡΠΎΠ·Π΄Π°Π΅ΡΡΡ ΠΌΠΈΠ½ΠΈ-ΠΊΠΎΡΠ΅Π»ΡΠ½Π°Ρ. Π Π±ΠΎΠ»ΡΡΠΈΠ½ΡΡΠ²Π΅ ΡΠ»ΡΡΠ°Π΅Π² ΡΡΠΎ ΠΏΠΎΠ΄Π²Π°Π» (Π² ΠΈΠ΄Π΅Π°Π»Π΅ ΠΎΡΠ΄Π΅Π»ΡΠ½ΠΎΠ΅ ΠΏΠΎΠΌΠ΅ΡΠ΅Π½ΠΈΠ΅). ΠΠ»Π°Π²Π½ΠΎΠ΅ ΡΡΠ΅Π±ΠΎΠ²Π°Π½ΠΈΠ΅ β Ρ ΠΎΡΠΎΡΠ°Ρ Π²Π΅Π½ΡΠΈΠ»ΡΡΠΈΡ. ΠΠΎΡΠ΅Π» Π΄ΠΎΠ»ΠΆΠ΅Π½ ΠΈΠΌΠ΅ΡΡ ΡΠ²ΠΎΠ±ΠΎΠ΄Π½ΡΠΉ Π΄ΠΎΡΡΡΠΏ ΠΈ ΡΠ°ΡΠΏΠΎΠ»Π°Π³Π°ΡΡΡΡ Π½Π° Π½Π΅ΠΊΠΎΡΠΎΡΠΎΠΌ ΡΠ°ΡΡΡΠΎΡΠ½ΠΈΠΈ ΠΎΡ ΡΡΠ΅Π½.
ΠΠΎΠ» ΠΈ ΡΡΠ΅Π½Ρ Π²ΠΎΠΊΡΡΠ³ ΠΎΠ±Π»ΠΈΡΠΎΠ²Π°Π½Ρ ΠΎΠ³Π½Π΅ΡΠΏΠΎΡΠ½ΡΠΌ ΠΌΠ°ΡΠ΅ΡΠΈΠ°Π»ΠΎΠΌ, Π΄ΡΠΌΠΎΡ ΠΎΠ΄ Π²ΡΠ²Π΅Π΄Π΅Π½ Π½Π° ΡΠ»ΠΈΡΡ. ΠΡΠΈ Π½Π΅ΠΎΠ±Ρ ΠΎΠ΄ΠΈΠΌΠΎΡΡΠΈ ΡΡΠ΄ΠΎΠΌ Ρ ΠΊΠΎΡΠ»ΠΎΠΌ ΡΡΡΠ°Π½Π°Π²Π»ΠΈΠ²Π°Π΅ΡΡΡ Π½Π°ΡΠΎΡ Π΄Π»Ρ ΡΠΈΡΠΊΡΠ»ΡΡΠΈΠΈ, ΠΊΠΎΠ»Π»Π΅ΠΊΡΠΎΡ Π΄Π»Ρ ΡΠ°Π·Π΄Π°ΡΠΈ, ΡΠ΅Π³ΡΠ»ΠΈΡΡΡΡΠΈΠ΅, ΠΈΠ·ΠΌΠ΅ΡΠΈΡΠ΅Π»ΡΠ½ΡΠ΅ ΠΏΡΠΈΠ±ΠΎΡΡ.
Π Π°Π΄ΠΈΠ°ΡΠΎΡΡ
Π£ΡΡΠ°Π½Π°Π²Π»ΠΈΠ²Π°ΡΡΡΡ Π² ΠΏΠΎΡΠ»Π΅Π΄Π½ΡΡ ΠΎΡΠ΅ΡΠ΅Π΄Ρ.
ΠΠ½ΠΈ ΡΠ°ΡΠΏΠΎΠ»Π°Π³Π°ΡΡΡΡ ΠΏΠΎΠ΄ ΠΎΠΊΠ½Π°ΠΌΠΈ ΠΈ ΡΠΈΠΊΡΠΈΡΡΡΡΡΡ ΡΠΊΠΎΠ±Π°ΠΌΠΈ. Π Π΅ΠΊΠΎΠΌΠ΅Π½Π΄ΡΠ΅ΠΌΠ°Ρ Π²ΡΡΠΎΡΠ° ΠΎΡ ΠΏΠΎΠ»Π° 10β12 ΡΠΌ, ΠΎΡ ΡΡΠ΅Π½ β 2β5 ΡΠΌ, ΠΎΡ ΠΏΠΎΠ΄ΠΎΠΊΠΎΠ½Π½ΠΈΠΊΠΎΠ² β 10 ΡΠΌ. ΠΡ
ΠΎΠ΄ ΠΈ Π²ΡΡ
ΠΎΠ΄ Π±Π°ΡΠ°ΡΠ΅ΠΈ ΡΠΈΠΊΡΠΈΡΡΡΡΡΡ Π·Π°ΠΏΠΎΡΠ½ΠΎ-ΡΠ΅Π³ΡΠ»ΠΈΡΡΡΡΠΈΠΌΠΈ ΡΡΡΡΠΎΠΉΡΡΠ²Π°ΠΌΠΈ.
Π¦Π΅Π»Π΅ΡΠΎΠΎΠ±ΡΠ°Π·Π½ΠΎ ΡΡΡΠ°Π½ΠΎΠ²ΠΈΡΡ Π΄Π°ΡΡΠΈΠΊΠΈ ΡΠ΅ΠΌΠΏΠ΅ΡΠ°ΡΡΡΡ — Ρ ΠΈΡ ΠΏΠΎΠΌΠΎΡΡΡ ΠΌΠΎΠΆΠ½ΠΎ ΠΊΠΎΠ½ΡΡΠΎΠ»ΠΈΡΠΎΠ²Π°ΡΡ ΡΠ΅ΠΌΠΏΠ΅ΡΠ°ΡΡΡΠ½ΡΠ΅ ΠΏΠΎΠΊΠ°Π·Π°ΡΠ΅Π»ΠΈ ΠΈ ΡΠ΅Π³ΡΠ»ΠΈΡΠΎΠ²Π°ΡΡ ΠΈΡ .
ΠΡΠ»ΠΈ ΠΊΠΎΡΠ΅Π» ΠΎΡΠΎΠΏΠ»Π΅Π½ΠΈΡ Π³Π°Π·ΠΎΠ²ΡΠΉ, ΡΠΎ Π½Π΅ΠΎΠ±Ρ ΠΎΠ΄ΠΈΠΌΠΎ Π½Π°Π»ΠΈΡΠΈΠ΅ ΡΠΎΠΎΡΠ²Π΅ΡΡΡΠ²ΡΡΡΠ΅ΠΉ Π΄ΠΎΠΊΡΠΌΠ΅Π½ΡΠ°ΡΠΈΠΈ ΠΈ ΠΏΡΠΈΡΡΡΡΡΠ²ΠΈΠ΅ ΠΏΡΠ΅Π΄ΡΡΠ°Π²ΠΈΡΠ΅Π»Ρ Π³Π°Π·ΠΎΠ²ΠΎΠΉ ΠΏΡΠΎΠΌΡΡΠ»Π΅Π½Π½ΠΎΡΡΠΈ ΠΏΡΠΈ ΠΏΠ΅ΡΠ²ΠΎΠΌ Π·Π°ΠΏΡΡΠΊΠ΅.
Π’ΠΎΡΠ½ΡΠΉ ΡΠ°ΡΡΠ΅Ρ Π΄Π²ΡΡ ΡΡΡΠ±Π½ΠΎΠΉ ΡΠΈΡΡΠ΅ΠΌΡ ΠΎΡΠΎΠΏΠ»Π΅Π½ΠΈΡ
ΠΠ΅ΡΠ΅Π΄ Π½Π°ΡΠ°Π»ΠΎΠΌ ΡΠ°Π±ΠΎΡ Π½Π΅ΠΎΠ±Ρ ΠΎΠ΄ΠΈΠΌΠΎ ΡΠΎΡΡΠ°Π²ΠΈΡΡ ΡΡ Π΅ΠΌΡ ΠΎΡΠΎΠΏΠ»Π΅Π½ΠΈΡ, ΠΎΠΏΡΠ΅Π΄Π΅Π»ΠΈΡΡΡΡ Ρ ΠΌΠ°ΡΠ΅ΡΠΈΠ°Π»ΠΎΠΌ, ΡΠ΄Π΅Π»Π°ΡΡ Π³ΠΈΠ΄ΡΠ°Π²Π»ΠΈΡΠ΅ΡΠΊΠΈΠΉ ΡΠ°ΡΡΠ΅Ρ. ΠΠ΅ΠΎΠ±Ρ ΠΎΠ΄ΠΈΠΌΠΎ ΡΠ°ΡΡΡΠΈΡΠ°ΡΡ ΠΏΠ°Π΄Π΅Π½ΠΈΠ΅ Π½Π°ΠΏΠΎΡΠ° Π² Π·Π°Π΄Π½Π΅ΠΌ ΡΠ΅ΡΠ΅Π½ΠΈΠΈ ΠΈΠ»ΠΈ ΡΠ°ΡΡΡΠΈΡΠ°ΡΡ Π΄ΠΈΠ°ΠΌΠ΅ΡΡ ΡΡΡΠ±Ρ.
Π Π°ΡΡΠ΅Ρ ΠΏΡΠΎΠ²ΠΎΠ΄ΡΡ Ρ ΡΡΠ΅ΡΠΎΠΌ ΡΠ»Π΅Π΄ΡΡΡΠΈΡ ΡΠ°ΠΊΡΠΎΡΠΎΠ²:
- ΠΠ½ΡΡΡΠ΅Π½Π½ΡΡ ΠΏΠΎΠ²Π΅ΡΡ Π½ΠΎΡΡΡ ΡΡΡΠ± ΠΈ Π΅Π΅ ΡΠ΅ΡΠΎΡ ΠΎΠ²Π°ΡΠΎΡΡΡ;
- ΠΠΈΠ°ΠΌΠ΅ΡΡ ΡΠ΅ΡΠ΅Π½ΠΈΡ;
- ΠΠΎΠ»ΠΈΡΠ΅ΡΡΠ²ΠΎ ΠΈΠ·Π³ΠΈΠ±ΠΎΠ² ΡΡΡΠ±Ρ;
- ΠΠ΅ΡΠ΅ΠΏΠ°Π΄ Π΄Π°Π²Π»Π΅Π½ΠΈΡ ΠΌΠ΅ΠΆΠ΄Ρ ΠΏΠΎΠ΄Π°ΡΠ΅ΠΉ ΠΈ ΠΎΠ±ΡΠ°ΡΠΊΠΎΠΉ;
- ΠΠΎΠ»ΠΈΡΠ΅ΡΡΠ²ΠΎ ΡΠ°Π΄ΠΈΠ°ΡΠΎΡΠΎΠ² ΠΈ ΠΈΡ ΡΠ΅ΡΠ΅Π½ΠΈΠ΅;
- ΠΠ°ΠΏΠΎΡΠ½ΡΠ΅ ΡΠ»Π΅ΠΌΠ΅Π½ΡΡ.

ΠΠ»Ρ ΡΠ°ΡΡΠ΅ΡΠ° Π΄Π²ΡΡ
ΡΡΡΠ±Π½ΠΎΠΉ ΡΠΈΡΡΠ΅ΠΌΡ ΠΎΡΠΎΠΏΠ»Π΅Π½ΠΈΡ Π»ΡΡΡΠ΅ ΠΎΠ±ΡΠ°ΡΠΈΡΡΡΡ ΠΊ ΠΏΡΠΎΡΠ΅ΡΡΠΈΠΎΠ½Π°Π»Π°ΠΌ
ΠΡΠΈ ΡΠ°ΡΡΠ΅ΡΠ΅ ΠΏΠΎΠ»ΡΠ·ΡΠΉΡΠ΅ΡΡ ΡΠΎΡΠΌΡΠ»Π°ΠΌΠΈ ΠΈ Π°ΠΊΡΠΎΠ½ΠΎΠΌΠ΅ΡΡΠΈΡΠ΅ΡΠΊΠΎΠΉ ΡΠ°Π±Π»ΠΈΡΠ΅ΠΉ. ΠΠΎΠΆΠ½ΠΎ ΠΈΡΠΏΠΎΠ»ΡΠ·ΠΎΠ²Π°ΡΡ ΡΠΏΠ΅ΡΠΈΠ°Π»ΡΠ½ΡΡ ΠΏΡΠΎΠ³ΡΠ°ΠΌΠΌΡ. Π ΠΊΠ°ΡΠ΅ΡΡΠ²Π΅ ΠΎΡΠ½ΠΎΠ²Π½ΠΎΠ³ΠΎ ΠΎΠ±ΡΠ΅ΠΊΡΠ° ΠΏΡΠΈΠ½ΠΈΠΌΠ°Π΅ΡΡΡ Π½Π°ΠΈΠ±ΠΎΠ»Π΅Π΅ Π½Π°Π³ΡΡΠΆΠ΅Π½Π½ΠΎΠ΅ ΠΊΠΎΠ»ΡΡΠΎ ΠΈΠ»ΠΈ ΠΊΠΎΠ½ΡΡΡ. Π ΡΠ΅Π·ΡΠ»ΡΡΠ°ΡΠ΅ ΡΠ°ΡΡΠ΅ΡΠΎΠ² ΠΎΠΏΡΠΈΠΌΠ°Π»ΡΠ½Π°Ρ ΡΠΊΠΎΡΠΎΡΡΡ Π΄Π²ΠΈΠΆΠ΅Π½ΠΈΡ Π΄ΠΎΠ»ΠΆΠ½Π° Π±ΡΡΡ Π² ΠΏΡΠ΅Π΄Π΅Π»Π°Ρ ΠΎΡ 0,3 Π΄ΠΎ 0,7 ΠΌ/Ρ.
ΠΡΠΈ Π±ΠΎΠ»Π΅Π΅ Π²ΡΡΠΎΠΊΠΎΠΉ ΡΠΊΠΎΡΠΎΡΡΠΈ Π½Π°Π³ΡΠ΅Π² Π±ΡΠ΄Π΅Ρ ΡΡΠΌΠ΅ΡΡ, ΠΏΡΠΈ Π±ΠΎΠ»Π΅Π΅ Π½ΠΈΠ·ΠΊΠΎΠΉ ΡΠΊΠΎΡΠΎΡΡΠΈ ΠΏΡΠΎΠΈΠ·ΠΎΠΉΠ΄Π΅Ρ ΡΠΈΠ»ΡΠ½ΡΠΉ ΠΏΠ΅ΡΠ΅ΠΏΠ°Π΄ ΡΠ΅ΠΌΠΏΠ΅ΡΠ°ΡΡΡΡ.
ΠΠΎΡΠ»Π΅ ΡΠ°ΡΡΠ΅ΡΠΎΠ² ΠΏΡΠΈΠΎΠ±ΡΠ΅ΡΠ°ΡΡ ΡΡΡΠ±Ρ ΡΡΡΠ΅ΠΊΡΠΈΠ²Π½ΠΎΠ³ΠΎ Π΄ΠΈΠ°ΠΌΠ΅ΡΡΠ°, Π½Π΅ΠΎΠ±Ρ ΠΎΠ΄ΠΈΠΌΠΎΠ΅ ΠΊΠΎΠ»ΠΈΡΠ΅ΡΡΠ²ΠΎ ΡΠ°Π΄ΠΈΠ°ΡΠΎΡΠΎΠ², Π±ΠΎΠΉΠ»Π΅Ρ, Π°ΡΠΌΠ°ΡΡΡΡ, ΡΠ²Π°Π±ΡΡ, ΡΠ°ΡΡΠΈΡΠΈΡΠ΅Π»ΡΠ½ΡΠΉ Π±Π°ΠΊ, Π½Π°ΡΠΎΡ Π΄Π»Ρ ΡΠΈΡΠΊΡΠ»ΡΡΠΈΠΈ, Π΅ΡΠ»ΠΈ Π΅ΡΡΡ ΡΠ°ΠΊΠ°Ρ Π½Π΅ΠΎΠ±Ρ ΠΎΠ΄ΠΈΠΌΠΎΡΡΡ.
ΠΠ°ΠΊΠΎΠ½Π΅ΡΠ½ΠΈΠΊΠΈ
Π Π°ΡΡΠΈΡΠΈΡΠ΅Π»ΡΠ½ΡΠΉ Π±Π°ΠΊ ΡΠ°ΡΠΏΠΎΠ»ΠΎΠΆΠ΅Π½ Π² ΡΠ°ΠΌΠΎΠΉ Π²ΡΡΠΎΠΊΠΎΠΉ ΠΏΠΈΠΊΠΎΠ²ΠΎΠΉ ΡΠΎΡΠΊΠ΅ Π»ΠΈΠ½ΠΈΠΈ ΠΈΠ»ΠΈ Π²ΡΡΠ΅ Π½Π΅Π΅. ΠΡΠ»ΠΈ Π΅ΡΡΡ Π°Π²ΡΠΎΠ½ΠΎΠΌΠ½ΠΎΠ΅ Π²ΠΎΠ΄ΠΎΡΠ½Π°Π±ΠΆΠ΅Π½ΠΈΠ΅, ΡΠΎ Π΅Π³ΠΎ ΠΌΠΎΠΆΠ½ΠΎ ΠΈΠ½ΡΠ΅Π³ΡΠΈΡΠΎΠ²Π°ΡΡ Ρ ΡΠ°ΡΡ
ΠΎΠ΄Π½ΡΠΌ Π±Π°ΠΊΠΎΠΌ. Π£ΠΊΠ»ΠΎΠ½ ΠΏΠΎΠ΄Π°ΡΡΠ΅ΠΉ ΠΈ ΠΎΠ±ΡΠ°ΡΠ½ΠΎΠΉ ΡΡΡΠ± Π΄ΠΎΠ»ΠΆΠ΅Π½ Π±ΡΡΡ Π½Π΅ Π±ΠΎΠ»Π΅Π΅ 10 ΡΠΌ Π½Π° 20 ΠΈ Π±ΠΎΠ»Π΅Π΅ ΠΏΠΎΠ³ΠΎΠ½Π½ΡΡ
ΠΌΠ΅ΡΡΠΎΠ².

ΡΡ

ΠΡΠ° ΡΠΈΡΡΠ΅ΠΌΠ° ΠΎΡΠΎΠΏΠ»Π΅Π½ΠΈΡ ΠΏΡΠ΅Π΄ΡΡΠ²Π»ΡΠ΅Ρ Π²ΡΡΠΎΠΊΠΈΠ΅ Π½ΠΎΡΠΌΠ°ΡΠΈΠ²Π½ΡΠ΅ ΡΡΠ΅Π±ΠΎΠ²Π°Π½ΠΈΡ ΠΊ ΠΏΠΎΠΌΠ΅ΡΠ΅Π½ΠΈΡ ΠΊΠΎΡΠ΅Π»ΡΠ½ΠΎΠΉ.
ΠΡΠΏΠΎΠ»ΡΠ·Π²ΡΠ΅ΡΡΡ ΡΠ½Π΅ΡΠ³ΠΈΡ ΠΎΡ ΠΆΠΈΠ΄ΠΊΠΎΠ³ΠΎ ΡΠΎΠΏΠ»ΠΈΠ²Π°, ΡΠ°ΡΠ΅ Π²ΡΠ΅Π³ΠΎ Π΄ΠΈΠ·Π΅Π»Ρ. ΠΠΎΡΠΎΠ³ΠΎΡΡΠΎΡΡΠΈΠΉ ΠΈ ΠΌΠ°Π»ΠΎΡΡΡΠ΅ΠΊΡΠΈΠ²Π½ΡΠΉ.
ΠΡΠΎΡΠΎΠ΅ ΠΏΠΎΠ΄ΡΠ²Π΅ΡΠΆΠ΄Π°Π΅ΡΡΡ Π³Π°ΡΠ°Π½ΡΠΈΠ΅ΠΉ Π½Π° 3 Π³ΠΎΠ΄Π° ΠΈ Π±ΠΎΠ»ΡΡΠΈΠΌ ΠΊΠΎΠ»ΠΈΡΠ΅ΡΡΠ²ΠΎΠΌ ΠΏΠΎΠ»ΠΎΠΆΠΈΡΠ΅Π»ΡΠ½ΡΡ
ΠΎΡΠ·ΡΠ²ΠΎΠ² ΠΎ ΡΠ°Π±ΠΎΡΠ΅ ΠΊΠΎΠΌΠΏΠ°Π½ΠΈΠΈ.





