Выбор и установка трехходового клапана в систему отопления
Даже в радиаторы запрещено подавать теплоноситель свыше 95°С, т.к. в случае любой незначительной аварии из-за резкого падения давления теплоносителя будет происходить интенсивное парообразование, людей заживо сварит, а теперь представьте, что из вашего смесителя пошел пар. А вот здесь, чтобы обеспечить нормативную температуру горячей воды, обязаны поработать управляющие компании, обслуживающие организации и местный сантехник. С технической точки зрения с этой проблемой успешно справляются регуляторы температуры (ТРЖ – терморегулятор жидкости), которые должны быть установлены на каждую систему ГВС от ТЭЦ, т.е. в наших с вами домах.
Приведем пример наиболее часто применяемых (в нашем случае и более дешевых) ТРЖ в российском ЖКХ.
Наиболее применяемый в ЖКХ регулятор температуры это ТРЖ сильфонного типа (см.эскиз):

- Сварной стальной корпус
- Сильфон (внутри заполнен легко испаряемым веществом), имеет вид цилиндрической металлической «гармошки».
- Крышка корпуса.
- Шток для регулировки температуры.
- Сальниковое уплотнение штока.
Принцип работы очень простой: сетевая горячая вода поступает в ТРЖ сверху через гильзу с отверстиями, вода, остывшая после отдачи тепла в батареях, поступает справа, внутри ТРЖ они смешиваются и из левого патрубка вода уходит к потребителю в квартиры. Если вода очень горячая сильфон удлиняется, отверстия гильзы перекрываются и уменьшается подача сетевой воды, если вода остыла, сильфон сжимается и горячей сетевой воды поступает больше. Все происходит в автоматическом режиме. ТРЖ можно отрегулировать вручную на подачу воды от 30 до 90°С. Поворотом штока по часовой стрелке мы поднимаем сильфон вверх и тем самым уменьшаем поступление горячей сетевой воды, против часовой — опускаем сильфон и вода на выходе будет горячее.
Пример регуляторов температуры сильфонного типа: — ТРТС-50-ОС, — РТЕ-21М.
1. Терморегулятор жидкости с термостатом.
Для примера, наиболее применяемая и доступная модель ТРЖ-М-1. Принцип действия и регулировки аналогичен выше указанному прибору, но в отличие от него в ТРЖ-М-1 вместо сильфона установлен термостат, подобный автомобильному.
У данной модели есть преимущества и недостатки по сравнению с сильфонным ТРЖ.
Преимущества: в случае выхода из строя термочувствительного клапана, можно заменить только датчик.
Недостатки:
- Датчик регулирует температуру воды в диапазоне 15°С ( 45-55; 55-65; 75-85…), для каждого режима требуется свой датчик.
- В летний период когда вода подается только по одному трубопроводу и температура воды превышает на 20°С верхнюю градацию установленного датчика, его нужно извлечь из корпуса ТРЖ, иначе он выйдет из строя и потребует замены.
Если у слесаря – сантехника на обслуживании 30-60 систем ГВС, это очень хлопотно.
Внешний вид термостата и датчиков устанавливаемых внутри корпуса ТРЖ-М-1 (как в двигателе автомашины).
Выбираем трехходовой клапан
Перед тем, как установить трехходовой клапан на теплый пол, его нужно правильно подобрать с учетом особенностей отопительной системы.
Факторы, влияющие на выбор данного приспособления, таковы:
- пропускная способность труб в отопительной системе;
- число контуров;
- материал внешнего корпуса клапана;
- строение и принцип управления прибором;
- сечение входного патрубка.


Что касается числа линий в отопительной системе дома, то в данном вопросе сложностей быть не должно. А вот все прочие факторы предполагают наличие у потребителя определенных технических знаний. Не имея представления об основных принципах термодинамики, сложно подобрать даже размер клапана. Поэтому чтобы не рисковать, рекомендуем проконсультироваться со специалистами, прежде чем приобретать какое-либо приспособление.
Поскольку трехходовой клапан, в сущности, является обычным краном с термостатической головкой, при наличии электропривода он может функционировать без вмешательства человека. При этом горячая вода циркулирует с такой интенсивностью, которая необходима для обеспечения необходимой температуры. Никакие дополнительные пульты управления для этого не нужны, а потребитель может не волноваться, что система отопления перегреется.
Температура горячей воды. Кто и как должен обеспечить температурный режим горячего водоснабжения (ГВС) в наших квартирах? ТРЖ – что это? Как устроен ТРЖ? Попробуем разобраться в обозначенных вопросах.
Как Вам уже известно, что в соответствии с пунктом 2.4 СанПиН 2.1.4.2496-09 изменений к СанПиН 2.1.4.1074-01 «Гигиенические требования к обеспечению безопасности систем горячего водоснабжения», и согласно пункта 9.5.8 «Правил технической эксплуатации тепловых энергоустановок» зарегистрированных Минюстом РФ 02.04.03 за № 4358, температура горячей воды в местах водоразбора должна быть в пределах не ниже 60°С и не выше 75°С.
А почему именно такая температура? Да все очень просто, здесь соблюден компромисс между потребителями и «производителями» горячей воды.
С одной стороны потребителям выгоднее иметь более горячую воду, чтобы счетчик учитывал, как можно меньше кубических метров дорогой горячей воды, а разбавить ее холодной мы всегда сможем. В тоже время мы пользуемся водой (подставляем руки под горячую воду) с температурой 40-50°С, и чем выше температура горячей воды, тем больше шансов ошпарить свое любимое тело, и не дай Бог, если это маленькие дети. Пластиковые трубы, водомеры, смесители также рассчитаны на рабочую температуру 75-85°С.
С другой стороны энергетикам и поставщикам ГВС выгоднее производить менее горячую воду, т.к. потребители ее будут использовать в большем количестве и соответственно количество кубических метров в показаниях счетчиков будет больше, а значит и энергетики получат больше денег. Менее горячую воду к тому же дешевле и быстрее нагреть, меньше нагрузка на оборудование и сети, меньше теплопотери в сетях.
А если в отопительный период вода в сети 100°С и больше, без снижения температуры в ГВС нас могут серьезно ошпарить, т.к. это уже температура парообразования.
Разновидности распределительных клапанов
Хотя назначение у всех клапанов одно и то же – распределять уровень нагрева теплоносителя в трубах, все-таки они отличаются по методам управления.
Различают такие виды устройств:
- ручные;
- с электрическим приводом;
- с термоголовкой;
- пневматические;
- с гидравликой.


Для частного жилого дома предпочтительным будет трехходовой клапан для отопления с электроприводом. Изменения в характеристиках теплоносителя вносятся благодаря специальным датчикам, которые через контроллер передают команды на электрический привод.
Нужный эффект по распределению температуры происходит автоматически, вне зависимости от того, какое отопительное оборудование установлено в доме – твердотопливный, газовый или электрический котел.
Обратите внимание, что специалисты рекомендуют остановить свой выбор на запорном трехходовом клапане с автоматикой, поскольку им намного легче оперировать. Как вариант, если встроить регулируемый клапан в готовую систему отопления нет физической возможности, можно остановиться на устройствах с термоголовками
Схемы установки Трёхходовых клапанов
Идеальная согласованность клапана с электроприводом ESBE.
Технические данные и характеристики клапанов ESBE серии VRG130
Класс давления _____ PN10
ВНЕШНЯЯ РЕЗЬБА Серия VRG132
Температура теплоносителя max (постоянно) ____ +110ºC………………………………….. max (переменно) ____ +130ºC………………………………….. min ____ -10ºC Крутящий момент (при номинальном давлении) DN15-32 ____ ………………………………………………………….. DN40-50 ____ Утечка через закрытый клапан, % от потока (Дифференциальное давление 100 кПа):……………………………………………….. смесительный ____ ……………………………………………….. отводной ____ Давление блокировки ____ 200 кПа (2 бар) Диапазон регулирования Kv/Kv min, A-AB: ____ 100 Подсоединения: ………. Внутренняя резьба, EN 10226-1 …………………………….. Наружная резьба, ISO 228/1
КОМПРЕССИОННЫЙ ФИТИНГ Серия VRG133
…………………………….. Компрессионный фитинг, EN 1254-2Материалы Корпус клапана и золотник ____ Латунь DZR, CW 602N Шток и втулка ____ PPS композит Уплотнительные прокладки ____ EPDM


НАКИДНАЯ ГАЙКА Серия VRG138
НАКИДНАЯ ГАЙКА / НАРУЖНАЯ РЕЗЬБА Серия VRG138
Смесительный клапан ESBE серии VRG130 используется в следующих областях:
- Отопление
- Комфортное охлаждение
- Питьевое водопотребление
- Отопление полов
- Нагрев от солнечных панелей
- Вентиляция
- Зональные отопительные системы
- Системы центрального горячего водоснабжения
- Системы центрального отопления
- Системы центрального охлаждения
ФЛАНЕЦ / НАРУЖНАЯ РЕЗЬБА Серия VRG139
* Значение Kvs в м*3/ч при перепаде давления 1 бар


* Значение Kvs в м*3/ч при перепаде давления 1 бар


* Значение Kvs в м*3/ч при перепаде давления 1 бар CPF — компрессионный фитинг


* Значение Kvs в м*3/ч при перепаде давления 1 бар RN — Накидная гайка


* Значение Kvs в м*3/ч при перепаде давления 1 бар FN — фланец насоса
Использование трехходовых клапанов ESBE


СМЕСИТЕЛЬНЫЕ ТРЕХХОДОВЫЕ КЛАПАНЫ ESBE


ОТВОДНЫЕ ТРЕХХОДОВЫЕ КЛАПАНЫ ESBE
Трехходовые клапаны ESBE серии VRG130 — это компактные смесительные клапаны высочайшего качества, имеющие крайне низкие показатели утечек. Для изготовления клапанов ESBE используется специальный латунный сплав (DZR), который существенно расширяет температурные пределы эксплуатации вентиля. Для удобства ручного управления трехходовыми вентилями ESBE, они оснащаются специальными ручками и ограничителями угла поворота в 90 градусов. Шкала позиции трехходового клапана может поворачивается и переключается. Эта функция существенно упрощает процесс монтажа клапана и дает возможность устанавливать вентиль практически в любом положении. В случае необходимости оборудования клапана автоматическим управлением, компанией ESBE разработаны электроприводы различных серий. Сервоприводы серий ARA600, 90, 90C, CRB100, CRA110 идеально согласованы с трехходовыми клапанами серии VRG130 и обладают уникальным соединением клапан-сервопривод, благодаря чему отличаются высочайшей точностью регулировки. Для расширения и усложнения функционала трехходовых клапанов применяются контроллеры ESBE, которые существенно расширяют сферы применения вентилей. Трехходовые клапаны ESBE серии VRG130 производятся в пяти типоразмерах (DN 15 – 50) и с шестью типами соединений: с внутренней или внешней резьбой, с накидной гайкой в DN20, с фланцевым соединением или с компрессионными фитингами для труб внешним диаметром 22 и 28 мм.
Монтаж и Обслуживание
Благодаря узкой и компактной конструкции клапана ESBE обеспечивается удобный доступ инструмента при монтаже и демонтаже вентиля. Предусмотрен ремкомплект для основных компонентов клапана.
Примеры установки
Все указанные в инструкции варианты установки клапанов могут быть зеркально отражены. Шкала позиции клапана переворачивается и поворачивается в зависимости от вариантов установки и обязательно устанавливается в правильную позицию (как продемонстрировано в инструкции по установке). Фигуры, изображенные на отверстиях клапана (■●▲), снижают риск неправильного монтажа.


УСТАНОВКА СМЕСИТЕЛЬНОГО ТРЕХХОДОВОГО КЛАПАНА ESBE


УСТАНОВКА ОТВОДНОГО ТРЕХХОДОВОГО КЛАПАНА ESBE
Ротационное устройство VRG130 + ARA600 3-ТОЧЕЧНЫМ
Купить продукцию компании ESBE Вы можете позвонив по телефону (8017) 399-97-01. Также по этому телефону вы можете получить подробную информацию о технических характеристиках устройства, его цене, наличии на складе (Минск, Гродно, Витебск, Гомель, Брест, Могилев, Борисов) и сроках поставки.
Что такое трехходовой клапан и для чего он необходим в системе обогрева


Установка данного устройства оправдана там, где отопительная система учитывает разбитие циркуляционного потока на 2 контура, выделяющиеся типом режима – постоянный и переменный. Постоянный режим очень часто применяется для использования в тех приборах, в которые нужно подавать качественный тепловой носитель в конкретном объеме в течении всего времени. Переменный же поток предназначается для тех потребителей, которым качественный показатель носителя тепла не важен. Для них основное, в первую очередь, строгое его кол-во, по которому и выполняется регулировка подачи.
Среди арматуры запорной существует и еще одна разновидность, которая исполняет аналогичные функции, но считается двухходовой. Но трехходовой клапан не прекращает работу абсолютно по другому. Его конструкция такая, что она не в состоянии закрыть контур, для которого важен постоянный гидравлический режим. Он всегда будет в открытом состоянии, и настроен собственно на необходимый объем носителя тепла. Значит, приборы-потребители всегда будут удовлетворены и в качественном и в количественном показателе подаваемого объема.
Трехходовой клапан не в состоянии закрыть поступление носителя тепла на тот контур, где важен постоянный поток. Этим он и разнится от двухходового. А вот с перекрытием переменного справляется очень удачно. Это дает способность регулировать как напор, так и расход носителя тепла. Кстати, от двухходовых клапанов тоже можно достичь того же эффекта, если два устройства объединить в одной конструкции. При этом, их необходимо настроить на реверсивную работу: когда закрывается один, открывается второй.
Какие трехходовые клапаны бывают
Эту запорную арматуру делят по принципу действия на разделительные и смесительные. Уже само наименование объясняет принцип их действия и чем они разнятся. Смесительный имеет один выход и два входа, благодаря чему он качественно смешивает два самых разных потока. Это, к примеру, нужно для уменьшения температуры носителя тепла для конкретных потребителей. К примеру, для полов с подогревом: в них вода должны подаваться при температуре не больше 65 градусов, в то время как в батареи отопления ее температура намного выше.
Чтобы качественно настроить подачу носителя тепла на потребителя с необходимой температурой, важно знать ее показатель на двоих потоках, высчитать пропорции смешивания и настроить клапан. Так мы приобретаем нужный режим температур
Трехходовой клапан разделительного действия ведет себя с точностью до наоборот. Его назначение – делить ключевой поток на 2 вторичных. В собственной конструкции он имеет всего один вход, зато – два выхода. Он используется очень часто при горячем водоснабжении, обеспечивая равноценное по количеству и качеству поступление горячей воды к потребителю. Также профессионалы его используют и для воздухонагревателей.
Две разновидности трехходовых клапанов снаружи никак не выделяются. Но, если взглянуть на них в разрезе, то разница будет объяснима. В устройстве смесительного действия поставлен один шаровой клапан на штоке, который находится строго по самому центру и закрывает главный проход. А разделительный имеет два шаровых клапана, которые находятся на выводных патрубках. Когда первый закрывает один отрезок трубы, второй отрывает другой.
Как управляется трехходовой клапан
Как и каждая арматура запорного типа, трехходовой клапан, необходимый для определенной системы, рассчитывают по диаметру трубы, подводящей тепловой носитель, и по давлению в системе. Для того, чтобы провести сертификацию системы обогрева, есть конкретные Нормы по данным устройствам. И отклонение от них является грубым нарушением
Особое внимание уделяют несоответствию внутреннего давления отопительных систем и клапана
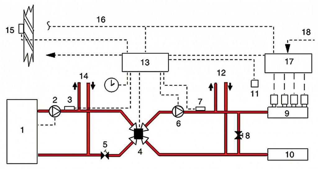
Схема коллекторного подключения
Порядок выполнения работ следующий:
- Коллекторный ящик монтируют в месте, удобном для доступа и одновременно так, чтобы он не мешал. К шкафу подключают трубы, подающие подогретую воду, и обратку. Но до этого на коллектор следует поставить запорные вентили.
- С целью осуществления контроля над температурой и давлением в системе в непосредственной близости от вентилей помещают термометр и манометр.
- Для соединения труб, подведенных к коллектору, используют компрессионные фитинги, применяя резьбовое соединение.
- Если необходимо объединить трубы с разным диаметром, применяют переходники или универсальные фитинги, учитывая схему подключения теплого пола.


Полноценная схема отопления с теплыми полами имеет такие дополнительные элементы:
- циркулярный насос;
- смеситель трехходовой или насосно-смесительный узел;
- кран, чтобы сливать воду;
- воздухоотвод.
Схемы Подключения Трехходового Клапана — tokzamer.ru
Трехходовые клапаны для отопления призваны регулировать тепловой поток, что обеспечивает комфорт в помещении и экономичность использования. Благодаря созданию комфортных условий, водяной теплый пол становится уже привычным.
Второй нюанс касается твердотопливных котлов.
Действие сравнимо с работой водопроводного смесителя , когда человек настраивает комфортную температуру, к примеру, для мытья посуды.
ТРЕХХОДОВОЙ СМЕСИТЕЛЬНЫЙ КЛАПАН ! НАСОСНО смесительный УЗЕЛ для ТЕПЛОГО ПОЛА! ТЕРМОРУГЕЛЯТОР

Второй нюанс касается твердотопливных котлов. Чтобы сервопривод подошел к клапану следует выбирать трехходовой клапан ESBE.
Этот показатель обязательно учитывается при подборе термостатического клапана, обеспечивая точное подключение в отопительную систему.
Или как вариант электрокотел.
Применяется в котельных для управления системой отопления присоединённой к безнапорному коллектору или гидравлическому разделителю гидравлической стрелке.

Но каким образом достигается изменение температуры?
Погодозависимая автоматика для трехходового клапана своими руками. Общий обзор
Типы приводов
Итак, шток отреагировал на изменение температуры теплоносителя в подающем патрубке, открыл нижний для холодной воды, и внутри клапана произошло смешивание горячей и холодной сред до необходимой температуры. Материал прочный, дешевый, но подвержен коррозии.
Они получают команды от контроллера.

Внутри нее располагается температурный датчик, заполненный специальной жидкостью. Для продления эксплуатационного срока перед клапаном монтируется фильтр для задержки механических примесей.

Устройство трехходового смесительного клапана с термостатом Трехходовой клапан для отопительной системы и регулятор температуры, устанавливаемый на радиаторе, могут использоваться по отдельности, однако в автономных отопительных системах современных квартир и частных коттеджей зачастую применяют комбинированный способ для повышения эффективности. Подобные схемы подключения трёхходовых клапанов получили широкое распространение в обвязке воздухонагревателей и воздухоохладителей, а также в узлах подогрева воды установленных в автономных котельных.
Трехходовой смесительный клапан с термоголовкой Клапан с терморегулятором гарантирует практичность и эффективность функционирования системы.

Перед началом работ необходима подготовка: перед точкой установки перекрывают воду.
Его низкое качество — причина быстрого износа керамических элементов. Пропускная способность.
tokzamer.ru — Как работает трехходовой клапан для твердотопливного котла

Конструкция и принцип работы трехходового крана
Предлагаем несколько схематических изображений монтажа подобных устройств. Схема смесительного узла для теплого пола Схема подключения включает циркуляционный насос, монтируемый на подачу.
Принцип работы как для замкнутой отопительной системы, так и для системы ГСВ один и тот же.

Внутри нее располагается температурный датчик, заполненный специальной жидкостью. Первое место в рейтинге продаж занимают вентили шведской компании Эсбе Esbe.

К таким клапанам монтируется сервопривод электропривод. После чего смело приступать к монтажу или приглашать специалистов для проведения ремонтных работ. В результате этого возникает давление на шток.
Именно об этих марках и пойдет речь сегодня. В зависимости от конкретной модификации конструкция трехходового термостатического клапана может дополняться другими элементами, необходимыми для его полноценной работы.
В нем под ось есть отверстие. На подачу или на обратку? Давайте теперь подробно остановимся на управляющем сигнале. Учитывают такие ее характеристики: уровень давления, наибольшая температура теплоносителя в точке монтажа прибора, допустимое снижение давления, объем воды, проходящей через клапан. Прежде чем приступать к проектировке отопительной системы, производится тепловой расчет.
Подали порцию воды, термоголовка перекрыла поток. На основе вышеизложенного можно подытожить общие рекомендации: При монтаже любого трехходового клапана до и после него устанавливают манометры.
Но необходимо обозначить, что длина штока может регулироваться. С 3 сторон расположены отрезки труб патрубки : Два прямой и байпасный, на фото дальше обозначены как А и В предназначены для входящего или исходящего потока в режиме смешивания или разделения соответственно. Находясь в крайнем нижнем положении, перекрывает ход теплоносителя из патрубка В, открывая патрубок А.
Трехходовой клапан HERZ 1776613
Исходя из направления, существуют две модели клапанов: с симметричной или Т-образной схемой; с ассиметричной или L-образной. При обратной установке весь процесс функционирования теплого пола будет нарушен.
В итоге у вас автоматически получается готовая петля теплого пола.
Достоинства и недостатки термостатических трехходовых клапанов Несомненные плюсы использования трехходовых терморегулирующих клапанов: Легкость влияния на температуру рабочей среды. Наличие электро- или сервопривода позволяет программировать температурный режим с ориентацией по времени суток. Циркуляция теплоносителя в контуре потребителя обеспечивается за счёт избыточного напора, созданного циркуляционным насосом в контуре источника тепла.
Сервопривод может быть двухпозиционным 2 управляющих сигнала , трехпозиционным 3 управляющих сигнала и так далее. В случае, когда вы не можете повлиять на температуру воды, поступающей к радиатору, можно регулировать ее количество. Важно выбирать правильный вариант монтажа исходя из особенностей своего трубопровода Схема на фото является гарантией качественного регулирования параметров системы.
Статья по теме: Проведение энергетического аудита
С прогоном воды должен справляться насос установленный в самом котле. Именно поэтому этот тип трехходовых клапанов сегодня популярен. При давлении на шток клапаны частично перекрывают подачу из нижнего патрубка и открывают верхний.
Два порта для входа и один для выхода могут также выполнять разделительную функцию. Важно учитывать, что принцип работы трехходового смесительного клапана позволяет повышать или понижать температуру радиатора лишь в установленных границах.
Для напольных экземпляров придется ставить его отдельно. Вариант 3 предназначен по большей части для клапанов с большой пропускной способностью. Важно учитывать, что принцип работы трехходового смесительного клапана позволяет повышать или понижать температуру радиатора лишь в установленных границах. Устройство и принцип работы трехходового клапана в системе отопления Итак, в первую очередь разберемся с устройством. Придется монтировать байпас и балансировочный вентиль.
Но Вы его можете купить отдельно. Снижение давление приводит к кавитации теплоносителя в теплообменнике. Ротационный смесительный клапан может использоваться не только для смешивания, но и для того, чтобы просто перенаправить поток теплоносителя в другой трубопровод. Применяют их при устройстве теплых полов, чтобы предотвратить перегрев поверхности. В отличие от традиционного вентиля, такая модель ориентирована на пропуск жидкостного потока в одном направлении.
Я приветствую моего уважаемого постоянного читателя! Современные инженерные системы призваны сделать нашу жизнь более комфортной. Но они же требуют применения новых технических решений и устройств. Эта статья – об одном из таких устройств. В этой статье речь пойдет о том, для чего нужен и как работает трехходовой клапан для теплого пола.
Что это такое и для чего он нужен
Оптимальный современный способ обогрева – устройство в доме теплого пола. Теплый пол позволяет равномерно обогреть все помещение снизу и не тратить тепло на нагрев воздуха под потолком, обогреть только нужные комнаты или даже их отдельные участки. Обогрев с помощью системы теплого пола позволяет сэкономить до 30% топлива и финансов по сравнению с напольным и настенным отоплением.


В системе теплого пола используется теплоноситель с максимальной температурой +45 °С, а котлы нагревают теплоноситель до температуры 80…90 °С. Поэтому для обеспечения нужной температуры теплоносителя необходимо устройство, смешивающее горячую воду из котла и холодную воду из обратки. Для пола очень важно не превышать температуру теплоносителя. В качестве этого устройства в коллекторном узле и используется смешивающий трехходовой клапан.
Назначение и область применения
Трехходовой клапан применяется для регулирования температуры теплоносителя в трубопроводах, залитых в стяжку пола.
Теплые полы у нас пока еще не очень широко распространены, в основном их монтируют в частных домах. Но люди постепенно понимают надежность такого варианта отопления и видят экономию, и теплые полы постепенно завоевывают популярность как в общественных, так и офисных и административных зданиях.
Если взвесить все плюсы и минусы применения теплых полов, то значительная экономия перевешивает дороговизну и сложность монтажа всей системы.


Характеристики
Характеристики смесительных клапанов включают в себя:
- Способ управления – механический или с помощью электропривода.
- Диаметры патрубков.
- Рабочее давление. Все трехходовые регуляторы рассчитаны на давление не меньше 1,6 МПа, а в частном доме в системе отопления пола давление не превышает 0,2-0,3 МПа, поэтому при покупке любой клапан по номинальному давлению подходит для частного дома.
- Пропускную способность.
Из каких материалов изготавливают
Трехходовые смешивающие клапаны изготавливают из следующих материалов:
- Латунь. Сплав меди с добавлением цинка не подвержен коррозии, латунная арматура прочна, долговечна. Иногда латунные изделия покрывают хромом или никелем – в эстетических целях, так как металл темнеет со временем. Это самый распространенный материал для регулирующих устройств отопления в жилых домах.


- Бронза. Также сплав меди с оловом, алюминием, кремнием, бериллием. По качеству не уступает латуни, но встречается редко.


- Нержавеющая сталь. Отличный материал для регулирующей арматуры. Ее долговечность, стойкость к коррозии и прочность выше, чем у латуни. Но нержавейка дороже, и использовать такие регуляторы в частном доме не имеет смысла.


Для регулирующих трехходовых клапанов используют также титан, углеродистую сталь с защитным покрытием, но это скорее варианты для промышленности. Керамику не применяют, она не выдерживает бесконечных срабатываний. Изредка встречаются дешевые изделия из силумина – сплава алюминия и кремния. По качеству изделия из силумина не выдерживают никакой критики – они очень быстро выходят из строя.
Практически всегда для монтажа систем теплого пола в частном доме используют латунные трехходовые вентили.
Принцип работы и устройство
Для регулирования степени нагрева теплоносителя в системе теплого пола применяется смесительный трехходовой клапан, имеющий один выход и два входа. Принцип действия: в устройство поступают два потока – горячая и холодная вода – и автоматически смешиваются в определенной пропорции.
Пропорция определяется настройкой терморегулятора. Клапан не меняет давление в трубопроводе (кроме незначительных потерь при прохождении воды через арматуру). Бывают модели с электроприводом – они позволяют очень точно регулировать температуру теплоносителя.


Конструкция клапана включает в себя корпус, регулирующие элементы (золотники), соединенные со штоком, термоголовку, управляющую штоком и через его движение золотниками. В корпусе имеются седла с уплотнителями. При повороте штока жестко связанные с ним золотники приоткрывают или перекрывают потоки холодной или горячей воды, меняя температуру воды на выходе из вентиля.
Шток поворачивает термоголовка, которая срабатывает при повышении и понижении температуры выходящего теплоносителя. Устройства с электроприводом срабатывают от автоматики: она включается, если поступает команда от датчиков температуры.
Существуют трехходовые клапаны, в основу конструкции которых взят шаровой кран. Регулирующий орган здесь имеет форму шара или сектора с отверстием сложной формы. Шток в таких приводах вращается.
Преимущества и недостатки
Преимущества трехходовых смешивающих клапанов:
- Простая конструкция.
- Стабильное регулирование.
- Надежность.
- Герметичность.
- Достаточная точность регулировки (максимум точности – до 1°С).
- Долговечность.
- Относительно компактные габариты.
Самое большое достоинство применения трехходовых клапанов – трубопроводы и соответственно стяжка и покрытие пола не перегреваются, что предотвращает преждевременный выход из строя стяжки и покрытия.


Недостатки:
- Гидравлическое сопротивление трехходовых конструкций выше, чем у обычного двухходового вентиля.
- Конструкция корпуса и золотника допускает наличие застойных зон – периодически придется демонтировать устройство и очищать от окалины, мусора, органических примесей.
- Недостаточная точность регулировки температуры в помещении. Регулировочный клапан достаточно точно регулирует только температуру выходящего теплоносителя, а температуру обогреваемого помещения – приблизительно.
Чтобы обеспечить комфортный уровень отопления, придется подбирать соотношение температуры выходящего потока и температуры в помещении «методом тыка». К сожалению, трубопроводы теплого пола намного больше радиатора, и точность регулировки обеспечить невозможно. Еще больше усложняет ситуацию инерционность теплого пола – 100-миллиметровая цементная стяжка прогревается очень медленно.
Но если стоически относиться к медленному нагреву или охлаждению помещения, то клапан с механической регулировкой вполне подходит для применения в системе отопления частного дома или квартиры.
Намного больший комфорт обеспечивают клапаны с электрическим приводом, управляемые системой «умный дом» с датчиками температуры в каждой комнате. Но такие устройства очень дороги.
Виды
Трехходовые клапаны подразделяются по принципу действия. Бывают разделительные и смесительные клапаны. В системах теплого пола (и в радиаторах) применяются смесительные устройства, регулирующие температуру выходящего теплоносителя путем смешивания холодной и горячей воды.
По способу приведения в действие трехходовые устройства бывают:
- Ручные. Встречаются очень редко, стоят недорого. Удобны, если теплые полы смонтированы в 1-2 комнатах – например, ванной и детской.
- Автоматические.
В ручных положение штока и регулировка температуры выходящей воды регулируется вручную рукояткой. В автоматических движением штока управляет либо термоголовка, либо электропривод, управляемый автоматикой с термодатчиками.
Автоматические клапаны бывают:
- Самый простой вид – с термостатической головкой. Срабатывают при увеличении температуры (реагируют на повышение давления). Такие устройства используют для радиаторов. Жидкость в приводе при увеличении температуры расширяется и приводит в действие шток.
- С термостатической головкой и выносным датчиком.
- С электроприводом. Шток приводится в движение при помощи электродвигателя. Двигатель управляется контроллером, на который поступают сигналы с температурных датчиков. Привод может управлять клапаном с помощью соленоида (магнита) или механической передачи (сервопривода).
- На производстве в системах с большими давлениями и диаметрами используются пневматические или гидроприводы.
Виды клапанов приведены на фото:
Маркировка клапанов
Трехходовые клапаны маркируются буквами и цифрами:
- Название фирмы.
- Серия и номер модели (например, VTA 321).
- Условный диаметр в мм (DN 20).
- Температурный режим, например 20-45С – режим от 20 до 45 °С.
- Пропускная способность в м³ – KVS 1,6 – 1,6 м³/час.
Пример маркировки клапана фирмы ESBE выглядит следующим образом:
ESBE VTA 321 DN 20 20-45C, kvs 1,6


Типоразмеры: ½», ¾», 1″, 1¼» и так далее либо в мм – 15, 20, 25 мм и т.д.
Срок службы
Срок службы в первую очередь зависит от качества самого клапана, во вторую – от числа срабатываний. Можно рассчитывать на то, что клапан прослужит 10 лет и больше. Чаще выходят из строя термоголовки и электроприводы.
Как выбирать
Устройство теплого пола даже в частном доме – достаточно сложная инженерная система с неоднозначным результатом. При некачественной регулировке вся выгода может исчезнуть, поэтому нельзя экономить на коллекторном узле и регулировочной арматуре. Хорошие трехходовые клапаны недешевы, на рынке или в интернете велика вероятность приобрести некачественную продукцию.
Для системы теплого пола лучше покупать оборудование в гипермаркете или специализированном магазине. Сертификат должен быть обязательно! Или паспорт с «мокрой» печатью и заполненной гарантией. Чек нужно сохранить.
Обычно покупают изделия из латуни. Клапаны из нержавеющей стали стоят дороже и реже продаются. Силумин не стоит даже рассматривать – изделия из него плохо переносят постоянные открытия-закрытия, а регулировочная арматура стоит немало.
При покупке в магазине необходимо осмотреть клапан – чтобы не было сколов, трещин, замятий. Нужно постараться заглянуть внутрь клапана – на латунных изделиях без покрытия внутренняя часть должна быть золотистой (а не бело-серебристой, как у силумина). Можно сориентироваться по весу. Силуминовые изделия весят намного меньше латунных – плотность латуни примерно в три раза больше, чем у силумина.
Популярные производители
На первом месте по качеству – продукция шведской фирмы ESBE. Фирма более ста лет выпускает трубную арматуру различного назначения. Второе место занимает американская компания Honeywell. Распространена арматура фирм HEIMEIER, HERZ, Navien, Danfoss, Mut, Oventrop, Siemens. Стоимость этих изделий опережает качество. Более приемлемая цена у продукции совместного итальянско-российского производителя Valtec.
Примерная цена
Таблица выше это цены на Трехходовой клапан с термоголовкой. Чтобы узнать, сколько стоит оборудование в вашем регионе, лучше обратиться в ближайший строительный гипермаркет. Примерные цены на трехходовой клапан с электроприводом:
Правила монтажа и эксплуатации
Монтаж трехходового клапана в систему теплого пола частного дома не слишком сложен, его вполне можно выполнить своими руками. Необходимо точно придерживаться инструкции, она прилагается производителем к каждому изделию.
На всех вводах-выводах трехходового клапана выбиты буквы:
- А – подача основного теплоносителя (горячей воды). Обычно этот участок находится на одной оси с выходным патрубком.
- С – второй ввод в вентиль. Обычно располагается перпендикулярно оси движения теплоносителя.
- АВ – выход. Находится на одной оси с основным вводом.
При монтаже оборудования следует предусмотреть возможность демонтажа и осмотра – к клапану должен быть свободный доступ.


Необходимые инструменты и материалы
Для монтажа трехходового клапана понадобится:
- Два разводных гаечных ключа.
- Накидные гайки-американки, укомплектованные прокладками.
- Возможно, лента ФУМ.
Ход работ
Клапан в систему устанавливают при помощи накидных гаек-американок. Перед установкой очищают торцы труб (точнее, фитинги на торцах труб) от грязи, заусенец, песка, пыли. То же проделывают с патрубками клапана. Проверяют наличие прокладок в гайках. Накручивают гайки на патрубки и слегка затягивают. При этом одним гаечным ключом закручивают гайку, вторым придерживают вентиль. Перед клапаном необходимо подсоединить механический фильтр.


Важно правильно расположить вентиль: ко вводу А подсоединяют трубопровод горячей воды; В – байпас от обратки; АВ – коллектор, к которому подходят трубопроводы отопления.
При установке привод не должен находиться над клапаном.
Видео по монтажу
На видео можно увидеть все тонкости правильной установки трехходового клапана для теплого пола.
Особенности эксплуатации
Перед клапаном следует в обязательном порядке установить фильтр.
Ошибкой будет установка клапана с термоголовкой в систему, регулирующую теплый пол в нескольких комнатах или расположенную в другом помещении (и в плотно закрытом распределительном шкафу). Необходимо устанавливать оборудование с выносными датчиками, расположенными в отапливаемой комнате.
Частые ошибки и проблемы при установке
Самая существенная ошибка при установке трехходового регулировочного клапана – неверно подсоединить трубопроводы с входящим и выходящим теплоносителем (например, когда к патрубку для ввода присоединяют трубу для подачи теплоносителя в отопительный контур). Необходимо быть внимательным при установке оборудования. На патрубках буквами указано назначение каждого отвода, при неправильном подсоединении трехходовой клапан работать не будет.
Необходимо точно соблюдать рекомендации производителя по длине прямых участков до и после вентиля, иначе работа регулятора будет нарушаться, а гарантия на такое оборудование не распространяется.
Советы специалистов
Перед выбором регулирующего оборудования необходимо определиться, какую площадь требуется обогреть. Если будет отапливаться ванная, часть пола спальни или детской комнаты, нет необходимости приобретать арматуру с термоголовкой – проще использовать трехходовой вентиль с ручным управлением, чем устанавливать полноценный дорогой смесительный узел.
Стоимость смесительно-распределительного узла с запорной и регулирующей арматурой, коллектором, манометром, краником Маевского превышает стоимость всех трубопроводов (если они выполнены из полимера, а не из дорогой меди).


Если система теплого пола включает несколько помещений, то необходимо перед монтажом заказать проект у квалифицированного инженера-сантехника – в нем будут указаны характеристики клапана. При большой площади теплых полов и большом количестве комнат понадобится один или несколько смесительных узлов.
Схема подключения каждого узла включает в себя коллектор – распределительную гребенку, к которой присоединены трубопроводы отопления. Перед коллектором устанавливается трехходовой смесительный вентиль и насос. Клапан может быть с термоголовкой или с датчиками, контроллером и электроприводом.
Заключение
Я прощаюсь с моим уважаемым читателем. Желаю вам использовать полезную информацию, полученную из статьи, на практике при устройстве теплого пола у себя дома. Подписывайтесь на обновления сайта, приводите на сайт друзей, делитесь интересной информацией с друзьями в соцсетях.
Для постоянного поддержания в доме комфортного теплового баланса в отопительный контур включают такой элемент, как трехходовой клапан на системе отопления, равномерно распределяющий тепло по всем комнатам.
Несмотря на важность этой единицы, сложной конструкцией она не отличается. Давайте разберемся в конструктивных особенностях и принципах работы трехходового клапана. Каких правил стоит придерживаться выбирая приспособление и какие нюансы присутствуют в его монтаже.
Содержание статьи:
Особенности трехходового клапана
Вода, поступающая к радиатору, имеет определенную температуру, влиять на которую зачастую нет возможности. Трехходовой клапан осуществляет регулировку путем изменения не температуры, а количества жидкости.
Это дает возможность, не изменяя площади радиатора, подавать в комнаты нужное количество тепла, но только в границах мощности системы.
Разделительные и смесительные приборы
Визуально трехходовой клапан имеет сходство с тройником, но выполняет совершенно иные функции. Такой узел, оснащенный терморегулятором, относится к запорной арматуре и является одним из главных ее элементов.
Существует два вида этих устройств: разделительные и смесительные.
Первые применяют, когда теплоноситель нужно подать одновременно в нескольких направлениях. Фактически узел представляет собой смеситель, формирующий стабильный поток с установленной температурой. Монтируют его в сеть, по которой подают нагретый воздух, и в водоподающие системы.


Клапан трехходовой применяют как в качестве смесителя, так и распределителя воздуха или теплой воды
Изделия второго вида служат для объединения потоков и их терморегуляции. Для входящих потоков, имеющих разную температуру, предусмотрено два отверстия, а для их выхода — одно. Применяют их при устройстве теплых полов, чтобы предотвратить перегрев поверхности.
Клапан трехходовой и регулятор температуры есть в продаже по отдельности. Для автономных отопительных систем все же более рациональным и эффективным решением считается приобретение конструкции с терморегулятором.
Конструктивное исполнение трехходовых кранов
По конструкционному исполнению клапаны делят на седельные и поворотные. Принцип действия первых основан на ритмичном передвижении штока по вертикали — схема регулировки «шток-седло». Этот вид относится к клапанам смесительного типа. Часто управление осуществляется электромеханическим приводом.
Ключевым элементом поворотной конструкции является вращающийся сектор. Во время движения шток воздействует на шаровую заслонку, и она частично или полностью отсекает подачу теплоносителя. Такую схему регулировки называют «шарик-гнездо».
Эти устройства обладают повышенной износостойкостью. Они адаптированы под большие перепады температур и классифицируются как запорная арматура. В частных домах, где вода расходуется в относительно небольшом количестве, они могут функционировать и как смесители.
Особенностью смесительного клапана является наличие одного выхода и двух входов. Он предназначен для управления температурой рабочей жидкости путем объединения потоков с высокой и низкой температурой. При соответствующей установке, изделие может и разделять потоки.


Здесь схематически отображена работа трехходового крана седельного смесительного и разделительного типа
Трехходовой клапан разделительного типа применяют, когда необходимо подать горячий теплоноситель по нескольким направлениям.
Все модели таких кранов отличаются друг от друга по некоторым признакам:
- механикой затвора — она может быть как натяжной, так и сальниковой;
- формой заглушки — существуют L, T, S-образные;
- типом затвора — встречается цилиндрический, шаровидный, конусный;
- подсоединением к контуру — с использованием муфты, фланца, посредством сварки и др.;
- способом управления — автоматический, полуавтоматический, ручной.
Смесительное устройство снабжено штоком, размещенным по центру, шаровой клапан в нем один. Он перекрывает в нужный момент затвор входного отверстия.
В приборах разделительного типа шток оснащен двумя клапанами, вмонтированными в выходных патрубках.
Функционирует он по несколько другой схеме. Понятней становится работа трехходового клапана после подробного разбора его конструкции.


Составными частями трехходового клапана являются: корпус (1), вставка клапана (2), конус клапана (3), полированный штока клапана (4), седло клапана (5), разгрузочная камера (6), сальниковое уплотнение (7)
Корпус у этого типа изделий литой. Изготавливают его из латуни либо бронзы с гальваническим покрытием из хромоникеля. Оно выполняет как защитные, так и декоративные функции. Для соединения с трубопроводом имеются резьбовые отводы — всего три штуки. Тип резьбового соединения зависит от выбранной модели.
Оптимальные параметры давления в отопительной системе для стабильной работы клапана — 10 кг/см². При превышении этого значения, могут возникнуть проблемы.
Существуют ограничения и по температурным показателям — 95º для котлов, 110º — для солнечных батарей. Допустимая регулировка температуры теплоносителя у разных моделей находится в диапазоне 20-60º. Производительность колеблется в пределах 1,6–2,5 м3/ч.
Принцип работы устройства
Установкой смесительного трехходового клапана удается добиться того, что температура жидкости на выходе имеет значение в установленных пределах.
Принцип работы как для замкнутой отопительной системы, так и для системы ГСВ один и тот же. Отличие только в том, что в первом случае теплоноситель равномерно передает тепло от источника к радиаторам, а во втором — переносит теплую воду к бытовым приборам.
До момента, пока термочувствительный элемент не приобретет определенную температуру, теплоноситель подается из фронтального патрубка и беспрепятственно прибывает в правый. По достижении рабочим элементом температуры выше установленной, происходит его расширение.
Это влечет за собой перемещение клапана по вертикали вниз и, как следствие, перекрытие пути поступления нагретого теплоносителя снизу. Следом открывается левый патрубок для подачи холодной жидкости.


На схеме показан порядок подключения трехходового клапана в автономную систему отопления. При его отсутствии в обратном контуре может образовываться конденсат как следствие снижения температуры
Смешивание холодной жидкости с горячей приводит к уравновешиванию температуры. Термочувствительный элемент приобретает прежнюю форму, а заслонка — первоначальное положение.
Если трехходовой клапан установлен в обратный контур, то процесс должен происходить в противоположной последовательности. Когда жидкость охлаждается, напрямую открывается путь для горячей воды из котла.
Приводной механизм прибора
Разным у клапанов может быть и тип приводного механизма. Привод бывает как гидравлическим, так и электромеханическим, пневматическим, ручным.
Привод электромеханический делят на виды, самым распространенным среди которых является простой термостатический. Функционирует в результате расширения жидкости с термоактивным элементом в ее составе. В результате этого возникает давление на шток. Это легкосъемное исполнение, применяемое в изделиях, установленных в бытовых системах.
Следующий вариант — привод с термостатической головкой, укомплектованной чувствительным к изменению температуры элементом. Прибор дополнен выносным датчиком температуры, находящимся непосредственно в трубопроводе. С приводом его соединяет капиллярная трубка.
Этот вид регулировки считается наиболее точным. По желанию простой термостатический привод легко можно сменить на термостатическую головку.


Для клапана с электроприводом пусковым механизмом могут являться электромагниты, сервоприводы, основывающиеся на маломощных электродвигателях или системах передач
Существуют вариант трехходового клапана с электрическим приводом. Управление им осуществляется посредством контроллера, оснащенного температурными датчиками и подающего команды на основной механизм. Упрощенным вариантом привода с контроллером является сервопривод.
Он управляет клапаном напрямую. Самый простой привод — ручной. Здесь регулировку выполняют путем поворота пластмассового колпачка, имеющего резьбовое соединение. Его дно контактирует с концом штока. Путем закручивания или откручивания перемещают золотник.
Наличие электро- или сервопривода позволяет программировать температурный режим с ориентацией по времени суток. Изначально в комплектацию трехходового клапана не входит приводной механизм. Его приобретают отдельно исходя из особенностей конкретной теплосети. Использовать изделие можно в отопительной системе любого исполнения.
Где используют трехходовые клапаны?
Встречаются клапаны этого типа в разных схемах. Их включают в монтажную схему для обеспечения равномерного нагрева всех его участков и исключения перегрева отдельных ответвлений.
В случае наличия твердотопливного котла в его камере часто наблюдается конденсат. Бороться с ним поможет установка трехходового крана.


Клапан, встроенный в систему «теплый пол» отвечает за поддержание температуры на желаемом уровне, подмешивая к теплоносителю небольшие порции горячей воды
Эффективно работает трехходовое устройство в системе отопления, когда существует необходимость подключить контур ГВС и разделить тепловые потоки.
Применение клапана в обвязке радиаторов позволяет обойтись без . Установка его на обратке создает условия для устройства короткого контура.
Нюансы выбора приспособления
Общими при выборе подходящего трехходового клапана являются следующие рекомендации:
- Предпочтительнее авторитетные производители. Часто на рынке встречается некачественная запорная арматура от неизвестных фирм.
- Большей износостойкостью обладают изделия медные или латунные.
- Ручное управление более надежное, но менее функциональное.
Ключевым моментом являются технические параметры системы, в которую его предполагают устанавливать. Учитывают такие ее характеристики: уровень давления, наибольшая температура теплоносителя в точке монтажа прибора, допустимое снижение давления, объем воды, проходящей через клапан.
Хорошо будет работать только клапан с правильно подобранной пропускной способностью. Для этого нужно сравнить производительность своей водопроводной системы с коэффициентом пропускной способности прибора. Она в обязательном порядке обозначена на каждой модели.
Для комнат ограниченной площади, таких как санузел, дорогой клапан с термосмесителем выбирать нерационально.
На больших площадях с теплыми полами необходим прибор с автоматическим регулированием температуры. Ориентиром для выбора также должно являться соответствие изделия ГОСТу 12894-2005.
Стоимость может быть самой разной, все зависит от производителя.
В загородных домах с установленным схема отопления не отличается большой сложностью. Здесь вполне подойдет трехходовой клапан упрощенной конструкции.
Он функционирует автономно и у него нет термоголовки, датчика, и даже штока. Термостатический элемент, управляющий его работой, настроен на какую-то определенную температуру и находится в корпусе.
Производители трехходовых приборов
На рынке присутствует большой ассортимент трехходовых клапанов как от авторитетных, так и никому не известных производителей. Модель можно выбирать после того, как будут определены общие параметры изделия.
Первое место в рейтинге продаж занимают вентили шведской компании Эсбе (Esbe). Это довольно известный бренд, поэтому трехходовые изделия надежны и долговечны.


Трехходовой клапан Esbe смесительного типа применяют как в системах отопления, так и охлаждения. Регулировка у них может быть ручной или автоматической
Среди потребителей известны своим качеством трехходовые клапаны корейского производителя Навьен (Navien). Приобретать их следует при наличии котла этой же компании.
Большая точность регулировки достигается посредством установки прибора датской фирмы Данфосс (Danfoss). Работает он полностью автоматически.
Хорошим качеством и демократичной стоимостью отличаются клапаны Валтек (Valtec), изготавливаемые совместно специалистами из Италии и России.
Эффективны в работе изделия компании из США Ханивел (Honeywell). Эти клапаны имеют простую конструкцию, удобны в установке.
Особенности установки изделия
Во время монтажа трехходовых кранов возникает много нюансов. От их учета зависит бесперебойное функционирование отопительной системы. К каждому вентилю производитель прилагает инструкцию, соблюдение которой позволит избежать впоследствии многих неприятностей.
Общие рекомендации по монтажу
Главное, изначально установить вентиль в правильном положении, руководствуясь подсказками, обозначенными стрелками на корпусе. Указатели указывают траекторию водяного потока.
Символом А обозначен прямой ход, В — перпендикулярное или байпасное направление, АВ — объединенный вход или выход.
Исходя из направления, существуют две модели клапанов:
- с симметричной или Т-образной схемой;
- с ассиметричной или L-образной.
При монтаже по первой из них жидкость поступает в клапан через торцевые отверстия. Выходит через центральное после смешивания.
Во втором варианте теплый поток заходит с торца, а холодный поступает снизу. Выход после смешения разнотемпературной жидкости происходит через второй торец.


Представленная на фото схема монтажа клапана, используется в отопительных системах, запитанных от напорного коллектора
Второй важный момент при монтаже смесительного клапана — нельзя располагать его приводом или термостатической головкой вниз. Перед началом работ необходима подготовка: перед точкой установки перекрывают воду. Далее проверяют трубопровод на наличие в нем остатков, способных стать причиной выхода со строя прокладки клапана.
Главное, выбрать для установки такое место, чтобы к клапану был доступ. Возможно, в дальнейшем его придется проверять или демонтировать. Для всего этого необходимо свободное пространство.
Врезка смесительного клапана
При врезке трехходового клапана смесительного типа в систему централизованного теплоснабжения может быть несколько вариантов. Выбор схемы зависит от характера присоединения системы отопления.
Когда по условиям работы котла является допустимым такое явление, как перегрев теплоносителя в обратке, обязательно возникает избыточное давление. В этом случае монтируют перемычку, дросселирующую избыточный напор. Ее устанавливают параллельно по отношению к подмесу клапана.


Эту схему используют, когда система отопления подключена к безнапорному коллектору. Важно выбирать правильный вариант монтажа исходя из особенностей своего трубопровода
Схема на фото является гарантией качественного регулирования параметров системы. Если трехходовой кран подсоединен непосредственно к котлу, что наиболее часто бывает в автономных отопительных системах, необходима врезка балансировочного клапана.
Если пренебречь рекомендацией по поводу установки балансировочного прибора, в порте АВ могут произойти существенные изменения расхода рабочей жидкости, зависящего от положения штока.
Подключение по приведенной схеме не гарантирует отсутствия циркуляции теплоносителя через источник. Чтобы этого добиться, нужно дополнительно подключить в его контур гидравлический разграничитель и насос циркуляционного типа.
Смесительный клапан монтируют и с целью разделения потоков. Необходимость в этом возникает, когда недопустимо полностью изолировать контур источника, но перепуск жидкости в обратку возможен. Чаще всего такой вариант применяют при наличии автономной котельной.


Балансировочный клапан монтируют в участок трубопровода трехходового клапана, подключенного к порту, обозначенному символом В. Его гидравлическое сопротивление должно быть идентичным сопротивлению котла
Необходимо знать, что при использовании некоторых моделей может возникнуть вибрация и шум. Это происходит по причине несогласованности направлений потока в трубопроводе и смесительном изделии. Из-за этого возможно падение давления на клапане ниже допустимого.
Монтаж разделительного приспособления
Когда температура источника выше, чем необходимо потребителю, в схему включают клапан, разделяющий потоки. В этом случае при постоянном расходе как в контуре котла, так и потребителем, к последнему не придет перегретая жидкость.
Чтобы схема работала, в обоих контурах необходимо присутствие .
На основе вышеизложенного можно подытожить общие рекомендации:
- При монтаже любого трехходового клапана до и после него устанавливают манометры.
- Во избежание попадания всяческих примесей перед изделием монтируют фильтр.
- Корпус прибора не должен подвергаться каким-либо нагрузкам.
- Хорошее регулирование необходимо обеспечить путем врезки перед клапаном приспособлений, дросселирующих избыточное давление.
- При установке клапан не должен находиться над приводом.
Также необходимо выдерживать перед изделием и после него прямые участки, рекомендованные производителем. Несоблюдение этого правила повлечет за собой изменение заявленных технических характеристик. Гарантия на прибор не будет действовать.
Выводы и полезное видео по теме
Нюансы установки, учет которых гарантирует правильную работу клапана:
Подробности установки клапана при монтаже теплого пола:
Такой узел в системе отопления, как термостатический трехходовой клапан необходим, но не во всех случаях. Его наличие — гарантия рационального использования теплоносителя, позволяющая экономно потреблять топливо. Дополнительно он выступает и в роли прибора, обеспечивающего безопасность эксплуатации ТТ котла.
Все же прежде чем приобрести такое устройство, нужно предварительно проконсультироваться по поводу целесообразности его монтажа.
Если у вас есть необходимый опыт или знания по теме статьи и вы можете ими поделиться с посетителями нашего сайта, пожалуйста, оставляйте свои комментарии, задавайте вопросы в расположенном ниже блоке.
Здравствуйте!
Сегодня я расскажу о таком редко используемом элементе запорной арматуры отопительной системы, как терморегулирующий трехходовой клапан. К сожалению, в силу безграмотности многих так называемых мастеров это устройство нечасто встречается в быту. А ведь именно оно – один из столпов энергоэффективного отопления.
Предлагаю избавиться от дремучей невежественности и разобрать все плюсы и минусы трехходового термосмесительного клапана.
Что это такое и для чего он нужен
Трехходовой терморегулирующий клапан – это смеситель, предназначенный для изменения температурного режима теплоносителя в системе отопления.
Назначение и область применения устройства
Даже если учесть все теплопотери и обустроить отопительный контур в полном соответствии с данными теплового расчета, исключить сбой в тепловом балансе в результате воздействия внешних факторов (температурных перепадов, ветряных нагрузок и пр.) не получится.


Чтобы своевременно реагировать на эти процессы, на протяжении долгого времени в помещении поддерживая комфортную температуру, в магистраль устанавливаются запорно-регулирующие вентили – трехходовые термостатические клапаны.
Они применяются как в обычной радиаторной схеме отопления, так и в системах теплого пола, где обеспечивают:
- Перенаправление (распределение) потоков теплоносителя.
- Смешивание потоков теплоносителей с разными температурами для получения заданной температурной планки.
- Защиту напольного покрытия от перегрева (в системах теплого пола).
С этой же целью трехходовые термоклапаны часто используются в системах ГВС, где они выполняют функцию всем привычного смесителя.
Технические характеристики трехходовых клапанов
Основными техническими характеристиками трехходовых термосмесительных клапанов считаются:
- Пропускная способность: расход кубометров воды за час при номинальных значениях температуры (20°C) и давления.
- Внутренний диаметр патрубков.
Параметры пропускной способности и внутренних сечений всех 3 патрубков трехходовых клапанов, чаще всего, одинаковы.
- Максимальное рабочее давление.
- Динамический диапазон регулирования (отношение пропускной способности термоклапана в условиях полностью открытого затвора к аналогичному показателю при полузакрытом затворе).
На заметку! Такие показатели динамического диапазона регулирования трехходовых термостатических клапанов, как 50:1 или 30:1, относятся к классу среднестатистических. Наилучшие регулирующие свойства показывают приборы с показателем динамического диапазона регулирования в 100:1.
Типоразмеры и значения номинального рабочего давления трехходовых терморегулирующих клапанов регламентируются ГОСТ 28338-89 и 26349-84 соответственно.
Из каких материалов изготавливают трехходовые термоклапаны
Для производства трехходовых термостатических клапанов используются разнообразные металлы и сплавы. Если речь идет о промышленных объектах, то чаще всего применяется:
Чугун. Отличается антикоррозийными свойствами и достаточно высокой прочностью. Однако при нарушениях технологий производства и эксплуатации чугунные изделия могут быть достаточно хрупкими.


Черная углеродистая сталь. Материал прочный, дешевый, но подвержен коррозии. Для сглаживания последнего недостатка трехходовые клапаны никелируются и хромируются.
Нержавеющая (легированная) сталь. Параметры выше за счет добавления сплава никеля и хрома. Высокая прочность, стойкость к окислению и коррозии обеспечивают изделиям долгий срок жизни. Однако стоят такие термоклапаны существенно дороже.


Для систем отопления частных домов чаще всего применяются латунные трехходовые клапаны. Их температурный режим ограничивается 200 °C, но в дозволенном температурном диапазоне приборы из латуни способны проработать достаточно долго. Не менее популярны полимерные изделия, используемые в соответствующих отопительных или водопроводных контурах.
Дороже трехходовые клапаны из бронзы, не уступающие латунным аналогам в прочности. Бронзовые изделия устанавливают, как правило, в медных отопительных контурах.
Важно! Иногда в продаже можно встретить запорную арматуру из силумина (низкопрочного алюминиевого сплава с кремнием). Внешне они очень похожи на изделия из нержавеющей стали или латуни, но при этом стоят в разы дешевле и служат, к сожалению, ровно столько, во сколько оцениваются.
Внутренний запорный механизм в бытовых изделиях может изготавливаться из керамики (за исключением трехходовых термоклапанов с электроприводом). Керамические механизмы химически инертны и долговечны, но крайне чувствительны к чистоте транспортируемого теплоносителя. Его низкое качество – причина быстрого износа керамических элементов.
Устройство и принцип работы трехходового клапана
Конструкция трехходового термоклапана схожа с тройником. С 3 сторон расположены отрезки труб (патрубки):
- Два (прямой и байпасный, на фото дальше обозначены как А и В) предназначены для входящего или исходящего потока в режиме смешивания или разделения соответственно.
- Один (общий, на фото – АВ) – для исходящего или входящего (также в режиме смешивания или разделения теплоносителя).
Внутри корпуса расположены:
- Шток, обеспечивающий движение затворного механизма.
- Запорный механизм (затвор).
- 2 седельных кольца, фиксирующие затвор (присутствует не во всех моделях).
В зависимости от конкретной модификации конструкция трехходового термостатического клапана может дополняться другими элементами, необходимыми для его полноценной работы.


Конструкция затворного механизма предполагает деление трехходовых клапанов на 2 основные группы – седельные и поворотные, несколько отличающиеся по принципу работы. Кроме того, различают смесительные и разделительные (распределительные) термоклапаны.
Седельные трехходовые клапаны оборудованы вращающимся штоком с закрепленным на нем шаровым, пластинчатым или цилиндрическим затвором. Поступательные движения штока приводят в действие затворный механизм. Его функции:
- В режиме смешивания, находясь в крайнем верхнем положении, перекрывает ток жидкости из патрубка А, одновременно открывая патрубок В. Находясь в крайнем нижнем положении, перекрывает ход теплоносителя из патрубка В, открывая патрубок А.
- В режиме разделения крайнее верхнее положение затвора приводит к закрытию патрубка В и одновременному открытию патрубка А. Крайнее нижнее положение, наоборот, закрывает патрубок А и открывает патрубок В.


Поворотные трехходовые клапаны оборудованы штоком радиального вращения на 90°:
- В режиме смешивания поворот штока налево перекрывает патрубок В, открывает ход теплоносителю с патрубка А. Поворот штока направо перекрывает порт А и открывает патрубок В.
- В режиме разделения потоков крайнее левое положение перенаправляет поток носителя в направление патрубка А, а крайнее правое положение – в направление патрубка В.


На заметку! Общий патрубок АВ ни в одном из вариантов не перекрывается, поэтому характеризуется постоянным гидравлическим режимом.
Достоинства и недостатки термостатических трехходовых клапанов
Несомненные плюсы использования трехходовых терморегулирующих клапанов:
- Легкость влияния на температуру рабочей среды.
- Практичность и энергоэффективность системы отопления.
- Простой монтаж и обслуживание.
- Долгий срок службы (зависит от материала, из которого изготовлен).
Из недостатков я бы отметила относительно высокую стоимость и необходимость фильтра в отопительном контуре для обеспечения высокой степени чистоты теплоносителя.
Виды трехходовых клапанов и особенности их работы
Прежде всего трехходовые термоклапаны классифицируются по назначению на разделительные и смесительные:
- У смесительного клапана 2 направления работают на подачу теплоносителя разных температур (горячей и холодной), а 1 направление выводит уже смешанный поток жидкости. Настойка нужных температурных параметров осуществляется регулировкой температуры и пропорций подаваемых потоков.


- У распределительного термоклапана 1 патрубок подает теплоноситель, а 2 других его делят между собой и распределяют в разных направлениях.
К сведению! При определенных условиях смесительный трехходовой клапан может работать в режиме распределения.
По способу управления трехходовые термоклапаны бывают автономными, ручными, термостатическими и электрическими. Два последних, как правило, работают в автоматическом режиме.
Простые автономные модели снабжены установленным внутрь корпуса термостатическим элементом с уже заданной в заводских условиях температурой теплоносителя на выходе. Это значение остается постоянным на протяжении всего срока службы.


| Автономный смесительный трехходовой клапан | |
| Плюсы | Минусы |
| Низкая цена | Необходимость подбора клапана под температурный режим обратки теплогенератора |
| Контроль температурного режима теплоносителя | Нельзя изменить установленный заводом-изготовителем температурный режим |
Для ручного управления шток снабжается вентилем или поворотной ручкой и панелью управления с отметками, в соответствии с которыми регулируется тепловой режим.


| Смесительный трехходовой клапан ручного управления | |
| Плюсы | Минусы |
| Относительно низкая цена | Необходимость постоянного контроля со стороны человека, как следствие, затяжной характер реагирования на изменения условий окружающей среды |
| Контроль температурного режима теплоносителя | |
| Возможность изменения температурного режима в процессе эксплуатации | Неравномерное прогревание отопительного контура |
Трехходовой термостатический клапан с терморегулятором оборудован термостатом, наполненным жидкой или газовой средой, реагирующей на малейшие колебания температуры теплоносителя.
Как только теплоноситель нагревается до заданной температуры, за счет расширения реагента автоматически активизируется поршневая система термоклапана и перекрывается патрубок с горячим потокам.
Трехходовые клапаны с терморегулятором могут быть механическими и электронными. Достоинство механических моделей в их абсолютной автономности. Электронные же требуют подключения к сети электропитания или питаются от батареек.
Однако этот недостаток сглаживается полной автоматизацией процесса, удобством настройки и расширенным функционалом – автоматическое изменение температурного режима по времени суток, дням недели и пр.


| Смесительный трехходовой клапан с терморегулятором | |
| Плюсы | Минусы |
| Автоматический контроль температурного режима теплоносителя | Высокая цена |
| Возможность изменить температурный режим | Требуется предельно четкая настройка, ошибки в выставленных параметрах дают небольшую погрешность в работе системы |
| Равномерное прогревание отопительного контура | |
Трехходовые термоклапаны с электроприводом управляются за счет электронного блока управления, работающего на сервоприводе. Выход температурного режима теплоносителя за пределы установленных значений фиксируется установленным в модуль термостатом, который сигнализирует об этом контроллеру. Тот передает команду на привод, регулируя поток холодного или горячего теплоносителя в системе.
При этом ни один из патрубков полностью, как правило, не перекрывается, а регулируется лишь объем подаваемого охлажденного и горячего теплоносителя.


| Смесительный трехходовой клапан с электроприводом | |
| Плюсы | Минусы |
| Автоматический контроль температурного режима теплоносителя | Высокая цена |
| Возможность изменения температурного режима | Повышенный расход электроэнергии |
| Точная регулировка температуры потока теплоносителя | Увеличенный расход теплоносителя |
| Равномерное прогревание отопительного контура | |
Срок службы трехходовых клапанов
Наиважнейшие факторы, влияющие на срок службы трехходового:
- Материал, из которого он изготовлен.
- Соответствие предписанным изготовителем условиям эксплуатации – температурному режиму и качеству теплоносителя.
- Интенсивность эксплуатации.
- Качество монтажа.
В среднем производители дают гарантию на свою продукцию в диапазоне от 5 до 7 лет, это значит, что трехходовой клапан с легкостью может проработать и в 2 раза дольше. А вот гарантия на пластиковые модели не превышает 1 года.
Самой надежной всегда признавалась арматура с ручной системой управления. Электронные и термостатические датчики гораздо быстрее выходят из строя, чем сам клапан, и требуют ремонта или полной замены.


Как выбирать трехходовой клапан
Ассортимент трехходовых термоклапанов крайне широк. Как подобрать модель, чтобы она подходила техническим характеристикам отопительной системы дома? Обращают внимание на такие параметры:
- Вид затворного механизма – поворотный или седельный. Последний обеспечивает более плотное примыкание затвора и точнее регулирует напор даже в условиях высоких температур и перепадов давления.
- Тип управления. Он может быть автономным, ручным, термостатическим и электрическим. Электрические сервоприводные модели больше всего подходят для водного теплого пола.
- Сфера использования. Горячее водоснабжение, отопление – радиаторное или теплый пол. Для ГВС – разделительные, для отопительных контуров – смесительные.
- Материал клапана. Латунная и медная арматура служит гораздо дольше.
- Диаметр труб, к которым будет подсоединяться термоклапан.
- Способ соединения – резьбовой или фланцевый. При сечении свыше 65 мм обычно устанавливаются фланцевые модели.
Дальше следует опираться на данные теплового и гидравлического расчета отопительного контура и конкретно того участка, где планируется установка трехходового клапана:
- Давление.
- Максимальная температура теплоносителя в месте монтажа клапана.
- Средний расход воды (м³ на 1 час).
Эти данные обязательно должны совпадать с маркировкой на самом клапане или информацией в сопроводительной документации к изделию.
На заметку! Не стоит путать трехходовой термосмесительный клапан с аналогичным краном. Несмотря на схожую конструкцию и принцип действия, разница в системе управления существенна. Для сложных систем отопления лучше использовать именно клапан, а для небольших и максимально простых вполне подойдет и управляемый вручную кран.
Популярные производители трехходовых клапанов
Среди многочисленных производителей трехходовых термоклапанов я бы выделила следующую пятерку лидеров. Они специализируются на производстве инженерной сантехники, термостатического оборудования и активно внедряют новейшие энергоэффективные технологии:
- ESBE (Швеция).
- IMI-HEIMEIER (холдинг, включающий в себя 3 производственных комплекса).
- Danfoss (Германия).
- HERZ (Австрия).
- Valtec (Италия, Россия).
Valtec – специальный проект, производство адаптированной к российским реалиям разнообразной инженерной сантехники. Особенный плюс – приемлемая цена и большой срок гарантии на продукцию.
Сколько стоят трехходовые клапаны
Стоимость устройства складывается из множества аспектов – материала, из которого они произведены, технической оснащенности, репутации бренда. Стоит ли за нее переплачивать, решать вам.
Правила монтажа трехходовых клапанов
Чтобы потребитель не мучился вопросом, как правильно установить трехходовой термосмесительный клапан, производитель снабжает свою продукцию тщательно проработанной инструкцией и наносит на каждое изделие специальную маркировку, помогающую безошибочно определить направление потоков:
- Патрубок, обозначенный литерой «А», так называемый «прямой ход», предназначен для подсоединения к трубе с горячим теплоносителем.
- Патрубок с литерой «В» («байпасный ход») соединяется с трубой, подающей охлажденную воду.
- Патрубок с обозначением «АВ» (ход с постоянным гидравлическим режимом) подсоединяется к основной транспортной магистрали, предназначенной для транспортировки уже смешанного теплоносителя.
Место трехходового клапана в отопительном контуре
Для начала рассмотрим общие схемы подключения к отопительному контуру. Упрощенно их можно представить так:


Как видно из схемы, трехходовые термоклапаны могут устанавливаться как на тепловой ветке, идущей непосредственно от котла, так и на обратке. Однако это вовсе не значит, что так может устанавливаться абсолютно любой клапан. Возможности того или иного оборудования определяет допустимый тепловой режим, указанный изготовителем в техпаспорте.
Ниже представлена более сложная схема, позволяющая полностью автоматизировать работу системы отопления:


При установке следует соблюдать следующие правила:
- Перед клапаном должны быть установлены: манометр, фильтр, дроссельная диафрагма (шайба).
- После термоклапана устанавливается еще один манометр.
- Перед клапаном желательно выдержать прямой участок трубы, равный 5 ее номинальным диаметрам, за термоклапаном длина прямого участка должна быть не менее 10 номинальных диаметров трубы.
- В сложноконтурных или излишне длинных отопительных магистралях проблему низкого давления решают установкой циркуляционного насоса.
- На горизонтальных участках сам клапан размещается таким образом, чтобы электропривод, термостатическая вставка или терморегулятор располагались над ним.
- Резьбовые соединения стыкуются с применением льняного волокна, уложенного на резьбу в 2-3 слоя, и герметика.
- В процессе закручивания следует избегать излишних усилий на сопрягаемые элементы, не допускается их растяжение, сжатие или изгиб.
Место трехходового клапана в системах водоснабжения
Представленная ниже схема монтажа трехходового клапана доступно иллюстрирует принцип его обвязки с водонагревателем и варианты установки в напорных и безнапорных системах водоснабжения:


Частые ошибки и проблемы при установке трехходового клапана
- Неверное подсоединение патрубков ведет к общему сбою системы отопления – перегреву котла, холодным радиаторам и т.д.
- Несоблюдение рекомендуемых длин горизонтальных участков и углов наклона магистрали могут провоцировать образование воздушной пробки в приборе, его заклиниванию.
- Пренебрежение установкой фильтрующего элемента приводит к заклиниванию затворного механизма и его быстрому износу.
Советы специалистов
При определенном подходе трехходовой термоклапан можно заменить конструкцией из двух двухходовых клапанов, настроенных на реверсивный режим работы: при открытии одного второй автоматически должен закрываться.
Заключение
Как видите, сделать отопление энергоэффективным нетрудно. А смонтировать клапан своими руками, опираясь на рекомендации изготовителя, может каждый, кто умеет орудовать гаечным ключом. Если же собственных навыков недостаточно, всегда можно обратиться за помощью к специалистам.
Удачи вам! И не забывайте подписываться на рассылку и делиться полезностями со своими друзьями и знакомыми в соцсетях. До новых встреч!

Загрузка…Трехходовой клапан для отопления с терморегулятором имеет такую форму, которая напоминает тройник, отсюда и название. Функции же у него совсем другие, он поддерживает в доме комфортный тепловой баланс и равномерно распределяет тепло по всему помещению.
Трехходовой клапан особенно применяется для водяного теплого пола. Обычно температуры в радиаторе подогрева и пола не совпадают, для регулирования этого процесса и применяют устройство.
В данной статье мы поговорим об трехходовом клапане, его устройстве, установке, принципе работы и разновидностях. Применение такого агрегата просто необходимо в системе ГВС.

Устройство трехходового клапана
Конструктивно он представляет два соединенных двухходовых крана в одном корпусе. Но в отличие от них полностью водяной поток горячей воды не перекрывается, а регулируется интенсивность его прохождения. За счет этого меняется температура горячей воды.

- Основные детали клапана:
- корпус;
- шток с запорной шайбой или металлический шарик;
- гайки крепления (муфты).
Клапаны со штоком позволяют автоматизировать управление посредством электромеханического привода. Это позволяет автоматически регулировать температуру воды. Шариковый клапан по принципу действия можно сравнить со смесителем на кухне. Они используются только в клапанах с ручным управлением.
Примите к сведению: выбирая кран, следует обратить внимание на материал, из которого сделан корпус. Латунный более легкий и долговечный в сравнении с чугунным.Чтобы разобраться, из чего состоит и как работает термосмесительный трехходовой кран самого распространенного седельного типа, следует изучить представленную ниже схему.
Внутри латунного корпуса с тремя патрубками методом литья устроены 3 камеры, проходы между которыми перекрываются тарельчатыми клапанами. Они закреплены на одной оси – штоке, выходящем из корпуса с четвертой стороны.

Виды
- Они различаются по способу управления. Условно можно поделить на клапаны:
- с ручным управлением;
- с термоголовкой;
- с электроприводом;
- гидравлические;
- пневматические.
В частном доме наиболее приемлемым будет клапан с электроприводом. Установленные внутри датчики выдают команду через контроллер на привод, если изменяются контролируемые параметры воды.
В результате становится теплее, или наоборот, прохладнее. Термосмесительный эффект происходит автоматически. При этом не важно, какой котел установлен в системе – газовый или твердотопливный.
Если нет возможности в системе отопления установить регулируемый клапан, то лучшим решением в этом случае станет клапан с термоголовкой.
Установка трехходового клапана в системе отопления
Термостатический смеситель устанавливают в систему отопления в смесительном узле при одно – или многоконтурном распределении тепла. Таких контуров может быть несколько. Принципиальная схема не изменится. Добавятся лишь новые элементы.
Например, смесительный узел. Наличие дополнительного контура распределения теплоносителя является его главной отличительной особенностью. Зачем он нужен? Для подключения дополнительных теплопотребителей. Например, теплого пола.
При выполнении монтажных работ по установке клапана необходимо помнить, что он устанавливается перед насосом системы. От соблюдения этого требования зависит работоспособность всей системы.
Во время врезания клапана нужно следить, чтобы в него не попали отходы сварки (шлак, капли расплавленного металла). Так же необходимо предусмотреть возможность легкого снятия клапана в процессе его эксплуатации. Такое действие понадобится при периодической проверке его работоспособности.
Выбор
Чтобы правильно выбрать клапан нужно учитывать очень много различных нюансов.
- В первую очередь:
- количество контуров в отопительной системе;
- конструктивная особенность управления клапаном;
- диаметр входного патрубка;
- пропускная способность трубопроводов системы отопления;
- материал, из которого изготовлен клапан.
С количеством контуров системы отопления легко разобраться самостоятельно. С остальными моментами выбора все обстоит намного сложнее. Чтобы узнать, как устроен и работает трехходовой клапан, достаточно вникнуть в этот вопрос.
А для того, чтобы правильно определить даже его размеры, необходимо иметь понятие в термодинамике.
По своей сути 3-ходовой клапан является вентилем с термостатической головкой. При автоматизированном приводе управления он в состоянии распределять потоки горячей воды в нужном направлении и в необходимом количестве.
Вентили с подобной задачей справиться не в состоянии, что говорит о необходимости наличия трехходового клапана в системе отопления. Используя клапан в системе отпадает необходимость придумывать какой-то выносной пульт управления ею. Все делается без участия человека.
Как работает трехходовой клапан в системе отопления

Принцип работы клапана заключается в смешивании потоков воды с разной температурой. Для чего это нужно делать? Если не вдаваться в технические подробности, можно ответить так: для продления срока службы отопительного котла и его более экономичной работы.
Трехходовой клапан смешивает нагретую воду с остывшей после прохождения по отопительным приборам и направляет ее снова в котел для нагрева. На вопрос, какую воду нагреть быстрее и легче – холодную или горячую – в состоянии ответить каждый.
Одновременно со смешиванием клапан потоки еще и разделяет. Возникает естественное желание автоматизировать сам процесс управления. Для этого клапан оснащается термодатчиком с терморегулятором. В этом случае лучше всего здесь справляется электрический привод. От устройства привода зависит качество функционирования всей системы отопления.
- Такой клапан устанавливается в тех местах трубопровода, где необходимо разбить циркуляционный поток на два контура:
- С постоянным гидравлическим режимом.
- С переменным.
Обычно постоянный гидравлический поток используют потребители, для которых подается качественный теплоноситель определенного объема. Регулируется он в зависимости именно от качественных показателей.
Переменный поток потребляют те объекты, для которых качественные показатели не являются главными. Им важен количественный коэффициент. То есть для них регулировка подачи производится по требуемому количеству теплоносителя.
Есть в категории запорной арматуры и двухходовые аналоги. В чем отличие этих двух видов? Трехходовой клапан работает совершенно по-другому. В его конструкции шток не может перекрыть поток с постоянным гидравлическим режимом.
Он всегда открыт и настроен на определенный объем теплоносителя. А значит, потребители будут получать необходимый объем как в количественном, так и в качественном эквиваленте.
По сути, клапан не может перекрыть подачу на контур с постоянным гидравлическим потоком. А вот переменное направление он перекрывать способен, тем самым позволяя регулировать напор и расход.
Если совместить два двухходовых клапана, то получится трехходовая конструкция. При этом оба клапана должны работать реверсивно, то есть при закрытии первого обязательно открывается второй.
Виды трехходовых клапанов по принципу работы
- По принципу действия этот вид делится на два подвида:
- Смесительные.
- Разделительные.

Уже по названию можно понять, как работает каждый тип. У смесительного один выход и два входа. То есть он выполняет функцию смешивания двух потоков, что необходимо для понижения температуры теплоносителя. Кстати, для создания нужной температуры в системах теплых полов это идеальное устройство.
Регулировать температуру выходящего потолка достаточно просто. Для этого необходимо знать температуру двух входящих потоков и точно рассчитать пропорции каждого, чтобы на выходе получить требуемый температурный режим. Кстати, этот вид устройства, если его правильно установить и отрегулировать, может работать и по принципу разделения потоков.
Трехходовой кран разделительного действия разбивает основной поток на два. Поэтому у него два выхода и один вход. Этот прибор обычно используется для разделения горячей воды в системах горячего водоснабжения. Нередко специалисты устанавливают его в обвязках воздухонагревателей.
По внешнему виду оба устройства ничем не отличаются между собой. Но если рассмотреть их чертеж в разрезе, то есть одно различие, которое сразу же бросается в глаза. В смесительном приборе установлен шток с одним шаровым клапаном.
Он располагается в центре и перекрывает седло главного прохода. В разделительном таких клапанов два на одном штоке, и они устанавливаются в выходных патрубках. Принцип их действия таков — первый закрывает один проход, прижимаясь к седлу, а второй в это время открывается другой проход.
- Современный трехходовой кран делится на два типа по способу управления:
- Ручной.
- Электрический.
Чаще приходится сталкиваться с ручным вариантом, который похож на обычный шаровой кран, только с тремя патрубками — выходами. Электрические автоматические системы чаще всего используются для распределения тепла в частном домостроении.
К примеру, можно настроить температуру по комнатам, распределяя теплоноситель в зависимости от удаленности помещения от нагревательного котла. Или обеспечить совмещение с системой теплого пола. Большие по проходимости приборы устанавливают на теплопроводах между зданиями.
Как и любое устройство, трехходовой кран определяется по диаметру подводящей трубы и давлению теплоносителя. Отсюда и ГОСТ, который позволяет провести сертификацию. Несоблюдение ГОСТа является грубым нарушением, особенно, когда дело касается давления внутри трубопровода.
Схема теплого пола с трехходовым клапаном
Когда есть понимание, что такое трехходовой клапан и в чем состоит его работа, можно рассмотреть различные схемы подключения, зависящие от назначения и роли элемента в отоплении дома.
- Установка термосмесительного клапана производится в таких случаях:
- Для защиты твердотопливного котла от воздействия конденсата и температурного шока после внезапных отключений электроэнергии.
- Теплоноситель в контурах теплых полов должен прогреваться не более чем до 45 °С, что обеспечивается смесительным узлом с трехходовым краном.
- Для поддержания необходимой температуры теплоносителя в разных местах системы.
- Чтобы защитить тепловой агрегат на твердом топливе от образования конденсата, нельзя во время его разогрева допускать подачу в котловой бак остывшей воды из радиаторной сети.
Для этого используется следующая схема подключения котла с байпасом и трехходовым смесительным клапаном:

Схема работает так. Пока теплогенератор не прогрелся, вода циркулирует по малому кругу через байпас. При нагреве теплоносителя в обратке до 50—55 °С клапан начинает открываться и подмешивать холодный теплоноситель из системы. При выходе отопителя на рабочий режим байпас перекрывается и весь поток идет через радиаторы.
В системе теплых полов данный элемент выполняет те же функции. Циркуляционный насос гоняет теплоноситель по греющим контурам до тех пор, пока он не начнет остывать. Как только это произойдет, сработает датчик и термоголовка, после чего трехходовой клапан станет добавлять в замкнутый контур горячую воду, идущую от котла.
Как своими руками правильно выполнить монтаж коллектора теплых полов, насоса и клапана, показано на схеме:
Следующий пример использования и подключение этой важной детали – обвязка твердотопливного теплогенератора и буферной емкости, являющейся аккумулятором тепла.
Чтобы прогреть ее целиком достаточно быстро, температура подаваемого теплоносителя должна быть от 70 до 85 °С, каковая вовсе не нужна в системе радиаторного отопления. Понизить ее как раз и помогает трехходовой клапан, установленный за емкостью вместе с отдельным циркуляционным насосом.

Сложная отопительная система большого коттеджа может иметь множество потребителей, подключаемых посредством гидрострелки и распределительного коллектора.
Причем в каждый из контуров надо подать теплоноситель с разной температурой. Самая высокая нужна бойлеру косвенного нагрева, поэтому на подводке к нему регулирующей арматуры нет. Остальным потребителям нужен более холодный теплоноситель, а потому они подключены через трехходовые клапаны.

- В зависимости от направления потоков, термостатический клапан представлен двумя моделями:
- Т-образная или симметричная схема. При таком подключении вода – горячая и холодная входит через боковые отверстия, а после смешивания жидкость вытекает через центральный ход.
- L-образная или асимметричная схема. В таком случае горячая вода поступает с одного бока, а холодная – снизу. Впоследствии смешанный поток выходит из второго бокового хода.

Схема подключения трехходового смесительного клапана.
Устанавливается смесительный кран, оборудованный терморегулятором, если требуется обеспечить стабильную температуру теплоносителя.
- Рассматривая смесительный узел, можно выделить в нем следующие составные части:
- клапан обратный;
- датчик температурный;
- насос циркуляционный;
- смесительный трехходовой клапан.

Схема смесительного узла для теплого пола
Схема подключения включает циркуляционный насос, монтируемый на подачу. Затем устанавливается температурный датчик, необходимый для определения степени нагрева поступающей воды.
После этого идет термостатический клапан. На «обратку» монтируется обратный клапан с выходом, который присоединяется к трубе с циркулирующей охлажденной жидкостью, направляемой к смесительному клапану.
- При подобной схеме подключения теплоноситель движется по следующему маршруту:
- Закачивание горячей воды при помощи циркуляционного насоса в систему оборудуемого теплого пола. Температура теплоносителя может достигать 80°С.
- Смешивание с холодной водой при прохождении трехходового клапана. В результате достигается нужная температура.
- Распределение теплоносителя по трубам теплого пола.
- Возвращение остывшей воды в «обратку», откуда она забирается в трехходовой клапан для последующего смешивания с горячей жидкостью.
При подобном подключении регулирование степени нагрева поступающей в водяной контур воды осуществляет температурный датчик. Есть и другие способы управления. Самый неэффективный – это ручной метод, когда требуется изменять поступление потоков поворотом рукоятки.
Есть вариант управления при помощи сервопривода, команды на который поступают от контроллера сообразно сигналам, поступающим от датчиков.

Схема узлов на основе трехходового смесительного и термостатического клапанов для теплых полов.
Термостатический кран при оборудовании водяного теплого пола играет важную роль. Не допуская перегревания поступающего в трубы теплоносителя, он позволяет экономить топливо. Кроме этого, обеспечивается безопасность при эксплуатации достаточно сложной системы обогрева и продляется срок безаварийной службы.
Схема установки разделяющего трёхходового клапана
Обеспечивает количественное регулирование у потребителя — за счёт изменения расхода теплоносителя. Применяется, если по условиям эксплуатации источника тепла допускается перепуск теплоносителя в обратный трубопровод и не допускается прекращение циркуляции в контуре источника.
Данная схема установки трёхходового клапана, получила широкое применение в узлах нагрева воды и воздуха, подключённых от автономной котельной. Для увязки гидравлических контуров, потери напора на балансировочном клапане в байпасной линии, должны равняться потерям напора у потребителя.
Данная схема установки трёхходового клапана предназначена для подключения к трубопроводу с избыточным напором. Циркуляция теплоносителя в контуре потребителя обеспечивается за счёт избыточного напора, созданного циркуляционным насосом в контуре источника тепла.

Схема установки разделяющего трёхходового клапана
Схемы установки смешивающего трёхходового клапана на разделение
Обеспечивает количественное регулирование у потребителя с использованием смесительного трёхходового клапана. Применяется если по условиям эксплуатации не допускается прекращение расхода в контуре источника, а перепуск теплоносителя из подающего трубопровода в обратный — допустим.
Подобные схемы подключения трёхходовых клапанов получили широкое распространение в обвязке воздухонагревателей и воздухоохладителей, а также в узлах подогрева воды установленных в автономных котельных.
На подмешивающем патрубке трёхходового клапана рекомендуется установить балансировочный клапан с гидравлическим сопротивлением равным, сопротивлению потребителя. Циркуляция через потребителя и байпас осуществляется за счёт избыточного напора в контуре источника.
При правильном подборе клапана и гидравлической увязке байпаса с контуром потребителя, расход через источник тепла постоянный, а в контуре потребителя — переменный.

Схема подключения смешивающего трёхходового клапана для разделения потока, к напорному коллектору
Так как, поток воды движется в направлении противоположном направлению потока в смешивающем клапане, на некоторых клапанах возможно увеличение шума и вибрации, а также снижение допустимого перепада давлений на клапане.
Схема установки смешивающего трёхходового клапана для разделения к гидравлической стрелке При подключении узла с разделяющим трёхходовым клапаном к источнику тепла непосредственно или безнапорному коллектору, в подающем или обратном трубопроводе необходимо установить циркуляционный насос. Насос может быть общим для нескольких контуров.

Схему подключения трёхходового клапана, разделяющего поток, с дополнительным байпасом в контуре потребителя, параллельным подмешивающей линии, используют при условии превышения температурного режима источника над температурным режимом потребителя.
Особенность данной схемы в том, что расходы в контуре источника и потребителя будут постоянными, а к потребителю не поступит перегретый теплоноситель. У потребителя будет обеспечено качественное регулирование. Для работы данной схемы необходима установка насоса в контуре потребителя и в контуре источника.

Трехходовой смесительный клапан с термоголовкой
Клапан с терморегулятором гарантирует практичность и эффективность функционирования системы. Трехходовые клапаны для отопления призваны регулировать тепловой поток, что обеспечивает комфорт в помещении и экономичность использования.

Прежде чем приступать к проектировке отопительной системы, производится тепловой расчет. На основе его результатов выбирается подходящая мощность и тип отопительных приборов, способных поддерживать оптимальный температурный режим в помещении.
В расчет берется площадь помещения, после чего анализируют возможные теплопотери. Исходя из этого, рассчитывается производительность отопительной системы, необходимая для создания в комнатах комфортного микроклимата. После чего для всех помещений составляется тепловой баланс.
Однако, данные расчеты производятся при конкретных условиях, которые могут меняться в процессе эксплуатации.
- Факторы, влияющие на работу радиатора, различны:
- температурные перепады на улице;
- солнечная активность;
- сила ветра;
- наличие бытовых приборов, генерирующих тепло.
В результате, просчитанный температурный баланс нарушается, и в помещении становится жарко. Однако, изъять из комнаты части радиатора или заглушить тепловое излучение невозможно. Таким образом, возникает необходимость управлять генерируемой тепловыми приборами энергией, чтобы поддерживать в помещении комфортный микроклимат.
- Есть два пути регулировки выделяемой радиатором энергии:
- Качественное изменение свойств радиатора.
- Количественное регулирование выделяемого тепла.
- В обоих случаях необходимы манипуляции с циркулирующей по трубам жидкостью.
В случае, когда вы не можете повлиять на температуру воды, поступающей к радиатору, можно регулировать ее количество. Для этого и необходимо купить трехходовые клапаны для отопления с терморегулятором.
Эти устройства позволяют ограничить количество воды, проходящей через радиатор, и в результате при одной и той же площади батареи в комнату будет поступать больше или меньше тепла, разумеется, в пределах, ограниченных мощностью системы.

Устройство трехходового смесительного клапана с термостатом
Трехходовой клапан для отопительной системы и регулятор температуры, устанавливаемый на радиаторе, могут использоваться по отдельности, однако в автономных отопительных системах современных квартир и частных коттеджей зачастую применяют комбинированный способ для повышения эффективности.
Таким образом, целесообразна покупка трехходового клапана для отопления с терморегулятором.
Важно учитывать, что принцип работы трехходового смесительного клапана позволяет повышать или понижать температуру радиатора лишь в установленных границах. Пределы эти продиктованы техническими характеристиками теплового прибора, а именно, значением его максимальной теплоотдачи, и зависят от каждого конкретного радиатора.
Сервопривод для трехходового клапана
Сервопривод — это электродвигатель, управляемый через отрицательную обратную связь. В данном случае отрицательной обратной связью будет датчик угла поворота вала, который прекращает движение вала при достижении нужного угла.
Для наглядности рассмотрим устройство сервопривода по рисунку:

- Как видно, внутри сервопривода расположены следующие составные части:
- Электрический мотор.
- Редуктор, состоящий из нескольких шестеренок.
- Выходной вал, которым привод вращает клапан или другое устройство.
- Потенциометр — эта та самая отрицательная обратная связь, с помощью которой осуществляется управление углом поворота вала.
- Управляющая электроника, которая расположена на печатной плате.
- Провод, по которому подводятся напряжение питания (220 или 24 В) и управляющий сигнал.
Давайте теперь подробно остановимся на управляющем сигнале. Сервопривод управляется импульсным сигналом с изменяемой шириной импульса. Для тех кто не знает о чем идет речь, привожу еще одну картинку:

То есть ширина импульса (по времени) определяет величину угла поворота вала. Настройка таких управляющих сигналов дело нетривиальное и зависит от конкретного привода. Количество управляющих сигналов зависит от того, сколько положений может занимать выходной вал.
Сервопривод может быть двухпозиционным (2 управляющих сигнала), трехпозиционным (3 управляющих сигнала) и так далее.
Клапан трехходовой регулирующий с электроприводом

В качестве электрического привода трехходовых регулирующих кранов с электроприводом выступают различные элементы.
- Существует две разновидности:
- трехходовые краны для отопления с электроприводом в виде электрического магнита;
- трехходовые клапаны с сервоприводом на базе электрического мотора.
Исполнительный механизм получает команду прямиком от температурных датчиков или от управляющего контроллера. Модели трехходовых кранов для отопления с электроприводом наиболее эффективны, так как позволяют обеспечивать максимально точную регулировку тепловых потоков.
Трёхходовой регулирующий клапан — предназначен для смешения или разделения потока теплоносителя, поэтому их ещё называют смесительными и разделительными клапанами. Трёхходовые регулирующие клапаны имеют три патрубка для присоединения к трубопроводу.
Наиболее широкое распространение получили в системах теплоснабжения подключённых от автономных котельных, в которых нет необходимости в ограничении расхода при сохранении коэффициента смешения.
Они устанавливаются для управления теплоотдачей калориферов системы вентиляции, теплообменных аппаратов систем горячего водоснабжения и отопления подключённых по независимой схеме, управления процессом смешения в системах отопления с зависимым подключением в котельной.
Трёхходовой клапан с электроприводом — это трубопроводная арматура, предназначенная для качественного и количественного регулирования. Трёхходовые клапаны выполняют функцию исполнительного устройства в схемах автоматизации систем теплоснабжения зданий.
Управляют клапаном с помощью электропривода, по сигналу электронного регулятора, либо от центральной системы диспетчеризации. Работа трёхходового клапана основана на создании в циркуляционном кольце контуров с постоянным и переменным гидравлическим режимом, за счёт разделения одного потока или смешения двух потоков теплоносителя.
Вне зависимости от положения штока в трехходовом клапане, циркуляция не прекращается, поэтому такой тип устройства не годится для уменьшения расхода теплоносителя. В этом основное отличие шарового трехходового крана с электроприводом от двухходовых кранов, регуляторов и других устройств.
Данный клапан предназначен для смешивания или разделения, распределения потоков. Разделительный клапан регулирует количество воды, пуская часть жидкости по байпасному пути вместо прямого. Два патрубка устройства служат для выхода, а один – для входа.
Принцип действия трехходового смесительного клапана с термоголовкой основан на подмешивании к горячему теплоносителю более холодного или к холодному более горячего. В результате качественная характеристика, а именно температура теплового потока изменяется, при этом уровень этого изменения зависит от установленной пропорции соединяемых струй.
Два порта для входа и один для выхода могут также выполнять разделительную функцию. Такие клапаны могут использоваться в различных съемах.
Часто актуально использование трехходовых клапанов для твердотопливных котлов, в камере которых выпадает конденсат в начале топки. В таком случае клапан помогает временно отсечь холодную воду, а по короткому контуру пустить часть нагретой жидкости.
Автор:Сергей Владимирович, инженер-электрик.
Подробнее об авторе.
Трехходовые клапаны имеют также и другие полезные функции, о которых мы расскажем в данной статье. Вначале нужно рассмотреть вопрос «как работает трехходовой клапан» и разобраться в его внутреннем устройстве.

Содержание статьи:
- Разновидность трехходовых клапанов
- Устройство и принцип работы
- Использование приводов
- Схемы подключения клапана до системы отопления
Разновидность трехходовых клапанов в системе отопления
Трехходовые клапаны для отопления делятся на три вида по устройству и принципу работы:
Смесительные клапаны выполняют функцию смешивания двух потоков теплоносителя, которые имеют разную температуру.
Разделительные клапаны разделяют поток теплоносителя на два отопительных контура.
Переключающие клапаны предназначены для переключения потока теплоносителя между двумя линиями. Распознать данные клапаны внешне нетрудно, обычно принцип работы устройства изображен на корпусе смотрите на рисунке 1. Вот такой имеет вид трехходовой смесительный клапан:
Рисунок 1

Похожее значение также есть на разделительном приборе, а на переключающих устройствах изображение может и не быть, но есть значительные внешние отличия по форме. изображение смотрите ниже.
Рисунок 2

С помощью смешивания или разделения потоков теплоносителя достигается эффект оптимальной для Вас температуры теплоносителя, которые поддается на разные контуры, например, радиаторное отопление и контур теплого пола.
Переключающие клапаны применяются в газовых двухконтурных котлах, когда требуется нагретый теплоноситель поочередно направлять в разные теплообменники.Приспособление и принцип работы
Для того чтобы разобраться из чего состоит смесительный трехходовой клапан и как он работает нужно изучить схему, которая находится ниже. Внутри корпуса с тремя патрубками оснащены три камеры, проходы между которыми перекрываются терельчатыми клапанами. Они зафиксированы на одной оси – штоке, выходящем из корпуса с четвертой стороны.
Принцип действия такой: при нажатии на шток, он начнет открывать проход для одного потока и постепенно закрывать для другого. Итог будет такой: теплоноситель в камере смешивания клапана получится еобходимой температуры и будет выходить через третий патрубок. Регулировка силы нажатия на шток осуществляется 90000 Learn More About HVAC Three-Way Valves 90001 90002 There are two types of three-way valves used in the HVAC industry: Mixing Valves and Diverting Valves. In order to prevent any misunderstanding due to terminology, we will consider mixing valves to have two inlets and one outlet, and diverting valves to have one inlet and two outlets. 90003 90002 90003 90002 Figure 1. 90003 90002 Many people will call all three-way valves mixing valves. Three-way valves can also be referred to as bypass valves, constant flow valves, and many other terms.90003 90010 90011 90012 90013 90002 Note: Improper use of one for the other will cause chattering, water hammer, vibration, and damage to the system. 90003 90016 90017 90018 90019 90002 Mixing valves are more commonly used in the HVAC field. Mixing valves make good modulating valves although they can be used like two-position valves, taking the full flow from one or the other inlet to the common outlet. 90003 90002 Diverting valves are usually used as two-position. The flow is totally diverted either one way or the other.Generally speaking, diverting valves do not make good modulating valves, although some valve manufacturers are putting characterized plugs into three-way diverting valves so they can be used to modulate. Valve manufacturers normally specify in their catalogs if a valve is for mixing or diverting service. 90003 90002 Once the determination has been made as to what three-way valve you’re dealing with, mixing or diverting, modulating or two-position, the selection should proceed much like two-way valves.Find the CV factor. As before, you need to know full flow rate and DP. 90003 90002 Three-way valves are used in many closed-system applications. Examples include: 90003 90002 1. Flow temperature variation 90003 90002 2. Flow volume variation 90003 90002 3. Primary / secondary pumping systems 90003 90002 4. Two / four pipe distribution systems 90003 90002 There are no «rule of thumb» ways to determine flow rate or available pressure for a three-way valve. All the specifications must be known to determine the flow rate for a three-way valve.90003 90002 90003 90002 Figure 2. 90003 90002 Figure 2 shows a three-way valve varying the temperature of the flow. Notice the amount of water to the system (shown here as a coil) does not change. In this case, a low DP is desired. Use 20% of the available pressure. In this example, 20 psi is available. 4 psi would be the DP to use to find a CV. 90003 90002 90003 90002 Figure 3. 90003 90002 In Figure 3, we are varying the amount of flow through the coil. In this application, a high DP across the valve is desirable.Use 50% of available pressure, 5 psi minimum if possible. In the example, 18 psi is available, so 9 psi is the DP to use to find the CV. If the available pressure fell below 10 psi, say 8 psi, use 5 psi as DP. 90003 90002 As in two-way valves, if the three-way valve selected is less than line size, do not forget the FP factor. Resize the valve applying the FP factor to find the new CV. 90003 90002 For three-way valves used in chilled water-hot water, summer-winter changeover, mixing two-position or diverting, use a line size valve.This is a low DP application. Full flow is desired. 90003 90002 To find the static pressure a valve must be rated for, the following formula is used: 90003 90002 90057 90003 90002 Static Pressure Rating (in psig) = [(HFP + HT) + (HP — HF)] / 2.31 90057 90003 90002 Where HFP = Fill pressure at low point of system in feet of water. 90003 90002 HT = Distance of valve above low point of system. 90003 90002 HP = Total pump head in feet of water. 90003 90002 And HF = Friction loss in piping between valve and pump in feet of water.90003 90002 Unfortunately, not all of the information may be known to solve the Static Head Pressure Rating (SHPR). A method can be used to determine an approximation of the SHPR. Take the fill pressure and add the pump head pressure of the largest pump in the system. 90071 90072 Make sure the valve body static pressure rating equals or exceeds that sum. 90073 90074 You do need those two pieces of information. 90003 90002 Close-off pressure ratings for three-way valves in a closed loop must equal or exceed the total pressure difference that can occur across either port when that port is closed.90003 90002 90003 90002 Figure 4. 90003 90002 In Figure 4, the maximum pressure the valve would have to close-off against would be equal to the sum of the pressure drops in the coil, coil pumping legs, and the valve with full flow from B to AB. This is because when there is no flow through the bypass, X to A, the pressures at X and A are the same. The maximum DP the valve must close off against is equal only to the DP from X to whichever circuit (A or B) has the highest resistance to maximum flow plus the pressure drop through the valve.90003 90002 90003 90002 Figure 5. 90003 90002 In Figure 5, the situation is the same. The valve must close off against the highest pressure drop from X to AB. Unfortunately in the real world of valve sizing, the DP’s necessary to check a three-way valve’s close off pressure is almost never known. Usually, one might even say luckily, the valve selected by flow rate and DP will have close off ratings high enough to work. 90003 90002 Three-way valves used on cooling towers present special problems.We are no longer dealing with closed loops, but open loops. Open loop systems are systems open to the atmosphere in some portion of the system. 90003 90002 When the condenser is at the same level or above the cooling tower, a three-way diverting valve is recommended in the bypass section. A three-way mixing valve is not recommended at point A, since it would be on the pump suction side and create vacuum conditions rather than maintain atmospheric pressures. See Figure 6. 90003 90002 90003 90002 Figure 6.90003 90002 When the condenser is below the level of the cooling tower a bypass using a two-way valve is recommended. 90003 90002 The DP from A to B at full flow should equal the head C-D. See Figure 7. 90003 90002 90003 90002 Figure 7. 90003 .90000 When to use 2-way valve and 3-way valve in HVAC system? 90001 90002 This is how we look to the the story: 90003 90004 90005 2Way Valve: 90006 90005 2Way (Or2 Ports) Valve is passing the water in one direction only. so if the valve is fully close it will trap the water before it. 90008 90005 this will lead to a pressure increase in this branch 90008 90011 90008 90005 3 Way Valve: 90008 90015 90006 90005 3Way (Or3 ports) Valve is passing the water in2 directions. 90008 90005 so if the valve is fully open the full amount of water will be moving in one direction, if it closed the water will pass to the other direction, if the valve is partially open then percent of the water will flow through direction1 and the remaining will pass through the other (for Diverting Valve which installed in the supply line).90008 90005 In another cases if we install the valve in the return line so if the valve is open water will flow through the unit (Cooling coil as example) then pass through main direction. if the valve is close the water will by pass the unit and then flow through the other direction through the valve (Mixing Valve which installed in the Return line). 90008 90005 this will not cause the pressure rising. 90008 90011 90002 Why we use the2 way valve? when you use the2 way valves in HVAC system in all the equipments in your building this means that you will not need all the chilled water to go through your system all the time if you do not need much cooling.so you will be able to reduce the speed of the secondary pumps of your system. this will lead to a huge energy saving in the running cost of your building (depend on the number of Pumps and thier sizes). Also you will be able to reduce the size of your pumps. But in this case you have to use Variable Speed Pumps. Also you should have2 sets of Pumps, One set constant with Speed for Chillers and another set to serve the building. ans also By Pass Valve to gurantee the min flow of the chillers. Otherwise you can use one set with a variable flow chillers.This has to be a decision in the mechanical design stage depend on the cost calculation of the project. 90003 90002 Bottom line is: 90003 90002 use the2 way Valve in the system that can withstand the variable water flow 90003 90002 use the3 way valve in the systems that needs a constant water flow. 90003 .90000 three-way valve — Translation into French — examples English 90001 90002 90003 These examples may contain rude words based on your search. 90004 90002 90003 These examples may contain colloquial words based on your search. 90004 90002 90009 three-way valve 90010 and filtration unit for swimming pools 90004 90002 the invention relates to a 90009 three-way valve 90010 90004 90002 A 90009 three-way valve 90010 communicates with the dosing module.90004 90002 Linear motor actuator for a 90009 three-way valve 90010 90004 90002 or to a high-pressure source via a 90009 three-way valve 90010 means 90004 90002 The 90009 three-way valve 90010 is in fluid communication with a reservoir containing a coating solution. 90004 Ladite 90009 valve à trois voies 90010 est en communication fluidique avec un réservoir contenant une solution de revêtement.90002 90009 three-way valve 90010 of accumulator distributing type fuel injection pump 90004 90009 soupape à trois voies 90010 destiné à une pompe à injection de carburant du type à distribution par accumulateur 90002 , The first outlet of the 90009 three-way valve 90010 90004 90002 the temperature control device has a proportional 90009 three-way valve 90010 90004 90002 is mounted in a branch connected with the 90009 three-way valve 90010 90004 90002 double acting pneumatic 90009 three-way valve 90010 for handling coating solution 90004 90009 valve à trois voies 90010 pneumatique à double action pour la manipulation d’une solution de revêtement 90002 A 90009 three-way valve 90010 installed in-line between a probe and its transfer line.90004 Une 90009 vanne à trois voies 90010 qui doit être installée en ligne entre la sonde et la ligne de transfert. 90002 connecting with the third end of the 90009 three-way valve 90010; hydraulic motor 90004 90002 Control module may receive information indicating, or for determining, at least one property of the working fluid that’s exiting the superheater and / or entering into the 90009 three-way valve 90010.90004 Un module de commande peut recevoir des informations indiquant, ou servant à déterminer, au moins une propriété du fluide de travail qui sort du surchauffeur et / ou entre dans la 90009 soupape à trois voies 90010. 90002 a microprocessor based 90009 three-way valve 90010 is utilized for modulating the oil pressures 90004 une 90009 vanne à trois voies 90010 basée sur un microprocesseur est utilisée pour moduler les pressions d’huile 90002 90009 three-way valve 90010 comprising an integrated bypass valve 90004 90002 The pipe body has three inlets / outlets connected to the respective openings, and a 90009 three-way valve 90010 connection portion formed at one side thereof.90004 Le corps de canalisation a trois entrées / sorties reliées aux ouvertures respectives, et une partie de raccordement de 90009 valve à trois voies 90010 formée sur un côté. 90002 The thermosensor is arranged after the outlet (5) of the 90009 three-way valve 90010. 90004 90002 of the boiler is provided with a 90009 three-way valve 90010 90004 90002 is dropped by one stage and then a 90009 three-way valve 90010 90004 .90000 Quick connection hose with switch Three way valve PE plastic water pipe quick connect ball valve | | 90001 90002 * * * * * * * * * * * * * * * * * * * * * * * * * * * * * * * * * * * * * * * * * * * * * * * * * * * * * * * * * * * * * * * * * * * * * * * * 90003 90002 1. WORLDWIDE SHIPPING. (Except some countries and APO or FPO) 90003 90002 2. Orders processed timely after the payment verification. 90003 90002 3. We only ship to confirmed order addresses. Your order address MUST MATCH your Shipping address.90003 90002 4. The images shown are not the actual item and are for your reference only. 90003 90002 5. SERVICE TRANSIT TIME is provided by the carrier and excludes weekends and holidays. Transit times 90003 90002 may vary, particularly during the holiday season. 90003 90002 6. If you have not received your shipment within 30 days from payment, please contact us. We will track the 90003 90002 shipment and get back to you as soon as possible with a reply. Our goal is customer satisfaction! 90003 90002 7.Due to stock status and time differences, we will choose to ship your item from our first available warehouse 90003 90002 for fast delivery. 90003 90002 8. Brazil national choose EMS, the payment after successful please provide a CPF NO. Or message to us 90003 90002 90027 Payment 90028 90003 90002 * * * * * * * * * * * * * * * * * * * * * * * * * * * * * * * * * * * * * * * * * * * * * * * * * * * * * * * * * * * * * * * * * * * * * * * * 90003 90002 1) We accept Alipay, West Union, T / T.All major credit cards are accepted through secure payment 90003 90002 processor ESCROW. 90003 90002 2) Payment must be made within 3 days of order. 90003 90002 3) If you can not checkout immediately after auction close, please wait for a few minutes and retry 90003 90002 Payments must be completed within 3 days. 90003 90002 4) If payment is not successful or credit card, please exit from the new payment system, payment or 90003 90002 restart the computer, or contact us on.90003 90002 90027 Guarantee 90028 90003 90002 * * * * * * * * * * * * * * * * * * * * * * * * * * * * * * * * * * * * * * * * * * * * * * * * * * * * * * * * * * * * * * * * * * * * * * * * 90003 90002 1. 12 months Manufacturer s limited Warranty for defective items 90003 90002 (excluding items damaged and or misused after receipt). 90003 90002 Accessories come with a 3-month warranty. 90003 90002 90003 90002 2.Defective items MUST BE reported and returned within the warranty period 90003 90002 You must tell us what the defect is and give us your order number. 90003 90002 90003 90002 3. If you are not satisfied when you receive your item, please return it 90003 90002 within 14 days for a replacement or money back. Please contact me 90003 90002 before you return it. 90003 90002 90003 90002 WE DO NOT REPAIR OR REPLACE ITEMS WITH AN EXPIRED WARRANTY.90003 90002 You agree to all of the above-listed policies upon ordering on aliexpress! 90003 90002 90027 Feedback 90028 90003 90002 * * * * * * * * * * * * * * * * * * * * * * * * * * * * * * * * * * * * * * * * * * * * * * * * * * * * * * * * * * * * * * * * * * * * * * * * 90003 90002 We maintain high standards of excellence and strive for 100% customer 90003 90002 satisfaction, Feedback is very important We request that you contact us 90003 90002 immediately BEFORE you give us neutral or negative feedback, so that we 90003 90002 can satisfactorily address your concerns.90003 90002 It is impossible to address issues if we do not know about them. 90003 90002 90003 90002 90027 if you need more product about pneumatic, please contact me, thanks. 90028 90003.
- Вентиляция пластиковые воздуховоды – Пластиковые воздуховоды для вентиляции: критерии выбора и монтаж
- Где установить розетку для вытяжки на кухне – Где делать розетку для вытяжки?

